ACEWELL CV080-XX3 Motorcycle Car ATV Computer User Manual
Thanks for purchasing the ATV/Motorcycle/scooter/vehicle computer; this manual is specifically designed for CV080- XX3 series.
| LED Indicators | |||||||||
| CV080-XX3 | ![]() | ||||||||
| LCD Symbols | |||||||||
| CV080-XX2/XX3 | ![]() | ![]() | |||||||
Different model with different needle tachometer or speedometer scales are as below:
- CV080-223: 220km/h
- CV080-283: 280km/h
- CV080-303: 6,000rpm
- CV080-403: 9,000rpm
- CV080-503: 12,000rpm
- CV080-603: 15,000rpm
PANEL DESCRIPTIONS
- Tachometer or Speedometer Scale
- Needle Tachometer /speedometer
- 1st row: Digital Speedometer
- 2nd row: Other functions
- Gear Indicator
- RESET Button
- MODE Button
- Bar Fuel or Temperature gauge
- 7 LED indicators
- 6 LCD indicators

FEATURES
- Needle tachometer or speedometer, integrated digital functions, 7 LED indicators and 7 LCD indicators.
- Negative VA LCD displays digital functions of speedometer, tachometer, maximum RPM and SPD, average speed, trip meter 1/2 or 3, odometer, riding time, total riding time, total hour meter, volt meter, temperature meter, clock, bar-fuel and temperature gauge.
- 5 level backlight brightness can be manual adjust from 5, 6, 7, 8, 9.
- Gear indicator which calculates gear by comparing speed and RPM.
- Fuel gauge full and empty resistances are fully adjustable to be compatible with most fuel senders. Fuel gauge can be disabled if not required.
- Allows end user to adjust odometer when the odometer is less than 30km / 18.6 miles
- Odometer and total riding time are stored in memory, even when the power is off.
- Universal wheel circumference setting range from 1 to 3,999mm.
- Includes bracket, RPM sensing wire, hall or reed speed sensor, fitting kits, wiring harness and temperature sensor.
- Excellent water resistant, anti-vibration structure and noise immunity design.
SPECIFICATIONS
| FUNCTIONS | SYMBOL | Specifications |
| Digital Tachometer | rpm | 100-19,900 rpm, |
| Speedometer | km/h / MPH | 2.4-399 km/h (248 MPH) |
| Maximum speed | MAX SPD | 2.4-399 km/h (248 MPH), |
| Average speed | AVG SPD | 2.4-399 km/h (248 MPH), |
| Temperature Meter | ℃/℉ | 0℃-180℃ / 32℉-356℉, HI or oFF<0℃ display -L-, >180℃ display -H- |
| Max. Temperature | MAX ℃/℉ | 0℃-180℃ / 32℉-356℉ |
| Trip meter 1/2 | TRIP 1/2 | 0.00-999.99 km /624.99Miles |
| Trip meter 3 | TRIP 12 | 999.99-0.00 km /Miles count down |
| Odometer | ODO | 0-999.99 km, 0-624999 Miles |
| 12/24 Hour Clock | AM/PM | AM/PM 0:00’ – 11H59’ / 23H59’ |
| Riding timer | RT | 0-99H59`59“ |
| Total Riding Time | TT | 0-99999.0H |
| Total Hour meter | HRTT | 0-99999.0H |
| Voltage Gauge | V | 9.3-18.0 Volt and battery warnings |
| Gear indicator | N, R, 1, 2,…8 gears and off mode | |
| Maintain reminder | 0~9999km (6213Miles), 9999 hoursor oFF | |
| Bar-Fuel or Temperature Gauge | Or ![]() | 1-5 Bars, Adjustable 10Ω -999Ω,reserve mode, or not displayed |
- Power Input DC 9.3-18V
- Tachometer Sensor CDI, Ignition Coil Signal or ECU
- Speed Sensor Reed or hall Sensor
- Temperature Sensor PT-1/8” Thermistor Sensor
- Speed input divider setup 1-199 Pulses
- Maximum speed input frequency 5K Hz
- Wheel circumference setting 1mm-3999mm
- Dimensions Ø80*51.5mm
INSTALLATION & PARTS

Main Unit Installation:
Main Unit
Sleeve of main unit
Bracket
Rubber pad
Washer
Nut
Screw
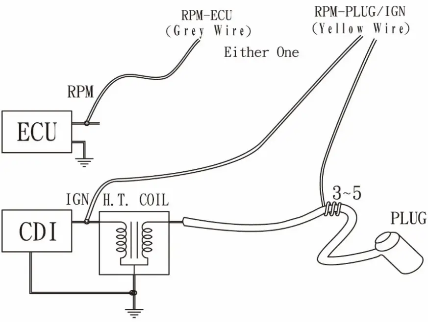
RPM sensor mounting:
- Connect the yellow or grey wire to sense the RPM signal.
- The yellow wire can be wrapped around the spark plug lead or can be connected to the primary side of the coil or to the pulse wire on an active spark plug cap.
- a. Signal strength from the ignition coil is dependent on coil type.
b. Coil 3-5 turns around spark plug lead, the more turns the stronger the signal. A weak signal will not show a reading on the screen whereas a very strong signal will have a reading which is too high or very jittery.
If the reading is incorrect then try putting the 1MΩresistor which is included in the box inline in the sensor wire.
c. Connects to the primary side of the coil or to the pulse wire on an active spark plug cap if the signal of wrapped around the spark plug is still unstable.
- a. Signal strength from the ignition coil is dependent on coil type.
- If the signal is still unstable, please try to connect the grey wire to the ECU rev counter output.

Speed Sensor Mounting:
ACEWELL has several speed sensors; the unit may include one of them. If the model is intended to be connected to a gearbox electronic speed output to obtain the speed reading, no speed sensor will be included.
Reed Speed Sensor and Magnet:
- This sensor is universal sensor for motorcycle; find a rotating part to install magnet (for example disk, sprocket or driveshaft) and a location to install the sensor where it can be aligned to the magnet.
- Align the center of the magnet to either of the sensor marking lines or the end of the sensor. The magnet must not travel down the body of the sensor.
- Installing the sensor parallel to the vibration direction creates optional anti-vibration effect.
- Make sure the gap between the magnet and the sensor is within 8mm.

Hall Effective Speed Sensor and Magnet:
- This is universal sensor for ATV or motorcycle front or rear wheel installation. For some fitments an accessory speed sensor holder may need to be purchased.
- Find a rotating part to install magnet (for example disk, sprocket or driveshaft) and a location to install the sensor where it can be aligned to the magnet.
- Align the center of the magnet to center of side face of the sensor.
- Make sure the gap between the magnet and the sensor is within 5mm.

Specific Hall sensors:
Cable drive adaptors for most bikes originally fitted with cable driven speedometers or odometers are available. When using these cables it is necessary to divide the circumference setting by the number of rotations of the cable per rotation of the wheel, please try to set 730mm as the wheel circumference firstly if you are using this type sensor.
Temperature Sensor and Sensor Tube:
- The unit includes a PT1/8 temperature sensor, if you want to use the sensor; you may have to purchase a suitable water pipe temperature sensor tube to install the sensor on some bikes.
- Cut the water pipe, insert the temperature tube into the pipe and secure it by attached pipe clamps.
- Screw the sensor into the tube.
- If your vehicle is fitted with a thermostat that stops water flowing to the radiator when the engine is cold, you will not get a reading until the thermostat opens.
- Custom sensors are available for carbureted bikes to replace the original sensor.
FUNCTIONS
RPM: Digital Tachometer
- It displays digital tachometer up to 19,990RPM and displays 19,990rpm when tachometer is over 20,000rpm.
- It has 2 wires to pick up RPM signal, the yellow wire is to connect to Plug or Ignition coil, and grey wire is for signal from ECU.
Shift Warning RPM
- The function enables you to set up a shift warning RPM.
- The indicator lights up when RPM reaches setting value.
- The RPM indicator turns off or stops lighting up after you shift gear.
MAX RPM: Maximum Tachometer
Displays highest tachometer achieved since last Reset operation.
km/h or MPH: Speedometer
- Displays speed meter up to 399.9 km/h or 248.5 MPH.
- The maximum frequency from speed sensor is 5K Hz.
- With a small wheel size and large number of pulses per wheel revolution it may not be possible to display very high speeds.
MAX: Maximum Speed Meter
Displays highest speed achieved since last Reset operation.
AVG: Average Speed Meter
It calculates average speed from last RESET. The AVG is calculated from TRIP be divided by RT.
TRIP 1 / 2: Trip Meter 1 / 2
TRIP function accumulates trip distance since last RESET as long as bike /vehicle is moving.
TRIP 12: Trip Meter 3
- TRIP-3 function appears and starts to accumulate trip distance automatically after low fuel warning LED is turned on.
- TRIP-3 be reset to zero automatically when fuel is added to over the low fuel warning level.
ODO: Odometer
- ODO accumulates total distance traveled.
- ODO data is adjustable when it is less than 30km (18.6 Miles), after that it is stored in memory and cannot be reset.
RT: Riding Timer
- Calculates total running time since last RESET.
- Counter automatically begins with movement.
TT: Total Riding Timer
- Calculates total riding time from the beginning of the bike.
- TT data is stored in memory, and cannot be reset.
HRTT: Total Hour Meter
- Calculates total engine operation time since installation RESET.
- Count automatically begins with engine starting.
- HRT data is stored in memory, and cannot be reset.
AM/PM: 12/24 hour Clock
It displays 12 or 24 hour current time.
℃/℉: Temperature Meter
- It measures and displays from 0℃-180℃ / 32℉-356℉.
- It displays -L-℃ or -L-℉ when temperature is lower than 0℃(32℉) or disconnected temperature sensor, and displays -H- ℃ or –H-℉ when temperature is over 180℃ or 356℉.
- The digits of temperature on LCDs flash when the thermistor sensor detects temperature higher than the preset warning temperature. The warning digits flash back again after 10 secs. when switching to other information display or tuning out.
MAX ℃/℉: Maximum Temperature
Displays highest temperature achieved since last Reset operation.
V: Digital Voltage and Battery Warnings
- It checks bike’s battery and charging system’s health.
- It has 3 modes, On, Off and HI.
- The “on” means battery warning on voltage, when the voltage falls below 11.0V the LCD
will flash. - The “oFF” means battery warning off voltage, oFF voltage is 12.5V.
- The “HI” means battery is over 15.0V, it comes on to warn that the battery over-charges.
N: Gear Indicator
- The gear indicator calculates gear by comparing speed and RPM then displays gear position.
- User has to train the gear indicator before use it.
Bar-Fuel or
Temperature Gauge
- Has 5 bars to indicate how much fuel remains, or the temperature status.
- To use as a fuel gauge, the user enters the sender ‘empty’ resistance between 10 and 1000 ohms and the sender ‘full’ resistance between 10 and 999 ohms. The computer produces a linear scale of bars between these two resistances. When less than 10% fuel remains the gauge will flash and the warning LED if fitted will light.
- To use as a reserve indicator, connect the reserve switch to the input and put into “rES” mode, the bar gauge will automatically be switched to temperature gauge. When the switch pulls the input to –ve the LED icon will light. On vehicles with temperature based sensors a 68 ohm 5w resistor needs to be connected between the input wire and 12v (switched).
- If the bar-fuel gauge is not required they can be switched off. Bar gauge will display for bar-temperature gauge instead of bar-fuel gauge as if the temperature meter set at on status.
- The specific setting and waring flash of bar-fuel and bar-temperature gauge on function cutover among “on”, “OFF”, and “rES” of bar-fuel are as below.
Fuel Mode Temp. Mode Bar Display Symbol Flash LED Light Up ON °C 


°F OFF HI OFF °C 


°F OFF No Bar Display No Bar FLASH No LED Light Up HI rES °C 


°F OFF No Bar Display 

HI
+Trip or HRT : Maintenance Reminder
- The maintenance reminder can set by either trip meter or hour meter, and an “oFF” mode to switch it off.
- The trip meter maintenance can be set up to 9999km.
- The HRT maintenance reminder can be set up to 9999 hours.
MODE Button (Right)
- Press the MODE button to move between all functions in sequence as “→” from one function screen to another.
RESET Button (Left)
- Reset button cycles through functions in reverse order.

DATA RESETTING AND PROGRAMMING MODES
- Press MODE or RESET button to reach the desired screen then press RESET button for 2 seconds to reset MAX SPD, MAX RPM and MAX ℃/ ℉ data from stored values to zero individually. The maintain reminder data will be reset to the preset value rather than
zero. - The data of Trip 1, AVG & RT will all be reset at the same time when one of the 3 data functions is being reset.
- ODO, clock, HRTT and TT data cannot be reset.
Shift Warning RPM Operation
- Press MODE or RESET button to reach the RPM screen; pull on the throttle until the desired shift warning RPM.
- Press RESET button to confirm and set up the shift warning RPM.
- When RPM exceeds the setting value, the shift waring LED indicator will light up to remind you shift gear.
- Press RESET button for 2 seconds at the RPM screen to re-adjust the shift warning RPM.
Gear Indicator training operations:
- If using a rear wheel or gearbox speed sensor, put bike on a rolling road or securely mounted centre stand, if measuring front wheel speed the following can only be done if the vehicle is moving.
- Change the LCD screen to display digital RPM.
- Press and hold MODE button for 2 seconds to go into the number of gears setting mode.
- Gear indicator flashes the default 0 gears.
- Press RESET button to select the number of gear, user can select 4-6 gears or “0” to disable the gear function.
- Press MODE button to confirm the number of gears and go to the number gear ratio setting mode.
- It displays and flashes “1”, shift bike’s gear to the 1st gear, run the engine to between 2000-4000RPM.
- Hold the speed and the RPM for about 5 seconds until the “-“flashing. The flashing “-“after the gear “1” means the 1st gear be set.
- Press MODE button to confirm the set and go to the 2nd gear setting.
- It displays and flashes “2”, shift bike’s gear to the 2nd gear, run the engine to between 2000-4000RPM.
- Hold the speed and the RPM for about 5 seconds until the “-“flashes. The flashing “-“after the gear “2” means the 2nd gear is set.
- Press MODE button to confirm the setting and go to next gear setting.
- Repeat the same operations as items 11-14 to set other gears until the last gear is set. Press MODE button to return to normal mode.
- At gear indicator setting mode, press and hold MODE button for 2 seconds to abort the setting if you need to re-set at any setting screen.
WHEEL CIRCUMFERENCE TABLE
- The details below have been calculated using following formula: Tire Diameter (inches) x 25.4(mm/inches) x 3.1416 = wheel circumference (in mm).
- Identify the tire size of your ATV/Motorcycle when you need to change different tire size and key in the corresponding number shown in the following chart.
Tire outside diameter Circumference number (mm) Tire outside diameter Circumference number (mm) Tire outside diameter Circumference number (mm) 15 inch 1197 19 inch 1516 23 inch 1835 16 inch 1277 20 inch 1596 24 inch 1915 17 inch 1357 21 inch 1676 25 inch 1995 18 inch 1436 22 inch 1756 26 inch 2075 - These values are approximate and will differ for different brands of tyre, we would always recommend that you measure the distance travelled per revolution of the wheel in mm and enter this into the computer.
- The computer calculates the wheel rotating length between 2 passes of the magnet; use this table to find the settings when you are using a reed sensor or an universal hall sensor with magnet to measure your speed.
- If you are using a cable drive speed sensor then enter the number of turns of the cable per turn of the wheel into the pulses screen. The calculated standard value is 715mm.
- You can use more magnets, enter the number of magnets fitted into the pulses screen.
- If using a sprocket tooth counter speed sensor or internal pulse gearbox speed sensor enter the number of pulses per wheel revolution into the pulses screen.
Clock, Backlight, RPM, Wheel, Divider, SPD Pulse , Unit, Maintenance, Battery Warning, Temperature, Fuel & ODO Set Up
- Setup operations include, 12/24hour clock, backlight, shift warning RPM, numbers of engine rotation per signal, SPD sensor, wheel circumference, speed pulses, units, maintenance, battery warning, temperature unit and warning, fuel meter input resistance selection and odometer adjustment. These must be set up step by step. The computer will be automatically revert to normal mode if no button is pressed for 75 seconds at any setting screen.
- Press both MODE & RESET buttons to go into setting mode. In setting mode, each press of the RESET button increments the flashing digit by 1 or converts units. Press MODE button to confirm the digit setting and jump to next digit or next setting screen to be set. Press MODE button for 2 seconds at any setting screen to finish the setting and go to normal mode.
- It displays “12 or 24H and XX:XX:XX ” symbols and AM/PM when you select 12H. Operate buttons as described in item 2 to finish clock setting and jump to backlight brightness setting.
- It displays “5 & LEd”, the flashing 5 can be set from 5 to 9, 5 means the weakest backlight, the more value of number the more brightness. Follow item 2 of button operation to finish the setting and jump to shift RPM warning setting.
- It displays the default “RPM r06500”, the digit “0” flashes. Follow the item 2 of button operation to finish the shift RPM warning setting and jump to engine specification setting.
- It displays “RPM P 1r1P”, the default value is 1r1P; there are 6 options: 1r1P, 1r2P, 1r4P, 1r30P, 2r1P, 3r1P,. “r” means the numbers of engine rotation, “P” means number of signals from engine. For example the value 2r1P means the engine rotates 2 turns to output one signal.
- Press RESET button to move in loop sequence from one to another value of the 6 values. Press MODE button to confirm the setting and go to speed sensor type screen.
- It displays SE SPD HALL or SE SPD rEEd, HALL type is for Acewell’s unique 2 wires hall sensors only, rEEd type is for reed sensors, gear sensors and signals from ECU. A gear sensor has 3 wires and must be powered from the bike. Follow item 2 of button operation to confirm the sensor type and jump to wheel circumference setting screen.
- In “SPD CXXXX” display, “C” means “Circumference”, following 4 default digits; flashing digit is digit to be set. Follow the item 2 of button operation to finish the wheel circumference setting and jump to signal divider setting.
- It displays “SPD P-001”, the pulses screen, the number of pulses into the computer per turn of the wheel. Follow item 2 of button operation to finish the setting and jump to unit setting.
- It displays km/h or MPH, each press of RESET button converts unit; press MODE button to confirm unit setting and jump to maintain reminder setting.
- It displays
and TRIP, HRT or oFF, TRIP is 1000km (621Miles) and HRT is 100 hours by default. Follow the item 2 of button operation to finish the maintenance reminder setting and jump to thermometer 1 setting. The maintenance reminder function will be not be shown when “oFF” is selected. - It displays “
℃ , ℉ or HI, or oFF”, each press of RESET button converts ℃, ℉ , oFF or HI, the temperature bars will disappear when you select oFF or HI mode; press MODE button to confirm temperature setting and jump to temperature warning setting. - It displays “
XXX” and the selected unit. Follow the item 2 of button operation to finish the temperature warning setting and go to bar fuel or bar temperature setting. - It displays “on, oFF or rES” and
, it displays fuel tank and full bars as well flash XXXXr, it means full tank resistance setting, the setting range of “on” from 10r to 1000r. It displays fuel tank and one bar as well as flash XXXXr, it means empty fuel sensor resistance setting. Follow the item 2 to select a resistance same as your fuel sender and jump to odometer setting. The fuel meter bar will disappear if you select oFF or rES mode and the thermometer setting set at “oFF”; it will display incase the thermometer set “on or oFF”, bar-thermometer will be displayed instead of bar-fuel gauge at the status. In “rES” mode connecting the input wire to 0v can bring on the fuel symbol instantly. - It displays “ODO & 00000X km”, the “X” is from odometer testing in factory, follow item 2 to set a desired odometer value and jump to clock setting or return to Normal Mode. This setting screen will disappear when the odometer is over 30km (18.6Miles) or your setting is over 30km





Or 





















