NBG-12L0/-12LOB Manual Pull Station (Listed for Outdoor Applications)
Document 51303 Revision Al ECN: 01-293 10/15/01
Instruction Manual
NBG12LOBFace3.wmf
Dual Action NBG-12LOB
NBG-12LOB Manual Pull Station
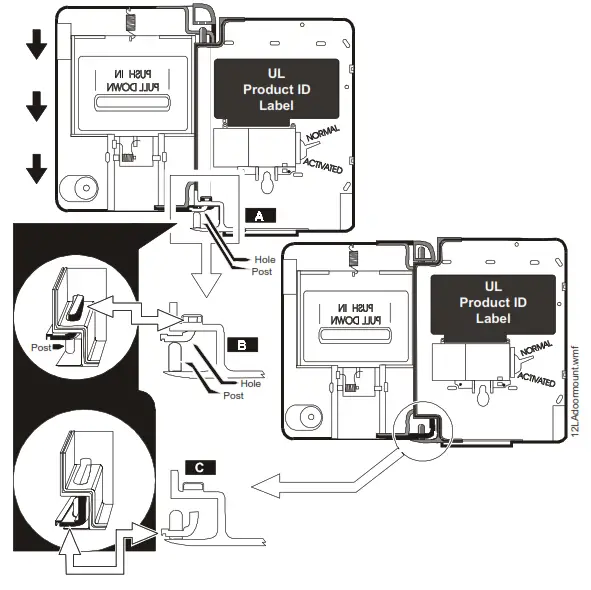
With the door and backplate aligned and ‘keyed’ together, slide the holes down onto the posts.
Closing the door slightly locks the door and backplate together.
Door mated to Backplate at this stage.
Description
The NBG-12LOB Pull Station is a non-coded manual pull station which provides a Fire Alarm Control Panel (FACP) with a single alarm initiating input signal. The pull station is a dual action model equipped with a key lock reset, an approved outdoor gasket, and an accompanying outdoor backbox. It is UL listed and meets the ADA requirement of a 5-lb. maximum pull down force to activate. Operating instructions are molded into the handle. Molded terminal numbers can also be found adjacent to the wiring terminals.
NBG-12LOB
The features of the pull station include Dual-Action operation, Key-Lock Reset function, Screw Terminal Wire connections, outdoor-use gasket, an outdoor approved 4-inch backbox, and a sealed switch with gold-plated contacts.
Note: The NBG-12LOB is applicable with the WP- 1 0 backbox in retrofit applications. To meet UL requirements for outdoor use, the NBG-12LO Pull Station must be mounted to the WBB or WP-10 Backbox to create the NBG-12LOB model.
Switch Contact Rating
FACP Circuit (Terminals 1 & 2): Rated to .25 Amp at 30 Volts (AC or DC).
Door Attachment and Reattachment
If the door becomes detached, complete the following steps to reattach the door to the backplate. The door cannot be connected to the pull station if the unit is mounted to a backbox.
- Position the door and backplate side by side in the full open position. (i.e. 180-degrees with respect to each other.)
- With the backplate position fixed, move the door behind the backplate, as shown in the illustration, part A.
- Align the hinge posts and holes by bringing the door up to meet the backplate, paying particular attention to the ‘keying’ that occurs when the door’s post hole is aligned to the backplate’s hinge post. Refer tOwate v illustration, part B.
- With the two pieces aligned and `keyed’ together, slide the holes down onto the posts. Refer to the illustration, part C.
- Holding the backplate, close the door slightly to lock the door and backplate together.
Wiring Instructions
- Surface mount the supplied Weatherproof Backbox (WBB) using the side flanges incorporated into the backbox design. The box can be positioned to allow conduit connection from any side. The pull station will mount in any position desired.
- Before mounting the pull station, pull all necessary wiring through the backbox.
- Remove the correct amount of wire insulation. The pull station’s backplate is molded with a strip gauge to measure the amount of insulation to be removed.
- Connect the wiring from the fire alarm control panel’s Initiating Device Circuit (IDC), or any previous device on the IDC to terminals 1 and 2 located on the pull station’s terminal strip. Connect the next device on the IDC or End-of-Line Resistor (ELR) to terminals 1 and 2. Note: Maintain consistent polarity with all connections throughout the IDC.

Outdoor Stations
Install the NBG-12L0 with a listed, outdoor-approved backbox (WBB or WP-10) to meet UL requirements for outdoor use. Without one of these backboxes, the NBG-12L0 is not listed for outdoor applications. Use the four supplied 8-32 x .375″ mounting screws to attach the Pull Station to the outdoor-approved backbox.

Operation
To activate the dual-action station, first push in the handle, and then pull the handle down. The handle locks into the activated position. The word ‘ACTIVATED’ appears after the handle is pulled down. The pull station remains in the activated position until reset with the key lock.
- Reset the NBG-12LOB by inserting the key into the lock and turning it ‘A turn (counter-clockwise).
- Open the door until the handle returns to the `NORMAL’ position.
- Close and lock the door. Closing the door auto-matically resets the switch to the ‘NORMAL’ posi-tion. Note: Opening the pull station door will not activate or deactivate the FACP alarm switch.

CAUTION Install the pull station in accordance with the supplied instructions, applicable NFPA standards, national and local Fire and Electrical codes and the requirements of the Authority Having Jurisdiction (AHJ). Conduct regular testing of the devices using appropriate NFPA standards. Notifier is not responsible for devices that have not been properly installed, tested or maintained. For ADA compliance, if the clear floor space only allows forward approach to an object, the maximum forward reach height allowed is 48 inches (121.92cm). If the clear floor space allows parallel approach by a person in a wheelchair, the maximum side reach height allowed is 54 inches (137.16cm).
Document 51303 Revision Al ECN 01-293 10/15/01
www.PDF-Zoo.com
firealarmresources.com


















