NSX100m 3P/4P Extended Rotary Handle
User Manual
www.se.com/support
Retain instruction sheet for future use.
Visit our website at www.se.com to download the documents listed above (user guides or instruction sheets ) and other documents.
PLEASE NOTE
- Electrical equipment should be installed, operated, serviced, and maintained only by qualified personnel.
- No responsibility is assumed by Schneider Electric for any consequences arising out of the use of this material.
- All pertinent state, regional, and local safety regulations must be observed when installing and using this product.
DANGER
HAZARD OF ELECTRIC SHOCK, EXPLOSION OR ARC FLASH
- Apply appropriate personal protective equipment (PPE) and follow safe electrical work practices. See NFPA 70E, CSA Z462, NOM-029-STPS or local equivalent.
- This equipment must only be installed and serviced by qualified electrical personnel.
- Turn off all power supplying this equipment before working on or inside equipment.
- Always use a properly rated voltage sensing device to confirm power is off.
- Put back all devices, doors, and covers before turning on power to this equipment.
- Beware of potential hazards, and carefuinspect the work area for tools and objectsthat may have been left inside the equipment.
Failure to follow these instructions will result in death or serious injury.
Required for Installation

IP54 Extended rotary handle

Before Working on Equipment

- Turn off all power supplying this equipment before working on or inside equipment.
- Turn off device before installation.
- Use a properly rated voltage sensing device to confirm power is off.
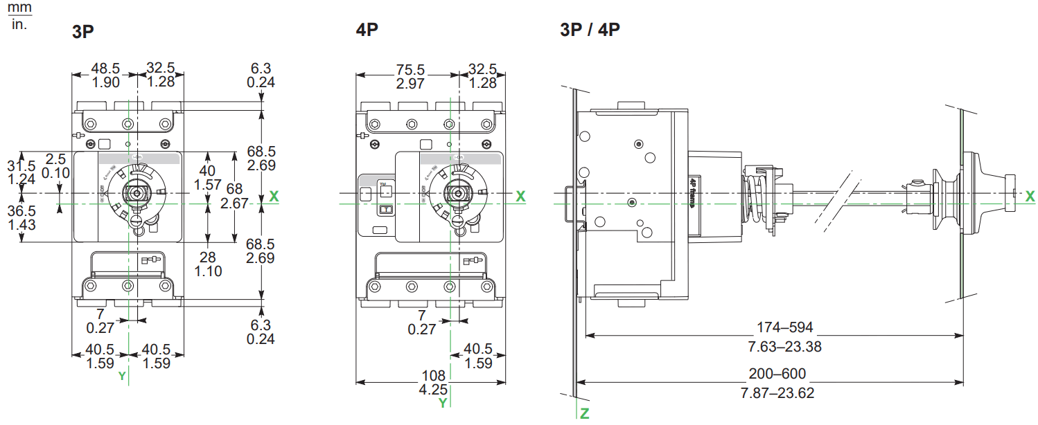
Dimensions

Handle Adaptation
LV426932T: Activation of Locking in I-On Position
When the LV426932T rotary handle is locked in I-On position:
- the protection functions are still active and will trip the circuit breaker in case of electrical fault
- the user can trip the circuit breaker in case of emergency with the push-to-trip button.
NOTE: the LV426933T and LV426934T rotary handles cannot be locked in I-On position.
LV426932T
Installation

DANGER
HAZARD OF ELECTRIC SHOCK, EXPLOSION OR ARC FLASH
Install the device rotary handle before energizing device to prevent access to live terminals.
Failure to follow these instructions will result in death or serious injury.
NOTICE
HAZARD OF EQUIPMENT DAMAGE
- Be careful not to pinch electrical wires when installing the rotary handle.
- Tighten all rotary handle screws to stated torque.
- Do not overtorque screws.
- Do not use power equipment to torque screws.
Failure to follow these instructions can result in equipment damage.

Device Identification

Front-Panel Cutout


Use the GVAPL01 laser tool for precise drilling of the cutout on the door.

Trimming the Shaft

Mounting the Tip

Mounting the Handle
NOTICE
HAZARD OF DAMAGING THE HANDLE
The shaft must be inserted into the handle to allow its operation.
Failure to follow these instructions can result in equipment damage.
Operation
Device Status

Device Operation
11.2.3 Reset After a Trip
HAZARD OF CLOSING ON ELECTRICAL FAULT
Do not close the device without first inspecting and, if necessary, repairing the downstream electrical equipment.
Failure to follow these instructions can result in injury or equipment damage.
![]() | ![]() |
| Device has tripped. | Reset the device. |
![]() | ![]() |
| Inspect and repair downstream equipment, | Close the device. |
11.3 Device Operation with Door Open
https://download.schneider-electric.com/files?p_Doc_Ref=EAV78496
To operate the circuit breaker when the door is open, use an open door shaft operator LV426937.
Consult the instruction sheet EAV78496.
Locking the Handle
12.1 Locking in O-Off Position
DANGER
HAZARD OF ELECTRIC SHOCK, EXPLOSION OR ARC FLASH
When device rotary handle is locked in O-Off position, always use a properly rated voltage sensing device to confirm power is off before working on equipment.
Failure to follow these instructions will result in death or serious injury.

12.2 LV426932T: Locking in I-On Position
To activate locking of LV426932T handle in I-On position, consult the section 4.

Door Locking in I-On and Trip Position
DANGER
HAZARD OF ELECTRIC SHOCK, EXPLOSION OR ARC FLASH
The rotary handle is delivered with the door lock activated.
When the door lock is activated, only qualified persons are authorized to disable the door lock.
Failure to follow these instructions will result in death or serious injury.
To deactivate door locking when the handle is in the I-On or Trip position, turn the screw on extended rotary handle by 60° clockwise.
Sealing
https://download.schneider-electric.com/files?p_Doc_Ref=GHD16296AA
To install the sealing accessory, consult the instruction sheet GHD16296AA.
Manufacturing Date
The product’s manufacture date is coded PP-YYYY-Www-D, where:
- PP: plant code
- YYYY: year of manufacture
- Www: week of manufacture
- D: weekday of manufacture
- onday = 1)
Eg: 7Q-2021-W20-3 = product manufactured at plant 7Q on Wednesday 19 May 2021
Schneider Electric Industries SAS
35, rue Joseph Monier
CS 30323
F – 92506 Rueil Malmaison Cedex
www.se.com
NNZ47650-01
© 2022 Schneider Electric – All rights reserved.
Schneider Electric Limited
Stafford Park 5
Telford, TF3 3BL
United Kingdom
www.se.com/uk






















