MEAN WELL IRL-CL2-01 LED Strip Module

SPECIFICATION
- With constant pressure DC12V driver, safe and reliable
- Small size, light weight, easy to install
- Flexible, easy to bend, can be free to shape
- LEDHigh brightness, light angle, light a small decline, maintenance free
- Change color temperature and brightness with controller
- Energy saving and environmental protection, long life (normal use of up to 8~10 million hours)
- IP 65 Protection level
- 2 year warranty
APPLICATIONS
- LED Decorative lighting
- LEDLighting modeling
- Signs and signs
DESCRIPTION
This product is made by FPC flexible PCB as a substrate. It is made covering the PCB with silicone tube ,has a greater protection for the LEDs, and with moisture-proof function.
Easy installation and configuration,convenient transportation,anti UV. Using 3527 “two color” LED as light source. It can change color temperature and brightness with controller. And that can be illuminated objects display more vivid and delicate, true color effect.
SPECIFICATION
| Model | IRL-CL2-01 |
| Product specifications | 30QQx13.6x7mm |
| Color | Standard white-Warm white |
| Luminous angle | 120° |
| LED Package | 3527(two color ) |
| LEDs | 60LED/M |
| Luminous flux | 580Im/M |
| Wavelength or Color temperature | SW:5700-6500K WW:2900-3200K |
| Rated working voltage | DC12V |
| Rated input power | 7.2W/M |
| Working temperature | -20°C- +45°C |
| IP level | IP65 |
| Packing | 250x220x20mm (Foil bag) |
| NOTE: The luminous flux is allowed to float with+ 10%. | |
Mechanical Specification

Remarks:
(1) Above all dimensions of the unit is mm;
(2) Without special mark, the normal size error is: Size > Smm error ± 0.5mm, Size<5mm error ±0.05mm
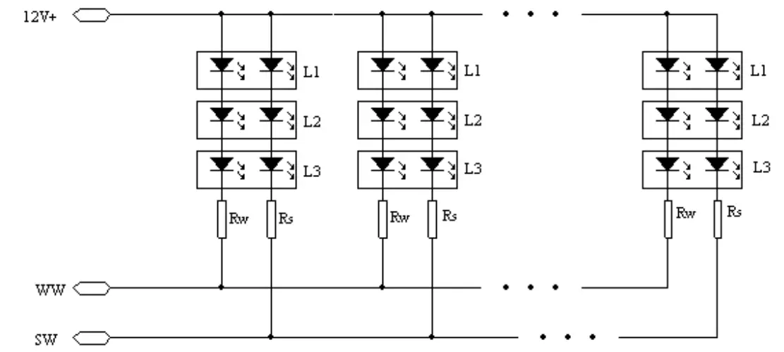
The Circuit Principle Diagram

Wiring Diagram

CAUTIONS
In order to guarantee that the LED life and the use environment, cannot make any force when the product lighting use to pull the power cables, forbids to collide, in order to avoid damages LED.
For can better lighting effect of the product, each 5 meter long strip must connect the main power source.
Must guarantee that each power source (GND) must connect.
Should not be curving in the diameter 60mm following radian, please do not rebate, in order to avoid damage lamp bead or break.
Please follow the user manual for installation.
WARING
- Please note the careful operation, in the power source connection’s situation, will touch the alternating current supply end possibly to cause your safety.
- In the actual application, the power source should retain 20% remainders, guaranteed that the sufficiency the voltage lightens LED.
- Installs as far as possible the product in the appropriate environment.
Pays attention to the power cable in the installment process positive and negative extremely, please do not wrong, power source and product voltage to be whether correct, in order to avoid creates the product the damage.



















