OSRAM DALI-2 Occupancy or Daylight Sensor

Operation and function
Light and motion sensors for use in DALI-2 control systems. This product was specifically developed for integration into DALI-2 light management systems and is only intended for use in these systems. See the controller manufacturer’s handbook for use of the sensor and configuration in the system.
Parts
DALI-2 SENSOR LS/PD HB LI

Dimension

| Supply via 1) | DALI |
| Supply Voltage 2) | 10-22.5VDC (Typical 16V |
| Supply Current 3) | ~6mA |
| Peak Current 4) | ~6mA |
| Operating Temperature 5) | -20°C…45°C |
| Detection Angle 6) | 360° |
| Light sensor range 7) | 5-2000 Lux |
Batten mount adapter (Optional)8)
EAN 4052899630482

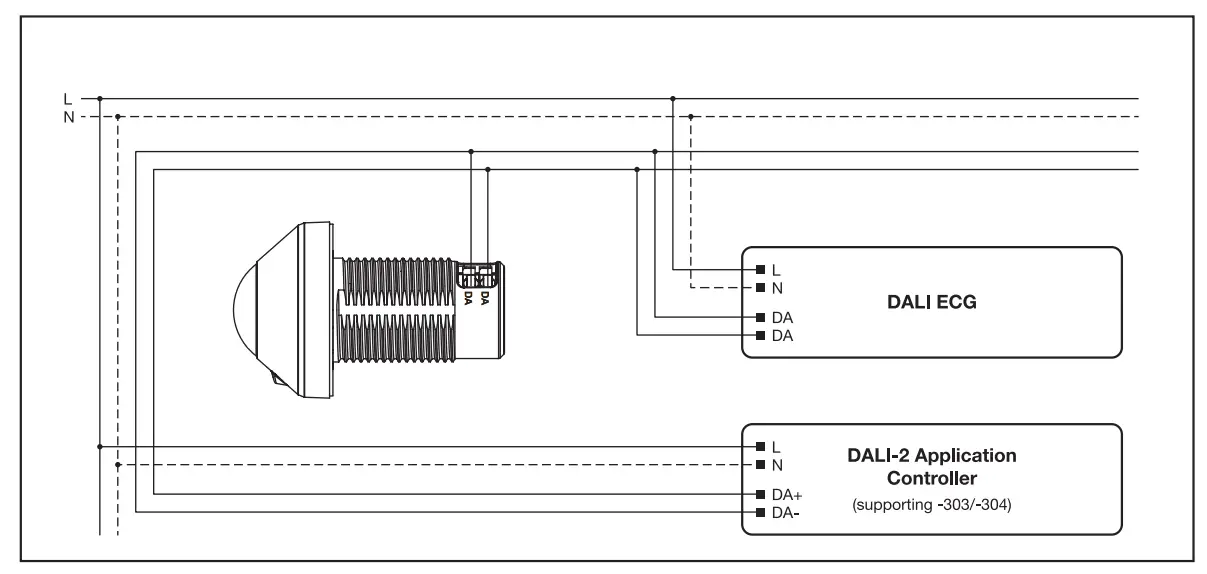
Wiring scheme 10)

Mounting instructions 11)

Detection range 12)

H | 8 | 14 | 17 |
| Ø A | 8.5 | 14.5 | 18 |
| Ø B | 9 | 16.5 | 18 |
Lens Shield 13)

Mounting hints 14)



Customers Support
OSRAM GmbH Berliner Allee 65 86153 Augsburg Germany
|
|
|
OSRAM GmbH
Berliner Allee 65
86153 Augsburg
Germany
www.osram.com























