Shinko SGH11E4 High Low Selector
Preface
Thank you for purchasing our SGH, High/Low Selector. This manual contains instructions for the mounting, functions, operations and notes when operating the SGH. To prevent accidents arising from the misuse of this instrument, please ensure the operator receives this manual.
Notes
- This instrument should be used in accordance with the specifications described in the manual. If it is not used according to the specifications, it may malfunction or cause a fire.
- Be sure to follow the warnings, cautions and notices. If they are not observed, serious injury or malfunction may occur.
- The contents of this instruction manual are subject to change without notice.
- Care has been taken to ensure that the contents of this instruction manual are correct, but if there are any doubts, mistakes or questions, please inform our sales department.
- This instrument is designed to be installed on a DIN rail within a control panel. If it is not, measures must be taken to ensure that the operator does not touch power terminals or other high voltage sections.
- Any unauthorized transfer or copying of this document, in part or in whole, is prohibited.
- Shinko Technos Co., Ltd. is not liable for any damage or secondary damage(s) incurred as a result of using this product, including any indirect damage.
SAFETY PRECAUTIONS (Be sure to read these precautions before using our products.) The safety precautions are classified into categories: “Warning” and “Caution”. Depending on circumstances, procedures indicated by Caution may result in serious consequences, so be sure to follow the directions for usage.
Procedures which may lead to dangerous conditions and cause death or serious injury, if not carried out properly.
Procedures which may lead to dangerous conditions and cause superficial to medium injury or physical damage or may degrade or damage the product, if not carried out properly.
Warning
- To prevent an electrical shock or fire, only Shinko or qualified service personnel may handle the inner assembly.
- To prevent an electrical shock, fire, or damage to instrument, parts replacement may only be undertaken by Shinko or qualified service personnel.
Safety Precautions
- To ensure safe and correct use, thoroughly read and understand this manual before using this instrument.
- This instrument is intended to be used for industrial machinery, machine tools and measuring equipment. Verify correct usage after purpose-of-use consultation with our agency or main office. (Never use this instrument for medical purposes with which human lives are involved.)
- External protection devices such as protective equipment against excessive temperature rise, etc. must be installed, as malfunction of this product could result in serious damage to the system or injury to personnel. Proper periodic maintenance is also required.
- This instrument must be used under the conditions and environment described in this manual. Shinko Technos Co., Ltd. does not accept liability for any injury, loss of life or damage occurring due to the instrument being used under conditions not otherwise stated in this manual.
Caution with Respect to Export Trade Control Ordinance
To avoid this instrument from being used as a component in, or as being utilized in the manufacture of weapons of mass destruction (i.e. military applications, military equipment, etc.), please investigate the end users and the final use of this instrument. In the case of resale, ensure that this instrument is not illegally exported.
Installation Precautions
This instrument is intended to be used under the following environmental conditions (IEC61010-1): Overvoltage category , Pollution degree 2
Ensure the mounting location corresponds to the following conditions:
- A minimum of dust, and an absence of corrosive gases
- No flammable, explosive gases
- No mechanical vibrations or shocks
- No exposure to direct sunlight, an ambient temperature of -10 to 55 (14 to 131 ) that does not change rapidly, and no icing
- An ambient non-condensing humidity of 35 to 85 %RH
- No large capacity electromagnetic switches or cables through which large current is flowing
- No water, oil, chemicals or the vapors of these substances can come into direct contact with the unit.
- When installing this unit within a control panel, please note that ambient temperature of this unit – not the ambient temperature of the control panel – must not exceed 55 (131 ). Otherwise the life of electronic components (especially electrolytic capacitor) may be shortened.
Note: Avoid setting this instrument directly on or near flammable material even though the case of this instrument is made of flame-resistant resin.
Wiring Precautions
- Do not leave bits of wire in the instrument, because they could cause a fire and malfunction.
- When wiring, use a crimping pliers and a solderless terminal with an insulation sleeve in which an M3 screw fits.
- Tighten the terminal screw using the specified torque. If excessive force is applied to the screw when tightening, the screw or case may be damaged.
- This instrument does not have a built-in power switch, circuit breaker and fuse. It is necessary to install a power switch, circuit breaker and fuse near the instrument.
(Recommended fuse: Time-lag fuse, rated voltage 250 V AC, rated current 2 A) - For wiring of the AC power source, be sure to use terminals as described in this manual. If the AC power source is connected to incorrect terminals, the unit will be burnt out.
- Do not apply a commercial power source to the sensor which is connected to the input terminal nor allow the power source to come into contact with the sensor.
- When using DC voltage and current input, do not confuse polarity when wiring.
- Keep the input/output wires and power lines separate.
Operation and Maintenance Precautions
- Do not touch live terminals. This may cause an electrical shock or problems in operation.
- Turn the power supply to the instrument OFF when retightening the terminal or cleaning. Working on or touching the terminal with the power switched ON may result in severe injury or death due to electrical shock.
- Use a soft, dry cloth when cleaning the instrument. (Alcohol based substances may tarnish or deface the unit.)
- As the display section is vulnerable, be careful not to put pressure on, scratch or strike it with a hard object.
Characters used in this manual
| Indication | |||||||||||||
| Number, / | -1 | 0 | 1 | 2 | 3 | 4 | 5 | 6 | 7 | 8 | 9 | °C | °F |
| Indication | |||||||||||||
| Alphabet | A | B | C | D | E | F | G | H | I | J | K | L | M |
| Indication | |||||||||||||
| Alphabet | N | O | P | Q | R | S | T | U | V | W | X | Y | Z |
Model
Input (Input 1 and Input 2 are the same type.)
| Code | Input Type | Code | Input Type | ||
| A0 |
Direct current | 4 to 20 mA (Built-in 50 shunt resistor) | V0 |
DC voltage | 0 to 10 mV (1 M input resistance) |
| A1 | 4 to 20 mA (250 shunt resistor) | V1 | 0 to 50 mV (1 M input resistance | ||
| A2 | 4 to 20 mA (50 shunt resistor) | V2 | 0 to 60 mV (1 M input resistance) | ||
| A3 | 0 to 20 mA (250 shunt resistor) | V3 | 0 to 100 mV (1 M input resistance) | ||
| A4 | 0 to 16 mA (62.5 shunt resistor) | V4 | 0 to 1 V (1 M input resistance) | ||
| A5 | 2 to 10 mA (250 shunt resistor) | V5 | 0 to 5 V (1 M input resistance) | ||
| A6 | 0 to 10 mA (100 shunt resistor) | V6 | 1 to 5 V (1 M input resistance) | ||
| A7 | 1 to 5 mA (100 shunt resistor) | V7 | -5 to 5 V (1 M input resistance) | ||
| A8 | 0 to 1 mA (1000 shunt resistor) | V8 | 0 to 10 V (1 M input resistance) | ||
| A9 | 10 to 50 mA (10 shunt resistor) | V9 | -10 to 10 V (1 M input resistance) | ||
Output
| Code | Output Type | Code | Output Type | ||
| 1 | Current output | 4 to 20 mA | A |
Voltage output | 0 to 10 mV |
| 2 | 0 to 20 mA | B | 0 to 100 mV | ||
| 3 | 0 to 16 mA | C | 0 to 1 V | ||
| 4 | 2 to 10 mA | D | 0 to 5 V | ||
| 5 | 0 to 10 mA | E | 1 to 5 V | ||
| F | 0 to 10 V | ||||
| G | -5 to 5 V | ||||
How to Read the Model Label
The model label is attached to the left side of the case.
Name and Functions
Front Panel
| ① | Display section | Indicates setting contents, input value, output value, etc. |
| ② | Mounting screw | Used for fixing the instrument to the socket or removal from it. |
| ③ | DISP key | Switches the displays, and moves to the next setting item. Releases the lock status of the DISP key by pressing for 3 seconds. |
| ④ | MODE key | Selects either a setting mode or a display mode. Shifts the digit for the Custom Display. Enters the setting mode by pressing and holding for 5 seconds. |
| ⑤ | UP key | Increases the numerical value. Contents of Multi-Display A and B can be changed alternately when Default Display is RUN display mode 1, 2, 3, 4, 5 and 6. |
| ⑥ | DOWN key | Decreases the numerical value. Enters Manual mode by pressing for 3 seconds. |
| ⑦ | Output Zero | Adjusts the value of Output Zero. |
| ⑧ | Output Span | Adjusts the value of Output Span. |
Display Section
| ① | Setting display indicator A | Lights up in Manual mode. |
| ② | Input indicator A | Lights up when Multi-Display A indicates an input value. |
| ③ | Alarm indicator A | Lights up if an input error or input disconnection occurs while Multi-Display A indicates an input value. |
| ④ | Output indicator A | Lights up when Multi-Display A indicates an output value. |
| ⑤ | mA indicator | Lights up when mA is selected in [Indication unit]. |
| ⑥ | % indicator | Lights up when % is selected in [Indication unit]. |
| ⑦ | Setting display indicator B | Lights up for the setting display. |
| ⑧ | Input indicator B | Lights up when Multi-Display B indicates an input value. |
| ⑨ | Alarm indicator B | Lights up if an input error or input disconnection occurs while Multi-Display B indicates an input value. |
| ⑩ | Output indicator B | Lights up when Multi-Display B indicates an output value. |
| ⑪ | 1 indicator A | Lights up when Multi-Display A indicates an input value, output value, Input setting display or Output setting display. Is turned OFF when Multi-Display A indicates custom characters. |
| ⑫ | Multi-Display A | Indicates the following in accordance with the display indication: Input value, output value, custom characters, setting item |
| ⑬ | V indicator | Lights up when V is selected in [Indication unit]. |
| ⑭ | °C indicator | Lights up when °C is selected in [Indication unit]. |
| ⑮ | 1 indicator B | Lights up when Multi-Display B indicates an input value, output value, Input setting display or Output setting display. Is turned OFF when Multi-Display B indicates custom characters. |
| ⑯ | Multi-Display B | Indicates the following in accordance with the display indication: Input value, output value, custom characters, setting value |
Output indicators A and B, Alarm indicators A and B: Red Other indicators: White
Mounting
External Dimensions (Scale: mm) 
Mounting to, and Removal from the DIN Rail
- Mount the DIN rail horizontally.
- To remove the socket, a flat blade screwdriver is required.
- Never turn the screwdriver when inserting it into the Lock lever. If excessive power is applied to the lever, it may break.
- If the instrument is mounted in a position susceptible to vibration or shock, mount commercially available fastening plates at both ends of the instrument. Recommended
Fastening Plate
| Manufacturer | Model |
| Omron Corporation | End plate PFP-M |
| IDEC Corporation | Fastening plate BNL6 |
| Panasonic Electric Works Co., Ltd. | Fastening plate ATA4806 |
Mounting to the DIN rail (Fig. 3.2-1)
- Separate the instrument from the socket by loosening the mounting screw on the front panel.
- Make sure the lock lever of the socket is located in the lower part of the socket. Hook the upper side of the socket onto the DIN rail, then fit the lower part of the socket onto the DIN rail (A clicking sound should be heard when done properly).
Caution- Before inserting the instrument to the socket, make sure the cable is wired properly.(Refer to “4. Wiring”.)
- When inserting or removing the socket, make sure the socket is oriented vertically. If force is applied in any other direction than vertically, a malfunction may occur.
- If the mounting screw is fastened too tightly, a malfunction may occur.
- Insert the SGH into the socket.
- Fasten the mounting screw by turning it clockwise, to secure the SGH onto the socket. Tighten the screw lightly.
Removal from the DIN rail (Fig. 3.2-2)
- Turn the power to the instrument OFF.
- Separate the instrument from the socket by loosening the mounting screw on the front panel.
- Insert a flat blade screwdriver into the Lock lever (lower part of the socket), and remove the socket from the DIN rail while pulling the lever down.

Wiring
Turn the power supply to the instrument off before wiring or checking. Working on or touching the terminal with the power switched on may result in severe injury or death due to electrical shock.
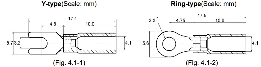
Lead Wire Solderless Terminal
Use a solderless terminal with an insulation sleeve in which an M3 screw fits as shown below. The torque should be 0.63 N•m.
| Solderless Terminal | Manufacturer | Model |
| Y-type | Nichifu Terminal Industries Co., Ltd. | TMEV1.25Y-3 |
| Japan Solderless Terminal MFG Co., Ltd. | VD1.25-B3A | |
| Ring-type | Nichifu Terminal Industries Co., Ltd. | TMEV1.25-3 |
| Japan Solderless Terminal MFG Co., Ltd. | V1.25-3 |
Y-type(Scale: mm) Ring-type(Scale: mm)
Circuit Configuration 
Terminal Arrangement 
| PWR | Power supply voltage 100 to 240 V AC |
| OUT | Output |
| A1, A2 | Direct current input |
| V1, V2 | DC voltage input |
Display Mode
Default Display:
If the MODE and DISP keys (in that order) are pressed together for approx. 3 seconds in any display mode, the display mode will become the Default Display. Once the Default Display is set, the DISP key will be in lock status. If the DISP key is pressed for approx. 3 seconds on the Default Display, the key lock status will be cancelled. If the DISP key is pressed while the DISP key is in lock status, Multi-Display A indicates .
- RUN display mode Multi-Display A indicates Input 1 value, and Multi-Display B indicates Output value.
- RUN display mode Multi-Display A indicates Input 2 value, and Multi-Display B indicates Output value.
- RUN display mode Multi-Display A indicates Input 1 value, and Multi-Display B indicates Input 2 value.
- RUN display mode Multi-Display A indicates Input 1 value, and Multi-Display B is unlit.
- RUN display mode Multi-Display A indicates Input 2 value, and Multi-Display B is unlit.
- RUN display mode Multi-Display A is unlit, and Multi-Display B indicates Output value.
Custom display mode 1: Multi-Display A indicates characters set in [Multi-Display A]. Multi-Display B indicates characters set in [Multi-Display B].
Custom display mode 2: Multi-Display A indicates Input 1 value, and Multi-Display B indicates characters set in [Multi-Display B].
Custom display mode 3: Multi-Display A indicates input 2 value, and Multi-Display Bindicates characters set in [Multi-Display B].
Custom display mode 4: Multi-Display A indicates the Output value, and Multi-Display B
Unlit display mode: Multi-Display A and B are unlit, and the Input indicator A lights up. Alarm indicator A and B light up if they are under the conditions of lighting.
All unlit display mode: All displays and indicators are unlit. Alarm indicator A and B do not light up even if they are under the conditions of lighting.
Model display mode: Multi-Display A indicates a model name, and Multi-Display B indicates an input code and output code.
Setting Mode
Display Transition in Setting Mode
If the MODE key is pressed and held down for approx. 5 seconds in each setting mode, the unit will move to the Default Display.

Input Setting Mode
Input Type
Selects an input type.
Decimal Point Place
Selects a decimal point place.
Output 0% Value
Sets an input value (indicated on the display) at the time of output 0%.
Output 100% Value
Sets an input value (indicated on the display) at the time of output 100%.
Indication Unit
Selects the unit for indication.
Save Settings
Selects whether the settings are saved (registered) or not.
Output Setting Mode
Output Type
Selects an output type.
Decimal Point Place
Selects decimal point place.
Indication Value at Output 0%
Sets an indication value at the time of output 0%.
Indication Value at Output 100%
Sets an indication value at the time of output 100%.
High/Low Input Value
Selects either high input value or low input value to produce an output value.
Output Normal/Reverse
Selects either Normal mode or Reverse mode for Output status.
Save Settings
Selects whether the settings are saved (registered) or not.
Instrument Setting Mode
Input 1 Filter Time Constant
Sets the filter time constant for Input 1.
Input fluctuation due to noise can be decreased.
Input 1 Sensor Correction
Sets the sensor correction value for Input 1.
Input value = Current input value + (Sensor correction value)
The placement of the decimal point follows the selection.
Input 2 Filter Time Constant
Sets the filter time constant for Input 2.
Input fluctuation due to noise can be decreased.
Input 2 Sensor Correction
Sets the sensor correction value for Input 2.
Input value = Current input value + (Sensor correction value)
The placement of the decimal point follows the selection.
Indication Time
Sets duration from no operation until indication (of Multi-Display A, Multi-Display B, and each action indicator) turns off. When set to 00.00, they remain lit. After indication time has elapsed, if any key is pressed while they are unlit, they will light up again.
Auto/Manual
If AUTO is selected, the output value will be output corresponding to the input value. When MANUAL is selected, the unit can enter Manual mode. The output value set in Manual mode will be output.
Manual Mode Auto Return Time
Sets duration from manual mode until the unit automatically returns to Default Display. If set to 0 (zero), auto return will not occur.
Custom Display Setting Mode
Customizes characters to be indicated on the Multi-Display A and B (*). Use alphanumeric characters and symbols. (e.g.) FLOW, TEMP, No.1, No.2
Number of characters which can be indicated differs depending on the display mode.
Refer to Section 5. Display Mode. (pp.13, 14)
If Custom display mode 1 is selected:
Up to 8 characters can be displayed in total for both Multi-Display A and B.
If any of Custom display mode 2 to 4 is selected:
Up to 4 characters can be displayed on the Multi-Display B.
Can be set from the thousands digit of the display.
Digits can be selected with the MODE key.
Multi-Display A
Characters for the Multi-Display A can be customized.
Multi-Display B
Characters for the Multi-Display B can be customized.
Save Settings
Selects whether the settings are saved (registered) or not.
Manual Mode
If MANUAL is selected in [Auto/Manual] in Instrument setting mode, press the DOWN key for 3 seconds. The unit will enter the Manual mode. At this time, Multi-Display A flashes an output value. The output value can be set by the UP or DOWN key. The output value is lit while setting. By pressing the MODE key in Manual mode, or after Manual mode auto return time has elapsed, the unit returns to the Default Display, and outputs the value corresponding to the input value.
Adjustment
Performs the output zero and span adjustments. For this instrument, the output adjustment has already been completed when shipped. If the instrument is used with the ordered Input/Output spec, the adjustment is not required. However, for calibration, or for the fine adjustment of the SGH to which any equipment is connected, perform the adjustment. Connect an mV generator or Dial resistor to the input terminals of this instrument. Connect a digital multimeter to the output terminals.
Basic Operation of Adjustment
For adjustment, use the following trimmers on the front panel.
Output Zero: Adjusts the value of Output Zero.
Output Span: Adjusts the value of Output Span.
Adjustment
Perform adjustment as follows.
Output Adjustment
The following outlines the procedure for Output adjustment.
- Enter the value corresponding to 0% output, and adjust the value using the ‘Output Zero’ trimmer while viewing the output value (on the digital multimeter).
- Enter the value corresponding to 100% output, and adjust the value using the ‘Output Span’ trimmer while viewing the output value (on the digital multimeter).
- Enter the value corresponding to 0% output again, and confirm the output value (on the digital multimeter).
- If the value corresponding to 0% output is not at 0%, repeat steps ① to ③ again.
Operation
Indication after Power-on
After the power is turned on, the instrument is switched to warm-up status for 3 seconds. Multi-Display A indicates a model name, and Multi-Display B indicates the input code and output code. (e.g.) SGHL-A01-0-0
Multi-Display A:
Multi-Display B:
A value corresponding to input 0% will be output.
Operation
After warm-up status, the unit enters display mode.
The input signal selected in [Input type] will be converted to the output selected in [Output type].
Input Indication Range
The measured value is indicated within the following range:
[Output 0% value – (Output 100% value – Output 0% value) ×10%] to
[Output 100% value + (Output 100% value – Output 0% value) ×10%]
For a value lower than (and including) -2000, the input value and the minus (-) sign are indicated alternately. For a value higher than (and including) 10000, the lower 4 digits of input value will flash. (The placement of the decimal point follows the selection.) If the measured value exceeds the indication range:
If the measured value drops below the indication range:
Output Indication Range
The output value is indicated within the following range:
[Indication value at 0% output – (Indication value at 100% output – Indication value at 0% output) ×10%] to
[Indication value at 100% output +( Indication value at 100% output – Indication value at 0% output) ×10%]
However, the high limit value is 9999, and the low limit value is -1999. (The placement of the decimal point follows the selection.)
Input Disconnection Status
If input is disconnected, the input status will become as follows.
| Input Range | Input Status |
| 4 to 20 mA Built-in 50 shunt resistor | Equals 0 mA input. |
| 4 to 20 mA Externally mounted 250 shunt resistor | Equals 0 mA input. |
| 4 to 20 mA Externally mounted 50 shunt resistor | Equals 0 mA input. |
| 0 to 20 mA | Equals 0 mA input. |
| 0 to 16 mA | Equals 0 mA input. |
| 2 to 10 mA | Equals 0 mA input. |
| 0 to 10 mA | Equals 0 mA input. |
| 1 to 5 mA | Equals 0 mA input. |
| 0 to 1 mA | Equals 0 mA input. |
| 10 to 50 mA | Equals 0 mA input. |
| 0 to 10 mV | Overscale * |
| 0 to 50 mV | Overscale * |
| 0 to 60 mV | Overscale * |
| 0 to 100 mV | Overscale * |
| 0 to 1 V | Overscale * |
| 0 to 5 V | Equals 0 V input. |
| 1 to 5 V | Equals 0 V input. |
| -5 to 5 V | Equals 0 V input. |
| 0 to 10 V | Equals 0 V input. |
| -10 to 10 V | Equals 0 V input. |
Indication Time Setting
After preset indication time has elapsed, Multi-Display A, Multi-Display B and each action indicator are turned OFF. They light up again if any key is pressed. They remain lit during setting mode, or in the event of an input error or input disconnection. If the indication time is set to 00:00, they remain lit.
Specifications
Input Specifications
Performance
| Base accuracy (at 25°C) | 0.1% of each input span |
| Cold junction compensation accuracy | 0.5°C (1.0°F) at 20 10°C |
| Temperature coefficient | 0.015 %/°C 0 to 10 mV output: 0.02 %/°C |
| Response time | 500 ms max. (0→90%) |
| Indication update cycle | 125 ms |
| Insulation resistance | 100 M minimum, at 500 V DC |
| Dielectric strength | 2.0 kV AC for 1 minute |
General Structure
| Dimensions | 22.5 x 89 x 70 mm (W x H x D) |
| Weight | Approx. 77 g |
| Mounting | DIN rail |
| Case | Flame-resistant resin, Color: Black |
| Front panel | Polycarbonate |
Installation Specifications
| Power supply | 100 to 240 V AC 50/60 Hz |
| Allowable voltage range | 85 to 264 V AC |
| Power consumption | Approx. 9 VA max. |
| Ambient temperature | -10 to 55°C (Non-condensing, no icing) |
| Ambient humidity | 35 to 85 %RH (Non-condensing) |
Standard Function
| Power failure countermeasure | The setting data is backed up in the non-volatile IC memory. |
| Self-diagnosis | The CPU is monitored by a watchdog timer, and if an abnormal status occurs, the instrument is switched to warm-up status, turning all outputs OFF. |
Troubleshooting
Indication
| Problem | Possible Cause | Solution |
| Multi-Display A or B flashes or when it indicates an input value. | The sensor may be disconnected. | Replace with a new sensor. |
| Check whether the sensor is securely mounted to the input terminals of this instrument. | Connect the sensor terminals to the instrument input terminals securely. | |
| Check the input signal source. | Ensure that the input signal source works normally. | |
| Multi-Display A or B is irregular or unstable when it indicates an input value. | Check whether sensor input is correct. | Select the same sensor type as that of currently used sensor. |
| Sensor correction value is unsuitable. | Set it to a suitable value. | |
| AC leaks into the sensor circuit. | Use an ungrounded type sensor. | |
| There may be equipment that interferes with or makes noise near the instrument. | Keep the instrument clear of any potentially disruptive equipment. | |
| Displays and indicators are unlit. If any key is pressed, they will light up. | The Indication Time (p.22) is set to any value other than 00 : 00. (Factory default is 30 : 00.) | To indicate continuously, set the Indication Time (p.22) to “00 : 00”. |
Key Operation
| Problem | Possible Cause | Solution |
| If the DISP key is pressed, Multi-Display A shows , and the display mode cannot be switched. | The DISP key is in locked status. | Press the DISP key for approx. 3 seconds to release the key lock. |
Operation
| Problem | Possible Cause | Solution |
| When Multi-Display A or B indicates an input value, the input value does not change. | The sensor may be out of order. | Replace with the new sensor. |
| Check whether input and output wires are securely connected to the I/O terminals of the instrument. | Ensure that input and output wires are securely connected to the I/O terminals of the instrument. | |
| Check whether the wiring of input and output are correct. | Wire them correctly. | |
| Output is not turned ON. | Selections in [Output type (p.19)] or [Output Normal/ Reverse (p.20)] may be incorrect. | Make a correct selection in [Output type (p.19)] or [Output Normal/Reverse (p.20)]. |
Character Table
Please use the following factory default values for your reference.
Display mode
| Setting Item | Multi-Display A | Multi-Display B | Data |
| Default Display mode | Follows currently indicated display mode. | ||
| RUN display mode 1 | Input value 1 | Output value | |
| RUN display mode 2 | Input value 2 | Output value | |
| RUN display mode 3 | Input value 1 | Input value 2 | |
| RUN display mode 4 | Input value 1 | Unlit | |
| RUN display mode 5 | Input value 2 | Unlit | |
| RUN display mode 6 | Unlit | Output value | |
| Custom display mode 1 | |||
| Custom display mode 2 | Input value 1 | ||
| Custom display mode 3 | Input value 2 | ||
| Custom display mode 4 | Output value | ||
| Model display mode | Model | Input, Output codes | |
Setting Mode
| Setting Item | Multi-Display A | Multi-Display B | Data |
| Input setting mode | Unlit | ||
| Output setting mode | Unlit | ||
| Instrument setting mode | Unlit | ||
| Custom display setting mode | Unlit |
Input setting mode
Output setting mode
Instrument setting mode
Custom display setting mode 
Head Office: 2-5-1, Senbahigashi, Minoo, Osaka, 562-0035, Japan
[URL] Tel: +81-72-727-6100
[E-mail] [email protected]
https://shinko-technos.co.jp/el
Fax: +81-72-727-7006




















