Shinko PCA1 Programmable Controller
For detailed usage, refer to the Instruction Manual for the PCA1. Please download the full Instruction Manual from the Shinko Technos website. https://shinko-technos.co.jp/e/Support & Downloads Downloads Manuals
Thank you for purchasing our PCA1, Programmable Controller. This manual contains instructions for the mounting, functions, operations and notes when operating the PCA1. To ensure safe and correct use, thoroughly read and understand this manual before using this instrument. To prevent accidents arising from the misuse of this instrument, please ensure the operator receives this manual.
Safety Precautions (Be sure to read these precautions before using our products.)
The safety precautions are classified into 2 categories: “Warning” and “Caution”.
- Warning: Procedures which may lead to dangerous conditions and cause death or serious injury, if not carried out properly.
- Caution: Procedures which may lead to dangerous conditions and cause superficial to medium injury or physical damage or may degrade or damage the product, if not carried out properly.
Warning
- To prevent an electrical shock or fire, only Shinko or other qualified service personnel may handle the inner assembly.
- To prevent an electrical shock, fire or damage to the instrument, parts replacement may only be undertaken by Shinko or other qualified service personnel.
SAFETY PRECAUTIONS
- To ensure safe and correct use, thoroughly read and understand this manual before using this instrument.
- This instrument is intended to be used for industrial machinery, machine tools and measuring equipment. Verify correct usage after purpose-of-use consultation with our agency or main office.(Never use this instrument for medical purposes with which human lives are involved.)
- External protection devices such as protective equipment against excessive temperature rise, etc. must be installed, as malfunction of this product could result in serious damage to the system or injury to personnel. Proper periodic maintenance is also required.
- This instrument must be used under the conditions and environment described in this manual. Shinko Technos Co., Ltd. does not accept liability for any injury, loss of life or damage occurring due to the instrument being used under conditions not otherwise stated in this manual.
Caution for Mounting
This instrument is intended to be used under the following environmental conditions (IEC61010-1)]: Overvoltage category , Pollution degree 2 Ensure the mounting location corresponds to the following conditions:
- A minimum of dust, and an absence of corrosive gases
- No flammable, explosive gases
- No mechanical vibrations or shocks
- No exposure to direct sunlight, an ambient temperature of 0 to 50 (32 to 122 ) (No icing)
- An ambient non-condensing humidity of 35 to 85 %RH (Non-condensing)
- No large capacity electromagnetic switches or cables through which large current is flowing
- No water, oil or chemicals or the vapors of these substances can come into direct contact with the unit
- Take note that the ambient temperature of this unit – not the ambient temperature of the control panel – must not exceed 50 (122 ) if mounted through the face of a control panel, otherwise the life of electronic components (especially electrolytic capacitors) may be shortened.
Caution with Respect to Export Trade Control Ordinance
To avoid this instrument from being used as a component in, or as being utilized in the manufacture of weapons of mass destruction (i.e. military applications, military equipment, etc.), please investigate the end users and the final use of this instrument. In the case of resale, ensure that this instrument is not illegally exported.
Specifications
External Dimensions (Scale: mm) 
Panel Cutout (Scale: mm) 
Caution
If horizontal close mounting is used for the controller, IP66 specification (Drip-proof/Dust-proof) may be compromised, and all warranties will be invalidated.
Mounting and Removal of the Unit
Caution
As the case of the PCA1 is made of resin, do not use excessive force while tightening screws, or the mounting brackets could be damaged. The torque should be 0.12 N•m.
Mounting of the Unit
Mount the controller vertically to the flat, rigid panel to ensure it adheres to the Drip-proof/Dust-proof specification (IP66).
If the lateral close mounting is used for the controller, IP66 specification (Drip-proof/Dust-proof) may be compromised, and all warranties will be invalidated.
Mountable panel thickness: 1 to 8 mm
- Insert the controller from the front side of the control panel.
- Attach mounting brackets by the holes top and bottom of the case, and secure the controller in place with the screws. The torque should be 0.12 N•m.

Removal of the Unit
- Turn the power to the unit OFF, and disconnect all wires.
- Loosen the screws of the mounting brackets, and remove the mounting brackets.
- Pull the unit out from the front of the control panel.
Names and Functions 

Indicator, Display 

Action Indicator (Backlight: Orange) 
Key, Connector 
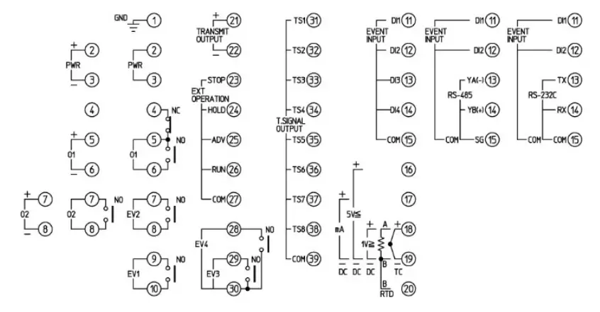
Terminal Arrangement
Warning
Turn the power supply to the instrument off before wiring or checking.
Working on or touching the terminal with the power switched on may result in severe injury or death due to electrical shock.
Caution
- Do not leave wire remnants in the instrument, as they could cause a fire or malfunction.
- Use the solderless terminal with an insulation sleeve in which the M3 screw fits when wiring the instrument.
- The terminal block of this instrument is designed to be wired from the left side. The lead wire must be inserted from the left side of the terminal, and fastened with the terminal screw.
- Tighten the terminal screw using the specified torque. If excessive force is applied to the screw when tightening, the terminal screw or case may be damaged. The torque should be 0.63 N・m.
- Do not pull or bend the lead wire on the terminal side when wiring or after wiring, as it could cause malfunction.
- This instrument does not have a built-in power switch, circuit breaker and fuse. It is necessary to install a power switch, circuit breaker and fuse near the controller. (Recommended fuse: Time-lag fuse, rated voltage 250 V AC, rated current 2 A)
- For the grounding wire, use a thick wire (1.25 to 2.0 mm2).
- For a 24 V AC/DC power source, ensure polarity is correct when using direct current (DC).
- Do not apply a commercial power source to the sensor which is connected to the input terminal nor allow the power source to come into contact with the sensor.
- Use a thermocouple and compensating lead wire according to the sensor input specifications of this controller.
- Use the 3-wire RTD according to the sensor input specifications of this controller.
- For DC voltage input, (+) side input terminal number of 0 to 5 V DC, 1 to 5 V DC, 0 to 10 V DC differs from that of 0 to 10 mV DC, -10 to 10 mV DC, 0 to 50 mV DC, 0 to 100 mV DC, 0 to 1 V DC.
- When using a relay contact output type, externally use a relay according to the capacity of the load to protect the built-in relay contact.
- When wiring, keep input wires (thermocouple, RTD, etc.) away from AC sources or load wires.


Shinko PCA1 Programmable Controller




























