REPUBLIC OF GAMERS ROG STRIX B560-A Gaming WIFI LGA 1200 ATX Gaming Motherboard

Motherboard Layout

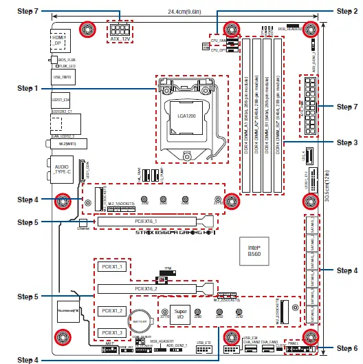
- STEP 1
Install the CPU
Installer sentralprosessoren (CPU)
- Step 2
Install the CPU fan
- Step 3
Install memory modules

- Step 4
Install storage devices. To install M.2 refer to user manual. - Step 5
Install expansion card(s)
- Step 6
Install the system panel connector
- Step 7
Install ATX power connectors
- Step 8
Connect input/output devices
- Step 9
Power on the system and install operating system and drivers


























