Fan Filter Unit
IOM FFD / FFDR / FFDRA
INSTALLATION & OPERATION MANUAL


Critical Operation Conditions of FFD, FFDR, & FFDRA models
- Touching of the HEPA filter will damage it, voiding the warranty on the filter. The screen is only to protect against an accidental ‘touch’ of the filter. Never place a hand or tool on the filter. Never lie filter face flat down on a surface always have filter on its side to protect from damage.
- Prior to powering the unit, verify voltage on label and that the unit has been wired into the correct voltage. The serial number label on the top of the unit has the required voltage.
- To insure you order the proper replacement parts or complete unit, record the part number and serial number. This information is located on the serial number label, located adjacent to the electrical box. If you can’t locate the Sales Order Number, please contact Titus for this information. Once obtained, record the information for reference.

WARNING
TO REDUCE THE RISK OF FIRE, ELECTRICAL SHOCK, OR INJURY TO PERSONS, OBSERVE THE FOLLOWING:
A. Installation work and electrical wiring must be done by qualified person(s) in accordance with all applicable codes and standards, including fire-rated construction.
B. When cutting or drilling into wall or ceiling, do not damage electrical wiring and other hidden utilities.
C. If this unit is to be installed over an area using liquid, such as water or chemical cleaning solutions, it must be marked as appropriate for the application.
D. Use this unit only in the manner intended by the manufacturer. If you have any questions, contact the manufacturer.
E. Before servicing or cleaning the unit, switch power off at unit service panel and lock service panel to prevent power from being switched on accidentally.
Installation
Note: Titus fan filter units are completely assembled at the factory with the exception of the optional ¼”-20 eyebolts that are used when hanging the unit from an engineered design support system and installation of the HEPA/ULPA filters (eyebolts not included and can be ordered separately, p/n 222449-001).
Step 1. Carefully remove the unit from the shipping carton and inspect for any damage that may have occurred during transportation (See Figure 1). Note: When ordering FFDR and FFDRA units, the HEPA filters may be shipped separately to be installed into units after the fan box has been installed.

Step 2. If using rigidly supported grid (usually 2” (50 mm) or wider), raise unit through ceiling and lower onto the gasketed grid. If using a flexible grid (typically supported with wires), the unit must be secured to an engineered design support system with s-hooks and chain. Screw the four eyebolts into the nesters on the lid assembly before lifting into an overhead position (see Figure 2)
Note: Confirm fan dimensions to match T-grid dimensions.

Step 3. Raise the unit and secure it into place using the chosen support system method suspended from a structural support bracing.
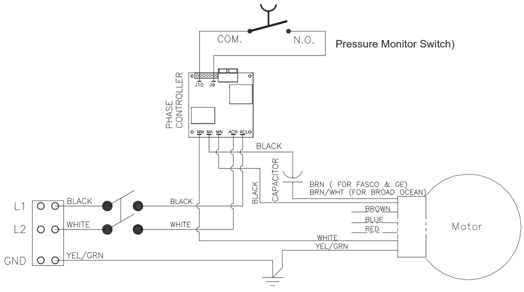
Step 4. Have an electrician wire the unit to the appropriate voltage, according to the wiring diagram (page 13), and all national and local electrical codes. All units are equipped with a three position terminal block for field connection. Verify correct single-phase power, before energizing units.
Step 5. Turn on the power using the two position rocker switch (ON/OFF) located on the electrical box. For FFDR and FFDRA units, let the unit run for a few hours to purge off particulate (if filters are shipped loose) that may be adhered to the inside of the unit before installing the filters. Do not run fan at full speed as this may cause overload condition.
Note: Your fan filter may have been shipped separate. Controls have been shipped separately.
Unit Control Box
ON/OFF SWITCH – SPEED/AIRFLOW ADJUSTMENT
All units are equipped with a speed control enabling adjustment of airflow at any setting within the recommended performance range. The speed control knob is located on the side of the electrical box, adjacent to the on/off switch.

SPEED CONTROL ADJUSTMENT
Airflow/speed is adjusted by rotating the knob (See figure above):
| • Clockwise | Lowers the speed |
| • Counter-Clockwise | Increases the speed |
Fully rotating the speed control knob to the left or counter-clockwise will turn the unit off.
Note: When turning the unit “ON” from the “OFF” position of the speed control, the fan is at the highest speed. Turning the speed control knob clockwise will lower the airflow.
OPTIONAL SPEED CONTROL
For units equipped with a three-position rotary switch, it is located on the side of the electrical box (See figure below). Recommended fan speed during initial start-up and operation is the “LOW” speed. As airflow eventually decreases due to filter loading, fan speed may be increased by moving the rocker switch to the top or “MEDIUM” position, and finally to the “HIGH” position. Periodic airflow velocity readings (per IEST Recommended Practices) should be conducted to determine the filter condition and appropriate fan speed setting.

Filter Indicator Light option
The pressure switch for the filter indicator light option is set at 0.60 in wc from the factory. The set point for the pressure switch can be adjusted between 0.50 in wc and 3.00 in wc by turning the set screw, accessible for the front of the control enclosure. Counterclockwise rotation will increase the set point differential for switching; clockwise rotation will reduce the set point.
The process to adjust this for a specific application is detailed below:
Step 1. Adjust fan speed to highest setting
Step 2. Measure and note initial pressure differential between ceiling plenum and unit plenum (downstream of the fan & upstream of the filter)
Step 3. Restrict discharge airflow incrementally to increase differential pressure until measured value matches filter loading requirements for the project
a. If no specific filter loading requirements are specified a general recommendation is to use twice the pressure differential measured in step 2
Step 4. With the unit discharge blocked, adjust the set point of the pressure switch
a. If the indicator light is illuminated, increase the set point of the pressure switch (CCW rotation) until the is unilluminated
i. Slowly decrease set point until light illuminates
b. If the indicator light is unilluminated, slowly decrease the set point of the pressure switch (CW rotation) until the light illuminates
Step 5. Remove obstruction(s) from the unit discharge
Step 6. Adjust fan speed to operational set point

Troubleshooting
LOW AIR VELOCITY:
Step 1. Adjust variable speed control for higher blower output. For units equiped with 3-speed, adjust switch setting from “LOW” to “MEDIUM” to “HIGH”.
Step 2. Check prefilter media; replace or clean as necessary.
Step 3. Check incoming power supply for proper voltage (120,208- 240,277/24).
Step 4. Examine the HEPA/ULPA filter.
HIGH AIR VELOCITY:
Step 1. Adjust variable speed control for lower blower output. For units equiped with 3-speed, adjust switch setting from “HIGH” to “MEDIUM” to “LOW”.
FILTER ISSUES:
Non-Laminar Flow and/or Excessive Contamination:
Step 1. Insure that no large obstructions are upstream of airflow pattern.
Step 2. Determine that no other air-moving devices are operating in or around clean room which disrupt room’s airflow pattern.
Step 3. Check air velocity and if low, conduct the “Low Air Velocity” procedure outlined above.
Step 4. Conduct smoke and photometer test on HEPA/ULPA filter. Seal or replace HEPA filter as necessary.
Cleaning the Pre-filter (foam)
Tools Required: None.
Note: To keep the filter in top operating condition, washing the foam prefilter is recommended every three to six months.
Step 1. To gain access to the prefilter, remove the ceiling panel next to the unit, if applicable.
Step 2. Switch the ON-OFF switch to the off position.
Step 3. Remove the 16”x23” prefilter from the snap-in frame. (See figure below)
Step 4. Clean the prefilter by hand washing in water with a mild detergent or by using a vacuum cleaner. Allow prefilter to dry completely before replacing.
Step 5. Reassemble by reversing the above steps.
WARNING
DISCONNECT THE UNIT FROM THE ELECTRICAL POWER SOURCE BEFORE ATTEMPTING ANY SERVICE

Service: Removal and Replacement of FFD HEPA/ULPA Filters
WARNING
DISCONNECT THE UNIT FROM THE ELECTRICAL POWER SOURCE BEFORE ATTEMPTING ANY SERVICE
WARNING
THE STANDARD FILTER IS PROTECTED WITH AN EXTENDED METAL FACE SCEEN. THIS IS NEVER TO BE USED TO HANDLE THE FILTER. IT IS ONLY FOR PROTECTION AGAINST AN ACCIDENTAL TOUCH OF THE FILTER. ONLY HANDLE THE FILTER BY THE FRAME
Note: All filters should be visually inspected for freight damage before installation. It is necessary to use two workers when removing the filter and for installation to avoid twisting or separation of the media seals. Handle the filter only by the frame and never place anything on the upstream filter side of the filter. Additionally, it is important to keep the filter level to prevent any shearing force on the media itself.
FOR STANDARD FILTERS:
Tools Required: Phillips Head Driver, Battery Operated Drill with 5/32 drill bit, Rivet Hand Tool, Ø5/32 aluminum rivet grip range.126-.187
Step 1. Remove unit from ceiling.
Step 2. Remove the 10 screws holding the HEPA/ULPA filter to the lid assembly.
Step 3. Lift the lid assembly off the HEPA/ULPA filter (see figure). Remove filter deflectors using 5/32 drill bit. Keep filter deflectors to install in new filter. Discard the used filter as per requirements of the applicable regulations. Carefully install the filter deflectors into the new filter using the 5/32 rivets. Do not touch or place the filter deflectors on the HEPA/ ULPA media pack. This could cause tears in the filter pack.
Step 4. Before replacing with the new filter, carefully inspect the new filter for any visible damage. Also inspect the gasket and the T-Bar to insure a tight seal. Replace if necessary.
Step 5. To replace a filter, raise the filter and rotate into position in the ceiling grid (with power off), then lower the plenum housing into place. Reconnect wiring and hardware from previous steps that have been removed.
Step 6. Restore power and verify proper operation of FFU.

Service: Removal and Replacement of FFDR & FFDRA Filters
WARNING
DISCONNECT THE UNIT FROM THE ELECTRICAL POWER SOURCE BEFORE ATTEMPTING ANY SERVICE
Note: All filters should be visually inspected for freight damage before installation. It is necessary to use two workers when removing the filter and for installation to avoid twisting or separation of the media seals. Handle the filter only by the frame and never place anything on the upstream filter side of the filter. Additionally, it is important to keep the filter level to prevent any shearing force on the media itself.
FOR FFDR & FFDRA FILTERS:
Tools Required: Phillips Head Driver, Battery Operated Drill, 3/16” hex head ball driver (2ea)
Step 1. With the power off, remove the diffuser screen by removing the 6 each 10-32×1/2 screws, then carefully place in a safe location.
Step 2. Loosen the six 1/4×12 socket head screws far enough to rotate the eight filter clips 90°. The filter may be loose enough to drop during this operation. If not, slowly pull the filter away from the knife-edge seal, taking care not to touch the filter face during this operation. It is important to pull the filter slowly away from the seal, so that the gel remains in the filter gel track.
Step 3. Carefully clean plenum assembly knife edge surface of residual gel material.
Step 4. Inspect filter for visible damage, if damaged set aside for replacement or repair.
Step 5. Inspect the gel seal, if reinstalling the removed filter. Determine if the gel has lost its ability to seal (i.e. the gel should reform to cover the track without voids or openings), if so repair the gel material or consider replacement of filter.
Step 6. Place the filter evenly against the filter-sealing surface of the unit.
Reposition filter clips and screws. The clips should be rotated and angled into place. It is recommended that four workers work on each corner of the filter simultaneously, holding the filter seated into the track. Hand tighten clips from opposite corners evenly until all clamps are tightened.
Step 7. Reinstall diffuser screen by hand-tightening the screws.
WARNING
THE STANDARD FILTER IS PROTECTED WITH AN EXTENDED METAL FACE SCEEN. THIS IS NEVER TO BE USED TO HANDLE THE FILTER. IT IS ONLY FOR PROTECTION AGAINST AN ACCIDENTAL TOUCH OF THE FILTER. ONLY HANDLE THE FILTER BY THE FRAME
![]() | ![]() |
Service: FFD and FFDR Motor Removal and Installation
WARNING
DISCONNECT THE UNIT FROM THE ELECTRICAL POWER SOURCE BEFORE ATTEMPTING ANY SERVICE
Tools Required: Phillips Head Driver, Battery Operated Drill, (2) 8” adjustable wrenches, 10 mm hex head wrench, #2 screwdriver, and slip joint pliers.
Step 1. To gain access to the motor, remove the ceiling panel next to the unit, if applicable.
Step 2. Switch the ON-OFF switch to the off position.
Step 3. Loosen the electrical box cover screws (2), and slide/lift off cover.
Step 4. Make note of all wire routing and locations for later reinstallation.
Step 5. Disconnect the two brown wires from the capacitor, using a pair of pliers. Disconnect the motor wiring from the rotary switch and rocker switch or speed control and rocker switch and remove the grommet from the motor leads. Save this grommet for reinstallation.
Step 6. Remove the eight mounting screws to free the motor/blower assembly from the lid assembly. If using power drivers, set the unit to a low torque setting to avoid stripping the sheet metal screws. Carefully remove housing assembly, paying attention to wire routing.
Step 7. Using an adjustable wrench loosen the two set screws that attach the blower wheel to the motor shaft.
Step 8. Mark the location of the motor support bracket (belly band), then loosen the bolt just enough to allow the motor support bracket to slid off the motor.
Step 9. Using the removed motor, mark the new motor with the location of the motor support bracket.
Step 10. Replace with the new motor and reassemble by reversing the above steps 1-8. Set the spacing at 0.25” (6.35 mm)
WARNING
ELECTRICAL SERVICE SHOULD ONLY BE PERFORME BY A LICENSED OR QUALIFIED ELECTRICIAN

Service: Removal and Replacement of FFDR & FFDRA Filters
WARNING
DISCONNECT THE UNIT FROM THE ELECTRICAL POWER SOURCE BEFORE ATTEMPTING ANY SERVICE
Note: Minimum 2 person project.
Tools Required: 3/16 Ball Driver, Phillips screw bit, Head Driver, Battery Operated Drill, (2) 8” adjustable wrenches, 10 mm hex head wrench, #2 standard screwdriver, and slip joint pliers.
Step 1. To gain access to the motor, remove the gel seal filter.
Step 2. Prior to removing motor/blower assembly, remove blower wheel to expose motor connectors on motor. Using an adjustable wrench loosen the two set screws that attach the blower wheel to the motor shaft. Disconnect the two brown wires from the capacitor, using a pair of pliers.
Disconnect the motor wiring from the rotary switch and rocker switch or speed control and rocker switch and remove the grommet from the motor leads. Save this grommet for reinstallation.

Step 3. While supporting the motor blower assembly from below, remove the six screws on the underside of the Venturi ring and lower the assembly. (See Figure 7).
Note the baffle does not have to be removed to remove the motor/blower assembly.
Step 4. Before removal of the motor mount bracket, measure the precise location of the bracket on the motor. Remove the bracket.
Step 5. Replace with the new motor and reassemble by reversing the above steps. Set the location of the motor mount bracket as measured. Set the spacing at 0.25” (6.35 mm) clearance between the blower and the upper motor plate/prefilter frame creating a 0. 1” (2.80 mm) overlap between the wheel and the Venturi ring. When reinstalling the assembly, align the plate to insure that the leads will reach the electrical box.

Wiring Diagrams

Three Speed Wiring Diagram

Speed Control Wiring Diagram

Replacement Parts List
| Model | SizeNoltage | Description | Part Number |
| FFD, FFDR FFDRA | N/A | Disconnect Switch | 63739-002 |
| N/A | Pre-Filter (foam) | 62981-001 | |
| N/A | Deflector-Filter | 38532-001 | |
| N/A | Gasket, Neop. 125×5 | 62968 | |
| N/A | Grommet 5/8 Id 1 1/8 Od | 63388 | |
| 120V | Transformer 24V | 63667 | |
| 208V-240V | 63666 | ||
| 277V | 63665 | ||
| 120V | Speed Controller | 63011 | |
| 208V-240V | 63015 | ||
| 277V | 63016 | ||
| 230V | Speed Controller (CE Marked) | 63742 | |
| N/A | Blower Wheel | 63270 | |
| N/A | Ventiri Ring | 62964 | |
| 120V | Network Control Card (FFD, FFDR, 8- FFDRA) | 64083-001 | |
| 208V-240V | 64083-002 | ||
| 277V | 64083-003 | ||
| FFD, FFDR | 120V | PSC Motor/Blower Assembly (FFD Et FFDR) | 24332-001 |
| 208V-240V | 24332-002 | ||
| 277V | 24332-003 | ||
| FFDRA | 120V | PSC Motor/FFDRA Blower Assembly (FFDRA) | 24332-015 |
| 208V-240V | 24332-016 | ||
| 277V | 24332-017 |
FFD Filter Drawing

NOTES:
| 1 | FILTER MEDIA: | MICROGLASS FIBER WITH ACRYLIC LATEX BINDER |
| 2 | PLEAT DEPTH: | 3” OR 53 MM PLEAT |
| 3 | EFFICIENCY: | H= HEPA = 99.99% EFFICIENT @ 0.30µm (IEST-RP—CO07) .4= HEPA = 99.995% EFFICIENT @ 0.20µm (IEST-RP-C007) U= ULPA = 99.9995% EFFICIENT @ 0.12µm (IEST-RP-CO07) S= ULPA = 99.99999% EFFICIENT @ 0.12µm_(IEST-RP-CO07) |
| 4 | RESISTANCE: | H= HEPA = 0.45” ±0.02” W.G. AT 100 FPM (715 CFM) 4= HEPA = 0.50” ±0.02” W.G. AT 100 FPM (715 CFM) U= ULPA = 0.52” ±0.02” W.G. AT 100 FPM (715 CFM) S= ULPA = 0.62” ±0.02” W.G. AT 100 FPM (715 CFM) |
| 5 | SEPARATOR MATERIAL: | PER MANUFACTURES SPEC |
| 6 | FRAME MATERIAL: | ANODIZED ALUMINUM |
| 7 | GRILLE MATERIAL: | EXPANDED METAL PAINTED WHITE |
| 8 | SEALANT MATERIAL: | FIRE RETARDANT TWO-PART URETHANE |
| 9 | EFFICIENCY TEST: | HEPA = TYPE J FILTER (IEST-RP-C034) ULPA = TYPE F FILTER (IEST-RP—C034) |
| 10 | FIRE RATING: | GRADE 4 UL-900 |
FFDR and FFDRA Filter Drawing

NOTES:
| 1 | FILTER MEDIA: | MICROGLASS FIBER WITH ACRYLIC LATEX BINDER |
| 2 | PLEAT DEPTH: | 3” PLEAT OR 53MM |
| 3 | EFFICIENCY: | H= HEPA = 99.99% EFFICIENT @ 0.30um (IEST-RP-CO007) U= ULPA = 99.9995% EFFICIENT @ 0.12um (IEST-RP-C007) |
| 4 | RESISTANCE: | H= HEPA = 0.32” +0.02” W.G. AT 100 FPM (560 CFM) U= ULPA = 0.40” +0.02” W.G. AT 100 FPM (560 CFM) |
| 5 | SEPARATOR MATERIAL: | PER MANUFACTURES SPEC |
| 6 | FRAME MATERIAL: | ANODIZED ALUMINUM GEL SEAL |
| 7 | GRILLE MATERIAL: | EXPANDED METAL PAINTED WHITE |
| 8 | SEALANT MATERIAL: | FIRE RETARDANT TWO-PART URETHANE |
| 9 | EFFICIENCY TEST: | HEPA = TYPE J FILTER (IEST-RP-C034) ULPA = TYPE F FILTER (IEST-RP-C034) |
| 10 | FIRE RATING: | GRADE 4 UL-900 |
Testing
Each fan filter unit is thoroughly tested at the factory before shipment. However, because of the “rigors” of shipping, Titus encourages units are re-tested after installation.
Titus recommends that the customer contact an independent organization, with technicians trained and experienced in performance evaluation and maintenance of clean air equipment.
HEPA filters (Type J) are tested to IEST-RP-00034. ULPA filters are tested to (Type F) IEST-RP-00034. All filters are UL 900 recognized. Your filters may have special requirements, please see original engineering specifications for you specific project.
All units that are airflow tested at Titus are tested using a Shortridge Airdate Multimeter 870 with a Velcroid head. The recommended method of reading is to place one corner of the Velcroid head 1-1/4” from the corner of the filter face and then take four reading evenly spaced along the four foot side, then repeat these reads three additional times. This gives a total of 8 reading to test the unit. All advertised data is based on using the Velcroid with 8 readings (128 velocity points). Titus recognized the using 8 reading during a cleanroom start-up may be time consuming and recommends using 4 Velcroid readings taken on each 2×2 filter section will approximate the same as 8 readings.
Recommended Testing – 8 readings with a Velcroid
Additional independent testing on the Titus fan filter units show that using one-2×4 or two-2×2 hoods simultaneously give airflow data (cfm) with 5 percent of a duct traverse using 10 diameters of straight duct upstream of the fan intake.
Recommend ed Testing – 8 readings with a Velcroid

605 Shiloh Rd
Plano TX 75074
of: 972.212.4800
fax: 972.212.4884
Redefine your comfort zone. ™
www.titus-hvac.com



















