Hoffman TFP62UL12 TFP Side-Mount Filter Fans
Instruction Manual
TFP Side-Mount Filter Fans
Introduction
- Before installing cooling fan package, read these instructions carefully. Failure to follow these instructions could damage the product or cause a hazardous condition.
- Check the ratings on the fan label to assure the product is suitable for your application. Catalog numbers TFP41UL12, TFP61UL12, and TFP101UL12 operate on 115 VAC, 50/60 Hz, single phase input power. Catalog numbers TFP42UL12, TFP62UL12, and TFP102UL12 operate on 230 VAC, 50/60Hz, single phase input power.
WARNING
To avoid electric shock and equipment damage, disconnect any power supplies to the enclosure before installing the exhaust grille. Do not energize any circuits before all internal and external electrical and mechanical clearances are checked to assure that all assembled equipment functions safely and properly.
General safety information
- Protect the fan power cord (or lead wires) from coming in contact with sharp objects, hot surfaces, and/or chemicals.
- If continuous operation of the fan is essential to the safe functioning of any other equipment, adequate warning devices must be installed to assure safe operation at all times. Hoffman temperature switch (catalog number ATEMNO) can be used to activate an alarm or warning light to indicate high enclosure temperatures. This temperature switch can also be used to cycle the cooling fans as cooling requirements change.
CAUTION
These fan packages are not designed for use in hazardous locations.
Wiring
- All wiring must comply with applicable local codes and ordinances.
- Connect the two fan leadwires to the proper voltage power source.
- All fan wires should be strain relieved with tension clips.
Maintenance
- Always disconnect power supply before inspecting or working on the fan package.
- Generally the fan unit requires no maintenance since the bearings are permanently lubricated and sealed. The fan cannot be field serviced; it should be replaced if defective.
- The foam filter inside the fan package should be periodically removed and washed with soap and warm water to keep it clean.

System Requires Type 12 Exhaust Grille (order separately)
NOTE: To maintain UL type 12 rating, the airflow must be in the direction shown.
Location and Mounting
- Determine the fan package location on the enclosure. This location depends on the available space within the enclosure and on the airflow pattern desired. Allow clearance for the electrical panel and mounting studs. Follow the general fan package application guidelines outlined in the Hoffman catalog. Note: Type 12 cooling fan package and exhaust grille are designed to be installed on the vertical sides of the enclosure only. Do not install these product on top of the enclosure.
- UL Arc Barrier Requirement: If a ventilation opening is less than 12 inches (305 mm) from an arcing part, a barrier shall be interposed between the ventilation opening and a possible source of arcing, such as a power−circuit switch, a fuse, the vent openings of a circuit breaker, a contactor, or an overload relay.
Barrier Material Minimum Thickness Steel 0.053 in. 1.35 mm Aluminum 0.075 in. 1.9 mm Polycarbonate 0.125 in. 3.2 mm Other Non−metallic 0.250 in. 6.35 mm A barrier shall be of such dimension and so located that any straight line drawn from any arcing part past the edge of the barriers intersects a point in the ventilation opening plane that is at least 0.25 inches (6.35 mm) outside the edge of the ventilation opening.
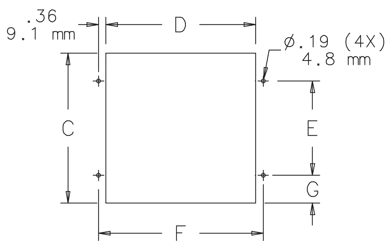
A barrier shall be secured in place by mechanical means such as mechanical fasteners. - Clear all wires and components out of the way and make the proper size cutout. See the following hole pattern and table.
- If electrical grounding is required, ground the fan housing using a lead wire sized per N.E.C. standards. Use the green grounding screw provided to connect the separate ground wire (not supplied) to the fan grounding pad.
- Establish the airflow direction through the fan. Arrows marked on the fan housing indicate the airflow direction and blade rotation. Reference the exploded view and note on the previous page.
- Guide the lead wires and the grounding wire through wire access hole in rear wall of plenum. (models: TFP61UL12, TFP62UL12, TFP101UL12, TFP102UL12 only)
- Mount the fan to the plenum with the supplied thread cutting screws.
- Mount steel wire finger guard to fan with supplied thread cutting screws. (models: TFP41UL12, TFP42UL12 only)
- Insert the assembled fan package into the enclosure cutout with the gasket located between the plenum and enclosure wall as shown.
- Secure the fan package in place using the supplied screws, lockwashers, and nuts.
- For models TFP61UL12, TFP62UL12, TFP101UL12, and TFP102UL12, snap−in finger guard and insert filter over finger guard. For models TFP41UL12 and TFP42UL12, insert filter into plenum.
- Insert the filter (AFLTRXXUL12) so that the white fabric side is facing into the enclosure and the foam side is facing out.
- Snap−on grille over fan package.

| Catalog Number | C | D | E | F | G |
| TFP41UL12 | 5.66 In. | 5.66 In. | 4.12 In. | 6.39 In. | .77 In. (20) |
| TFP42UL12 | (144) | (144) | (105) | (162) | |
| TFP61UL12 | 7.16 In. | 7.16 In. | 4.50 In. | 7.89 In. | 1.33 In. (34) |
| TFP62UL12 | (182) | (182) | (114) | (200) | |
| TFP101UL12 | 11.16 In. | 11.16 In. | 6.88 In. | 11.89 In. | 2.14In. (54) |
| TFP102UL12 | (283) | (283) | (175) | (302) |
Grille Removal
- Grasp the top and bottom of the grille.

- While pulling out, push down.

- Grille releases.

© 2021 Hoffman Enclosures Inc.
PH 763 422 2211 • nVent.com/HOFFMAN
87560859
A barrier shall be secured in place by mechanical means such as mechanical fasteners.





















