KRAJALNICA DO WĘDLIN
AUFSCHNITTMASCHINE
SSLICING MACHINE
722221, 722252, 722255
Instruction manual
Thank you for the purchase of our product. Please read this manual carefully before starting to operate the appliance.
All rights reserved. No part of this manual may be reproduced by photocopy, printing or in any other way without prior consent from the manufacturer. Photographs and drawings are furnished by way of example and can vary from the purchased appliance.
NOTE: Keep the manual in a safe place accessible for the personnel.
The manufacturer reserves the right to change technical parameters of the appliance at any time without advance notice.
SAFETY INSTRUCTIONS
- Incorrect operation and improper use can result in serious damage to the appliance or personal injury.
- Use this appliance solely for its intended use as described in this manual.
- The manufacturer cannot be held liable for any damage caused by incorrect operation and improper use of the appliance.
- During operating keep the appliance and the plug away from water or other liquids. In case the appliance, as a result of carelessness, has been immersed in water or flooded by water immediately unplug the appliance from the wall socket and prior to further use contact a qualified technician for examination
Failure to observe instructions enclosed in this manual may result in the hazard of injury or death
- Do not let unauthorized opening of the housing of the appliance.
- Do not insert any foreign objects into the housing of the appliance.
- Do not touch the plug of the power cord with damp hands.
- Regularly check the condition of the plug and the cord. If the power cord or the plug is damaged they should be replaced by the Authorized Technical Service personnel.
- In case the appliance is dropped or damaged in any other way before turning it on always contact the Authorized Technical Service for examination and repair.
- Any repairs and work on the appliance should be carried out solely by Authorized Technical Service, never by the end user as unauthorized tampering could prove highly dangerous for the user.
- Do not let the cord hang over or touch hot surfaces or sharp edges. Keep the cord away from naked fire. While disconnecting the appliance from the wall socket pull on the plug, never on the cord.
- Do not let the cord (or extension cord) be inadvertently pulled on or tripped over.
- Check the operation of the appliance during usage.
- This appliance is not intended for use by persons (including children) with reduced physical, sensory or mental capabilities, or lack of knowledge and experience in operating of the appliance, unless they have been given supervision or instruction concerning use of the appliance by a person responsible for their safety and they understand the hazards involved.
- Always switch off the appliance and unplug the power cord from the wall socket when the appliance is not in use and prior to cleaning operations. The disconnected plug should be sited in a visible place. Warning: The appliance’s power will remain ON unless unplugged.
- Turn off the appliance before pulling the plug out of the wall socket.
- Never pull the appliance on the cord.
PRECAUTIONS
- Do not use any additional accessories except those supplied with the appliance.
- Attention! While using the appliance make sure that the electric cable does not come in contact with hot elements or blades.
- The appliance should not be used to cut frozen foods, meat with bones, fish or anything other than food. The appliances 722221 and 722252 are also designed for cutting cheese.
- Although the unit is equipped with safety devices, keep away from the blade and moving parts.
- Do not use the slicer for food products if the blade diameter has been reduced by 6 mm. In this case, replace the blade
PREPARATION FOR THE FIRST USE OF THE APPLIANCE
- Check if the package contains all the elements of the appliance. If some items are missing, contact the supplier.
- Thoroughly remove the entire packaging.
- Clean the appliance with lukewarm water and a soft cloth.
- Clean the blade. Be very careful, the blade is very sharp.
- Make sure that there is at least 10 cm of free space on each side of the appliance. The free space is necessary for proper ventilation of the appliance.
- Place the appliance so that you always have easy access to its plug
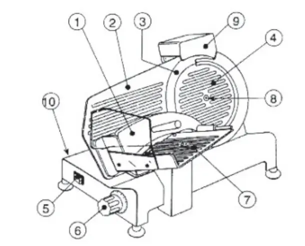
CONSTRUCTION OF THE APPLIANCE

| 1. Pusher | 6. Cutting thickness adjustment knob |
| 2. Movable shield | 7. Cart |
| 3. Blade | 8. Screw fastening the blade and the cover |
| 4. Blade guard | 9. Sharpener |
| 5. Switch | 10. Base |
TECHNICAL SPECIFICATION
| Model | 722221V01 | 722252V01 | 722255V01 |
| Voltage | 230 V/50 Hz | 230 V/50 Hz | 230 V/50 Hz |
| Power | 0,32 kW | 0,32 kW | 0,32 kW |
| Blade diameter | 220 mm (Teflon coated) | 250 mm (Teflon coated) | 250 mm |
| Thickness of a slice | 0- 12 mm | 0 – 12 mm | 0 – 12 mm |
| Blade speed | 553 revs. / min. | 425 revs. / min. | 425 revs. / min. |
| Weight | 14 kg | 16 kg | 16 kg |
| Dimensions | 380x440x340 mm | 380x490x380 mm | 380x490x380 mm |
OPERATION
- Unpack the appliance.
- Place the slicer on a flat and stable surface.
- Position the appliance so that the switch will face the user.
- Set the desired thickness using the knob 6.
- Turn on the appliance using switch 5.
- Place the meat to be sliced on the cart and push it against the movable shield with the clamp.
- After finishing work, switch off the appliance using switch 5.
- Set the cutting thickness to 0
Follow the instructions below:
- Disconnect the appliance from the power source.
- Make sure that the cutting thickness is set to 0.
- Clean the edge of the blade.
- Connect the appliance to the power supply.
- Turn the sharpener by 180 °, the grinding wheel should be in the ready to work position (Fig.2).
- Lower the sharpener until it locks; while lowering, press the button (2) and make sure that the grinding wheel reaches the blade edge.
- Start the device and leave it on for 1-2 minutes. Stop the device and check if the blade has been ground.
- To smooth the blade, turn the device on and gently press the button (3) for 3 seconds.
- Set the cutting thickness to 0.
- After you have finished sharpening process, set the sharpener in the initial position.
- Clean the grinding wheels with some alcohol and then with a brush
CLEANING AND MAINTENANCE
- Set the cutting thickness to 0.
- Periodically unscrew the blade guard, clean the blade and cover with alcohol.
- If, after multiple sharpening, the blade has been used up and reduced by 10 mm, stop using the appliance and replace the blade.
- If the slicer is operated for a long time or if the motor is blocked, the safety switch will turn off the appliance.
- Then turn the appliance off and check that the warning control light has gone out.
- Wait a few minutes to allow the engine to cool down.
- The appliance and all its elements should be cleaned with a soft cloth and some mild liquid.
- Wipe the slicer and its elements dry.
- If the cart is hard to move, place the slicer on its side, then clean and lubricate the guide.
- If the transmission belt slips, follow the instructions: 1) place the cutter on its side, 2) loosen the nut of the tightening screw, 3) turn the screw in a clockwise direction until you obtain the correct belt tension, 4) tighten the nut
PROBLEMS, CAUSES, SOLUTIONS
| Problem | Possible cause | Solution |
| The appliance does not slice properly | The blade is blunt | Sharpen the blade |
| The appliance is dirty | Clean the appliance | |
| The appliance stops working | The motor is overheated | Wait for the appliance to cool down. The thermal protection of the motor will automatically turn off. |
| The platform does not move smoothly | Sliding rod is dirty | Clean the sliding rod and grease it with Vaseline |
DISPOSAL OF THE OLD APPLIANCE
Information for users on the rules concerning proper disposal of electrical and electronic equipment at the end of its life.
- Leave your old equipment in the shop where you purchase a new appliance. Each store is obliged to accept old equipment free of charge if you buy there the new equipment of the same type and in the same quantity. The only condition is to deliver the old equipment to the store at your expense.
- Dispose of your old equipment at a collection point. Information about the location of the nearest collection point can be found on the local website or the notice board of the municipal office.
- Leave the equipment at a service point. If the repair of the equipment is unprofitable or impossible for technical reasons, the service is obliged to accept this appliance free of charge.
- Return the used equipment at the end of its life without leaving your home. If you do not have the time or ability to deliver your equipment to the collection point, you can use the services of specialized companies Remember! Do not dispose of used equipment together with regular waste. An illegal or incorrect disposal of the product will lead to high penalties being imposed
The symbol of a crossed-out rubbish bin on the product, its packaging or its instruction manual means that at the end of its life the product must not be disposed of with regular waste. The user is obliged to deliver their used equipment to a designated collection point for proper processing.
GUARANTEE
The dealer of the appliance is liable under the guarantee.
The guarantee does not cover any damage resulting from the build-up of limescale inside the appliance. The guarantee also does not cover: damage caused by external forces such as atmospheric discharge, voltage change, incorrect setting of electrical voltage, power supply from unsuitable power outlet, any mechanical, thermal, chemical damage and defects resulting from them. Furthermore, the guarantee does not cover the replacement of exhaustible parts, namely: light bulbs, rubber elements, heating elements damaged by limescale, screws and other elements that are exposed to any form of wear or usage, for example; burners, rubber units as well as any breakdowns or mechanical damage of the appliance elements caused by incorrect storage, transport, maintenance, installation or operation.
Stalgast Sp. z o.o.
Plac Konesera 9, Budynek O, 03-736 Warszawa
tel.: 22 517 15 75 fax: 22 517 15 77
www.stalgast.com email: [email protected]



















