HACH SC200 Universal Controller with Ultrasonic Flow Sensor

The SC200 Universal Controller with Ultrasonic Sensor is designed to give highly accurate flow and depth measurements for your open channel flow monitoring applications.
From the easy-to-read display to reliable data management with SD card data transfer, the flow system provides an economical choice for flow monitoring.
The flow system can be used for a variety of applications including NPDES permitting requirements and the monitoring of storm water, inlet flow, final effluent and activated sludge. It replaces the Hach GLI53 analog controller with advanced features for easier operator use.
The SC200 controller platform can be configured to operate either 2 Digital Sensor Inputs, or 1 or 2 Analog Sensor Inputs, or a combination of Digital and Analog Sensor Inputs. Customers may choose communication options from a variety of offerings ranging from MODBUS RTU to Profibus DPV1.
Maximum Versatility
- Standardized controller eliminates the need for a variety of dedicated controllers
- Multi-channel controller operates either 1 or 2 sensors reducing inventory holding costs and providing an inexpensive option to add a second sensor at a later time
- True dual sensor controller provides 4-20 mA outputs to transmit primary and secondary measurement values
- Controller may be panel, surface or pole mounted (hardware included)
Display
- Large display with scrolling menus for easy set up
- Transreflective display stays readable even in sunlight
Data Management
- SD Card simplifies data dowload and transfer
- Update firmware via SD card or special RS232 cable
Ultrasonic Flow Sensor
- Select primary gauging structure from the library of flumes and weirs for flow sensor set up or enter a flow curve for non-standard structure
- Non-contact flow sensor requires no routine maintenance
- Pulse echo technology
Sensor Inputs
- Analog sensor modules may be added in the field
- Digital sensor ports are factory installed
- Controller will scan and detect new sensors added
- Works with GLI and Hach digital sensors
Analog Inputs
- Enables non-sc analyzer monitoring
- Accepts mA signals from other analyzers for local display
- Consolidates analog mA signals to a digital output 4-20 mA Outputs
- Total of six (6) 4-20 mA outputs (2 std/4 optional) enables up to 3 mA outputs per sensor input
Digital Communication
- MODBUS 232/485 and Profibus DP V1.0
Ease of Use and Confidence in Results
- New display and guided calibration procedures reduce operator error
- Password protection to prevent tampering and unwanted programming changes
- Visual warning system provides critical alerts
Specifications
SC200 General Specifications
- Display Graphic dot matrix LCD with LED backlighting. Transreflective
- Display Size 48 x 68 mm (1.89 x 2.67 in.)
- Display Resolution 240 x 160 pixels
- Height x Width x Depth 144 x 144 x 181 mm (5.7 x 5.7 x 7.1 in.)
- Weight 1.70 kg (3.75 lb)
- Power Requirements 100 – 240 Vac ±10%, 50/60 Hz; 24 Vdc -15% + 20%
- Operating Temperature -20 to 60°C (-4 to 140°F),0 to 95% RH non-condensing
- Storage Temperature –20 to 70°C (-4 to 158°F),0 to 95% RH non-condensing
Analog Output Signal
- Two 0/4 to 20 mA isolated current outputs, max 500Ω
- Operational Mode Primary or secondary measurement or calculated value (dual channel only) Functional Mode Linear, Logarithmic, Bi-linear, PID
- Optional 4 additional 4/20 mA isolated current outputs, max 500Ω @ 18-24 Vdc (customer-supplied power source) max 500Ω @ 18-24 Vdc (customer-supplied power source)
- Security Levels Two password protected levels
- Enclosure Materials Polycarbonate, Aluminum (powder coated), Stainless Steel
- Mounting Configurations Wall, pole and panel mounting
- Enclosure Rating NEMA 4X / IP 66
- Conduit Openings 1/2″ NPT Conduit
- Relays
Four electromechanical SPDT (Form C) contacts, 1200W, 5 A, 250 Vac
Operational Mode Primary or secondary measurement, calculated value (dual channel only) or timer Functional Mode Alarm, Timer, Feeder Control, PWM or FM Control, System Alarm - Digital Communication MODBUS RS232/RS485, Profibus DPV1 optional
- Memory Backup Flash memory
- Electrical Certifications
EMC: CE compliant for conducted and radiated emissions CISPR 11 (Class A limits), EMC Immunity EN 61326-1 (Industrial limits)
Safety: General Purpose UL/CSA 61010-1 with cETLus safety mark - Data Logging
Secure Digital Card (Maximum recommended capacity 8 GB) or special RS232 cable connector for data logging and performing software updates.
UltraSonic Flow Sensor
Flow Rate
- Flow Rate 0-9999, 0-999.9, 0-99.99 with selectable flow rate units
- Volume 0-9,999,999 with selectable volume units
- Depth Measurement Range/Resolution units0.25 m (10 in.) to 6 m (20 ft.) ±1 mm (0.04 in.)
- Air Temperature -40 to to 90°C (-40 to 194°F)±0.1°C (0.18°F)
- Input Filter 999 sec
- Totalizers 8-digit resettable LCD software totalizer
- Totalized Flow. Gal., ft.3, acre-ft., lit., m3, in.3Totalizer may be set to auto or manual mode. (Menu option to reset is available in manual mode only.)
- Accuracy ±0.5% of span
- Repeatability ±0.1% of span
- Response Time Less than 180 seconds to 90% of value upon step change
- Sensor Cable 10 m (33 ft.), 20 m (66 ft.),
- (integral) Lengths 50 m (164 ft.), or 100 m (328 ft.)
- Calibration Methods Cal Depth 1 point; Cal Depth 2 point
- Operating Frequency 75kHz
- Construction NEMA 6P (IP68) polybutylene terephthalate (PBT) body with integral temperature sensor
- Weight ~0.5 kg (1.1 lb)
Select from the Following Gauge Types:
- V Notch Weir
- Rectangle Weir
- Rectangle Flume
- Round Bot Flume
- Cipolletti Weir
- Neyrpic Flume
- Parshall Flume
- P Bowlus Flume
- Khafagi Flume
- L Lagco Flume
- H Type Flume
- Trapezoidal Flume
- User Defined
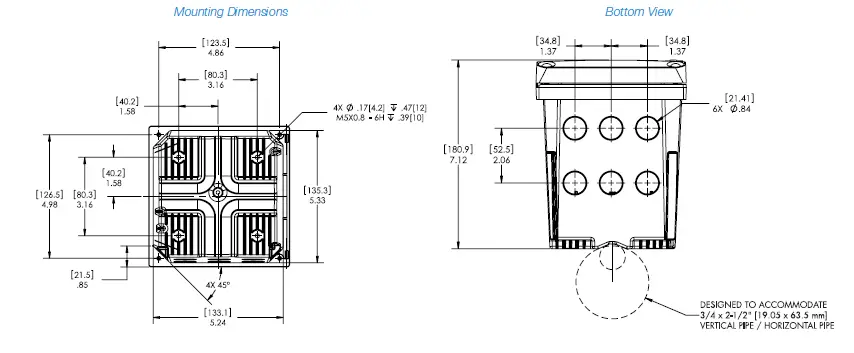
Dimensions
The SC200 controller unit can be installed on a surface, panel, or pipe (horizontally or vertically). No tools are needed to connect the controller unit to any Hach digital sensor. NOTE: Dimensions are in inches [millimeters].

Minimum Spacing Dimensions for Group Mounting
Ordering Information
| SC200 Controller and Module Smart Part Numbering System | 0 | 0 | 3 | 0 | 2 |
| LXV404.99. | X | X | X | X | X |
| Power | |||||
| No power cord | 0 | ||||
| No power cord Type-O–installed strain reliefs | 1 | ||||
| With EU power cord installed with cord grip | 2 | ||||
| With UK power cord installed with cord grip | 3 | ||||
| With US power cord installed with cord grip | 5 | ||||
| 24VCD power supply with no cord or cord grips | 7 | ||||
| Communications Output | |||||
| Standard (two 4-20mA outputs) | 0 | ||||
| MODBUS 232 & 485 | 1 | ||||
| Profibus DP | 3 | ||||
| HART + four 4-20mA analog outputs | 5 | ||||
| Four additional 4-20mA analog outputs | 9 | ||||
| Sensor Input 1 | |||||
| pH & DO | 1 | ||||
| Conductivity | 2 | ||||
| Flow | 3 | ||||
| mA input | 4 | ||||
| Digital | 5 | ||||
| Sensor Input 2 | |||||
| None | 0 | ||||
| pH & DO | 1 | ||||
| Conductivity | 2 | ||||
| Flow | 3 | ||||
| mA input | 4 | ||||
| Digital | 5 | ||||
| Brand | |||||
| Hach | 2 | ||||
Ultrasonic Flow Sensors
- U53S010 Utrasonic sensor with 10 ft. cable
- U53S030 Ultrasonic sensor with 30 ft. cable
- U53S100 Ultrasonic sensor with 100 ft. cable
Power Cords
- Sc200 power cord with strain relief, 125 Vac
- 9202900 Sc200 power cord with strain relief,
- 9203000 230 Vac, European-style plug
Accessories
- 9220600 SC200 Weather and Sun Shield with UV Protection Screen
- 8809200 SC200 UV Protection Screen
- 1000G3088-001 Weather Protection Cover
- 9218200 SD card reader (USB) for connection to PC
- 9218100 4 GB SD card
- 9012700 Flow Module
- 9013100 Module for 4 additional analog mA out (passive)
- 9013200 Modbus module
- YAB104 Profibus DP kit
- LZX887 Data com cable
- 3004A0017-001 Flow sensor mounting kit
Hach World Headquarters: Loveland, Colorado USA
United States: 800-368-2723 tel 970-669-5150 fax [email protected]
Outside United States: 970-622-7120 tel
hachflow.com
Printed in U.S.A. ©Hach 2022. All rights reserved.
In the interest of improving and updating its equipment, Hach reserves the right to alter specifications to equipment at any time


















