![]()
ROOFTOP AIR CONDITIONER WITH ELECTRONIC CONTROL
MODEL: FACR13SA-**, FACR14SA-**, FACR15SA-**
FACR13SA-**-AM, FACR14SA-**-AM, FACR15SA-**-AM, FACT12CA-**
FACT12CA-**-OEM
USER MANUAL

* Picture shown here is for reference only.
**Product Color
| Furrion Model No. | Lippert No. |
| FACR13HESA-PS | 2021132276 |
| FACR13HESA-BL | 2021130013 |
| FACR13HESA-PS-AM | 2021132277 |
| FACR13HESA-BL-AM | 2021132275 |
| FACR14SA-PS | 2021123613 |
| FACR14SA-BL | 2021123563 |
| FACR14SA-PS-AM | 2021123705 |
| FACR14SA-BL-AM | 2021123707 |
| FACR15SA-PS | 2021123799 |
| FACR15SA-BL | 2021123630 |
| FACR15SA-PS-AM | 2021123793 |
| FACR15SA-BL-AM | 2021123708 |
| FACR15HESA-PS | 2021130009 |
| FACR15HESA-BL | 2021130010 |
| FACR15HESA-PS-AM | 2021130011 |
| FACR15HESA-BL-AM | 2021130008 |
| FACT12CA-PS | 2021123541 |
| FACT12CA-PS-OEM | 2022007391 |
Thank you for purchasing this Furrion® product. Before operating your new appliance, please read these instructions carefully. This instruction manual contains information for safe use, installation and maintenance of the appliance.
Please keep this instruction manual in a safe place for future reference. This will ensure safe use and reduce the risk of injury. Be sure to pass on this manual to new owners of this appliance.
The manufacturer does not accept responsibility for any damages due to disregarding these instructions.
EXPLANATION OF SYMBOLS
This manual has safety information and instructions to help you eliminate or reduce the risk of accidents and injuries. Always respect all safety warnings identified with these symbols. A signal word will identify safety messages and property damage messages, and will indicate the degree or level of hazard seriousness.
| Indicates an imminently hazardous situation which, if not avoided, will result in death or serious injury. |
| Indicates a potentially hazardous situation which, if not avoided, could result in death or serious injury. |
| Indicates a potentially hazardous situation which, if not avoided, may result in minor or moderate personal injury, or property damage. |
IMPORTANT SAFETY INSTRUCTIONS
This manual has safety information and instructions to help users eliminate or reduce the risk of accidents and injuries. Please read this instruction manual carefully before installation and start-up and store it in a safe place for future reference. If you pass on the device to another person, hand over this instruction manual along with it.
The manufacturer accepts no liability for damage in the following cases:
- Faulty assembly or connection
- Damage to the product resulting from mechanical influences and excess voltage
- Alterations to the product without express permission from the manufacturer
- Use for purposes other than those described in the operating manual.
The following basic safety information should be heeded when using electrical devices to protect against:
- Electric shock
- Fire hazards
- Injury
All Furrion product referenced in this manual is to be installed in accordance with local and national codes, including the latest editions of the following standards:
USA:
– NFPA 1192
– NFPA 70
Canada:
- C22.1
- CSA Z240
Handling the device
|
|
- Only use the device as intended.
- Do not make any alterations or conversions to the device.
- If faults occur in the refrigerant circuit, the system must be checked by a certified service technician and repaired properly. The refrigerant must never be released into the air.
Handling Electrical Cables
| The electrical power supply must only be connected by a qualified electrician. |
|
- Only a qualified electrician should connect the rooftop air conditioner to electrical power.
- Do not lay loose or bent cables next to electrically conductive materials.
- Do not pull on the cables.
- Use cable ducts to lay cables through walls with sharp edges.
- Refer to rooftop unit nameplate and NEC for proper power supply rating.
BEFORE INSTALLING
Read this installation manual completely before installing the rooftop air conditioner.
The following tips and instructions must be observed while installing the rooftop air conditioner.
What’s in the Box
Open and remove the components from carton. Make sure you have all the following items included in the packaging, if any item is missing, contact your dealer.
Rooftop Air Conditioner (sold separately):

- Rooftop Unit
- Rooftop Unit x 1
- Warranty Manual x 1
Air Distributor Box:

- Bolt
- Upper Duct Divider
- Lower Duct Divider with Plastic Screws
- PE Foam
- Control Box
- Mounting Frame
- ADB Shroud
- Filter
- Screw Cap
- Upper Duct Divider x 1
- Lower Duct Divider x1
- Bolt x 4
- Mounting Frame x 1
- Control Box (sold separately) x 1
- Air Distribution Box (ADB) Shroud x 1
- Filter x1
- PE Foam x 1
- Self-tapping Screws x 6
- Screw Cap x 2
- Instruction Manual x 1
- Warranty Manual x 1
Choosing Proper Location for the Air Conditioner
IMPORTANT: The roof must be designed to support the weight of the rooftop unit and the weight of 2 installers standing on the roof.
There are two ways of installing the rooftop air conditioner:
- Using the existing roof vent opening in the vehicle roof.
- Making a new opening. In this case the opening should be reinforced by an appropriate frame as required.
Existing Roof Vent Opening
The air conditioner is designed to fit over an existing 14″ roof vent opening.
New Opening
When no roof vent is available or another location is desired, the following is recommended.
– For one unit installation – the air conditioner should be mounted slightly forward of center (front to back) and centered from side to side.
– For two unit installations install one air conditioner one third from the front of the RV and the other air conditioner two thirds from the front of the RV, aligned in the center.
It is preferred that the air conditioner be installed on a relatively flat and horizontal roof section measured when the RV is parked on a level surface.
NOTE: A 15° slant to either side or front to back is acceptable for all units. If the roof exceeds 15° please use an exterior leveling shim to make air conditioner level.
After the Location Has Been Selected.
1. Check for obstructions in the area where the air conditioner will be installed.


- Roof Opening
- Center Line of Rooftop
- Front
- Keep this air flow area free of obstructions
2. Check the inside of the RV for return air kit obstructions. (i.e. door openings, room dividers, curtains, ceiling fixtures, etc.) Allow 6″ (152mm) space from the opening to account for any potential return air kit obstructions.

- Roof Opening
Roof Preparation
Opening Requirements – Before preparing the ceiling opening, decide on the type of system options. Read all of the following instructions before beginning the installation.
Fire/Electric Shock Hazard
|
Roof Thickness
The installation of air conditioner suits for roof thickness from 3.5″ (90mm) to 6″ (152mm). For other thickness please contact Furrion or Furrion authorized service agent.
Installing in an Existing Opening
- Unscrew and remove the roof vent.
- Remove all caulking compound around the opening.
- If the opening exceeds 14¼” x 14¼” (+½) it will be necessary to resize the opening to 14¼” x 14¼” (+½”). If the opening is less than 14¼” x 14¼” (+½”), it must be enlarged.

Making a New Opening
If a roof vent opening will not be used, a 14¼” x 14¼” (+½”) (362mm x 362mm) opening must be cut through the roof and ceiling of the RV This opening must be located between the roof reinforcing members.
The 14¼” x 14¼” (+½”) opening is part of the return air system of the air conditioner and must be finished in accordance with NFPA Standard 501C Section 2.7.2.
1. Mark a 14¼” x 14¼” (+½”) square on the roof and carefully cut an opening.

2. Using the roof opening as a guide, cut a matching hole in the ceiling.
NOTE: Maintain structural integrity. Otherwise damage to product and/or RV could occur. Always observe the following guidelines while structuring the opening.

Do not cut roof structure or rafters

Good: rafters supported by cross beams

Good: location between roof rafters
3. The opening created must be framed to provide adequate support and prevent air from being drawn from the roof cavity.
4. Lumber ¾” or more in thickness must be used. Remember to provide an entrance hole for power supplies, wall thermostat and furnace wiring for connections. Leave 15″ (381mm) minimum at the front of the opening.

- Leave access for power supply wiring
Air Distribution Duct Sizing and Design
The installer of this system must design the air distribution system for their particular application.
NOTE: Make sure ductwork will NOT bend or collapse during and after installation, and that it is correctly insulated and sealed. Otherwise, damage to roof structure and ceiling could occur.
The following requirements must be met for properly operate the unit:
| Roof Cavity Depth | 3.5″-6″ (89mm-152mm) | |
| Duct Cross Sectional Area | 21 Sq. In. Min. | |
| Duct Size | Depth | 1½” Min. – 2½” Max. (38mm Min. – 63.5mm Max.) |
| Width | 7″ Min. – 10″ Max. (178mm Min. – 254mm Max.) | |
| Total Duct Length | 15Ft. Min. – 40Ft. Max. (4.5m – 13m) | |
| Duct Length (short run) | 1/3 Total Duct Length | |
| Register Requirements per A/C Unit | Number Required | 4 Min. – 8 Max. |
| Supply Register Free Air Area | 14 Sq. In. (90 sq. cm) | |
| Return Register Free Air Area | 40 Sq. In. (258 sq. cm) | |
| Distance From Duct End | 5″ Min. – 8″ Max. (127mm Min. – 203mm Max.) | |
| Distance From Elbow | 15″ (381mm) | |
| Total System Static Air Pressure | Blower at High Speed, Filter & Grille In Place | 0.55 – 110 In. W.C. |
- Properly insulate and seal all discharge air ducts to prevent condensation from forming on their surfaces or adjacent surfaces during operation of the unit. This insulation must be R-7 minimum.

TOP VIEW (BACK OF RV)
- Duct
- Frame
- Roof Opening

SIDE VIEW (TOWARD BACK OF RV)
- Roof
- Roof Opening
- Ceiling
- Duct
- Return air openings must have 80 square inches (516 square centimeters) minimum free area including the filter.
- Return air to the unit must be filtered to prevent dirt accumulation on the unit cooling surface.
Air Distribution System Installation
It is the responsibility of the installer to review each RV floor plan to determine the following items in conjunction with “Air Distribution Duct Sizing and Design” section
NOTE: Alternate configurations and methods may be used which will allow the unit to operate properly, however, these alternate configurations and methods MUST be approved by Furrion in writing.
- Duct size
- Duct layout
- Register size
- Register location
- Thermostat location
- Indoor temperature sensor location (if applicable)

- Registers 4 Min – 8 Max. (Per Unit) 14 Sq. In. Free Area Per Register
- Front
- Return Air
- Air Conditioner
Preparing Wire Connections
Each rooftop air conditioner opening must be prepared with proper wiring to connect the ceiling controller of the air conditioner to the 115VAC and 12VDC supply voltage, wall thermostat and furnace switch.
NOTE: The wire connections need to be positioned in the forward facing 1/4 section of the opening.
Electrical Shock Hazard
|
115VAC Supply
- Prepare a dedicated 20 amp rated circuit for each air conditioner unit, protected with a time delay fuse or circuit breaker.
NOTE: With multiple air conditioners on a 50 amp service, it is best to balance between the line voltage legs. - Extend circuit with a 12AWG 2-wire with ground to the roof opening.
NOTE: The wire gauge is generally acceptable per NEC code refer to rooftop unit nameplate and applicable code for proper sizing. - Protect the wire where it passes through any rough surfaces or openings.
- Terminate with at least 15″ (381mm) of supply wire extending out of the roof opening. This ensures an easy connection at the control box.
12VDC Supply
- Prepare a 15 amp max protected circuit to supply power to all air conditioner units.
NOTE: The branch circuit can be dedicated or shared with other utilization equipment. - Extend circuit with a 14AWG 2-wire, (12V+, 12V-) to each roof opening.
- Protect the wire where it passes through any rough surfaces or openings.
- Terminate with at least 15″ (381mm) of supply wire extending out of the roof opening. This ensures an easy connection at the control box.
Wall Controller Connection (Single and Multizone Thermostat)
- Prepare 4 wires to connect between the ceiling controller (roof opening) and wall controller/thermostat (wall opening).
NOTE: 18AWG max should be used, Furrion recommends using a standard thermostat wire with at least 4-wires. - Terminate with at least 15″ (381mm) of wire end for easy connection.
- For Multizone installations, prepare additional wiring of the same type to connect between each roof opening.
Furnace Switch (Optional)
- If required to operate the furnace using the air conditioner wall controller/ thermostat, prepare 2-wires in the roof opening to connect the desired ceiling control zone with the furnace’s thermostat circuit.
NOTE: This serves as a 12V+ line, that becomes hot only when the ceiling controller closes the furnace switch to turn the furnace on. - Terminate with at least 15″ (381mm) of wire at each end for easy connection.
INSTALLATION
Installing the Rooftop Unit
|
Hold the bottom of the unit, lift and position the rooftop unit into the prepared opening using the gasket at the bottom of the rooftop unit as a guide.

- This Side is Facing Forward
- Roof Opening
- RV Roof
This completes the outside installation of the rooftop unit. Minor adjustments can be done from inside of the RV if required.
Installing the Wall Thermostat
Furrion provides 2 types of wall thermostats (sold separately) in different functionalities:
- Single zone wall thermostat
- Multi zone wall thermostat
Based on the wall thermostat version you selected. Please refer to the separate instruction manual on how to install the wall thermostat to the RV.
Installing the Air Distribution Box
NOTE: The installation of the air distribution box is same for both ducted and non-ducted structures.
The rooftop unit is fixed on the RV roof using 4 long bolts through the mounting frame from the interior of the RV ceiling.
1. Check the gasket alignment of the rooftop unit inside the RV over the roof opening and adjust as necessary by lifting and moving slightly.

- Roof Opening
- RV Roof
2. Reach up into the return air opening and pull down the rooftop unit electric cord. Ensure all terminated wire ends specified in “Preparing Wire Connections” section are accessible.

- Roof Opening
- RV Roof
- Rooftop Unit Cable
- ±12VDC Wires
- 115VAC Power Cord
- Thermostat Wire (4-wire min.)
- Return to Furnace (optional)
- 12V+ from Furnace (optional)
3. Assemble the lower duct divider to the mounting frame.

4. Install the assembled mounting frame and the lower duct divider into the rooftop opening. Make sure the “THIS WAY FRONT” mark is facing front (the direction of the vehicle) while installing.

5. Fix the assembled mounting frame and lower duct divider into the rooftop unit using 4 bolts provided. Evenly tighten the four bolts to a torque of 40 to 50 inch pounds. This will compress the roof gasket to approximately ½.
NOTE: If bolts are left loose there may not be an adequate roof seal or if over tightened, damage may occur to the rooftop base or mounting frame.

6. Remove the film off the double sided sticky tape found on the top inner side of the lower duct divider.

- Peel off the film
7. Stick the upper duct divider into the assembled mounting frame.
NOTE: Make sure the upper duct divider is compressing the top foam on the base of the air conditioner unit, and compress tightly to the doubled sided tape on the lower duct divider to ensure a positive retention.

- Upper duct divider
8. Use self adhesive foil tape to seal the two halves of the duct divider together and any potential gaps around the duct divider to roof opening that may allow cold air to leak back into the warm intake side.
NOTE: Clean metal surfaces to remove any oils to ensure good adhesion of the foil tape.

- Foil tape
9. Measure the height of the duct divider, and cut the PE foam with a utility knife to the measured dimension. Peel paper backer of foam to reveal sticky adhesive Evenly adhere PE condensation foam to duct divider, working material into crevices and surfaces for a tight uniform fit across the duct divider surface.

- Duct Divider Height
- PE Foam
- Measured Duct Divider Height
DIP Switch Settings
The DIP switches enable/disable different communications between the ceiling controller and wall thermostat for functions such as, zone selection, furnace operation, and additional accessories.
The controls are preset with the following active DIP switch settings:
Single Zone: Furnace on (FACC12SA-BL)
Multi Zone: Zone 1; Furnace on (FACC12ZA-BL, FACC12NA-BL, FACC12ESZA FACC12ZA, FACC12HE, FACC12ESHE
Location of the DIP Switch
The DIP switches are located on the PCB board of the control box. Each time you want to set the DIP, you should open the control box and find the DIP switches.
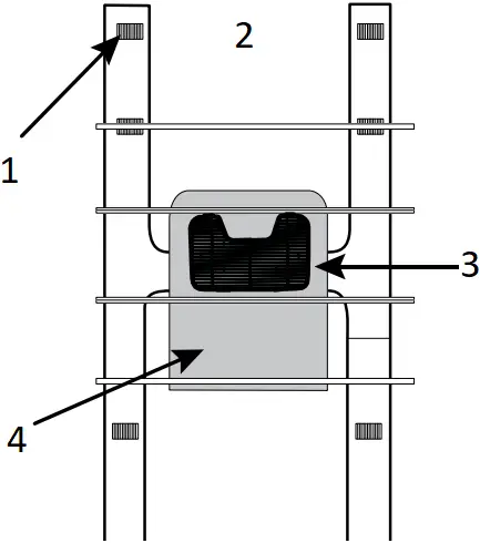
1. Remove the cover of the control box, and find the PCB board.

2. Locate the position of the DIP switches on the PCB board.

- DIP Switches Location
- PCB Board Location
Setting DIP Switches
Electrical Shock Hazard Disconnect power before servicing. Failure to obey this warning could result in death or serious injury. |
- Remove power when setting dip switches, make sure all 115VAC and 12VDC power to the control board is removed.
- Use a small tool slide the dip switch to either ON/OFF.
NOTE: If 12V+ is present when making a setting change, It will be is necessary to cycle power to reset the control to make the setting active.
Single Zone DIP Switches:

| Heat Pump (selected models) | DIP 3 | Reserved | |
| Furnace | DIP 4 | OFF | Furnace Off |
| ON | Furnace On | ||
| Electric Heat (selected models) | DIP 5 | OFF | Electric Heat Off |
| ON | Electric Heat On | ||
| Analog / Digital | DIP 6 | OFF | Digital |
| ON | Analog | ||
Multi Zone DIP Switches:
- Each zone requires an independent ceiling control box, but will share one wall thermostat control.
- It is important that each independent zone is set to a unique zone value (1-4) by setting the DIP 1 and DIP 2 to avoid repetition and communication conflicts with the wall thermostat control.

| Zone Selection* | DIP 1 | DIP 2 | ZONE Setting | |
| OFF | OFF | ZONE1 | ||
| OFF | ON | ZONE2 | ||
| ON | OFF | ZONE3 | ||
| ON | ON | ZONE4 | ||
| Heat Pump (selected models) | DIP 3 | Reserved | ||
| Furnace | DIP 4 | OFF | Furnace Off | |
| ON | Furnace On | |||
| Electric Heat (selected models) | DIP 5 | OFF | Electric Heat Off | |
| ON | Electric Heat On | |||
| Analog / Digital | DIP 6 | OFF | Digital | |
| ON | Analog | |||
Wire Connection – Digital Furrion Wall Controller/Thermostat
Electrical Shock Hazard
Failure to obey this warning could result in death or serious injury. |
1. Familiarize yourself with the ceiling controller and wire harnesses.
NOTE: When connecting to a Furrion wall controller/ thermostat, the analog harness bundle is not used and can be tucked away. The ends do not need to be capped or taped.

- Freeze Sensor Cable (wire with copper tip and blue plastic clip)
- 12V DC Power Cable (2-wires)
- LED Cable (1 white cable)
- Wall Thermostat Cable (4-wire harness)
- Analog Cable (8-wire harness)
- Furnace Cable (2-wires)
2. Loosen the strain relief and compartment cover of the control box and pass the 115VAC power cord through the strain relief hole and re-tighten the cable clamp until properly restrained. Do not over tighten.
3. Make wire connections following the below color codes.
Black – Hot
White – Neutral
Green/yellow – Ground

- Strain Relief
4. Fit all cables into the cable compartment and tuck any excess wires up out of the way. Tighten the cover with screw.

5. Locate the four thermostat cables of the control box (red, green, blue and purple), which are tied together and tagged with “To wall thermostat” and connect them to the thermostat wire that extends to the wall.
IMPORTANT: Note the function marked on the wire end and carefully trace and mark its function at the end of the wire extension so that proper connection can be made at the wall controller / thermostat.
Crossing the wires could prevent the control from operating properly, or even cause damage. If uncertain, perform a continuity test through each extension to confirm.

- Thermostat Cable
6. If applicable locate the furnace wires from the ceiling controller, which are two separate brown wires tagged with “FURN“. Connect them with the 12V+ wire from the furnace, and the return wire to the furnace.
NOTE: Polarity does not matter, connection can be freely made to either wire. Do not connect the two brown “FURN” wires together.

- RV Roof
- 115VAC Power Cord
- Furnace Cable
7. Locate the 12 VDC power cable (red, tagged with “+12 VDC“) and ground cable (black, tagged with “Ground (12 VDC)” ) of the control box And connect them with the corresponding 12 VDC wire prepared in the ceiling.

- Ground cable
- 12VDC Power Cable
- 12VDC wire from the ceiling
8. Install the control box onto the mounting frame and fix with 2 provided “short” screws (one each side).

9. Stick the freeze sensor into the center bottom of the evaporator. Then insert the clamp into the evaporator between the fins to fix the freezer sensor.

- Clamp
- Freezer sensor
- RV Roof
- 115VAC Power Cord
- Room Sensor Cable
- Rooftop Unit Cable
- Freezer sensor Cable
Wire Connection – Multizone
- Determine zone identification for each ceiling controller, and set DIP switches appropriately per the DIP switch selection section.
- Choose the appropriate zone to operate the furnace, for all other ceiling controllers set the Furnace DIP switch to “off” to prevent mis-communication.
- Repeat the wiring steps covered in the single zone controller for each independent wall controller.
- Combine all the “To wall thermostat” wires together so that all zones are connected, and each wire function matches. Only one connection point should be made directly to the wall controller / thermostat. Ensure no wire function is crossed throughout the connections.
Analog Connection
The analog connection is only intended for use with OneControl® provided by Lippert Control Systems It allows connection directly to the HVAC control module without use of a separate gateway box.
To connect appropriately:
1. Activate the analog harness by turning the DIP switch on as indicated in the DIP switch selection section. This will deactivate the digital “wall thermostat” harness.

- Analog Cable
2. Connect the harness function according to the OneControl® instructions.
3. Connect freeze sensor.

- Clamp
- Freezer sensor
- RV Roof
- 115VAC Power Cord
- Room Sensor Cable
- Rooftop Unit Cable
- Freezer sensor Cable
Final Installation
1. Tuck/secure LED cable (white strip, tagged with “LED“) out of the way. This wire is reserved for lighting options.

- LED Cable
- RV Roof
2. Install the Air Distribution Box (ADB) shroud over the mounting frame and fix with the 4 provided long screws, or #8 x1.5″ (max) pan head RV screws can also be used.
NOTE: Make sure the “THIS WAY FRONT” mark is facing front (the direction of the vehicle) while installing.

- RV Roof
- Front side
3. Align the filter tabs with mating notches and push to snap the filters into the ADB shroud.

- RV Roof
- Front side
4. Install the screw caps to cover the screw holes.

- RV Roof
- Screw Cap
Your new rooftop air conditioner has now been fully installed in the RV root.
OPERATION
Ducted Systems
Normal Ducted Use
To distribute air through a ducted system, close the air shutter by pushing the tab right to pressurize the duct work.

Max Cool
To remove significant heat, open the air shutter to ‘dump” cool air directly below the AC. This will eliminate air and heat loss in the ducted system, and maximize cooling performance. Once comfortable close shutter to distribute evenly with the ducted system Open and close the shutter by pushing the tab left and right.

Non-Ducted System
Open shutter to release air.
Thermostat Use
Based on the wall thermostat version you selected. Please refer to the separate instruction manual on how to operate your RV air conditioning system.
CLEANING AND MAINTENANCE
A blocked filter will impair the cooling and heating performance of the unit significantly.
The filter must be cleaned periodically to ensure that it does not become clogged with dust and other particles. The state of the filter can be ascertained from its appearance. If it appears dirty or clogged then it should be cleaned.
| Airborne particles can pose a health risk, particularly to young children and the elderly Ensure that filters are cleaned in a safe and well ventilated area. |
To Clean the Filter
The filter should be cleaned every four weeks or more when in use. Prolonged use, higher concentrations of airborne particles and various other factors may result in the filters needing to be cleaned more often.
1. Remove the filters by pushing the tabs to release. (Fig. 29)

2. The filter can be washed with warm soapy water. Care must be taken to avoid ripping the fabric.
3. Replace the filters and decoration plate, by reversing the above process.
NOTE: The filter must be completely dry before re-installation.
To Replace the Filter
Filter changes should be carried out depending on the amount of use, it is recommended to change at least every 12 months. Never operate the air conditioning system without a filter, since this can decrease performance and indoor air quality.
Replacement return air filters can be ordered directly from Furnon.
TROUBLESHOOTING
| Problem | Cause | Remedy |
| Rooftop air conditioner constantly switches itself off | Freeze sensor has tripped. | Outer temperature is too low or all air nozzles are closed. |
| Not cooling well | The rooftop air conditioner is not set to cooling. | Set the rooftop air conditioner to cooling. |
| The set temperature is too high. | Select a lower temperature. | |
| The evaporator fan is damaged. | Contact an authorized service agent or Furrion (see the detail contact info at the back page of this manual). | |
| The condenser fan is damaged. | Contact an authorized service agent or Furrion (see the detail contact info at the back page of this manual). | |
| The air intake grilles are blocked or obstructed. | Remove any leaves and other dirt from the ventilation grilles of the rooftop air conditioner. | |
| The blower is defective. | Contact an authorized service agent or Furrion (see the detail contact info at the back page of this manual). | |
| Water enters the vehicle | The condensation water drainage openings are clogged up. | Clean the drainage openings for condensation water. |
| The seals are damaged. | Contact an authorized service agent or Furrion (see the detail contact info at the back page of this manual). | |
| Rooftop air conditioner does not switch on | No supply voltage connected. | Check the power supply. |
| The voltage is too low. | Contact an authorized service agent or Furrion (see the detail contact info at the back page of this manual). | |
| Fuse blown or circuit protector tripped. | Check the electrical fuse of the power supply. |
SPECIFICATIONS
| FACR13HESA-** FACR13HESA-**-AM | FACR14SA-** FACR14SA-**-AM | FACR15SA-** FACR15SA-**-AM | FACR15HESA-** FACR15HESA-**-AM | |
| Cooling Capacity (Btu/h) | 13,500 | 14,500 | 15,500 | 15,000 |
| Dehumidification (pint/h) | 1.8 | 2.7 | 3.2 | 3.0 |
| Applicable vehicle length (feet) | 23 | 26 | 31 | 31 |
| Refrigerant | R410A | R410A | R410A | R410A |
| Charge (Oz) | 13.9 | 19.8 | 23.1 | 20.8 |
| Roof top Unit Dimensions (L x W x H) (inch) | 34 7/8 x 27 5/8 x 13 5/8 | 34 7/8 x 27 5/8 x 13 5/8 | 34 7/8 x 27 5/8 x 13 5/8 | 34 7/8 x 27 5/8 x 13 5/8 |
ELECTRICAL | ||||
| Volts/Frequency | 115V~/60Hz/1Ph | 115V~/60Hz/1Ph | 115V~/60Hz/1Ph | 115V~/60Hz/1Ph |
| Power Watts (Cooling) | 1,283 | 1,620 | 1,720 | 1,760 |
| Amps (Cooling) | 11.3 | 14.6 | 15.4 | 15.6 |
| Power Cord Gauge Min. (mm²) | AWG12 | AWG12 | AWG12 | AWG12 |
| ** Product color. | ||||
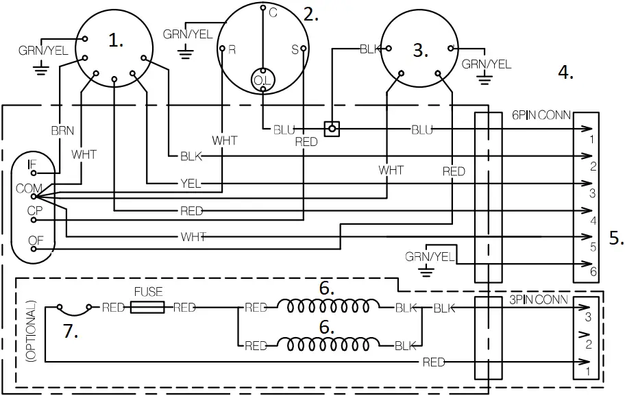
WIRING DIAGRAM
Electrical Shock Hazard
|

- INDOOR MOTOR
- COMPRESSOR
- OUTDOOR MOTOR
- PASSED DIELECTRIC
- (CONN TO AIR DISTRIBUTION BOX)
USE COPPER CONDUCTORS ONLY. - HEAT ELEMENT
- LIMMITED SWITCH

- DIGITAL CONTROL
- TO UPPER UNIT
- Elect.Heater Optional*
- FREEZE SENSOR
- ROOM SENSOR
- PASSED DIELECTIC
- ANALOG CONTROL
- TO FURNACE THERM
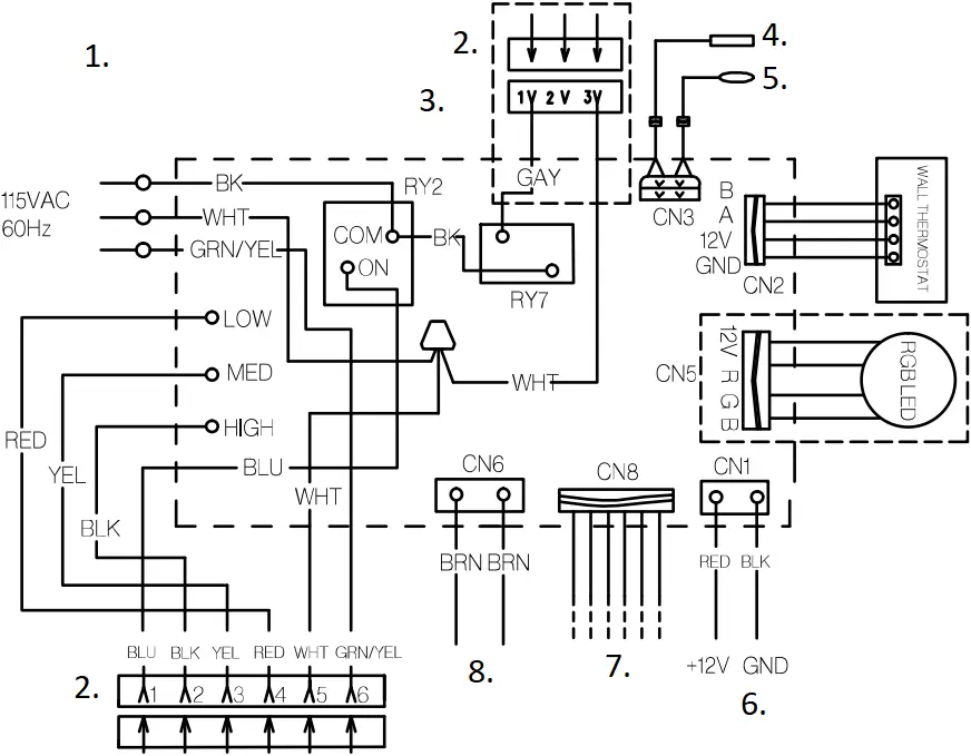
Multi Zone Wiring Diagram

- 12VDC Input 2 Wires
- 115VDC Input Front Unit
- Furrion Thermostat
- Four Conductor Communication Cable
- Air Conditioner
- Furnace 2 Wires
- Breaker Box
- 115VAC Input Rear Unit
CCD-0005730 Rev: 04-25-22

![]()
Furrion Innovation Center & Institute of Technology
- 52567 Independence Ct., Elkhart, IN 46514, USA
- Toll free: 1-800-789-3341
- Email: [email protected]
©2007-2022 Furrion Ltd. Furrion® and the Furrion logo are trademarks licensed for use by Furrion Ltd. and registered in the U.S. and other countries.
For Patent Info: www.furrion.com/pages/patents
IM-FHA00090 V2.0
















