Wall Mounted Unit Max
7469.0100 – 7469.0105 – 7469.0110
User Manual
Introduction
Thank you for purchasing the Combisteel refrigerated display case.
This Operating Manual (hereinafter referred to as the “Manual”) describes the design of the refrigerated wall display case series Monte (hereinafter referred to as the “Display Case” or the “Product”) and its installation and operation procedures. The display cases should be installed, put into operation and maintained by the Service Centers of Combisteel commercial refrigerating equipment suppliers or sellers or other maintenance companies on behalf of Combisteel.
The display cases meet the requirements of TR CU 004/2011 “On safety of low-voltage equipment”, TR CU 010/2011 “On safety of machinery and equipment”, TR CU 020/2011 “Electromagnetic compatibility of technical means” (Declaration of conformity EEU No. RU Д-RU.РА01.В.03335/19, valid until 23.12.2024, and EEU No. RU
Д-RU.РА01.В.03336/19, valid until 23.12.2023) Warning: Please read this manual carefully before putting the display cases into operation.
Description and operation
1.1 Purpose of display cases
The display cases are designed for demonstration, sale and temporary storage of pre-cooled food products and semi-finished products at trade and public catering enterprises. The display cases can work with a remote refrigerating unit or a centralized cold supply. The climate class of the display cases is “N”, placement category 3 according to GOST 15150 for operation at the ambient temperature of 12°C to 25°C and relative humidity: – 12°C – maximum relative humidity 80%; – 22°C – maximum relative humidity 65 %; – 25°C – maximum relative humidity 60%. The temperature range in the useful volume for the display cases without front glazing (open) is +1 to +7°C. The temperature range in the useful volume for the display cases with front glazing is -1 to +7°C.
1.2 Specifications
The main specifications of the display cases are given in Table 1 and Fig. 2.
Table 1 – Basic parameters and specifications
| Designation of display cases | Useful area, sq.m | Useful refrigerated volume, cub.m | Cold consumption, kW | Energy consumption per day, not more than, kW/h/kW/h* | Input current, not more than A/A* | External dimensions, mm: LxWxH (including end walls) | Weight, kg |
Series Monte S | |||||||
| Моnte S 1250 | 2.7 | 1.0 | 1.5 | 1.9/1.2* | 0.45/0.19* | 1310х775х2040 | 290 |
| Моnte S1875 | 4.1 | 1.5 | 2.2 | 2.7/1.7* | 0.66/0.27* | 1955х775х2040 | 320 |
| Моnte S 2500 | 5.4 | 2.0 | 3.0 | 3.5/2.2* | 0.86/0.34* | 2580х775х2040 | 400 |
| Моnte S 3750 | 8.2 | 3.0 | 4.4 | 5.0/3.1* | 1.27/0.48* | 3830х775х2040 | 600 |
| Моnte S FV 1250 | 2.2 | 1.0 | 1.5 | 1.9/1.2* | 0.45/0.19* | 1310х775х2040 | 290 |
| Моnte S FV 1875 | 3.4 | 1.5 | 2.2 | 2.7/1.7* | 0.66/0.27* | 1955х775х2040 | 320 |
| Моnte S FV 2500 | 4.4 | 2.0 | 3.0 | 3.5/2.2* | 0.86/0.34* | 2580х775х2040 | 400 |
| Моnte S FV 3750 | 6.7 | 3.0 | 4.4 | 5.0/3.1* | 1.27/0.48* | 3830х775х2040 | 600 |
| Моnte SH 1250 | 3.2 | 1.1 | 1.5 | 1.9/1.2* | 0.45/0.19* | 1310х775х2210 | 300 |
| Моnte SH 1875 | 4.7 | 1.7 | 2.2 | 2.7/1.7* | 0.66/0.27* | 1955х775х2210 | 350 |
| Моnte SH 2500 | 6.4 | 2.2 | 3.0 | 3.5/2.2* | 0.86/0.34* | 2580х775х2210 | 430 |
| Моnte SH 3750 | 9.5 | 3.3 | 4.4 | 5.0/3.1* | 1.27/0.48* | 3830х775х2210 | 640 |
| Моnte SH FV 1250 | 2.7 | 1.1 | 1.5 | 1.9/1.2* | 0.45/0.19* | 1310х775х2210 | 300 |
| Моnte SH FV 1875 | 4.1 | 1.7 | 2.2 | 2.7/1.7* | 0.66/0.27* | 1955х775х2210 | 350 |
| Моnte SH FV 2500 | 5.4 | 2.2 | 3.0 | 3.5/2.2* | 0.86/0.34* | 2580х775х2210 | 430 |
| Моnte SH FV 3750 | 8.2 | 3.3 | 4.4 | 5.0/3.1* | 1.27/0.48* | 3830х775х2210 | 640 |
Series Monte M | |||||||
| Моnte M 1250 | 3.4 | 1.4 | 1.65 | 1.9/1.2* | 0.45/0.19* | 1310х975х2040 | 360 |
| Моnte M 1875 | 5.1 | 2.1 | 2.5 | 2.7/1.7* | 0.66/0.27* | 1955х975х2040 | 430 |
| Моnte M 2500 | 6.8 | 2.8 | 3.25 | 3.5/2.2* | 0.86/0.34* | 2580х975х2040 | 510 |
| Моnte M 3750 | 10.2 | 4.2 | 4.9 | 5.0/3.1* | 1.27/0.48* | 3830х975х2040 | 740 |
| Моnte M FV 1250 | 2.8 | 1.2 | 1.65 | 1.9/1.2* | 0.45/0.19* | 1310х975х2040 | 360 |
| Моnte M FV 1875 | 4.2 | 1.8 | 2.5 | 2.7/1.7* | 0.66/0.27* | 1955х975х2040 | 430 |
| Моnte M FV 2500 | 5.6 | 2.4 | 3.25 | 3.5/2.2* | 0.86/0.34* | 2580х975х2040 | 510 |
| Моnte M FV 3750 | 8.3 | 3.6 | 4.9 | 5.0/3.1* | 1.27/0.48* | 3830х975х2040 | 740 |
| Моnte M TG | 5.1 | 2.1 | 2.5 | 2.7/1.7* | 0.66/0.27* | 1955х975х2040 | 430 |
| Моnte M FV TG | 4.2 | 1.8 | 2.5 | 2.7/1.7* | 0.66/0.27* | 1955х975х2040 | 430 |
| Моnte MH 1250 | 4.0 | 1.5 | 1.65 | 1.9/1.2* | 0.45/0.19* | 1310х975х2210 | 380 |
| Моnte MH 1875 | 6.0 | 2.3 | 2.5 | 2.7/1.7* | 0.66/0.27* | 1955х975х2210 | 450 |
| Моnte MH 2500 | 8.1 | 3.0 | 3.25 | 3.5/2.2* | 0.86/0.34* | 2580х975х2210 | 530 |
| Моnte MH 3750 | 12.0 | 4.6 | 4.9 | 5.0/3.1* | 1.27/0.48* | 3830х975х2210 | 760 |
| Моnte MH FV 1250 | 4.0 | 1.3 | 1.65 | 1.9/1.2* | 0.45/0.19* | 1310х975х2210 | 380 |
| Моnte MH FV 1875 | 6.0 | 2.0 | 2.5 | 2.7/1.7* | 0.66/0.27* | 1955х975х2210 | 450 |
| Моnte MH FV 2500 | 8.1 | 2.6 | 3.25 | 3.5/2.2* | 0.86/0.34* | 2580х975х2210 | 530 |
| Моnte MH FV 3750 | 12.0 | 4.0 | 4.9 | 5.0/3.1* | 1.27/0.48* | 3830х975х2210 | 760 |
| Моnte MH TG | 6.0 | 2.3 | 2.5 | 2.7/1.7* | 0.66/0.27* | 1955х975х2210 | 450 |
| Моnte MH FV TG | 5.9 | 2.0 | 2.5 | 2.7/1.7* | 0.66/0.27* | 1955х975х2210 | 450 |
Series Monte L | |||||||
| Моnte L 1250 | 4.0 | 2.0 | 1.65 | 1.9/1.2* | 0.45/0.19* | 1310х1075х2040 | 430 |
| Моnte L 1875 | 6.0 | 3.1 | 2.5 | 2.7/1.7* | 0.66/0.27* | 1955х1075х2040 | 510 |
| Моnte L 2500 | 8.0 | 4.0 | 3.25 | 3.5/2.2* | 0.86/0.34* | 2580х1075х2040 | 610 |
| Моnte L 3750 | 12.0 | 6.0 | 4.9 | 5.0/3.1* | 1.27/0.48* | 3830х1075х2040 | 900 |
| Моnte L FV 1250 | 3.3 | 2.0 | 1.65 | 1.9/1.2* | 0.45/0.19* | 1310х1075х2040 | 430 |
| Моnte L FV 1875 | 4.9 | 3.1 | 2.5 | 2.7/1.7* | 0.66/0.27* | 1955х1075х2040 | 510 |
| Моnte L FV 2500 | 6.5 | 4.0 | 3.25 | 3.5/2.2* | 0.86/0.34* | 2580х1075х2040 | 610 |
| Моnte L FV 3750 | 9.9 | 6.0 | 4.9 | 5.0/3.1* | 1.27/0.48* | 3830х1075х2040 | 900 |
| Моnte L TG | 6.5 | 4.0 | 3.25 | 3.5/2.2* | 0.86/0.27* | 2580х1075х2040 | 610 |
| Моnte L FV TG | 6.0 | 4.0 | 3.25 | 3.5/2.2* | 0.86/0.27* | 2580х1075х2040 | 610 |
| Моnte LH 1250 | 4.8 | 2.2 | 1.65 | 1.9/1.2* | 0.45/0.19* | 1310х1075х2210 | 450 |
| Моnte LH 1875 | 6.9 | 3.4 | 2.5 | 2.7/1.7* | 0.66/0.27* | 1955х1075х2210 | 550 |
| Моnte LH 2500 | 9.6 | 4.4 | 3.25 | 3.5/2.2* | 0.86/0.34* | 2580х1075х2210 | 700 |
| Моnte LH 3750 | 14.4 | 6.6 | 4.9 | 5.0/3.1* | 1.27/0.48* | 3830х1075х2210 | 990 |
| Моnte LH FV 1250 | 4.0 | 2.2 | 1.65 | 1.9/1.2* | 0.45/0.19* | 1310х1075х2210 | 450 |
| Моnte LH FV 1875 | 6.0 | 3.0 | 2.5 | 2.7/1.7* | 0.66/0.27* | 1955х1075х2210 | 550 |
| Моnte LH FV 2500 | 8.0 | 4.4 | 3.25 | 3.5/2.2* | 0.86/0.34* | 2580х1075х2210 | 700 |
| Моnte LH FV 3750 | 12.0 | 6.6 | 4.9 | 5.0/3.1* | 1.27/0.48* | 3830х1075х2210 | 990 |
| Моnte LH TG | 8.0 | 4.4 | 3.25 | 3.5/2.2* | 0.86/0.34* | 2580х1075х2210 | 700 |
| Моnte LH FV TG | 6.5 | 4.4 | 3.25 | 3.5/2.2* | 0.86/0.34* | 2580х1075х2210 | 700 |
Note – * – The energy consumption and power parameters when energy-saving fans are used.
The shelf load should not exceed 120 kg/m² for a five-row display case, and 100 kg/m² for a six-row display. The power supply parameters are as follows: V/phase/ Hz – 230/1/50. The display cases shall remain functional
at supply voltage deviations in the range of minus 10% to plus 10% from the rated voltage according to GOST 13109.
1.3 Display case design and operation
1.3.1 Display case design
The display cases consist of the following main units (Figure 1.):
- Basic solid molded casing.
- Rear molded wall
- Upper molded wall (top)
- Side molded or double-glazed wall (end wall)
- Height-adjustable support feet.
- Load-bearing posts with perforated panels.
- Shelves with guides and stoppers.
- Decorative color panels
- Control panel (controller)
- Protective bumper.

1.3.2 Display case operation
The useful volume of the refrigerated display case is cooled based on the principle of heat transfer from the useful volume of the display case to the environment. The heat from the useful volume is carried into the evaporator, the compressor transfers it by the refrigerant to the condenser, and then it is removed to the environment.
The refrigerated display case operation is the operation of its refrigeration system controlled by an electronic regulator (controller). The controller’s temperature sensor reads the air temperature in the useful volume of the display case, when the set temperature is exceeded, the solenoid valve opens and the refrigerant is supplied to the evaporator. When the desired temperature is reached in the useful volume of the dis-play case, the controller switches off and closes the solenoid valve, thereby cutting off the refrigerant supply to the evaporator. The evaporator defrosting time and frequency are determined by the controller settings.
The control panel consists of:
- Electronic controller.
- Illuminated key switch.

The electronic controller (1) is used to automatically maintain the temperature in the refrigerated space and control the air cooler defrosting process. See the Electronic Controller User’s Manual in Appendix D to the Manual. The factory setting ensures the optimal operation of the product. The controller can be readjusted by the service personnel only. The switch (2) is used to turn the lighting on and off. The interior of open display cases is insulated by an air curtain (an invisible airflow barrier between the upper honeycomb and the lower suction panel).
Warning: Do not block the cooling air supply for the air curtain (by goods, labels, price tags, etc.) To reduce energy consumption during off-hours, the display cases can be optionally equipped with night covers m(Fig.4). In order to prevent refrigeration loss, as well as to ensure perfect sanitary conditions, the display case can be closed with a night cover, available on request as an option, for the nighttime.
Warning: The night cover requires careful handling. The night cover should be raised/lowered smoothly, without any jerks and distortions, using a special handle, until the cover fixation. This is necessary to avoid damage to the mechanism and wear of the night cover material.
Warning: If the customers do not fulfill the above requirements, the warranty for the night cover is not provided! See Appendix E for the night cover installation instructions.
2 Datasheet specifications
2.1 Scope of delivery
The delivery set complies with the Packing list (appended to the Manual).
2.2 Acceptance certificate
Refrigerated wall display case series Monte ____________________, serial number _______________ is manufactured and accepted in accordance with the requirements of Specification TU 28.25.13-002-066486978 -2017, current technical documentation and is found fit for use. Date of manufacture________________201___ Responsible for the acceptance________________________(signature) L.S.
Proper use
3.1 General guidelines
The Manual provides information necessary for the proper operation and maintenance of the display cases during their intended use. The display case service life and safety in operation depend on observance of the operating rules.
3.2 Safety measures
The display cases meet the safety requirements of Technical Regulations of the Customs Union: TR CU 004/2011 “On safety of low-voltage equipment”, TR CU 010/2011 “On safety of machinery and equipment”, TR CU 020/2011 “Electromagnetic compatibility of technical means”. The display cases belong to I class of human protection against electric shock according to GOST IEC 60335-1. The degree of protection provided by enclosures is IP20.
Warning: Observe the following safety rules when working with the display cases:
– check the cable before connecting the display cases to the mains and make sure it is working properly;
– connect the mains plug to a grounded socket only;
– the power cord may only be replaced by the qualified personnel authorized to this type of works;
– in case of any faults in the electrics (wire insulation fault, ground wire breakage, etc.), immediately disconnect the display case from the mains and call an electrician.
– connect the showcases to the supply mains (Fig.4) via an automatic circuit breaker of combined (thermal and electromagnetic) protection with a rated current value of:
a) 6.3A – for Monte 1250, Monte 1875, Monte 2500;
b) 10А – for Monte 3750.
Fig. 4. Power connection diagram
QF, QF1 – automatic circuit breakers;
XP – 3 pole plug and socket EURO connector with a grounding terminal.
For the wiring diagram see Appendix B.
Warning: Do not operate equipment with a missing or faulty ground connection.
Warning: Before dismantling and depressurization of refrigeration system components, drain the refrigerant into a special container, avoiding its leakage into the atmosphere.
Precaution: The display cases are not intended for use by persons (including children) with reduced physical or mental capabilities, or lack of experience or knowledge unless they are supervised or instructed regarding the product use by a person responsible for their safety. Children should be supervised to prevent playing with the product. In case of non-compliance with these safety measures, the manufacturer shall not be liable for the safety.
3.3 Display case installation.
Warning: When the display case is delivered, check the packaging for damages. If there are any defects, make a claim to the transport company. The display cases should be transported in a vertical position only. Carefully unpack the display case, taking all necessary precautions to avoid mechanical damage to the external front surfaces of the product. Remove the components from the interior. Read the datasheet. Check the delivery package.
Remove the display case from the wooden pallet by unscrewing the fixing bolts.
Indoors, the product can only be moved in accordance with the handling circuit on the nameplate.
Tilt the display case 15° back and screw the front feet, then tilt it forward and screw the rear feet.
Set the display case level to a stable horizontal position using height-adjustable feet.
When installing display cases at the operating site, observe the following conditions: – the ambient air temperature should not exceed 25°C, because at temperatures above 25°C and relative humidity of more than 60%, the technical characteristics specified in p. 1.1 are not guaranteed; – provide an air conditioning system in the room to maintain normal operating conditions, because the common ventilation will increase the humidity, which will reduce the operational reliability; – do not install showcases near doors or in halls with artificial air flows to avoid air flows of more than 0.2 m/sec, humidifying the air; – install the display case at least 1 m away from the heat source, and sun-warmed walls and ceilings; – keep the clearance of at least 60 mm between the display case and the wall. In case of failure to observe the above conditions, the display cases will not meet their performance characteristics and the power consumption will increase. Before using the display cases: carefully remove the protective film from the outer and inner panel surfaces; wash them with warm water and neutral detergent; rinse; dry. When washing, prevent moisture ingress in electrical items.
Install the interior lighting lamp.
The product should be connected to the cold supply lines only by specialists of the manufacturer or organizations
having appropriate authorization (license) for this type of work.
Installation procedure:
a) cut off the capped ends of the display case pipes with a length of 20-30 mm with a special tool and remove the burrs;
b) solder the joints, the silver content in the solder should be at least 5.5%;
c) insulate the pipelines connecting to the cold supply lines. For the remote unit pipeline connection diagram see Appendix C.
Warning: Do not move the display cases connected to the cold supply lines.
3.4 Pre-starting procedure of display cases
After the product is connected to the power supply as described above, it can be started from the control panel (Fig. 3) and adjusted.
Note: pre-commissioning, network connection and controller configuration should be performed by a representative of the Service Center certified for this type of work.
Warning: After transportation at a temperature below +10°C, keep the equipment at an ambient temperature of +18°C to +25°C for at least 4 hours before switching on. After a forced outage, the equipment should be reconnected to the power supply at least 3-4 minutes after its disconnection. Load pre-cooled products only after the set temperature is reached in the display case interior.
DO NOT exceed the load limits!
Warning: Products and semi-finished products should be pre-cooled.
Products and semi-finished products should be uniformly arranged in plastic or stainless steel functional containers. Place containers on demonstration trays and shelves loosely, with a clearance of at least 6 cm to the walls. Load limits:
– place products uniformly;
– products should not block the air supply and intake openings;
– products should not protrude beyond the shelves; the weight of products loaded on the shelf should not exceed 120 kg / m² for a five-row display case, and for a six-row display case 100 kg / m²;
– do not put boxes, bags etc. on the top of the refrigerated display case;
– The condensate formed during evaporator defrosting should be drained to the sewer.
Commissioning, setting up of automatic control equipment of the refrigerating unit, maintenance and repair of the product should be performed only by specialists of either the manufacturer or organizations appropriately authorized (licensed) by the manufacturer for this type of work
Warning: Before sanitary treatment, routine maintenance and repair works, disconnect the display case from the mains by removing the plug from the outlet, and remove the products from the display case interior.
Warning: Do not wash the product under running water, because accidental ingress of moisture to electrical components can result in the product and the electrical safety system malfunction.
3.5 Troubleshooting
In case of any malfunction, call the specialist of the service company authorized by the display case supplier (seller), or the specialized service organization. Potential failures and methods of their elimination are given in Table 2. Table 2 – List of possible failures and methods of their elimination
| Type of failure, outward signs and additional signs | Possible cause | Remedy |
| 1 | 2 | 3 |
| 1 Display case does not work | The power cable is damaged | Check the power cable and repair, if necessary. Check the switch terminal connections and tighten the screws on the terminals, if necessary. |
| 2. The set temperature is not maintained consistently inside. | The display case is loaded with warm products. The display case is densely loaded with products. High ambient temperature. Air circulation in the fan is disturbed. | Avoid loading the display case with hot and warm products. When loading, provide a free air flow between the shelves with products. Do not use the display cases at ambient temperatures above +25°С. Products should not block the air supply and intake openings. |
| 3 Increased noise | The display case is not installed correctly. The refrigeration unit pipelines are in contact with the housing or with each other. | Adjust the display case installation level using the feet. Check the pipeline attachment. |
Warning: Disconnect the display cases from the mains before any replacements.
If the power cord is damaged, replace it with a cord PVA-VP 3×1.5 with a molded plug or similar.
Maintenance
Uninterrupted and efficient operation of the products is provided by a planned maintenance system for care, inspection, diagnostics, and all types of repairs carried out routinely within a prescribed period and aimed at maintaining the equipment in good condition.
Two types of service are specified for the equipment: daily maintenance during operation and periodic maintenance, which is performed by a specialized organization authorized by the equipment supplier (seller).
4.1 Daily maintenance of equipment includes the control of:
– internal temperature;
– correct loading of products (see section 3.4.);
– tightness of the magnetic door seal (for the version);
– condensate drain systems (no water inside the display case).
The display case should be kept clean during operation. Avoid using abrasive or corrosive detergents when disinfecting.
Warning: Disconnect the display case from the power supply and remove the products from the interior before sanitizing.
4.2 Periodic maintenance is performed according to an annual schedule developed by the Service Center before
the beginning of the planned year. Periodic maintenance involves a set of works with intervals of at least
3 months, regardless of the technical condition of the display case at the moment of maintenance beginning.
List of periodic maintenance works:
- check the correct placement and installation of the display case;
- clean the assembly units from contamination, clean the evaporating unit (if necessary);
- check that all parts and assemblies are properly secure, tighten all fasteners;
- check the tightness of brazed hydraulic connectors;
- check the electrical connections, tighten the screw contacts;
- check the supply voltage, grounding availability and condition, the integrity of wire and power cable insulation;
- checking the interior chilling;
- check the cyclic operation of the refrigeration system, the condenser fan rotation, the absence of a frost deposit on the evaporator fins;
- check the controller program and reset the parameters (if necessary).
Warning: In case of failure to perform the scheduled maintenance the warranty is not provided! In case of any questions arising during the start-up, operation and maintenance of products, contact the authorized organization (Supplier or Seller) and their Service Centers.
Storage
The display cases should be stored factory-packaged, not stacked, under the conditions of exposure to climatic factors of group 3 acc. to GOST 15150 and a temperature of not lower than minus 35°C. The guaranteed shelf life is not more than 6 months.
Transportation
The packed display cases may be transported by all types of transport except for air transport.
The following should be provided during transportation:
– protection against mechanical damage;
– stable position and prevention of the movement in the vehicle.
Warning: Do not turn over the display cases. Handle in vertical position only.
Environmental protection
The display cases should meet the environmental requirements established by the current legislation for this type of equipment. The design of display cases should prevent environmental pollution under normal operating, starting-up and shutting-down conditions. Prevent emissions of hazardous substances into the air, discharges to water, and soil contamination, and other environmental impacts, except for the accidental release of refrigerant, during display case commissioning, operation and disposal. The environmental safety of display cases during commissioning and operation shall be ensured by the following:
– refrigeration system integrity control;
– working area atmosphere control;
– measures to prevent environmental pollution by producing waste (oiled rags, waste oil).
Operating personnel is responsible for the environmental safety of display cases during commissioning, operation and disposal.
Disposal
Display cases that have reached the end of their service life should be disposed of. Display cases should be disposed by appropriately qualified personnel authorized for these works and instructed on safe work practices and procedures.
The personnel disposing of the display cases should wear protective clothing and use personal protective equipment. Shut down the display cases and disconnect the electrical lines before disposal. The process liquid (oil, refrigerant) should be removed from the refrigeration system and recycled, regenerated or disposed of by specialized organizations.
The fire safety, electrical safety, environmental safety and handling safety requirements shall be met during disassembly.
Before disposal of the display case, disassemble and sort its components according to the materials from which they are made. Metal structures are subject to scrapping.
Appendix A
(normative)
Report form
COMMISSIONING REPORT
(normative)
Report form
COMMISSIONING REPORT
This report is drawn up on …………………….201……………
by the owner of the display case…………………………………………..
(name and address of organization,…………………
position, full name)………………..
and the representative of the authorized Service Center (name) (position, full name)
o certify that the display case series Monte……………………………..serial number…………………….
manufactured on ………………………..201 ,
was put into service on …………………………………201 by electrical engineer
(name of the organization, full name)
certificate for installation and maintenance of commercial refrigerating
equipment No………………………….., issued on……………………… 201 by (name of organization)
The display case is accepted for service by an engineer (name of the organization, full name)
certificate for installation and maintenance of commercial refrigerating
equipment No……………………………….issued on………………………………..201 by (name of organization)
The owner ………….(signature) Full name
Representative of the center ………………(signature) Full name
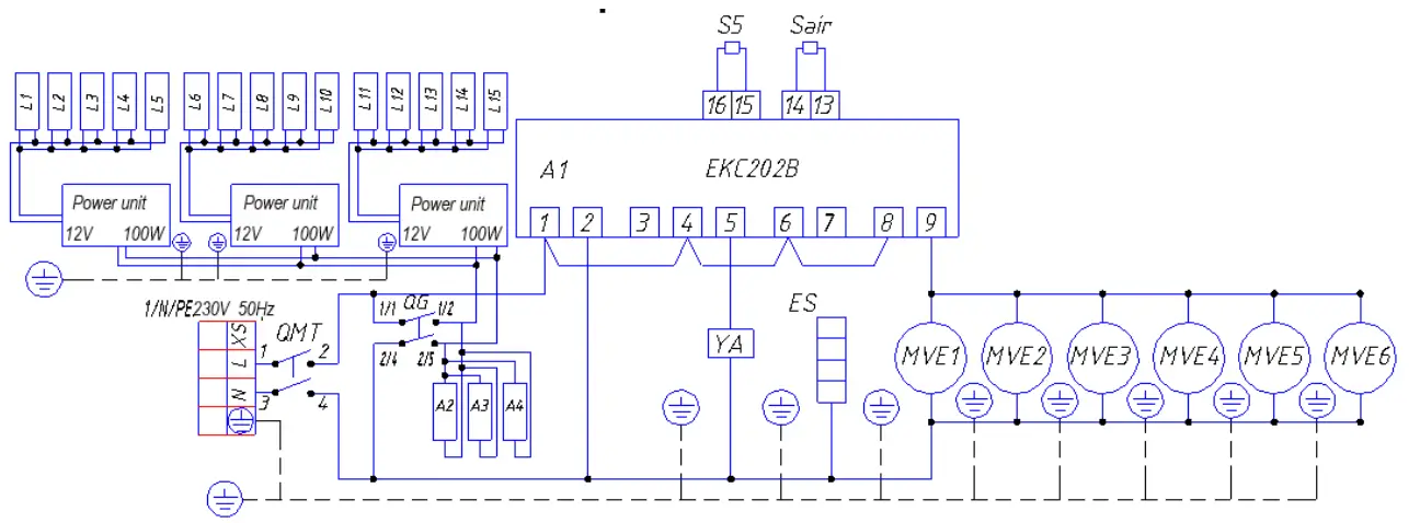
Appendix B

Key to the wiring diagram:
XS Power plug
QG Light switch
QMT Automatic circuit breaker
A2, A3, A4 LED tube lights
MVE1-MVE6 Air cooler fans
A1 Controller
ES *Evaporator heating elements
Sair, S5 NTC temperature sensors
YA Timer relay coil.
* – Option
| Display case length, mm | Number of fans | Number of lamps | * Number of power units | * Number of shelf lights |
| 1250 | 2 | 1 (18W) | 1x100W | 4(L) / 5(H) |
| 1875 | 3 | 2 (9W and 18W) | 1x150W | 8(L) / 10(H) |
| 2500 | 4 | 2 (18W) | 2x100W | 8(L) / 10(H) |
| 3750 | 6 | 3 (18W) | 3x100W | 12(L) / 15(H) |
Appendix C
(normative)
Refrigerating unit and melt water drain pipeline connection diagram
![]() | ![]() | ![]() |
Appendix D
INSTRUCTION
EKC202B, EKC302B CONTROLLER SETTINGS ADJUSTMENT
- PURPOSE
The controller as part of the refrigeration equipment is designed to control its operation and provides the following:
maintaining the temperature in the refrigerated space within the required range; automatic defrost of the air cooler; compressor protection.
The front panel of the controller is shown in Fig. 1.
1, 2, 3 – programming keys; 4 – display; 5 “minus” signal; 6 air cooler fan activation indicator (illuminated); 7 defrosting indicator (illuminated); 8 – refrigeration indicator (illuminated).
BRIEF DESCRIPTION
The front panel of the controller contains three programming keys (1), (2), (3) and a display that shows three numbers or letters (4), a minus sign (5), an air cooler fan activation signal (6), a defrosting signal (7), and a refrigeration signal (8).
The controller maintains the interior temperature by periodical starting and stopping the compressor according to a signal received from the sensor installed in the air cooler. If the interior temperature exceeds the set value (the first line in Table 1), then the controller activates the compressor. After reaching the specified interior temperature, the controller stops the compressor. When the compressor is disabled, the interior temperature increases due to heat flows, and when a value equal to the sum of the previous set value (the first line in Table 1) and the value “r01” is reached, the controller activates the com-pressor. When products are cooled (the compressor is running), the display (4) shows the interior temperature value and the refrigeration signal (8). When the compressor is disabled, the refrigeration signal (8) is not displayed. To see the temperature on S5 evaporator sensor, press briefly the key (2), and to activate the forced defrosting, press and hold the key (2) for 5 seconds.
TEMPERATURE SETTING ADJUSTMENT
Set value adjustment procedure:
- Press the key (3) until the temperature set value appears on the display;
- select the desired value by pressing the keys (1) or (2) ;
- Press the key (3) to record the value.
4. PARAMETER ADJUSTMENT
As delivered, the controller has the parameter settings specified in Table 1. Parameter adjustment procedure:
- press and hold the key (1) until the display shows the column with the code parameters;
- select the desired parameter by pressing the keys (1) or (2);
- Press the key (3) to switch to parameter editing mode;
- enter the desired parameter value by pressing the keys (1) or (2);
- Press the key (3) to record the value.
The controller will automatically exit the parameter setting mode if no keys are pressed.
Table 1. Default controller parameters.
| Designation | Parameter specification, adjustment range | Value of parameter | Unit of measure |
| 1 | 2 | 3 | 4 |
Temperature control | |||
| Interior temperature – set point (-50°С to +50°С) Compressor deactivation temperature | -18, 0*, -6**, 1***, 4**** | °С | |
| r01 | Temperature differential (0,1К – 20К) The compressor is activated when the interior temperature exceeds the previous set value + differential | 3 | °С |
| r02 | Maximum limitation of setpoint setting (-49°С – +50°С) | 5, 10***(****) | °С |
| r03 | Minimum limitation of setpoint setting (-50°С – +49°С) | -21, -5* -6**. 0***(****) | °С |
| r04 | Adjustment of temperature indication (- 20К – +20К) | 0 | К |
| r05 | Temperature unit (°С/°F) | °С | °С/°F |
| r09 | Correction of the signal from the thermostat sensor (-10К – +10К) | 0 | K |
| r12 | Manual service (-1), stop regulation (0), start regulation (1) | 1 | – |
| r13 | Displacement of reference during night operation (-10К – +10К) | 0 | K |
| r39 | Activation of reference displacement r40 (OFF – on) | OFF | – |
| r40 | Value of reference displacement r40 (second range of the thermostat) (0 – 99 К) | 0 | K |
Alarms | |||
| А03 | Temperature alarm delay (0-240 min) | 30 | min |
| А04 | Time delay for door alarm (0-240 min) | 60 | min |
| А12 | Time delay for cooling (0-240 min) | 90 | min |
| А13 | Upper alarm limit, at which the compressor is disabled within time “А03” (-50 – +50 °С) | 10, 15***(****) | °С |
| А14 | Lower alarm limit, at which alarm is raised (-50 – +50 °С) | -25, -5***(****) | °С |
| А27 | Delay of a DI alarm (0 – 240 min) | 30 | min |
| А37 | High alarm limit for condenser temperature (0 – 99 °С) | 50 | °С |
Compressor | |||
| c01 | Minimum ON-time (0 min – 30 min) | 0 | min |
| c02 | Minimum OFF-time (0 min – 30 min) | 2 | min |
| c30 | The compressor relay must cutin and out inversely (NC function) (0/OFF – 1/On) | 0/OFF | – |
| C70 | Zero crossing control – only EKC302 | On | – |
Defrosting | |||
| d01 | Defrosting method (no/gas/EL ) | EL | – |
| d02 | Defrost stop temperature (0°С – 25°С) | 15, 8**** | °С |
| d03 | Interval between defrost starts ( 0 – 48 h) | 4, 12**** | h |
| d04 | Maximum defrost duration (0 – 180 min) | 30, 15*** | min |
| d05 | Displacement of time on cutin of defrost at start-up (0 – 240 min) | 0 | min |
| d06 | Drip off time (0 – 60 min) | 2 | min |
| d07 | Delay for fan start after defrost (0 -65 min) | 3 | min |
| d08 | Fan start temperature (-15 – 0 °С) | -3 | °С |
| d09 | Fan cutin during defrost | 0, 1***(****) | – |
| d10 | Defrost sensor (0 – time /1 – S5 /2 – Sair) | 1, 0*** | – |
| d18 | Maximum aggregate refrigeration time between two defrosts (0 – 48 h) | 0 | – |
| d19 | Defrost on demand – S5 temperature’s permitted variation during frost build-up (20К = Off) | 20 | K |
Fan | |||
| F01 | Fan stop at cutout compressor (no/yes) | no | – |
| F02 | Delay of fan stop (0 – 30 min) | 0 | min |
| F04 | Fan stop temperature (S5) (°С ) | 10 | °С |
Real-time clock t01-t47 | |||
Miscellaneous | |||
| o01 | Delay of output signals after start-up (0 – 600 sec) | 5 | sec |
| о02 | Digital input function: 0 – not used; 1 – door function; 2 – defrost start; 3 – external alarm; 4 – night operation | 0 | – |
| о03 | Network address – for EKC302 only (0 – 240) | 1 | – |
| о04 | Service message – for EKC302 only | OFF | – |
| o05 | Access code (0 – 100) | 0 | – |
| o06 | Used sensor type (Рt/ntc- 5 kOhm) | ntc | – |
| о15 | Display step =0.5 (normal 0.1 at Pt sensor) (no – yes) | no | – |
| о16 | Maximum hold time after coordinated defrost. | 20 | – |
| o46 | Cleaning | 0 | – |
| o64 | Access code 2 (partly access) (0 -100) | 0 | – |
| о67 | Replace the controller’s factory settings with the present settings (OFF-On) | OFF | – |
| o70 | Alternative application for the S5 sensor: (0 – defrost sensor; 1 – product sensor; 2 – condenser sensor) | 0 | – |
Service | |||
| u09 | Temperature measured with S5 sensor | – | – |
| u10 | Status on DI1 input (on/1 = closed) | – | – |
| u13 | Status on night operation (on or off) | – | – |
| u28 | Read the present regulation reference | – | – |
| u58 | Status on relay for cooling | – | – |
| u59 | Status on relay for fans | – | – |
| u60 | Status on relay for defrosting | – | – |
| u69 | Temperature measured with Sair sensor | – | – |
Note: Parameter values:
– for low temperature cabinets, monoblocks and split systems;
* – for medium temperature monoblocks and split systems;
** – for DP102 cabinet.
*** – for medium temperature cabinets.
**** – for refrigerated wall display cases
Appendix E
Night cover installation instructions
![]() | ![]() |






















