teufel T 1108/1 SW Subwoofer
General Notes and Information
Notice
The information in this document may change without prior notice and in no way constitutes any liability on the part of Lautsprecher Teufel GmbH.
No part of this user manual may
be reproduced in any form or be broadcasted in any way electronically, mechanically, by photocopy, or recording without the written permission of Lautsprecher Teufel GmbH.
© Lautsprecher Teufel GmbH
Version 2.0
February 2022
The information in this document may change without prior notice and in no way constitutes any liability on the part of Lautsprecher Teufel GmbH.
No part of this user manual may
be reproduced in any form or be broadcasted in any way electronically, mechanically, by photocopy, or recording without the written permission of Lautsprecher Teufel GmbH.
© Lautsprecher Teufel GmbH
Version 2.0
February 2022
Original packaging
If you wish to exercise your right of return, we ask that you be absolutely sure to hold onto the packaging. We can only accept the return of the speakers WITH THE ORIGINAL PACK-AGING.
Empty boxes are not available!
Complaints
In case of a complaint we will need the following information to process your inquiry:
Invoice number
Can be found on the sales slip
(enclosed with the product) or on the order confirmation received as a PDF document, e.g. 4322543
Serial number or batch number
Located on the back side of
the device, e.g. serial no.: KB20240129A-123.
Thank you for your support!
Contact
Please contact our customer service department with any questions, suggestions, or complaints:
Lautsprecher Teufel GmbH
BIKINI Berlin
Budapester Straße 44
10787 Berlin (Germany)
Telephone:
00800 200 300 40 (toll-free)
Fax: +49 (0)30 / 300 930 930
Online support:
http://teufelaudio.com/service
Contact form:
http://teufelaudio.com/contact
Proper use
The active subwoofer is designed for the playback of low audio signals from an external player.
Only use the subwoofer as described in this user manual. Any other use will be deemed as not in accordance with the instructions and may lead to damage to property or even persons.
The manufacturer accepts no liability for damage caused by improper use. The subwoofer is intended for private use. Before operating the product for the first time, please read the safety notes and operating instructions carefully. Only in this way, can you ensure that all functions are used in a safe and reliable manner. Keep the enclosed documents in a safe place and also be sure to pass them on to any subsequent owner.
Safety notes
This chapter contains general safety notes which you should always observe to protect yourself and third parties. Also, observe the warning notes in each chapter of this user manual. Touching live parts can result in severe injury or death.
- When connecting the device, make sure that the correct voltage is present. You can find more information about this on the rating plate.
- Check the device regularly for damage.
Immediately disconnect the mains plug and do not operate the device if its housing or mains cord is defective or exhibits other visible damages. - If the mains cord of the device is damaged, only have it replaced by the manufacturer, its customer service department, or a person with similar qualifications.
- This device can only be completely disconnected from the grid by pulling the main plug. Thus, make sure that the mains plug is always easily accessible.
- If the device emits smoke, smells burnt, or produces unusual sounds, immediately disconnect it from the mains and do not operate it further.
- Never open the device housing. Repairs may only be carried out by an authorized specialist workshop. Only parts that match the original specifications may be used.
- Only use the accessory products specified by the manufacturer.
- Only use the device indoors.
- Do not operate the device in wet rooms and protect it from dripping and splashing water. Make sure that no vases or other liquid-filled objects are located on or near the device in order to prevent liquid from penetrating the housing. If water or any foreign objects have entered the housing, immediately disconnect the mains plug and send the device to our service address.
- Never modify the device. Unauthorized modifications may affect safety and functionality.
- Never touch the mains plug with wet hands. An unsuitable setup location may result in injury and damage.
- If the subwoofer is not securely mounted, do not use it in vehicles, in unstable locations, on wobbly tripods or furniture, under dimensioned brackets, etc. The subwoofer may tip or fall over and cause injury to persons or damage itself.
- Place the subwoofer in such a way that it cannot be knocked over inadvertently and make sure that the cables do not pose a tripping hazard.
- Do not place the subwoofer near heat sources (e.g. heaters, ovens, other heat-generating equipment such as amplifiers, etc.).
- Do not use the device in environments where there is a risk of explosion.
- Only use the wireless function in locations where wireless radio transmission is allowed. An unstable base may cause the unit to tip and injure or even kill persons, children are particularly at risk. You can prevent a large number of accidents by taking the following precautions:
- Only place the subwoofer on the floor.
- If you want to use underframes or speaker stands, only use those recommended by the manufacturer.
- When storing the product, also ensure that it stands safely and that it cannot be knocked down or over. Children can become trapped in the plastic wrapping when playing and suffocate.
- Do not allow children to play with the device or the plastic wrapping. There is a danger of suffocation.
- Ensure that children do not remove small parts from the device or take them off of the device (e.g. control knobs or plug adapters). They could swallow the parts and choke.
- Never allow children to operate electrical equipment unsupervised. Extended listening at high volumes may lead to hearing loss. To avoid damage to health, avoid extended listening at high volumes.
- When the volume is set high, always keep a certain distance from the device and never place your ear directly on the speaker.
- If a speaker is set to full volume, this may produce very high sound pressure. This may have psychological consequences and also cause physical injury. Children and pets are particularly at risk. Set your signal source device volume control to a low setting before turning on the power. This product contains magnetic material.
- If necessary, consult your physician and ask for effects on implants such as pacemakers or defibrillators. The isolation pads can produce discoloration on sensitive surfaces.
- On parquet, varnished wood, and similar surfaces, you should stick felt gliders to the rubber feet of the subwoofer or put blankets or small carpets under them. This will prevent discoloration of the floor over the long term.
Explanation of symbols
Protection class II Dual insulation Risk of electrical shock – do not open the housing. Disconnect the main cord before changing a fuse.
Unpacking
Package contents
- Subwoofer

- 4 × support feet for subwoofer

- 4 × screws for the support feet

- Check that all items have been delivered and that nothing is damaged. If you find any damage, do not operate the device; instead, contact our customer service department (see back side).
- Please keep the packaging for the duration of the warranty period.
Subwoofer
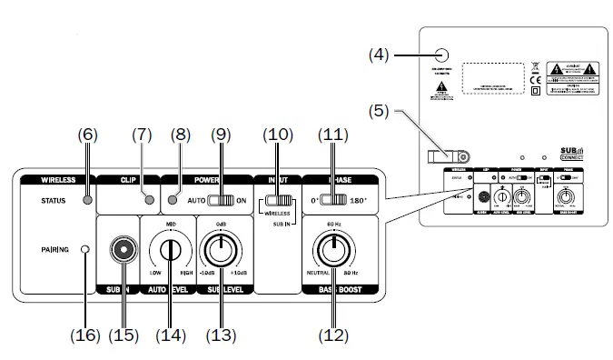
(4) Mains cord
(5) Holder for the mains cord
(6) STATUS: LED illuminates continuously with the wireless connection. Blinks slowly if there is no connection to the external player. Blinks quickly in pairing mode.
(7) CLIP: Overload indicator. If the LED lights up, immediately reduce the volume.
(8) POWER: LED illuminates in green when the subwoofer is switched on and red on standby.
(9) POWER: Automatic activation/deactivation or permanent acti-vation.
(10) INPUT: Select the input of the subwoofer (wireless or via SUB IN).
(11) PHASE: Shifts the subwoofer phase by 180°. Can lead to improved sound.
(12) BASS BOOST: Adjust the sound of the subwoofer.
(13) SUB LEVEL: Increase/decrease the subwoofer volume.
(14) AUTO LEVEL: Sensitivity control for the automatic activation/deactivation function.
(15) SUB IN: RCA input for connecting to the external player with a cable.
(16) PAIRING: Create a wireless connection to the external player (Siehe Kapitel „Establishing a wireless connection“ auf Seite 11).
Assembly and Setup
To the extent possible, you should set up the subwoofer in front of your sitting area close to the front speakers. Generally, you can also set it up at any other location in the room as the human ear is unable to localize low tones. You can operate the subwoofer as down-firing (membrane facing down) or frontfiring (membrane facing forward).
- Downfire: The subwoofer projects the sound waves directly towards the ground. The sound waves are directly reflected and thus produce a uniform signal in the entire room. The subwoofer can also be set up close to the wall or directly next to or under other furniture.

- Frontfire: The subwoofer projects the sound waves to the front. The bass reaches your ear via the shortest path so it is particularly precise and crisp. The subwoofer requires free space in front of the membrane and should not be close to the wall. Otherwise, this may produce uncontrollable frequency rises.

- You can find more information in the Teufel blog at https://blog.teufe-laudio.com/front-and-down-firing-subwoofers/
- Use one screw (3) to screw each
- support foot (2) onto the subwoofer according to the graphics.
Connecting
Audio connection
You can connect the subwoofer to your receiver with the SUB IN jack (15) using an RCA cable or connect wirelessly.
You can set the audio input of the subwoofer using the “INPUT” switch (10):
- “SUB IN” – If you have connected the subwoofer to the subwoofer output on your AV receiver.

- “WIRELESS” – If your AV receiver supports the wireless connection with the subwoofer (you can find a list of compatible devices at https://www.teufel.de/was-passt-wozu.html) or if you use the subconnect transmitter.
In case of connection via SUB IN
Use a mono RCA cable (not included in the package contents) to connect the SUB IN jack (15) to the AV receiv-er’s subwoofer output.
Mains connection
1. Insert the plug of the mains cord
(4) in a mains socket (220–240 V ~/50 Hz). The POWER-LED (8) will illuminate in green and the STATUS LED (6) will blink in blue for approx. 60 seconds.
You can find further tips and infos here: https:// www.teufelaudio.com/service.html
Use and Settings
Automatic activation/deactivation – You can switch the mode with thePOWER switch (9):
ON The subwoofer is perma- nently switched on. AUTO The subwoofer switches itself on as soon as an audio signal is present. If there’s no audio signal for approx. 20 minutes, the subwoofer switches to standby.
- If the auto-function doesn’t switch correctly, you can use the AUTO LEVEL control (14) to increase the sensitivity (turn to the right) or to decrease it (turn to the left). You will need a small screwdriver to do this.

Establishing a wireless connection
If your receiver is compatible, estab-lish the cordless connection to the subwoofer like this:
- If applicable, slide the INPUT switch (10) to the “WIRELESS” position.
- Switch your subwoofer and your wireless-compatible receiver or also the subconnect transmitter on.
The STATUS LED (6) will blink and the devices will now automatically connect. An existing connection is indicated by the continuously illuminated STATUS LED
(6).Proceed as follows to connect for the first time or if the devices do not connect automatically or the connec-tion is interrupted:
- Hold down the PAIRING button (16) until the STATUS LED (6) blinks quickly.
- Then perform the corresponding steps on your receiver to establish the connection (for this, refer to the user manual for your receiver).
Adjusting the volume
- Use the SUB LEVEL control (13) to adjust the volume of the subwoofer. If the CLIP LED (7) lights up, the input signal is too high. In this case, reduce the subwoofer level on your receiver.
Configuring the sound pattern
- With the BASS BOOST control (12), set the low tone sound character-istics: from maximum depth up to enhanced kickbass.
Adjusting the receiver
and subwoofer
Most receivers have a menu with settings for the speakers (called “Speaker Setup” or similar). By following our recommendations below, you can perfectly align the receiver and the subwoofer: Receiver settings If possible, use your receiver’s cali-bration function so that it automat-ically adjusts the levels, phase and run times to the room. If your receiver doesn’t provide an automatic calibra-

LED indicators
| LED | Display | Meaning |
| STATUS (6) | Illuminates in blue | Wireless connection to the receiver estab- lished. |
| Blinks slowly in blue | Device is attempting to establish a wireless connection to a known receiver. | |
| Blinks quickly in blue | The device is in pairing mode and is searching for a receiver ready for pairing. | |
| CLIP (7) | Flashes in red | Input is overamplified, signal level too high! |
| POWER (8) | Illuminates in green | Device is switched on. |
| Illuminated in red | Device is in standby. |

Troubleshooting
The following advice should help you to solve problems. If this does not work, our online manual will provide help:
https://manual.teufelaudio.com
| Problem | Possible cause/solution |
| The POWER LED (8) of the subwoofer does not illuminate. | Make sure that power is supplied. Check to make sure that the mains cord is securely seated. |
| The subwoofer does not auto- matically turn off. | Set the POWER switch (9) to “AUTO”. |
| If operated via a cable connec- tion: Playback is noisy. | The audio cable between the AV receiver and subwoofer is too long and/or the shielding is not sufficient. If possible, use a short, well shielded RCA cable or use the wireless connection. |
| For a wireless connection: The transmission is disrupted. | Other wireless signal sources (cordless telephones, Wi-Fi stations or microwaves) affect the connection. Move the devices causing the disturbance. |
Technical Data
Subwoofer T 1108/1 SW
Operating voltage
Power consumption max. Dimensions with support feet
(W × H × D) “Downfire”
(W × H × D) “Frontfire” Weight
Subwoofer T 1110/1 SW
Operating voltage
Power consumption max. Dimensions with support feet
(W × H × D) “Downfire”
(W × H × D) “Frontfire” Weight
220–240 V~ / 50 Hz 125 W
311 × 423 × 330 mm 311 × 373 × 380 mm 11.5 kg
220–240 V~ / 50 Hz 200 W
351 × 483 × 380 mm 351 × 423 × 440 mm 15.6 kg
The following radio frequency bands and radio transmitting powers are used in this product:
| Problem | Possible cause/solution |
| The POWER LED (8) of the subwoofer does not illuminate. | Make sure that power is supplied. Check to make sure that the mains cord is securely seated. |
| The subwoofer does not auto- matically turn off. | Set the POWER switch (9) to “AUTO”. |
| If operated via a cable connec- tion: Playback is noisy. | The audio cable between the AV receiver and subwoofer is too long and/or the shielding is not sufficient. If possible, use a short, well shielded RCA cable or use the wireless connection. |
| For a wireless connection: The transmission is disrupted. | Other wireless signal sources (cordless telephones, Wi-Fi stations or microwaves) affect the connection. Move the devices causing the disturbance. |
| Problem | Possible cause/solution |
| The POWER LED (8) of the subwoofer does not illuminate. | Make sure that power is supplied. Check to make sure that the mains cord is securely seated. |
| The subwoofer does not auto- matically turn off. | Set the POWER switch (9) to “AUTO”. |
| If operated via a cable connec- tion: Playback is noisy. | The audio cable between the AV receiver and subwoofer is too long and/or the shielding is not sufficient. If possible, use a short, well shielded RCA cable or use the wireless connection. |
| For a wireless connection: The transmission is disrupted. | Other wireless signal sources (cordless telephones, Wi-Fi stations or microwaves) affect the connection. Move the devices causing the disturbance. |
| Radio network | Frequency band in MHz | Max. transmission power in mW/dBm |
| Avnera | 2405.35-2477.35 | 1/0 |
You can find further technical data about the product on our website.
Declaration of Conformity
Lautsprecher Teufel GmbH declares that this product complies with Directive 2014/53/EU. The full text of the EU Declaration of Conformity can be found at this web address:
www.teufel.de/konformitaetserklaerungen
www.teufelaudio.com/declaration-of-conformity
Disposal
Important information in accordance with the Electrical and Electronic Equipment Act (Germany: ElektroG)
We advise owners of electrical
and electronic appliances that old electrical and electronic devices must be handed in separately from municipal waste, in accordance with the applicable regulations. Batteries and rechargeable batteries that are not firmly enclosed in old electrical devices and lamps, and that can be removed from the old device without destroying them, must be separated from them in a non-destructive manner before they are handed to the collection point for their intended disposal. Please take note of our information on the Batteries Act [Germany: BattG] below for disposing of batteries. You make an important contribution to returning, recycling and further processing of old devices if you sepa-rate your old devices into the correct collection groups for recycling. The symbol below of a crossed-out dustbin, applied to electrical and electronic appliances, also advises of the duty to separate collections: Consumer electronics stores and supermarkets are obliged, under certain conditions, to take back old electrical and electronic devices, in accordance with section 17 of the Electrical and Electronic Equipment Act. Stationary retailers must take back an old electrical device of the same type when a new electrical device is bought (1:1 return). This also applies to home deliveries. These retailers must also take back up to three small old electrical devices (≤ 25cm) without this being linked to a new purchase (0:1 return). In accordance with the Electrical and Electronic Equipment Act, as online retailers of electrical devices and due to our product range, our obligation is limited to 1:1 return of large devices of > 50 cm when selling a new elec-trical or electronic device of the same type. We comply with the obligation of return of devices other than large devices through our service provider. You can find the exact contact data and collection points on our website www.Teufel.de/entsorgung. It is also possible to return old electrical and electronic appliances free of charge at an official delivery point run by the public waste disposal authorities.
Important: For safety reasons we ask that you refrain from sending lighting fixtures (some lamps). For return of lighting fixtures please use the public waste disposal collection points or contact us directly at
www.Teufel.de/entsorgung.
As an end-user, you are responsible for deleting any personal data on old elec-trical appliances before handing it in.
Important: Our appliances can contain batteries/rechargeable batteries. If this is the case, please refer to its attached product docu-mentation for additional information on the type and chemical make-up of the battery. For products with battery compartments you can directly remove the batteries or rechargeable batteries and dispose of them prop-erly. If the batteries are built in to the product, do not in any case attempt to remove the batteries yourself, instead contact one of our employees or appropriate specialist staff. Please contact our customer service department with any questions, sugges-tions, or complaints: Lautsprecher Teufel GmbH BIKINI Berlin, Budapester Straße 44 10787 Berlin (Germany)www.teufelaudio.com
- Phone: 00800 200 300 40 (toll-free)
- Fax: +49 (0)30 – 300 930 930
- Online-support:
- www.teufelaudio.com/service
- Contact:
- www.teufelaudio.com/service
No responsibility is assumed for the correctness of this information. Technical changes, typographical errors and other errors reserved. Manual no. 195540_EN_20220128_V2.0




























