BAS-SVN212C-EN Symbio 210 Programmable VAV Controller
Instruction Manual
BAS-SVN212C-EN Symbio 210 Programmable VAV Controller
Installation Instructions
Symbio™ 210 Programmable VAV Controller
The Symbio 210 programmable VAV controller can be used for such applications as:
- Space temperature control
- Flow tracking
- Ventilation flow control
Packaged Contents
- One (1) Symbio 210 Programmable VAV controller
Important: Visually inspect contents for obvious defects or damage. All components have been thoroughly inspected before leaving the factory. Any claims for damage incurred during shipment should be filed immediately with the carrier.
SAFETY WARNING
Only qualified personnel should install and service the equipment. The installation, starting up, and servicing of heating, ventilating, and air-conditioning equipment can be hazardous and requires specific knowledge and training. Improperly installed, adjusted or altered equipment by an unqualified person could result in death or serious injury. When working on the equipment, observe all precautions in the literature and on the tags, stickers, and labels that are attached to the equipment.
Warnings, Cautions, and Notices
Read this manual thoroughly before operating or servicing this unit. Safety advisories appear throughout this manual as required. Your personal safety and the proper operation of this machine depend upon the strict observance of these precautions.
The three types of advisories are defined as follows:
WARNING
Indicates a potentially hazardous situation which, if not avoided, could result in death or serious injury.
CAUTION
Indicates a potentially hazardous situation which, if not avoided, could result in minor or moderate injury. It could also be used to alert against unsafe
NOTICE
Indicates a situation that could result in equipment or property-damage only accidents.
Important Environmental Concerns
Scientific research has shown that certain man-made chemicals can affect the earth’s naturally occurring stratospheric ozone layer when released to the atmosphere. In particular, several of the identified chemicals that may affect the ozone layer are refrigerants that contain Chlorine, Fluorine and Carbon (CFCs) and those containing Hydrogen, Chlorine, Fluorine and Carbon (HCFCs). Not all refrigerants containing these compounds have the same potential impact to the environment. Trane advocates the responsible handling of all refrigerants-including industry replacements for CFCs such as HCFCs and HFCs.
Important Responsible Refrigerant Practices
Trane believes that responsible refrigerant practices are important to the environment, our customers, and the air conditioning industry. All technicians who handle refrigerants must be certified according to local rules. For the USA, the Federal Clean Air Act (Section 608) sets forth the requirements for handling, reclaiming, recovering and recycling of certain refrigerants and the equipment that is used in these service procedures. In addition, some states or municipalities may have additional requirements
that must also be adhered to for responsible management of refrigerants. Know the applicable laws and follow them.
WARNING
Proper Field Wiring and Grounding Required!
Failure to follow code could result in death or serious injury. All field wiring MUST be performed by qualified personnel. Improperly installed and grounded field wiring poses FIRE and ELECTROCUTION hazards. To avoid these hazards, you MUST follow requirements for field wiring installation and grounding as described in NEC and your local/state electrical codes.
WARNING
Personal Protective Equipment Required!
Installing/servicing this unit could result in exposure to electrical, mechanical and chemical hazards. Before installing/servicing this unit, technicians MUST put on all Personal Protective Equipment (PPE) recommended for the work being undertaken. ALWAYS refer to appropriate SDS sheets and OSHA guidelines for proper PPE. When working with or around hazardous chemicals, ALWAYS refer to the appropriate SDS sheets and OSHA guidelines for information on allowable personal exposure levels, proper respiratory protection and handling recommendations. If there is a risk of arc or flash, technicians MUST put on all necessary Personal Protective Equipment (PPE) in
accordance with NFPA70E for arc/flash protection PRIOR to servicing the unit. Failure to follow recommendations could result in death or serious injury.
WARNING
Follow EHS Policies!
Failure to follow instructions below could result in death or serious injury.
- All Trane personnel must follow the company’s Environmental, Health and Safety (EHS) policies when performing work such as hot work, electrical, fall protection, lockout/tagout, refrigerant handling, etc. Where local regulations are more stringent than these policies, those regulations supersede these policies.
- Non-Trane personnel should always follow local regulations.
Ordering Numbers
| Order Number | Description |
| BMSY210AAA0100011 | Symbio 210 MS/TP Programmable VAV Controller with no actuator |
| BMSY210AAAOT00011* | Symbio 210 MS/TP Programmable VAV Controller with Trane actuator |
| BMSY210AAA0B00011* | Symbio 210 MS/TP Programmable VAV Controller with Belimo actuator |
| BMSY210ACAOT00011* | Symbio 210 MS/TP Programmable Bypass Controller with Trane actuator |
| BMSY210ACAOT10011* | Symbio 210 MS/TP Programmable Bypass Controller with Trane actuator and duct temperature sensor |
| BMSY210VTAOT01011* | Symbio 210 MS/TP Programmable Zone Damper Controller with Trane actuator and no pressure sensor |
| BMSY210VTA0101011 | Symbio 210 MS/TP Programmable Zone Damper Controller with no actuator and no pressure sensor |
| BMSY210AAAOT00111* | Symbio 210e IP Programmable VAV Controller with Trane actuator |
| BMSY210AAA0B00111* | Symbio 210e IP Programmable VAV Controller with Belimo actuator |
| BMSY210AAA0100111 | Symbio 210e IP Programmable VAV Controller with no actuator |
| 501897940100 | VAV controls metal enclosure |
*These controllers must be installed in a metal enclosure to meet UL2043 plenum rating.
Agency Compliance
- UL916 PAZX- Open Energy Management Equipment
- UL94-5V Flammability
- CE Marked
- FCC Part 15, Subpart B, Class B Limit
- VCCI-CSPR 32:2016
- CAN ICES-003(B)/NMB-003(B)
- Communications BACnet MS/TP, BACnet IP, or BACnet Zigbee (Air-Fi).
The Symbio 210 is BACnet Testing Laboratory (BTL) certified to revision 15 of the ASHRAE BACnet-135 standard as an Advanced Application Controller (AAC) profile device. - The European Union (EU) Declaration of Conformity is available from your local Trane® office.
Additional Resources
For more detailed information about configuration, sequence of operation, and programming, refer to the Symbio 210 Programmable Controller Installation, Operation, and Maintenance manual (BAS-SVX084-EN).
Storage and Operating Specifications
| Storage | |
| Temperature: | -67°F to 203°F (-55°C to 95°C) |
| Humidity: | 5% to 95% (non-condensing) |
| Operating | |
| Temperature: | -40°F to 122°F (-40°C to 50°C) |
| Humidity: | 5% to 95% (non-condensing) |
| Mounting weight: | (without actuator) 0.88 lbs. (0.40kg.) (with actuator) 1.60 lbs (0.73 kg.) |
| Power | 20.4 – 27.6 Vac, (24 Vac +/- 15% nominal, 50-60 Hz) For specifics on transformer sizing, see BAS-SVX084. |
| Storage | |
| Environmental Rating (Enclosure): | NEMA 1 |
| Pollution: | U.L. 840: Degree 2 |
Dimensions
Figure 1. Symbio 210 controller with actuator
Figure 2. Symbio 210 controller without actuator
Note: Symbio 210e is the same dimensions as the Symbio 210.
Mounting the Controller
Note: Mounting inside an enclosure is recommended. Sheet metal screws for mounting the enclosureare not supplied.
- If using a metal enclosure, mount the enclosure to the VAV box using self-tapping sheet metal screws. The mounting holes are provided on the controller base.
Important: If the kit includes a damper control actuator, insert the actuator shaft through the hole in the base and through the actuator shaft coupling. If the kit does not include a damper control actuator, secure a locallysupplied actuator to the damper shaft and the VAV box. - Secure the controller to the enclosure or VAV box with the provided mounting screw, ensuring that the damper position and actuator position are aligned.
- Tighten the damper actuator coupling against the damper shaft.
Removing the Actuator from the Controller
Refer to Figure 3.
- Using needle-nose pliers, remove the black rivets located on the back side of the controller by squeezing and pulling with the pliers.
- Remove the actuator by pulling the top away from the plastic enclosure and sliding the bottom off of the mounting clip.
Figure 3. Back side of Symbio 210 controller 
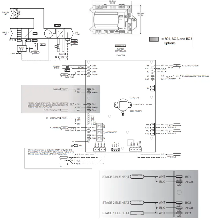
Input/Output Terminal Wiring
The input/output wiring terminations for the Symbio 210 controller are a combination of fixed and configurable points. Unused points can be used by the network or as additional programming added to the Symbio 210. In all cases, the input/output terminal wiring must meet the following requirements:
- All wiring must be in accordance with NEC™ and local codes.
- Use only 18–22 AWG, stranded, tinned-copper, twisted-pair wire.
- Binary input and output wiring should be a maximum length of 300 ft (100 m).
- Analog input wiring should be a maximum length of 300 ft (100 m).
- Do not run input/output wires in the same wire bundle with AC power wires.
- A pressure sensor can be connected to up to 300 feet of tubing.
- A pressure sensor can be connected to up to 60 feet of wire.
Refer to the next section for descriptions of inputs/outputs. for detailed information beyond what is provided in this document, refer to the Symbio 210 Programmable Controller Installation, Operation, and Maintenance Manual (BAS-SVX084-EN).
Inputs and Outputs
Analog Inputs 1 through 3
Note: Configuration options when used as spare; 10k ohms thermistor, 0 to1k ohms linear setpoint, 200 ohms to 20k ohms linear.
- AI1: Space temperature; thermistor: 10k ohms @77°F (25°C) range: 32°F to 122°F (0°C to 50°C)
- AI2: Space setpoint; potentiometer: 1kohms from 50 to 90°F (10 to 32.2°C), */** (thumbwheel) functionality supported
- AI3: Discharge air temperature: 10k ohms @77°F (25°C) from -40°F to212°F (-40 to 100°C)
Pressure Input P1
- P1: Supply air flow; pressure transducer: From 0 to 5 in. water column (0to 1240 Pa)
Note: Labeled as “FLOW”
Analog Outputs/Binary Inputs AO1/BI2 and AO2/BI3
Note: Configuration options when used a spare; Voltage output is 0 to 10 VDC,500 ohm min impedance. Current output is 4 – 20 mA, 500 ohms max impedance. Binary input is dry contact closure.
- AO1/BI2: ECM
- AO2/BI3: SCR Heat/Water Valve Signal
Universal Inputs UI1 and UI2
Note: Configuration options when used as spare; resistive/thermistor inputs, 10 Vdc inputs, or 4–20mA inputs. Current mode impedance is 125 ohms.
- UI1: Relative Humidity
- UI2: CO2
Binary Input BI1, Dry Contact
- BI1: Occupancy
Binary Outputs 1 through 5
Note: 0.5A Resistive Maximum Rating
- BO1: Heat stage 3 TRIAC
- BO2: Heat stage 2/Water Valve Close TRIAC
- BO3: Heat stage 1/Water Valve Open TRIAC
- BO4: Air Damper Open TRIAC
- BO5: Air Damper Close TRIAC
Communication Link Wiring
The Symbio 210 controller communicates with the building automation system (BAS) and with other controllers over a BACnet® MS\TP, BACnet IP, or BACnet Zigbee (AirFi) communication links.
For instructions on BACnet MS\TP communication wiring, refer to the BACnet Best Practices and Troubleshooting Guide (BAS-SVX51-EN).
A/C Power Wiring
Prior to connecting AC power to the controller:
- All wiring must comply with National Electrical Code™(NEC) and local codes.
- The recommended wire for AC power is 16 AWG copper wire, minimum.
- Refer to the next section for Transformer Recommendations.
WARNING
Hazardous voltage!
Disconnect all electric power, including remote disconnects before servicing.
Follow proper lockout/tagout procedures to ensure the power cannot be inadvertently energized. Failure to disconnect power before servicing could result in death or serious injury..
CAUTION
Injury and equipment damage!
Make sure that the 24 Vac transformer is properly grounded. Failure to do so may result in personal injury and/or damage to equipment.
CAUTION
Equipment damage!
Complete input/output wiring before applying power to the controller. Failure to do so may cause damage to the controller or power transformer due to inadvertent connections to power circuits. Do not share 24 Vac between controllers. Failure to do so may cause controller damage.
Transformer Recommendations
The Symbio 210 is powered with 24 Vac.
- AC transformer requirements; U.L. listed, Class 2 power transformer, 24 Vac ±15%. The transformer must be sized to provide adequate power to the Symbio 210 controller and inputs/outputs. Refer to the Symbio 210 Programmable Controller Installation, Operation, and Maintenance manual BAS-SVX084-EN for details on sizing.
- CE-compliant installations; the transformer must be CE marked and SELV compliant per IEC Standards.
NOTICE
Avoid Equipment Damage!
Sharing 24 Vac power between controllers could cause equipment damage. A separate transformer is recommended for each Symbio 210. The line input to the transformer must be equipped with a circuit breaker sized to handle the maximum transformer line current. If a single transformer is shared by multiple Symbio 210 units, then:
- The transformer must have sufficient capacity.
- Polarity must be maintained for every Symbio 210 powered by the transformer.
Important: If a technician inadvertently reverses polarity between controllers powered by the same transformer, a difference of 24 Vac will occur between the grounds of each controller.
The following symptoms could result:
- Partial or full loss of communication on the entire communication link.
- Improper function of Symbio 210 outputs.
- Damage to the transformer or a blown transformer fuse.
Connecting power to the controller (refer to the illustration below)
Trane – by Trane Technologies (NYSE: TT), a global climate innovator – creates comfortable, energy efficient indoor environments for commercial and residential applications. For more information, please visit trane.com or tranetechnologies.com. Trane has a policy of continuous product and product data improvement and reserves the right to change design and specifications without notice. We are committed to using environmentally conscious print practices.
©2021 Trane
BAS-SVN212C-EN 24 Nov 2021
Supersedes BAS-SVN212B-EN (Jun 2021)



















