DVP-SV2
Instruction Sheet
Compact , Multi-Functional ,Multiple Instructions
DVP-0290030-01
20230316
Thank you for choosing Delta DVP-SV2. The SV2 is a 28-point (16 inputs + 12 outputs)/24-point (10 inputs + 12 outputs + 2 analog input channels) PLC MPU, offering various instructions and with 30k steps program memory, able to connect to all Slim type
series extension models, including digital I/O (max. 512 points), analog modules (for A/D, D/A conversion and temperature measurement) and all kinds of high-speed extension modules. 4 groups of high-speed (200 kHz) pulse outputs (and two axes which generate 10 kHz outputs in 24SV2) and 2 two-axis interpolation instructions satisfy all kinds of applications. DVP-SV2 is small in size and easy to install.
DVP-SV2 is an OPEN-TYPE device. It should be installed in a control cabinet free of airborne dust, humidity, electric shock and vibration. To prevent non-maintenance staff from operating DVP-SV2, or to prevent an accident from damaging DVP-SV2, the control cabinet in which DVP-SV2 is installed should be equipped with a safeguard. For example, the control cabinet in which DVP-SV2 is installed can be unlocked with a special tool or key.
DO NOT connect AC power to any of I/O terminals, otherwise serious damage may occur. Please check all wiring again before DVP-SV2 is powered up. After DVP-SV2 is disconnected, Do NOT touch any terminals in a minute. Make sure that the ground terminal
on DVP-SV2 is correctly grounded in order to prevent electromagnetic interference.
Product Profile

Electrical Specifications
| Model /Item | DVP28SV11R2 | DVP24SV11T2 DVP28SV11T2 | DVP28SV11S2 |
| Power supply voltage | 24VDC (-15% ~ 20%) (with counter-connection protection on the polarity of DC input power) | ||
| Inrush current | Max. 2.2A@24VDC | ||
| Fuse capacity | 2.5A/30VDC, Polyswitch | ||
| Power consumption | 6W | ||
| Insulation resistance | > 5MΩ (all I/O point-to-ground: 500VDC) | ||
|
Noise immunity | ESD (IEC 61131-2, IEC 61000-4-2): 8kV Air Discharge EFT (IEC 61131-2, IEC 61000-4-4): Power Line: 2kV, Digital I/O: 1kV, Analog & Communication I/O: 1kV Damped-Oscillatory Wave: Power Line: 1kV, Digital I/O: 1kV RS (IEC 61131-2, IEC 61000-4-3): 26MHz ~ 1GHz, 10V/m Surge(IEC 61131-2, IEC 61000-4-5) : DC power cable: differential mode ±0.5 kV | ||
| Grounding | The diameter of grounding wire shall not be less than that of the wiring terminal of the power. (When PLCs are in use at the same time, please make sure every PLC is properly grounded.) | ||
| Operation / storage | Operation: 0ºC ~ 55ºC (temperature); 5 ~ 95% (humidity); pollution degree 2 Storage: -25ºC ~ 70ºC (temperature); 5 ~ 95% (humidity) | ||
| Agency approvals | UL508 European community EMC Directive 89/336/EEC and Low Voltage Directive 73/23/EEC | ||
| Vibration / shock immunity | International standards: IEC61131-2, IEC 68-2-6 (TEST Fc)/IEC61131-2 & IEC 68-2-27 (TEST Ea) | ||
| Weight (g) | 260 | 240 | 230 |
| Input Point | |||
| Spec. /Items | 24VDC single common port input | ||
| 200kHz | 10kHz | ||
| Input No. | X0, X1, X4, X5, X10, X11, X14, X15#1 | X2, X3, X6, X7, X12, X13, X16, X17 | |
| Input voltage (±10%) | 24VDC, 5mA | ||
| Input impedance | 3.3kΩ | 4.7kΩ | |
| Action level | Off⭢On | > 5mA (16.5V) | > 4mA (16.5V) |
| On⭢Off | < 2.2mA (8V) | < 1.5mA (8V) | |
| Response time | Off⭢On | < 150ns | < 8μs |
| On⭢Off | < 3μs | < 60μs | |
| Filter time | Adjustable within 10 ~ 60ms by D1020, D1021 (Default: 10ms) | ||
Note: 24SV2 does not support X12~X17.
#1: For products with a hardware version later than A2, the inputs X10, X11, X14, X15 should be operated at the 200kHz rate. The firmware + hardware version can be found on the sticker label of the product, e.g. V2.00A2.
| Output Point | ||||
| Spec. /Items | Relay | Transistor | ||
| High-speed | Low-speed | |||
| Output No. | Y0 ~ Y7, Y10 ~ Y13 | Y0 ~ Y4, Y6 | Y5, Y7, Y10 ~ Y13 | |
| Max. frequency | 1Hz | 200kHz | 10kHz | |
| Working voltage | 250VAC, < 30VDC | 5 ~ 30VDC #1 | ||
| Max. load | Resistive | 1.5A/1 point (5A/COM) | 0.3A/1 point @ 40˚C | |
| Max. load | Inductive | #2 | 9W (30VDC) | |
| Lamp | 20WDC/100WAC | 1.5W (30VDC) | ||
| Response time | Off⭢On | Approx. 10ms | 0.2μs | 20μs |
| On⭢Off | 0.2μs | 30μs | ||
#1: For a PNP output model, UP and ZP must be connected to a 24VDC (-15% ~ +20%) power supply. The rated consumption is 10mA/point.
#2: Life curves 
| Specifications for analog inputs (Only applicable to DVP24SV11T2) | ||
| Voltage input | Current input | |
| Analog input range | 0 ~ 10V | 0 ~ 20mA |
| Digital conversion range | 0 ~ 4,000 | 0 ~ 2,000 |
| Resolution | 12-bit (2.5mV) | 11-bit (10uA) |
| Input impedance | > 1MΩ | 250Ω |
| Overall accuracy | ±1% of full scale within the range of PLC operation temperature | |
| Response time | 2ms (It can be set by means of D1118.) #1 | |
| Absolute input range | ±15V | ±32mA |
| Digital data format | 16-bit 2’s complement (12 significant bits) | 16-bit 2’s complement (11 significant bits) |
| Average function | Provided (It can be set by means of D1062) #2 | |
| Isolation method | No isolation between digital circuits and analog circuits | |
#1: If the scan cycle is longer than 2 milliseconds or greater than the setting value, the scan cycle is given preference.
#2: If the value in D1062 is 1, the present value is read.
I/O Configuration
| Model | Power | Input | Output | I/O configuration | |||||
| Point | Type | Point | Type | Relay | Transistor (NPN) | Transistor (PNP) | |||
| 28SV | 24SV2 | ||||||||
| DVP28SV11R2 | 24 VDC | 16 | DC (S in k Or Source) | 12 | Relay | ||||
| DVP28SV11T2 | 16 | 12 | Transistor (NPN) | ||||||
| DVP24SV11T2 | 10 | 12 | |||||||
| DVP28SV11S2 | 16 | 12 | Transistor (PNP) | ||||||
Installation

Please install the PLC in an enclosure with sufficient space around it to allow heat dissipation. See [Figure 5].
- Direct Mounting: Use M4 screw according to the dimension of the product.
- DIN Rail Mounting: When mounting the PLC to 35mm DIN rail, be sure to use the retaining clip to stop any side-to-side movement of the PLC and reduce the chance of wires being loose. The retaining clip is at the bottom of the PLC. To secure the PLC to
DIN rail, pull down the clip, place it onto the rail and gently push it up. To remove the PLC, pull the retaining clip down with a flat screwdriver and gently remove the PLC from DIN rail. See [Figure 6].
Wiring
- Use 26-16AWG (0.4~1.2mm) single or multiple core wire on I/O wiring terminals. See the figure in the right hand side for its specification. PLC terminal screws should be tightened to 2.00kg-cm (1.77 in-lbs) and please use only 60/75ºC copper conductor.

- DO NOT wire empty terminal. DO NOT place the I/O signal cable in the same wiring circuit.
- DO NOT drop tiny metallic conductor into the PLC while screwing and wiring. Tear off the sticker on the heat dissipation hole for preventing alien substances from dropping in, to ensure normal heat dissipation of the PLC.
Power Supply
The power input of DVP-SV2 is DC. When operating DVP-SV2, note the following points:
- The power is connected to two terminals, 24VDC and 0V, and the range of power is 20.4 ~ 28.8VDC. If the power voltage is less than 20.4VDC, the PLC will stop running, all outputs go “Off”, and the ERROR LED indicator will start to blink continuously.
- The power shutdown for less than 10ms will not affect the operation of the PLC. However, the shutdown time that is too long or the drop of power voltage will stop the operation of the PLC, and all outputs will go off. When the power returns to normal
status, the PLC will automatically resume the operation. (Please take care of the latched auxiliary relays and registers inside the PLC when doing the programming).
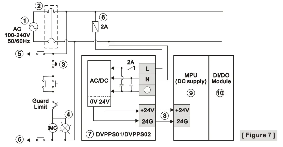
Safety Wiring
Since DVP-SV2 is only compatible with DC power supply, Delta’s power supply modules (DVPPS01/DVPPS02) are the suitable power supplies for DVP-SV2. We suggest you install the protection circuit at the power supply terminal to protect DVPPS01 or
DVPPS02. See the figure below.
- AC power supply: 100 ~ 240VAC, 50/60Hz
- Breaker
- Emergency stop: This button cuts off the system power supply when accidental emergency takes place.
- Power indicator
- AC power supply load
- Power supply circuit protection fuse (2A)
- DVPPS01/DVPPS02
- DC power supply output: 24VDC, 500mA
- DVP-PLC (main processing unit)
- Digital I/O module
Input Point Wiring
There are 2 types of DC inputs, SINK and SOURCE. (See the example below. For detailed point configuration, please refer to the specification of each model.)
DC Signal IN – SOURCE mode
Input point loop equivalent circuit 
DC Signal IN – SINK mode
Input point loop equivalent circuit
Output Point Wiring
- DVP-SV2 has two output modules, relay and transistor. Be aware of the connection of shared terminals when wiring output terminals.
- Output terminals, Y0, Y1, and Y2, of relay models use C0 common port; Y3, Y4, and Y5 use C1 common port; Y6, Y7, and Y10 use C2 common port; Y11, Y12, and Y13 use C3 common port. See [Figure 10].
When the output points are enabled, their corresponding indicators on the front panel will be on. - The output terminals Y0 and Y1 of the transistor (NPN) model are connected to the common terminals C0. Y2 and Y3 are connected to the common terminal C1. Y4 and Y5 are connected to the common terminal C2. Y6 and Y7 are connected to the
common terminal C3. Y10, Y11, Y12, and Y13 are connected to the common terminal C4. See [Figure 11a]. The output terminals Y0~Y7 on the transistor (PNP) model are connected to the common terminals UP0 and ZP0. Y10~Y13 are connected to the common terminals UP1 and ZP1. See [Figure 11b].
- Isolation circuit: The optical coupler is used to isolate signals between the circuit inside PLC and input modules.
Relay (R) output circuit wiring 
- DC power supply
- Emergency stop: Uses external switch
- Fuse: Uses 5~10A fuse at the shared terminal of output contacts to protect the output circuit
- Transient voltage suppressor (SB360 3A 60V): Extends the life span of contact.
1. Diode suppression of DC load: Used when in smaller power [Figure 13] 2. Diode + Zener suppression of DC load: Used when in larger power and frequent On/Off [Figure 14] - Incandescent light (resistive load)
- AC power supply
- Manually exclusive output: For example, Y3 and Y4 control the forward running and reverse running of the motor, forming an interlock for the external circuit, together with the PLC internal program, to ensure safe protection in case of any unexpected errors.
- Neon indicator
- Absorber: Reduces the interference on AC load [Figure 15]
Transistor output circuit wiring 
- DC power supply
- Emergency stop
- Circuit protection fuse
- The output of the transistor model is “open collector”. If Y0/Y1 is set to pulse output, the output current has to be bigger than 0.1A to ensure normal operation of the model.
1. Diode suppression: Used when in smaller power [Figure 19] and [Figure 20] 2. Diode + Zener suppression: Used when in larger power and frequent On/Off [Figure 21] [Figure 22] - Manually exclusive output: For example, Y2 and Y3 control the forward running and reverse running of the motor, forming an interlock for the external circuit, together with the PLC internal program, to ensure safe protection in case of any unexpected errors.
A/D External Wiring (For DVP24SV11T2 Only) 
BAT.LOW LED Indicator
After the 24 V DC power is switched off, the data in the latched area will be stored in the SRAM memory, and the rechargeable battery will supply power to the SRAM memory.
Therefore, if the battery is damaged or cannot be charged, the data in the program and latched area will be lost. If you need to permanently store the data in the program and latched data register, please refer to the mechanism of storing the data in the Flash
ROM permanently and the mechanism of restoring the data in Flash ROM stated below.
Mechanism of storing the data in the Flash ROM permanently:
You can use WPLSoft (Options -> PLC<=>Flash) to indicate whether to permanently store the data in the latched area in Flash ROM memory (the new indicated data will replace all data previously saved in the memory).
Mechanism of restoring the data in Flash ROM:
If the rechargeable battery is in low voltage, resulting in possible loss of data in the program, the PLC will automatically restore the data in the latched area in the program and device D of Flash ROM into SRAM memory (M1176 = On) next time when DC24V is
re-powered. The ERROR LED flashing will remind you that if the recorded program is able to resume its execution. You only need to shut down and re-power the PLC once to restart its operation (RUN).
- The rechargeable lithium-ion battery in DVP-SV2 is mainly used on the latched procedure and data storage.
- The lithium-ion battery has been fully charged in the factory and is able to retain the latched procedure and data storage for 6 months. If DVP-SV2 has not been powered for less than 3 months, the life of the battery does not decrease. To prevent the electricity emitted by the battery from resulting in short life of the battery, before disconnecting DVP-SV2 for a long time, you need to power DVP-SV2 for 24 hours to charge the battery.
- If the lithium-ion battery is put in an environment in which temperature is above 40 C,or if it is charged for more than 1000 times, its effect becomes bad, and the time for o which the data can be stored is less than 6 moths.
- The lithium-ion battery is rechargeable, and has a longer life span than an ordinary battery. However, it still has its own life cycle. When the power in the battery is not sufficient to retain the data in the latched area, please send it to the distributor for repair.
- Please be aware of the date of manufacturing. The charged battery can sustain for 6 months from its date of manufacture. If you find that the BAT.LOW indicator stays on after PLC is powered, it means the battery voltage is low and the battery is being charged. DVP-SV2 has to remain on for more than 24 hours to fully charge the battery. If the indicator turns from on to “flash” (every 1 second), it means that the battery cannot be charged anymore. Please correctly process your data in time and send the PLC back to the distributor for repair.
Accuracy (second /month) of RTC
| Temperature (ºC/ºF) | 0/32 | 25/77 | 55/131 |
| Max. inaccuracy (second) | -117 | 52 | -132 |

When the output points are enabled, their corresponding indicators on the front panel will be on.


















