veratron a2c15519300 Indicateurs 52 mm Diameter Circular Hole

Before assembly
NOTICE: short circuit. Cable burning, battery explosion. Remove the ignition key and detach the battery negative pole terminal. Refer to the safety instructions on the back of this sheet.
NOTICE: place the device at least 300 mm away from any magnetic compass.
Take into account that the device must be connected to an OceanLink master device and/or other OceanLink 52 mm gauges (maximum 20 gauges in a daisy chain per master).

Assembly with spinlock
- Create an 52 mm diameter circular hole considering the device dimensions [A].
- Remove the spinlock and insert the device from the front [B].
- Adjust the spinlock as illustrated in figure [C].
- Thread the cables in the spinlock and carefully screw it in at least two turns.
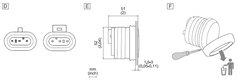
- Connect the connectors. Isolate the free EasyLink connector [D] in the last daisy chain gauge.

Flush mounting
Note: the assembly kit is not supplied.
- Create a 49 mm diameter circular hole considering the device dimensions [E].
- Remove the spinlock.
- Remove the bezel using a screwdriver [F]. Note: the bezel cannot be used after removal since damaged.
- Insert the device [G].
- Secure the device with the assembly kit accessories. See example [H].
- Connect the connectors. Isolate the free EasyLink connector in the last daisy chain gauge.

Box contents
- 52 mm gauge
- These instructions with safety instructions
Note: for more information on available accessories, refer to the accessory catalog or visit www.vdo-marine.com.
No Smoking! No open fire or heat sources!
Safety information
- The product was developed, manufactured and inspected according to the basic safety requirements of EC Guidelines and state-of-the-art technology.
- The unit is designed for use in the leisure marine market.
- The unit is designed for use in grounded vehicles and machines as well as in nautical sports, including non-classified commercial shipping.
- Use our product only as intended. Use of the product for reasons other than its intended use may lead to personal injury, property damage or environmental damage. Before installation, check the vehicle documentation for vehicle type and any possible special features!
- Use the assembly plan to learn the location of the fuel/hydraulic/compressed air and electrical lines!
- Note possible modification to the vehicle, which must be considered during installation!
- To prevent personal injury, property damage or environmental damage, basic knowledge of motor vehicle/shipbuilding electronics and mechanics is required.
- Make sure that the engine cannot start unintentionally during installation!
- Modifications or manipulations to the VDO product can affect safety. Consequently, you may not modify or manipulate the product!
- When removing/installing seats, covers, etc., ensure that lines are not damaged and plug-in connections are not loosened!
- Note all data from other installed units with volatile electronic memories.
Safety during installation:
- During installation, ensure that the product’s components do not affect or limit vehicle functions. Avoid damaging these components!
- Only install undamaged parts in a vehicle!
- During installation, ensure that the product does not impair the field of vision and that it cannot impact the driver’s or passenger’s head!
- A specialized technician should install the product. If you install the product yourself, wear appropriate work clothing. Do not wear loose clothing, as it may get caught in moving parts. Protect long hair with a hair net.
- When working on the on-board electronics, do not wear metallic or conductive jewelry such as necklaces, bracelets, rings, etc.. If work on a running engine is required, exercise extreme caution. Wear only appropriate work clothing as you are at risk of personal injury, resulting from being crushed or burned.
- Before taking any action, disconnect the negative terminal on the battery, otherwise you risk a short circuit. If the vehicle is supplied by auxiliary batteries, you must also disconnect the negative terminals on these batteries! Short circuits can cause fires, battery explosions and damages to other electronic systems. Please note that when you disconnect the battery, all volatile electronic memories lose their input values and must be reprogrammed.
- If working on gasoline boat motors, let the motor compartment fan run before beginning work.
- Pay attention to how lines and cable harnesses are laid so that you do not drill or saw through them!
- Do not choose to install the product in the mechanical and electrical airbag area!
- Do not drill holes or ports in load-bearing or stabilizing stays or tie bars!
- When working underneath the vehicle, secure it according to the specifications from the vehicle manufacturer.
- Note the necessary clearance behind the drill hole or port at the installation location. Required mounting depth: 65 mm.
- Drill small ports; enlarge and complete them, if necessary using taper milling tools, saber saw, keyhole saw or file. Debur edges. Follow the safety instructions of the tool manufacturer.
- Use only insulated tools, if work is necessary on live parts.
- Use only the multimeter or diode test lamps provided, to measure voltages and currents in the vehicle/machine or ship. Use of conventional test lamps can cause damage to control units or other electronic systems.
- The electrical indicator outputs and cables connected to them must be protected from direct contact and damage. The cables in use must have sufficient insulation and electric strength and the contact points must be safe from touch.
- Use appropriate measures to also protect the electrically conductive parts on the connected consumer from direct contact. Laying metallic, uninsulated cables and contacts is prohibited.
Safety after installation:
- Connect the ground cable tightly to the negative terminal of the battery.
- Reenter/reprogram the volatile electronic memory values.
- Check all functions.
- Use only clean water to clean the components. Note the Ingress Protection (IP) ratings (IEC 60529).
Electrical connection:
- Note cable cross-sectional area!
- Reducing the cable cross-sectional area leads to higher current density, which can cause the cable cross-sectional area in question to heat up!
- When installing electrical cable, use the provided cable ducts and harnesses, however, do not run cables parallel to ignition cables or to cables that lead to large electricity consumers.
- Fasten cables with cable ties or adhesive tape. Do not run cables over moving parts. Do not attach cables to the steering column!
- Ensure that cables are not subject to tensile, compressive or shearing forces.
- If cables are run through drill holes, protect them using rubber sleeves or the like.
- Use only one cable stripper to strip the cable. Adjust the stripper so that stranded wires are not damaged or separated.
- Only use a soft soldering process or commercially available crimp connector to solder new cable connections!
- Only make crimp connections with cable crimping pliers. Follow the safety instructions of the tool manufacturer.
- Insulate exposed stranded wires to prevent short circuits.
- Caution: Risk of short circuit if junctions are faulty or cables are damaged.
- Short circuits in the vehicle network can cause fires, battery explosions and damages to other electronic systems. Consequently, all power supply cable connections must be provided with weldable connectors and be sufficiently insulated.
- Ensure ground connections are sound.
- Faulty connections can cause short circuits. Only connect cables according to the electrical wiring diagram.
- If operating the instrument on power supply units, note that the power supply unit must be stabilized and it must comply with the following standard: DIN EN 61000, Parts 6-1 to 6-4.
Disclaimer:
The GPS Speed data (speed, course, position, time) is for information only. VDO does not guarantee the data to always be accurate, correct or available.
veratron AG / Industriestrasse 18, 9464 Rüthi, Switzerland – [email protected] – www.veratron.com



















