Sensors
EasySense Outboard-Mount for High Bay
Philips EasySense Outboard-Mount for High Bay
Quick Installation Guide
Philips EasySense SNH210 MC is a DLC-qualified network lighting control (NLC) solution for industrial high bay applications that connects with the Philips Advance Xitanium SR LED Drivers and works with the updated Philips field app MC.
EasySense quick guide
Wire to wire connection
SNH200 includes 18AWG wires, 60cm in length with 8mm strip length. A wire-to-wire connection can be made with connectors or wire nuts suitable for 18AWG solid wire.
The wire strip length in the case of a wire-to-wire connection is connector-dependent.
Note: Above depicts connecting wires from the sensor to Xitanium SR drivers that include connectors. For connection to Xitanium SR drivers that include leads, use wire nuts suitable for 18AWG solid wire.
Wire to driver connection
A connection between the sensor and the driver should be made according to local practices. The SR input wires of the EasySense for High Bay are not polarized for fixtures using one driver and one sensor, and therefore can be connected, without taking care of polarity, to the SR output of the driver SR+ and SR- terminals. It is recommended to keep the wire distance from the sensor to the driverless than 50 feet. Polarity must be maintained when connecting multiple drivers to one sensor.
The wire strip length in the case of the sensor to driver connection is ~8mm.
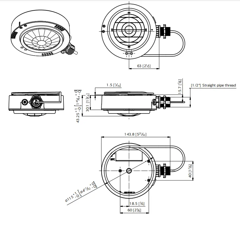
Sensor Dimensions, mm [in]
Mounting in a Luminaire
EasySense for High Bay is intended to be mounted to a standard ½” knockout available on the luminaire itself or a junction box. A nut is included with the sensor for this purpose. An OEM can develop custom brackets to attach to the top surface of the sensor in case the sensor needs to be mounted to a curved/non-flat surface. Mounting screws are provided with the sensor for this purpose. These screws are matched to the thickness of the plastic sensor housing and are the only screws approved for use. Also make sure that the view of the sensor is not blocked anywhere by the luminaire or the bracket to avoid loss of functionality.
SNS210 MC is commissioned using the Philips field app MC, available on both Android and iOS smartphones.
Occupancy Sensing Detection Pattern
The plots below show the top and side view of the occupancy coverage based on the NEMA test, an industry standard. In the side view, it is visible that the coverage ratio of height: diameter is 1:1. For example, if the mounting height is 12m, the diameter coverage is also 12m.
Disclaimer:
- In these plots, the white areas are blind spots and the detection is based on the subject’s motion. An idle subject may not continue to trigger occupancy detection once the hold time collapses.
- As PIR-based sensing works on the temperature difference between the subject and the ground level, the occupancy detection could vary due to the clothing and size of humans.
Special Note: Ensure heat-radiating devices are outside of the monitoring cone. Avoid drafts (e.g. from ventilators or heating systems).
Daylight Sensor
The light sensor measures the total amount of light with an opening angle of 10 degrees whereas the PIR has an angle of 30 degrees, all calculated from normal. The following aspects should be observed during installation:
- Minimum distance from the window: see graph below
- Prevent light reflections from outside entering the sensor (for example sunlight reflection on a car bonnet) as this will lead to incorrect light regulation.
As a guideline, the formula 0.174 x H can be used to calculate the minimum distance between the window and sensor whereby H is the height from the bottom of the window to the ceiling.
Note: Restrictions only for daylight regulation. No restrictions for skylights.
Configuration via Mobile App
Note: EasySense parameters can be configured via Philips field app MC which is available for both Apple and Android smartphones.
You must first download the Philips field app MC from either the Google Play Store or App Store, then register to receive a username and password. Refer to www.philips.com/easysense for details, including applicable phones and user manuals.
FCC and IC Statement
This device complies with part 15 of the FCC rules for the United States and Industry Canada (IC) license-exempt RSS standard(s). Operation is subject to the following two conditions: (1) This device may not cause harmful interference, and (2) this device must accept any interference received, including interference that may cause undesired operation. Any changes or modifications not expressly approved by Philips could void the user’s authority to operate this equipment. This product is intended for commercial use only.
This equipment should be installed and operated with a minimum distance of 20cm between the radiator and your body.
Sensor part number
| Commercial Product Name | Order Code |
| EasySense Outboard-Mount for High Bay | SNH210 MC |
Compatible LED drivers
The EasySense SNH210 MC is compatible with Xitanium SR drivers. To find the SR driver that fits your needs and for product specifications, please visit www.philips.com/xitanium/na
© 2021 Signify Holding. All rights reserved. The information provided herein is subject to change, without notice. Signify does not give any representation or warranty as to the accuracy or completeness of the information included herein and shall not be liable for any action in reliance thereon. The information presented in this document is not intended as any commercial offer and does not form part of any quotation or contract unless otherwise agreed by Signify.
Signify North America Corporation
200 Franklin Square Drive,
Somerset, NJ 08873
Telephone 855-486-2216
Signify Canada Ltd.
281 Hillmount Road,
Markham, ON, Canada L6C 2S3
Telephone 800-668-9008
Philips and the Philips Shield Emblem have registered trademarks of Koninklijke Philips N.V.
All other trademarks are owned by Signify Holding or their respective owners.



















