
Community R.15COAX Full-Range 2-Way Loudspeaker

FEATURES
- Excellent musicality and intelligibility, and low distortion in an extremely compact enclosure
- Weather-resistant, compact, matte finish paintable high impact ABS plastic modified-trapezoidal enclosure
- The hydrophobically-treated grille and LF driver cones, polymer HF diaphragm, and moisture-sealed crossover
- 120W Autoformer (standard), selectable 8 ohm or 70V/100V operation
- Corrosion-resistant dual-layer powder-coated low-profile steel yoke and aluminum grille.
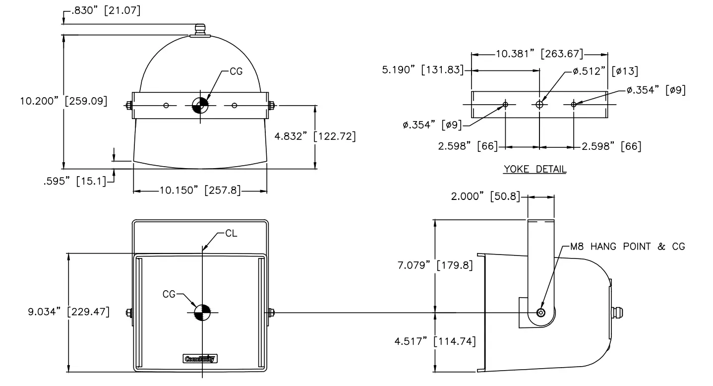
DIMISION
APPLICATIONS
- Theme and Amusement Parks
- Malls
- Stadiums Fairgrounds
- Outdoor Entertainment Centers Race Tracks
- Athletic Fields
- Swimming Pools Background Music / Voice Paging Systems Convention Centers
- Factories Multipurpose outdoor and indoor venues
DESCRIPTION
The R.15COAX is a two-way, full-range loudspeaker system designed to provide high-quality voice and music reproduction in applications requiring extreme weather resistance. It is designed to withstand long-term exposure to tough, environmental conditions and to provide performance normally associated only with indoor loudspeakers. The R.15COAX has a 1.25-inch (32mm) exit HF compression driver and an 6.5-inch (165mm) carbon ring cone LF driver. The HF assembly is coaxially mounted with the LF driver allowing wide 100° coverage with low distortion. The flange-less woofer basket design allows a cone area nearly equivalent to a typical 8-inch driver cone. The Music / Voice switch provides an “out-of-the-box” selectable response allowing for additional application flexibility. The design uses Biamp’s proprietary Tru-Phase™ high frequency compression driver phase plug to provide wide dispersion, low distortion and increased intelligibility. The enclosure is sealed to provide maximum vocal clarity and increased intelligibility. The sealed enclosure also provides supreme weather protection for all of the interior components. The R.15COAX carries a 5-year product warranty and a 15-year enclosure warranty.
TECHNICAL SPECIFICATIONS1
| Operating Mode | Passive, Selectable Low Impedance or 70V/100V | ||||
| Operating Environment | Indoor or Weather-Resistant Outdoor | ||||
| Operating Range2 | 90 Hz to 16 kHz | ||||
| Nominal Beamwidth (H x V) | 100° x 100° | ||||
| Transducers | LF 1 x 6.5″ (165mm) Carbon ring hydrophobic cone, 2″ (51mm) VC HF 1 x 1.25″ (32mm) exit, polymer diaphragm compression driver | ||||
| Continuous Power Handling3 @ Nominal Impedance | Passive | 35V | 150W @ 8 Ohms (600W peak) | ||
| Autoformer Taps | 70V: 120W, 60W, 30W, 15W 100V: 120W, 60W, 30W | ||||
| MUSIC | VOICE | ||||
| Nominal Sensitivity4 | Passive | @ 1W 94 dB | @ 2.83V 94 dB | @ 1W 95 dB | @ 2.83V 95 dB |
| Nominal Maximum SPL5 (Whole Space) | Passive | Peak 122 dB | Continuous 116 dB | Peak 123 dB | Continuous 117 dB |
| Equalized Sensitivity6 | System | @ 1W 94 dB | @ 2.83V 94 dB | ||
| Equalized Maximum SPL7 | System | Peak 122 dB | Continuous 116 dB | ||
| Required Accessories | High Pass Filter – 90 Hz, 24 dB /octave, Digital Signal Processor | ||||
| Recommended Amplifiers | Passive | 150W – 300W @ 8 Ohms, (35V – 49V) | |||
PHYSICAL
| Input Connection | NL4 Speakon-type connector and 2-position terminal strip for low impedance or constant voltage operation |
| Controls | 5-position tap selection / low impedance selector switch, Music / Voice switch |
| Mounting Points | Two (2) M8 rigging points |
| Included Accessories | Zinc-rich epoxy dual-layer powder-coated yoke, included integral safety cable mounting point |
| Environmental | IP55W per IEC 529, designed to MIL-STD-810G Color-matched ABS plastic input panel weather cover with 13.5mm ID gland nut installed in .82″ knockout |
| Dimensions H x W x D | 9.00″ x 10.15″ x 10.20″ (229 x 258 x 259 mm) |
| Weight | 17 lbs (7.7 kg) with included yoke |
| Finish | Refer to the Technical Drawing (page 3) |
OPTIONS
| Accessories | R-VTY15. Provides pan-tilt aiming functions. Zinc-rich dual-layer powder-coated steel with SS hardware, color-matched to the loudspeaker. |
AXIAL PROCESSED RESPONSE (dB)8
BEAMWIDTH (Degrees)12
AXIAL SENSITIVITY (dB SPL)9
DIRECTIVITY INDEX (dB)11
IMPEDANCE (Ohms)
ARCHITECTURAL SPECIFICATIONS
The loudspeaker system shall be a two-way, full-range modified trapezoidal design with one 6.5-inch (165mm) high-output LF driver and one 1.25-inch (32mm) exit HF driver mounted coaxially. Drivers shall be connected to an integral crossover with a crossover frequency of 1.3 kHz. The input connections shall be an NL4-type connector and a terminal strip. There is also a 2-position switch for voice or music applications and a selector switch for autoformer tap or low impedance operation. The system shall be equipped with a 120W high-performance autoformer for use in 70.7V or 100V distributed audio systems, with 120W, 60W, 30W and 15W taps available in 70.7V distributed systems (120W, 60W and 30W taps available in 100V distributed systems). The loudspeaker enclosure shall be matte finish high-impact ABS plastic with a 1mm perforated aluminum grille backed by hydrophobically-treated polyester mesh and open cell foam. There shall be two M8 rigging points, and an included dual-layer zinc-rich epoxy powder-coated steel mounting yoke. Integrated ribbing and internal reinforcements provide added structural support. The system shall have an operating range of 112 Hz to 19 kHz (-10 dB) and a low impedance (8 Ohm) input capability of 35V RMS. At the “Music” setting, it shall have a sensitivity on axis at 1W / 1m, 8 ohms nominal impedance, of 94 dB. At the “Voice” setting, it shall have a sensitivity at 1W / 1m, 8 ohms nominal impedance, of 95 dB. The nominal dispersion shall be 100° H x 100° V. The loudspeaker shall be 9″ (229mm) H (front) x 10.2″ (259mm) W x 10.2″ (259mm) D and shall weigh 17 lbs (7.7 kg) including the mounting yoke.
TECHNICAL DRAWING / DIMENSIONS / FINISH
- H x W x D
9.00″ x 10.15″ x 10.20″ (229 x 258 x 259 mm) - Unit Weight
17.0 lbs (7.7 kg) loudspeaker and mount - Shipping Weight
21 lbs (9.5 kg) - Grille:
Powder-coated perforated marine-grade aluminum backed with hydrophobically-treated mesh and foam backing. Grey (RAL#7038) or Black (RAL#9004) - Enclosure / Finish
Grey or Black matte paintable high-impact ABS
CONNECTION DIAGRAM
NOTES
- PERFORMANCE SPECIFICATIONS All measurements are taken indoor using a time-windowed and processed signal to eliminate room effects, approximating an anechoic environment, a distance of 6.0 m. All acoustic specifications are rounded to the nearest whole number. An external DSP with settings provided by Biamp is required to achieve the specified performance; further performance gains can be realized using the FIR loudspeaker optimization presets available in Biamp’s Community Loudspeaker Controllers (ALC Series).
- OPERATING RANGE The frequency range in which the on-axis processed response remains within 10dB of the average SPL.
- CONTINUOUS POWER HANDLING Maximum continuous input voltage (and the equivalent power rating, in watts, at the stated nominal impedance) that the system can withstand, without damage, for a period of 2 hours using an EIA-426-B defined spectrum; with recommended signal processing and protection filters.
- NOMINAL SENSITIVITY Averaged SPL over the operating range with an input voltage that would produce 1 Watt at the nominal impedance and the averaged SPL over the operating range with a fixed input voltage of 2.83V, respectively; swept sine wave axial measurements with no external processing applied in whole space, except where indicated.
- NOMINAL MAXIMUM SPL Calculated based on nominal/peak power handling, respectively, and nominal sensitivity; exclusive of power compression.
- EQUALIZED SENSITIVITY The respective SPL levels produced when an EIA-426-B signal is applied to the equalized loudspeaker system at a level which produces a total power of 1 Watt, in sum, to the loudspeaker subsections and also at a level which produces a total voltage, in sum, of 2.83V to the loudspeaker subsections, respectively; each referenced to a distance of 1 meter.
- EQUALIZED MAXIMUM SPL The SPL produced when an EIA-426-B signal is applied to the equalized loudspeaker system, at a level which drives at least one subsection to its rated continuous input voltage limit, referenced to a distance of 1 meter. The peak SPL represents the 2:1 (6dB) crest factor of the EIA-426-B test signal.
- AXIAL PROCESSED RESPONSE The on-axis variation in acoustic output level with frequency of the complete loudspeaker system with recommended signal processing applied. 1/6 octave Gaussian smoothing applied.
- AXIAL SENSITIVITY The on-axis variation in acoustic output level with frequency for a 1 Watt swept sine wave, referenced to 1 meter with no signal processing. 1/6 octave Gaussian smoothing applied.
- HORIZONTAL / VERTICAL OFF-AXIS RESPONSES The loudspeaker’s magnitude response at various angles off-axis, with recommended signal processing, applied in the operating mode which utilizes the largest number of individually amplified pass bands. 1/6 octave Gaussian smoothing applied.
- DIRECTIVITY INDEX The ratio of the on-axis SPL squared to the mean squared SPL at the samedistance for all points within the measurement sphere for each given frequency; expressed in dB.1/6 octave Gaussian smoothing applied.
- BEAMWIDTH The angle between the -6dB points in the polar response of the loudspeaker when driven in the operating mode which utilizes the largest number of individually amplified pass bands. 1/6 octave Gaussian smoothing applied. Data presented on this spec sheet represents a selection of the basic performance specifications for the R.15COAX. These specifications are intended to allow the user to perform a fair, straightforward evaluation and comparison with other loudspeaker spec sheets. For a detailed analysis of this loudspeaker’s performance, please download the GLL file and/or the CLF file from our website: biamp.com
CAUTION: Installation of loudspeakers should only be performed by trained and qualified personnel. It is strongly recommended that a licensed and certified professional structural engineer approve the mounting design.
FAQS
What are the two main functions of a speaker?
The speaker’s official role is to moderate debate, make rulings on procedure, announce the results of votes, and the like. The speaker decides who may speak and has the powers to discipline members who break the procedures of the chamber or house.
What makes a good public speaker?
Great speakers do not use waster words and only use words that add value to their message. The speak at a slower pace and pause to eliminate non-words, or filler words, like “um” and “so”. They are also mindful of to reduce redundancies. Great speakers and leaders know how to be clear and concise.
Are community loudspeakers good?
Community Loudspeakers are outstanding for applications such as indoor-outdoor public areas, sporting venues, stadiums, transportation hubs, arenas, parking lots, airports, malls, rail terminal stations, public buildings, parks, recreational areas, and more.
Why are Speakers important in an event?
A guest speaker can perform a number of different roles. They can energise a crowd, inspire them, support the event themes, add value by sharing insider knowledge, offer a new perspective, break up the more routine aspects of the event and entertain.
will this fit in 1966 mustang rear window?
Yes they will fix and they sound good
Are they for the rear or does it matter?
It shouldn’t matter if they are the same as your speakers they will fit. I got them for the rear roof of a 99 Tahoe
What is the dimension of grills and speakers?
4 in deep by 4 in across and 6 in wide
What is speaker communication?
Speech communication refers to the use of the oral medium of passing information, whether formally or informally, by a speaker to an audience.
What is the hardest part about public speaking?
The beginning is the hardest part when it comes to giving presentations. Having the full first minute of your presentation committed to memory will help you at the most critical moment.
What are public speaking challenges?
Failing to relate the material to the audience, maintaining eye contact and reading their expressions can negatively affect how your speech will be interpreted. Explaining how the material benefits listeners personally and using anecdotes attracts the audience’s attention.
What is speaker communication?
Speech communication refers to the use of the oral medium of passing information, whether formally or informally, by a speaker to an audience.
What is the hardest part about public speaking?
The beginning is the hardest part when it comes to giving presentations. Having the full first minute of your presentation committed to memory will help you at the most critical moment.
What are the skills of speaking?
A skilled speaker can use the sub-skills of pronunciation to emphasize and make the communicative effect of their speech more impactful. The sub skills of pronunciation include word and sentence stress, intonation, rhythm and the use of the individual sounds of a language.
What causes loss of speaking?
Aphasia usually happens suddenly after a stroke or a head injury. But it can also come on gradually from a slow-growing brain tumor or a disease that causes progressive, permanent damage (degenerative). The severity of aphasia depends on a number of things, including the cause and the extent of the brain damage
What are the skills of speaking?
A skilled speaker can use the sub-skills of pronunciation to emphasize and make the communicative effect of their speech more impactful. The sub skills of pronunciation include: word and sentence stress, intonation, rhythm and the use of the individual sounds of a language.



























