PARRY P9EOD Electric Oven Instruction Manual
Product Overview
The Parry P9EO fan assisted electric oven is versatile and powerful. The stainless steel exterior features a flat counter top, able to accommodate other products – hobs, griddles and bain maries, for example – as well as doubling as a worktop. The oven itself features two separate 2.5kW fan assisted elements, providing a total of 5kW of cooking power. The stainless steel construction and castors ensure the unit is durable and easy to clean, while the simple dial controls and side hinged doors make it incredibly user friendly. The P9EODoven is simply two P9EO models stacked on top of one another.
| Features | P9EO | P9EOD |
| Unpacked Weight (kg) | 45 | 90 |
| Dimensions (w x d x h) mm | 900 x 815 x 700 | 900 x 815 x 1400 |
| Plug | Hard wired | Hard wired |
| Power Rating | 5kW | 2 x 5kW |
| Warranty | 2 years | 2 years |
Please note: P9EOD is factory assembled and comes with base unit with locating pins in position and top unit without castors.
It leads the industry in:
- Design and aesthetic appeal
- Performance
- Power
- Functionality
- After sales support
Safety Instructions
IMPORTANT: PLEASE READ INSTRUCTIONS FULLY BEFORE USE
Please be aware that surfaces on this machine may get very hot during, and after use.
ALL APPLIANCES OTHER THAN THOSE FITTED WITH A SEALED MOULDED PLUG MUST BE FITTED BY A QUALIFIED ELECTRICIAN, IN ACCORDANCE WITH CURRENT REGULATIONS.
The unit should be installed in compliance with the INSTALLATION INSTRUCTIONS and the NATIONAL REGULATIONS in force at the time. Particular attention should be paid to the Health and Safety at Work Act.
To prevent shocks, all appliances whether gas or electric, must be earthed.
To avoid scratching the highly polished exterior surface of this equipment whilst in transit, the protective film on the exterior surfaces has NOT been removed.
It is IMPORTANT that this protective film is peeled off before the equipment is used.
ENSURE THE APPLIANCE IS ISOLATED FROM THE POWER SUPPLY BEFORE INSTALLING, CLEANING OR MAINTAINING THE APPLIANCE
Technical Data
The oven works as a fan oven and it contains 2 x 2.5kw elements. These are mounted at the rear and work in conjunction with 2 x fans, these blow the heated air from the element around the oven cavity. This gives improved efficiency and in general, enables the use of lowertemperatures for cooking. It also means that there is less need to be specific about shelf positions. Since the distribution of heat in the oven is very even, most foods will cook satisfactorily on any shelf position, but the shelves should be spaced evenly if possible.
Rating Data
- Voltage: 240v ~ AC – 50Hz
- Amps: 21.25 A
- Watts: 5100 W
Installation Instructions
THIS APPLIANCE MUST BE FITTED BY A QUALIFIED ELECTRICIAN, IN ACCORDANCE WITH CURRENT REGULATIONS.
Please ensure the unit is sited in a position that doesn’t obstruct any of the ventilation holes. We would advise that the unit should be positioned 6 inches away from any combustible material. The castors should be locked before operating the unit.
Electrical connection
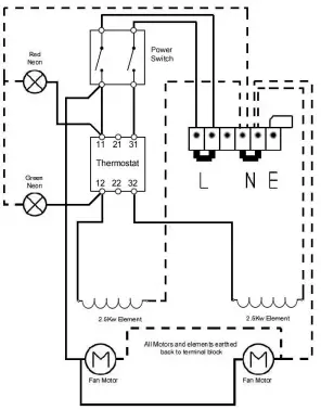
- Remove the side panel to gain access to the terminal block.
- Feed electricity supply cable through the cable gland fitted at the rear of the appliance.
- Connect cable up to the terminal block as shown.

- Replace the side panel.
- Connect the supply cable to an isolator switch.
Optional
Fitting instructions for P9EO supplied with 1870, 1871 Units
| ID | Description |
| 1 | P9EO Electric Oven |
| 2 | 1871 4 Hob Unit |
| 3 | 1870 2 Hob Unit |
| 4 | P9EO Surround Kit |
| 5 | 1870 Large Flue |
| 6 | 1871 Large Flue |
- To fit the P9EO Surround to the unit unscrew the 4 x screws on the sides of the top
- of the P9EO and attach each surround to the sides of the unit using the 4 x screws.
- Unscrew the small back plate from 1870 and replace with 1870 Large Flue
- Unscrew the small back plate from 1871 and replace with 1871 Large Flue
- Locate each unit side by side on top of the P9EO.
- Follow the installation instruction for power requirements for N1870 & N1871
Operating Instructions
- Ensure that all the packaging is removed, and all the shelves are firmly in place.
Ensure that the operation thermostat is switched off. - Turn on isolator switch.
- Located on the front panel there are two knobs and two neons. The first knob controls the power Om/Off this also turns on the fans inside the oven. The Power to the appliance is also indicated by the illumination of the red neon on the front panel.
- The second knob controls the temperature. This is marked from 0°C to 280 °C. The power to the elements is also indicated by the illumination of the green neon on the front panel.
Since the fan assisted oven heats up more quickly and generally cooks food at a lower temperature than a conventional oven, preheating the oven is often unnecessary. However, food such as bread, scones and Yorkshire puddings, do prefer to be placed in a pre-heated oven.
Frozen Meat and Poultry
Joints of meat and whole birds should be defrosted slowly, preferably in a domestic refrigerator (allowing 5-6 hours per 450g (1lb)), or at room temperature (allowing 2-3 hours per 450g (1lb)). If, however, it is found necessary to accelerate this process, frozen food can be defrosted in the fan oven at a temperature of 70/80 degrees C (150 / 175 degrees F). A 1.5 kg (3 lb) oven- ready chicken, placed in the meat pan, will defrost in approximately 1 ¼ -1 ½ Hours. Food should not be placed directly on the floor of the oven.
Warming Dishes
Take care particularly with delicate tableware. Place the dishes to be warmed in the oven. Turn the oven control to 50-90°C
Cleaning Instructions
The appliance should be cleaned after every use.
Turn off the isolator switch before commencing cleaning
- Allow unit to cool down before cleaning.
- Turn off unit at the mains power.
- Wipe down the machine with a soft cloth, do not use abrasive materials.
- The internal fan cover can be removed by unscrewing the thumb screws located at the bottom of the fan cover.
- Stainless steel cleaners maybe used and cleaning instructions on the product must be adhered to.
- Never clean the unit with water jets.
Maintenance Instructions
Ensure the appliance is isolated from the power supply before installing, cleaning or maintaining the appliance.
Maintenance and service must only be undertaken by a qualified electrician.
Parry Catering provides a complete after-sales service by offering the sales of spare parts directly to customers. Buying spares straight from the manufacturer allows customer to experience exceptional value and speedy delivery on all spare parts.
For more information on buying spares visit:
www.parry.co.uk/parry-commercial-catering-spares
Fault Finding
| Fault | Check | Solution |
| No power light | Check that the power is turned ON | Turn OFF/ON switch on unit |
| Turn on electrical trip. If problem persists, contact distributor for an engineer. | ||
| Power light on, but when operating the thermostat there is no green light | Possible thermostat fault C | Contact distributor for an engineer. |
| Uneven cooking to either side | Possible element or fan motor failure | Contact distributor for an engineer. |
Service Information
This appliance should be routinely serviced to prolong its lifetime. Parry recommends that the appliance is serviced every 12 months by a Parry authorised engineer. Failure to service your product within the initial 12 month warranty period will cause the 24 month warranty to become void.
If the supply cord becomes damaged, it must be replaced by the manufacturer, it’s service agent, or a similarly qualified person.
Enhanced 2 Years Warranty
Parry Catering (Midlands) Ltd offer an enhanced warranty of two years (including parts and labour) on all of the Parry manufactured products. To take advantage of this you should register you warranty by logging onto the company website and filling out our simple form. www.parry.co.uk/the-parry-warranty
If you have any issues with your product and wish to request a warranty call you can contact our friendly team who will organize a Parry approved service engineer to attend and fix your problem.
All warranty requests can be sent to [email protected] alternatively call our warranty department for technical assistance on 01332 875544
Wiring Diagram

Exploded View

Parts List
| Part Number | Description | Code |
| 1 | TOP tH HINGE | ULTHINGEIL |
| 2 | ‘ROLLER CATCH | |
| 3 | •00OR CATCH BATE | |
| •FAN COVER | ||
| S | ‘OVEN CARCASS | |
| 6 | •EXTERIOR TOP | |
| 7 | ‘RACK PANEL | |
| 8 | CABLE GANG | UL !GUNGE!! • WRUNG |
| 9 | ‘COMPARTMENT COVER | |
| 10 | TERMINAL BIM | TB6POLET8 |
| II | N/A | WA |
| 12 | N/A | WA |
| 13 | 2.5KW RING ELEMENT | P910ELEM |
| 14 | TAN MOTOR | P9E0MOTOR |
| IS | N/A | WA |
| 16 | 75MM CASTOR | CASTOR75W/ |
| 17 | )SKIM BRAKED CASTOR | CASTOT7SeR |
| 18 | •CCNTROL FASCIA | |
| 19 | TOP RH HINGE | uLTNINrETR |
| 20 | 00O8 SEAL | SEALOGSIO |
| 21 | BOTTOM RH HINGE | ULTHINGEBR |
| 22 | POWER SWITCH | 108048200260 |
| 23 | 326 *C THERMOSTAT | TARST14062 |
| 24 | RED ROUND NEON | LNRE2211P |
| 25 | GREEN ROUND NEON | INGN2211P |
| 26 | CONTROL KNOB | ULTKNOB1 |
| 27 | *RH DOOR ASSEMBLY | |
| 28 | BOTTOM LH HINGE | ULTHINGEBL |
| 29 | *LH DOOR ASSEMBLY | |
| 30 | DOOR HANDLE | GB6HANDLE |
| 31 | BRASS BUSH | ULTHINGEBUSH |
| 32 | WIRE SHELF | TRWCP9EO |
*Metalwork Components
Warranty Information
The manufacturer’s warranty is only valid in the UK mainland. Northern Ireland, Western Isles, Inner Hebrides and Islands are parts only warranty. Please be aware that the warranty starts from the date of purchase from Parry and not the sale or installation date of the equipment.
To be eligible for a 2 year warranty, products must be serviced at least once within the first 12 months of purchase.
All service calls will be carried out between 8am and 5pm, Monday to Friday.
Your warranty is invalid if your equipment has no been installed in accordance with the manufacturer’s instructions. The misuse, alteration or unauthorised repairs of the equipment will also invalidate the warranty.
During the warranty period it is at Parry’s discretion whether to repair or replace the equipment.
The warranty only applies if the equipment has been used in a professional manner following the manufacturer’s instructions and maintenance guidelines
The warranty covers defects in the material and component failure only. We are not liable for trading loss, loss of perishable items, water damage or loss due to injury or fire damage.
Please ensure you have referred to the manufacturer’s instruction before placing a warranty call.
Contact our warranty department on 01332 875544 for technical assistance.
Please have your model number ready before calling. All warranty requests must be submitted to [email protected].
Failure to pay any warranty charges will result in your warranty being put on hold until the bill has been settled. Any issues regarding the raised charges should be put in writing to our warranty department for further investigation.
Register your product by visiting our website
www.parry.co.uk
Not covered under warranty
- Fault due to incorrect installation, poor maintenance or equipment abuse.
- Resetting of equipment or circuit breakers.
- Faulty electrics – e.g. customer’s plug socket, plug, wiring, junction box fault, wrong fuse.
- Products must be serviced within the first 12 months to be eligible for the 2 year warranty
- Product not covered by warranty if combustible materials have been used, e.g. plastic trays.
- Foil used on racks, blockages and lime scale issues.
- Failure to grant access for pre-arranged service call.
- Equipment that has been set up or used incorrectly e.g. dishwasher detergents, levelling and setting up of doors on a six burner cooker.
- Excessive carbon build-up on griddle plates or overuse of lava rock on chargrills. (Recommended use by Parry no more than 2kg.)
- All of the above points are not covered by warranty and any costs incurred, because of the above, will be forwarded to the parties responsible for placing the call.
Disposal & Recycling
This appliance is marked according to the European Directive 2002/96/EC on Waste Electrical and Electronic Equipment (WEEE).
By ensuring this product is disposed of correctly, you will help prevent potential negative consequences for the environment and human health which could otherwise be caused by inappropriate waste handling of this product.
A symbol on the product, or on the documents accompanying the product, indicates that this appliance may not be treated as household waste. Instead it should be handed over to the applicable collection point for the recycling of electrical and electronic equipment.
Disposal must be carried out in accordance with local environmental regulations for waste disposal.
For more detailed information about treatment, recovery and recycling of this product, please contact your local city office, your household waste disposal service or the shop where you purchased the product.
Parry Catering recognises our obligations to the EU DIRECTIVE covering the waste disposal of electrical and electronic equipment (WEEE). Parry Catering are committed to this policy in order to help conserve the environment.
At the end of this unit’s life you MUST dispose of it in an approved manner. You MUST not discard the unit or place it in the refuse bin.
You have several options:
- Take the unit to an approved WEEE scheme company, there will be one in your area.
- Take the unit to an approved waste disposal site; many sites are managed by your local authority.
- Contact the units manufacturer, importer or their agent; the contact details will be on the unit.
There will probably be a charge for this service which will depend on the physical size and location of the unit. You will be given a collection price for a curb side collection based on commercial rates prevailing at the time.
t should be noted that the unit to be collected should be suitably packed and sealed to prevent dangerous gases and fluids from escaping. The condition of the unit must also be clean to comply with health and safety regulations.



















