HONDA GX100 Horizontal Engine

INTRODUCTION
Thank you for purchasing a Honda engine! We want to help you to get the best results from your new engine and to operate it safely. This manual contains information on how to do that; please read it carefully before operating the engine. If a problem should arise, or if you have any questions about your engine, consult an authorized Honda servicing dealer. All information in this publication is based on the latest product information available at the time of printing. Honda Motor Co., Ltd. reserves the right to make changes at any time without notice and without incurring any obligation. No part of this publication may be reproduced without written permission. This manual should be considered a permanent part of the engine and should remain with the engine if resold. Review the instructions provided with the equipment powered by this engine for any additional information regarding engine startup, shutdown, operation, adjustments or any special maintenance instructions.
United States, Puerto Rico, and U.S. Virgin Islands:We suggest you read the warranty policy to fully understand its coverage and your responsibilities of ownership. The warranty policy is a separate document that should have been given to you by your dealer.
SAFETY MESSAGES
Your safety and the safety of others are very important. We have provided important safety messages in this manual and on the engine. Please read these messages carefully. A safety message alerts you to potential hazards that could hurt you or others. Each safety message is preceded by a safety alert symbol one of three words, DANGER, WARNING, or CAUTION.
These signal words mean
- You WILL be KILLED or SERIOUSLY HURT if you don’t follow instructions.
- You CAN be KILLED or SERIOUSLY HURT if you don’t follow instructions.
- You CAN be HURT if you don’t follow instructions.
Each message tells you what the hazard is, what can happen, and what you can do to avoid or reduce injury.
DAMAGE PREVENTION MESSAGES
You will also see other important messages that are preceded by the word NOTICE.
This word means:
Your engine, other property, or the environment can be damaged if you do not follow instructions. This entire book is filled with important safety information – please read it carefully.
SAFETY INFORMATION
- Understand the operation of all controls and learn how to stop the engine quickly in case of emergency. Make sure the operator receives adequate instruction before operating the equipment.
- Do not allow children to operate the engine. Keep children and pets away from the area of operation.
- Your engine’s exhaust contains poisonous carbon monoxide. Do not run the engine without adequate ventilation, and never run the engine indoors.
- The engine and exhaust become very hot during operation. Keep the engine at least 1 meter (3 feet) away from buildings and other equipment during operation. Keep flammable materials away, and do not place anything on the engine while it is running.
SAFETY LABEL LOCATION
This label warns you of potential hazards that can cause serious injury. Read it carefully. If the label comes off or becomes hard to read, contact your servicing dealer for replacement.

COMPONENT & CONTROL LOCATIONS

FEATURES
Oil Alert® System (applicable types)
‘‘Oil Alert is a registered trademark in the United States’’ The Oil Alert system is designed to prevent engine damage caused by an insufficient amount of oil in the crankcase. Before the oil level in the crankcase can fall below a safe limit, the Oil Alert system will prevent the engine from starting. If the engine will not start, check the engine oil level (see page 7) before troubleshooting in other areas.
BEFORE OPERATION CHECKS
IS YOUR ENGINE READY TO GO?
For your safety, to ensure compliance with environmental regulations, and to maximize the service life of your equipment, it is very important to take a few moments before you operate the engine to check its condition. Be sure to take care of any problem you find, or have your servicing dealer correct it, before you operate the engine. Before beginning your pre-operation checks, be sure the engine is level and the engine switch is in the OFF position. Always check the following items before you start the engine: Check the General Condition of the Engine
- Look around and underneath the engine for signs of oil or gasoline leaks.
- Remove any excessive dirt or debris, especially around the muffler and recoil starter.
- Look for signs of damage.
- Check that all shields and covers are in place, and all nuts, bolts, and screws are tightened.
Check the Engine
- Check the fuel level. Starting with a full tank will help to eliminate or reduce operating interruptions for refueling.
- Check the engine oil level (see page 7). Running the engine with a low oil level can cause engine damage.
- Check the air filter element (see page 8). A dirty air filter element will restrict air flow to the carburetor, reducing engine performance.
- Check the equipment powered by this engine. Review the instructions provided with the equipment powered by this engine for any precautions and procedures that should be followed before engine startup.
OPERATION
SAFE OPERATING PRECAUTIONS
Before operating the engine for the first time, please review the SAFETY INFORMATION section on page 2 and the BEFORE OPERATION CHECKS on page 3. Carbon Monoxide Hazards For your safety, do not operate the engine in an enclosed area such as a garage. Your engine’s exhaust contains poisonous carbon monoxide gas that can collect rapidly in an enclosed area and cause illness or death.
warning
Exhaust contains poisonous carbon monoxide gas that can build up to dangerous levels in closed areas. Breathing carbon monoxide can cause unconsciousness or death. Never run the engine in a closed, or even partly closed area. Review the instructions provided with the equipment powered by this engine for any safety precautions that should be observed with engine startup, shutdown or operation.
STARTING THE ENGINE
- If the fuel tank is equipped with a valve, be sure the fuel valve and fuel filler cap vent are in the OPEN or ON position before attempting to start the engine. For specific instructions on fuel valve and fuel filler cap vent operation, refer to the instructions provided with the equipment powered by this engine.
- To start a cold engine, move the choke lever to the CLOSED position.

To restart a warm engine, leave the choke lever in the OPEN position. - Move the throttle lever to the MIN. position. The throttle lever is mounted on the equipment powered by this engine. Refer to the instructions provided with that equipment for information about your specific throttle control.

- Press the priming bulb (applicable types) repeatedly.

- Turn the engine switch (applicable types) to the ON position.

- Pull the starter grip lightly until you feel resistance, then pull briskly in the direction of the arrow as shown below. Return the starter grip gently.

Do not allow the starter grip to snap back against the engine. Return it gently to prevent damage to the starter. - If the choke lever was moved to the CLOSED position to start the engine, gradually move it to the OPEN position as the engine warms up.

STOPPING THE ENGINE
To stop the engine in an emergency, simply turn the engine switch to the OFF position. Under normal conditions, use the following procedure. Refer to the instructions provided by the equipment manufacturer.
- Move the throttle lever to the MIN. position.

- Turn the engine switch (applicable types) to the OFF position.

- If the fuel tank is equipped with a fuel valve or a fuel filler cap with a vent, turn them to the CLOSED or OFF position.
SERVICING YOUR ENGINE
THE IMPORTANCE OF MAINTENANCE
Good maintenance is essential for safe, economical and trouble-free operation. It will also help reduce pollution.
WARNING
Failure to properly maintain this engine, or failing to correct a problem before operation, could result in a significant malfunction. Some malfunctions can cause seriously injuries or death. Always follow the inspection and maintenance recommendations and schedules in this owner’s manual.
To help you properly care for your engine, the following pages include a maintenance schedule, routine inspection procedures, and simple maintenance procedures using basic hand tools. Other service tasks that are more difficult, or require special tools, are best handled by professionals and are normally performed by a Honda technician or other qualified mechanic. The maintenance schedule applies to normal operating conditions. If you operate your engine under severe conditions, such as sustained high-load or high-temperature operation, or use in unusually wet or dusty conditions, consult your Honda servicing dealer for recommendations applicable to your individual needs and use. Maintenance, replacement, or repair of the emission control devices and systems may be performed by any engine repair establishment or individual, using parts that are ‘‘certified’’ to EPA standards.
MAINTENANCE SAFETY
Some of the most important safety precautions follow. However, we cannot warn you of every conceivable hazard that can arise in performing maintenance. Only you can decide whether or not you should perform a given task.
WARNING
Improper maintenance can cause an unsafe condition. Failure to properly follow maintenance instructions and precautions can cause serious injuries or death. Always follow the procedures and precautions in this owner’s manual.
SAFETY PRECAUTIONS
- Make sure the engine is off before you begin any maintenance or repairs. To prevent unintentional startup, disconnect the spark plug cap. This will eliminate several potential hazards:
- Carbon monoxide poisoning from engine exhaust. Operate outside, away from open windows or doors.
- Burns from hot parts. Let the engine and exhaust system cool before touching.
- Injury from moving parts. Do not run the engine unless instructed to do so.
- Read the instructions before you begin, and make sure you have the tools and skills required.
- To reduce the possibility of fire or explosion, be careful when working around gasoline. Use only a non-flammable solvent, not gasoline, to clean parts. Keep cigarettes, sparks and flames away from all fuel related parts.
Remember that an authorized Honda servicing dealer knows your engine best and is fully equipped to maintain and repair it. To ensure the best quality and reliability, use only new Honda Genuine parts or their equivalents for repair and replacement.
MAINTENANCE SCHEDULE
| MAINTENANCE SCHEDULE | |||||||
| REGULAR SERVICE PERIOD (3) Perform at every indicated month or operating hour interval, whichever comes first. | Each use | First month or 20 hrs. | Every 3 months or 50 hrs. | Every 6 months or 100 hrs. | Every year or 200 hrs. | Refer to page | |
| ITEM | |||||||
| Engine oil | Check level | o | 7 | ||||
| Change | o | o | 8 | ||||
| Air cleaner | Check | o | 8 | ||||
| Clean | o (1) | 9 | |||||
| Replace | o (1) | ||||||
| Spark plug | Check-adjust | o | 9 | ||||
| Replace | o | ||||||
| Timing belt | Check | After every 300 hrs. (2) (4) | Shop manual | ||||
| Spark arrester (applicable types) | Clean | o (5) | 10 | ||||
| Idle speed | Check-adjust | o (2) | Shop manual | ||||
| Valve clearance | Check-adjust | o (2) | Shop manual | ||||
| Combustion chamber | Clean | After every 300 hrs. (2) | Shop manual | ||||
| Fuel tank & filter | Clean | o (2) | Shop manual | ||||
| Fuel tube | Check | Every 2 years (Replace if necessary) (2) | Shop manual | ||||
- Service more frequently when used in dusty areas.
- These items should be serviced by your servicing dealer, unless you have the proper tools and are mechanically proficient. Refer to the Honda shop manual for service procedures.
- For commercial use, log hours of operation to determine proper maintenance intervals.
- Check that there is no crack and abnormal wear-out in the belt, and replace if it is abnormal.
- In Europe and other countries where the machinery directive 2006/ 42/EC is enforced, this cleaning should be done by your servicing dealer.
Failure to follow this maintenance schedule could result in non-warrantable failures.
REFUELING
Recommended Fuel
| Unleaded gasoline | ||
| U.S. | Pump octane rating 86 or higher | |
| Except U.S. | Research octane rating 91 or higher | |
| Pump octane rating 86 or higher | ||
This engine is certified to operate on unleaded gasoline with a pump octane rating of 86 or higher (a research octane rating of 91 or higher). Refuel in a well ventilated area with the engine stopped. If the engine has been running, allow it to cool 1first.Never refuel the engine inside a building where gasoline fumes may reach flames or sparks. You may use unleaded gasoline containing no more than 10% ethanol (E10) or 5% methanol by volume. In addition, methanol must contain cosolvents and corrosion inhibitors. Use of fuels with content of ethanol or methanol greater than shown bove may cause starting and/or performance problems. It may also damage metal, rubber, and plastic parts of the fuel system. Engine damage or performance problems that result from using a fuel with percentages of ethanol or methanol greater than shown above are not covered under the Warranty. If your equipment will be used on an infrequent or intermittent basis, please refer to the ‘‘Fuel’’ section of the ‘‘STORING YOUR ENGINE’’ chapter (see page 11) for additional information regarding fuel deterioration.
WARNING
Gasoline is highly flammable and explosive.
- Stop the engine and let it cool before handling fuel.
- Keep heat, sparks, and flame away.
- Handle fuel only outdoors.
- Keep away from your vehicle.
- Wipe up spills immediately.
Fuel can damage paint and some types of plastic. Be careful not to spill fuel when filling your fuel tank. Damage caused by spilled fuel is not covered under the Distributor’s Limited Warranty. Never use gasoline that is stale, contaminated, or mixed with oil. Avoid getting dirt or water in the fuel tank. Refuel carefully to avoid spilling fuel. Move at least 1 meter (3 feet) away from the fueling source and site before starting the engine. Keep gasoline away from appliance pilot lights, barbecues, electric appliances, power tools, etc. Spilled fuel is not only a fire hazard, it causes environmental damage. Wipe up spills immediately.
ENGINE OIL
Oil is a major factor affecting performance and service life. Use 4-stroke automotive detergent oil.
Recommended Oil
Use 4-stroke motor oil that meets or exceeds the requirements for API service category SJ or later (or equivalent). Always check the API service label on the oil container to be sure it includes the letters SJ or later (or equivalent).

AMBIENT TEMPERATURE
SAE 10W-30 is recommended for general use. Other viscosities shown in the chart may be used when the average temperature in your area is within the indicated range.
Oil Level Check
Check the engine oil level with the engine stopped and in a level position.
- Remove the oil filler cap/dipstick and wipe it clean.
- Insert the oil filler cap/dipstick into the oil filler neck as shown, but do not screw it in, then remove it to check the oil level.
- If the oil level is near or below the lower limit mark on the dipstick, fill with the recommended oil to the upper limit mark (bottom edge of the oil fill hole). Do not overfill.
- Screw in the oil filler cap/dipstick securely.

NOTICE
Running the engine with a low oil level can cause engine damage. This type of damage is not covered by the Distributor’s Limited Warranty.
Oil Change
Drain the used oil when the engine is warm. Warm oil drains quickly and completely.
- Place a suitable container below the engine to catch the used oil, then remove the oil filler cap/dipstick, oil drain plug and sealing washer.
- Allow the used oil to drain completely, then reinstall the oil drain plug and a new sealing washer, and tighten the oil drain plug securely.
TORQUE: 18 N∙m (13 lbf∙ft, 1.8 kgf∙m) Please dispose of used motor oil in a manner that is compatible with the environment. We suggest you take used oil in a sealed container to your local recycling center or service station for reclamation. Do not throw it in the trash, pour it on the ground, or pour it down a drain. - With the engine in a level position, fill with the recommended oil (see page 7) to the upper limit mark (bottom edge of the oil fill hole).
Running the engine with a low oil level can cause engine damage. This type of damage is not covered by the Distributor’s Limited Warranty. - Screw in the oil filler cap/dipstick securely.

Wash your hands with soap and water after handling used oil.
AIR CLEANER
A dirty air cleaner will restrict air flow to the carburetor, reducing engine performance. If you operate the engine in very dusty areas, clean the air filter more often than specified in the MAINTENANCE SCHEDULE. Operating the engine without an air filter element, or with a damaged air filter element, will allow dirt to enter the engine, causing rapid engine wear. This type of damage is not covered by the Distributor’s Limited Warranty.
Inspection
Remove the two screws and the air cleaner cover. Inspect the air filter elements. Clean or replace dirty air filter elements. Always replace damaged air filter elements. Refer to page 9 for cleaning instructions. Reinstall the air filter elements and air cleaner cover.

Cleaning
- Remove two screws from the air cleaner cover, and remove the cover.
- Remove the foam air filter element from the cover.
- Remove the paper air filter element from the air cleaner case.

- Inspect both air filter elements, and replace them if they are damaged. Always replace the paper air filter element at the scheduled interval (see page 6).
- Clean the air filter elements if they are to be reused.
Paper air filter element: Tap the paper air filter element several times on a hard surface to remove dirt, or blow compressed air [not exceeding 207 kPa (2.1 kgf/cm2, 30 psi)] through the filter element from the air cleaner case side. Never try to brush off dirt; brushing will force dirt into the fibers. Replace the paper air filter element if it is excessively dirty.

Foam air filter element: Clean in warm soapy water, rinse, and allow to dry thoroughly. Or clean in non-flammable solvent and allow to dry. Do not put oil on the foam air filter element.

- Wipe dirt from the inside of the air cleaner case and cover using a moist rag. Be careful to prevent dirt from entering the air duct that leads to the carburetor.
- Place the foam air filter element to the air cleaner cover, then reinstall the paper air filter element and cover to the air cleaner case.
- Install the air cleaner cover, and tighten the two screws securely.
SPARK PLUG
The recommended spark plug has the correct heat range for normal engine operating temperatures. An incorrect spark plug can cause engine damage. For good performance, the spark plug must be properly gapped and free of deposits.
- Disconnect the spark plug cap, and remove any dirt from around the spark plug area.
- Remove the spark plug with a 5/8-inch spark plug wrench.

- Inspect the spark plug. Replace it if damaged or badly fouled, if the sealing washer is in poor condition, or if the electrode is worn.
- Measure the spark plug electrode gap with a wire-type feeler gauge. Correct the gap, if necessary, by carefully bending the side electrode. The gap should be: 0.6–0.7 mm (0.024–0.028 in)

- Install the spark plug carefully, by hand, to avoid cross-threading.
- After the spark plug is seated, tighten with a 5/8-inch spark plug wrench to compress the sealing washer.
- When installing a new spark plug, tighten 1/2 turn after the spark plug seats to compress the washer.
- When reinstalling a used spark plug, tighten 1/8–1/4 turn after the spark plug seats to compress the washer.
- Attach the spark plug cap to the spark plug.
SPARK ARRESTER (applicable types)
In Europe and other countries where the machinery directive 2006/42/EC is enforced, this cleaning should be done by your servicing dealer. Your engine is not factory-equipped with a spark arrester. In some areas, it is illegal to operate an engine without a spark arrester. Check local laws and regulations. A spark arrester is available from authorized Honda servicing dealers. The spark arrester must be serviced every 100 hours to keep it functioning as designed. If the engine has been running, the muffler will be hot. Allow it to cool before servicing the spark arrester.
Spark Arrester Removal
- Remove the three 6 mm bolts from the muffler protector, and remove the muffler protector.
- Remove the special screw from the spark arrester, and remove the spark arrester from the muffler.

Spark Arrester Cleaning & Inspection
- Use a brush to remove carbon deposits from the spark arrester screen. Be careful not to damage the screen. Replace the spark arrester if it has breaks or holes.
- Install the spark arrester and muffler protector in the reverse order of disassembly.

HELPFUL TIPS & SUGGESTIONS
STORING YOUR ENGINE
Storage Preparation Proper storage preparation is essential for keeping your engine trouble-free and looking good. The following steps will help to keep rust and corrosion from impairing your engine’s function and appearance, and will make the engine easier to start when you use it again.
Cleaning
If the engine has been running, allow it to cool for at least half an hour before cleaning. Clean all exterior surfaces, touch up any damaged paint, and coat other areas that may rust with a light film of oil.
notice
Using a garden hose or pressure washing equipment can force water into the air cleaner or muffler opening. Water in the air cleaner will soak the air filter, and water that passes through the air filter or muffler can enter the cylinder, causing damage.
Fuel
Depending on the region where you operate your equipment, fuel formulations may deteriorate and oxidize rapidly. Fuel deterioration and oxidation can occur in as little as 30 days and may cause damage to the carburetor and/or fuel system. Please check with your servicing dealer for local storage recommendations. Gasoline will oxidize and deteriorate in storage. Deteriorated gasoline will cause hard starting, and it leaves gum deposits that clog the fuel system. If the gasoline in your engine deteriorates during storage, you may need to have the carburetor and other fuel system components serviced or replaced. The length of time that gasoline can be left in your fuel tank and carburetor without causing functional problems will vary with such factors as gasoline blend, your storage temperatures, and whether the fuel tank is partially or completely filled. The air in a partially filled fuel tank promotes fuel deterioration. Very warm storage temperatures accelerate fuel deterioration. Fuel deterioration problems may occur within a few months, or even less if the gasoline was not fresh when you filled the fuel tank. Fuel system damage or engine performance problems resulting from neglected storage preparation are not covered under the Distributor’s Limited Warranty. You can extend fuel storage life by adding a gasoline stabilizer that is formulated for that purpose, or you can avoid fuel deterioration problems by draining the fuel tank and carburetor. Adding a Gasoline Stabilizer to Extend Fuel Storage Life When adding a gasoline stabilizer, fill the fuel tank with fresh gasoline. If only partially filled, air in the tank will promote fuel deterioration during storage. If you keep a container of gasoline for refueling, be sure that it contains only fresh gasoline.
- Add gasoline stabilizer following the manufacturer’s instructions.
- After adding a gasoline stabilizer, run the engine outdoors for 10 minutes to be sure that treated gasoline has replaced the untreated gasoline in the carburetor.
- Stop the engine.
Draining the Fuel Tank and Carburetor
- Stop the engine and let it cool before handling fuel.
- Keep heat, sparks, and flame away.
- Handle fuel only outdoors.
- Keep away from your vehicle.
- Wipe up spills immediately.
- Drain the fuel tank, following the instructions of the equipment manufacturer.
- Place an approved gasoline container below the carburetor, and use a funnel to avoid spilling fuel.
- Loosen the carburetor drain screw, and drain the carburetor into an approved gasoline container. After draining is completed, tighten the carburetor drain screw securely.

Engine Oil
- Change the engine oil (see page 8).
- Remove the spark plug (see page 9).
- Pour a teaspoon 5–10 cm3 (5–10 cc) of clean engine oil into the cylinder.
- Pull the starter grip several times to distribute the oil in the cylinder.
- . Reinstall the spark plug.
- Pull the starter grip slowly until resistance is felt. This will close the valves so moisture cannot enter the engine cylinder. Return the starter grip gently.
Storage Precautions
If your engine will be stored with gasoline in the fuel tank and carburetor, it is important to reduce the hazard of gasoline vapor ignition. Select a well ventilated storage area away from any appliance that operates with a flame, such as a furnace, water heater, or clothes dryer. Also avoid any area with a spark-producing electric motor, or where power tools are operated. If possible, avoid storage areas with high humidity, because that promotes rust and corrosion.
Keep the engine level in storage. Tilting can cause fuel or oil leakage. Unless all fuel has been drained from the fuel tank, leave the fuel valve and fuel filler cap vent in the CLOSED or OFF position to reduce the possibility of fuel leakage. With the engine and exhaust system cool, cover the engine to keep out dust. A hot engine and exhaust system can ignite or melt some materials. Do not use a plastic sheet as a dust cover. A nonporous cover will trap moisture around the engine, promoting rust and corrosion.
Removal from Storage
Check your engine as described in the BEFORE OPERATION CHECKS section of this manual (see page 3). If the fuel was drained during storage preparation, fill the tank with fresh gasoline. If you keep a container of gasoline for refueling, be sure it contains only fresh gasoline. Gasoline oxidizes and deteriorates over time, causing hard starting. If the cylinder was coated with oil during storage preparation, the engine will smoke briefly at startup. This is normal.
TRANSPORTING
If the engine has been running, allow it to cool for at least 15 minutes before storing or loading on the transport vehicle. A hot engine and muffler can burn you and can ignite some materials. Keep the engine level when transporting to reduce the possibility of fuel leakage. If the fuel tank is equipped with a fuel valve and/or a fuel filler cap vent valve, turn them to the CLOSED or OFF position.
TAKING CARE OF UNEXPECTED PROBLEMS
THE ENGINE WILL NOT START
| Possible Cause | Correction |
| Choke open. | Move lever to CLOSED position unless the engine is warm. |
| Engine switch OFF. | Turn engine switch to ON position. |
| Engine oil level low. | Fill with the recommended oil to the proper level (p. 7). |
| Out of fuel. | Refuel (p. 7). |
| Bad fuel; engine stored without treating or draining gasoline, or refueled with bad gasoline. | Drain fuel tank and carburetor (p. 11). Refuel with fresh gasoline (p. 7). |
| Spark plug faulty, fouled, or improperly gapped. | Gap or replace spark plug (p. 9). |
| Spark plug wet with fuel (flooded engine). | Dry and reinstall spark plug. Start engine with throttle lever in MAX. position, with choke lever in OPEN position. |
| Fuel filter restricted, carburetor malfunction, ignition malfunction, valves stuck, etc. | Take engine to your servicing dealer, or refer to shop manual. |
ENGINE LACKS POWER
| Possible Cause | Correction |
| Filter element(s) restricted. | Clean or replace filter element(s) (p. 9). |
| Bad fuel; engine stored without treating or draining gasoline, or refueled with bad gasoline. | Drain fuel tank and carburetor (p. 11). Refuel with fresh gasoline (p. 7). |
| Fuel filter restricted, carburetor malfunction, ignition malfunction, valves stuck, etc. | Take engine to your servicing dealer, or refer to shop manual. |
TECHNICAL INFORMATION
Serial Number Location
Record the engine serial number, type and purchase date in the spaces below. You will need this information when ordering parts and when making technical or warranty inquiries.

Carburetor Modifications for High Altitude Operation
At high altitude, the standard carburetor air-fuel mixture will be too rich. Performance will decrease, and fuel consumption will increase. A very rich mixture will also foul the spark plug and cause hard starting. Operation at an altitude that differs fromthat at which this engine was certified, for extended periods of time, may increase emissions. High altitude performance can be improved by specific modifications to the carburetor. If you always operate your engine at altitudes above 610 meters (2,000 feet), have your servicing dealer perform this carburetor modification. This engine, when operated at high altitude with the carburetor modifications for high altitude use, will meet each emission standard throughout its useful life. Even with carburetor modification, engine horsepower will decrease about 3.5% for each 300 meter (1,000 foot) increase in altitude. The effect of altitude on horsepower will be greater than this if no carburetor modification is made.
notice
When the carburetor has been modified for high altitude operation, the air-fuel mixture will be too lean for low altitude use. Operation at altitudes below 610 meters (2,000 feet) with a modified carburetor may cause the engine to overheat and result in serious engine damage. For use at low altitudes, have your servicing dealer return the carburetor to original factory specifications.
EMISSION CONTROL SYSTEM INFORMATION
Source of Emissions
The combustion process produces carbon monoxide, oxides of nitrogen, and hydrocarbons. Control of hydrocarbons and oxides of nitrogen is very important because, under certain conditions, they react to form photochemical smog when subjected to sunlight. Carbon monoxide does not react in the same way, but it is toxic. Honda utilizes appropriate air/fuel ratios and other emissions control systems to reduce the emissions of carbon monoxide, oxides of nitrogen, and hydrocarbons. Additionally, Honda fuel systems utilize components and control technologies to reduce evaporative emissions. The U.S. and California Clean Air Acts, and Environment and Climate Change Canada (ECCC) U.S. EPA, California and Canadian regulations require all manufacturers to furnish written instructions describing the operation and maintenance of emission control systems. The following instructions and procedures must be followed in order to keep the emissions from your Honda engine within the emission standards.
Tampering and Altering
Tampering is a violation of federal and California law. Tampering with or altering the emission control system may increase emissions beyond the legal limit. Among those acts that constitute tampering are:
- Removal or alteration of any part of intake, fuel, or exhaust systems.
- Alterations that would cause the engine to operate outside its design parameters.
Problems That May Affect Emissions
If you are aware of any of the following symptoms, have your engine inspected and repaired by your authorized Honda Power Equipment dealer.
- Hard starting or stalling after starting.
- Rough idle.
- Misfiring or backfiring under load.
- Afterburning (backfiring).
- Black exhaust smoke or high fuel consumption.
Replacement Parts
The emissions control systems on your new Honda engine were designed, built, and certified to conform with EPA, California (models certified for sale in California only), and Canadian emissions regulations. We recommend the use of Honda Genuine parts whenever you have maintenance done. These original design replacement parts are manufactured to the same standards as the original parts, so you can be confident of their performance. Honda cannot deny coverage under the emission warranty solely for the use of non-Honda replacement parts or service performed at a location other than an authorized Honda dealership; you may use comparable EPA certified parts, and have service performed at non-Honda locations. However, the use of replacement parts that are not of the original design and quality may impair the effectiveness of your emissions control system. A manufacturer of an aftermarket part assumes the responsibility that the part will not adversely affect emissions performance. The manufacturer or rebuilder of the part must certify that use of the part will not result in a failure of the engine to comply with emissions regulations.
Maintenance
As the power equipment engine owner, you are responsible for completing all required maintenance listed in your owner’s manual. Honda recommends that you retain all receipts covering maintenance on your power equipment engine, but Honda cannot deny warranty coverage solely for the lack of receipts or for your failure to ensure that all scheduled maintenance has been completed.
Follow the “MAINTENANCE SCHEDULE” on page 6.
Remember that this schedule is based on the assumption that your Honda engine product will be used for its designed purpose. Sustained high-load or high-temperature operation, or use in dusty conditions, will require more frequent service.
Air Index
(Models certified for sale in California)
An Air Index Information label is applied to engines certified to an emission durability time period in accordance with the requirements of the California Air Resources Board. The bar graph is intended to provide you, our customer, the ability to compare the emissions performance of available engines. The lower the Air Index, the less pollution. The durability description is intended to provide you with information relating to the engine’s emission durability period. The descriptive term indicates the useful life period for the engine’s emission control system. See your “EMISSION CONTROL SYSTEM WARRANTY” (see page 14) for additional information.
| Descriptive Term | Applicable to Emission Durability Period |
| Moderate | 50 hours (0–80 cc, inclusive) 125 hours (greater than 80 cc) |
| Intermediate | 125 hours (0–80 cc, inclusive) 250 hours (greater than 80 cc) |
| Extended | 300 hours (0–80 cc, inclusive) 500 hours (greater than 80 cc) 1,000 hours (225 cc and greater) |
| Descriptive Term | Applicable to Emission Durability Period |
| Moderate | 50 hours (0–80 cc, inclusive) 125 hours (greater than 80 cc) |
| Intermediate | 125 hours (0–80 cc, inclusive) 250 hours (greater than 80 cc) |
| Extended | 300 hours (0–80 cc, inclusive) 500 hours (greater than 80 cc) 1,000 hours (225 cc and greater) |
EMISSION CONTROL SYSTEM WARRANTY
Your Honda Power Equipment engine is designed, built, and equipped to meet the U.S. EPA, Environment Canada, and California Air Resources Board (models certified for sale in California only) emission standard for spark ignited engines. American Honda Motor provides the emission warranty coverage for engines in the United States and its territories. Honda Canada provides the emission warranty for engines in the 13 provinces and territories of Canada.
Warranty Coverage
Honda Power Equipment engines certified to the U.S. EPA, Environment Canada, and State of California (models certified for sale in California only) emission regulations are covered by this warranty to be free from defects in materials and workmanship that may keep it from meeting the applicable U.S. EPA , CARB and Canadian emissions requirements for a minimum of 2 years or the length of the Honda Power Equipment Distributor’s Limited Warranty, whichever is longer, from the original date of delivery to the retail purchaser. This warranty is transferable to each subsequent purchaser for the duration of the warranty period. Warranty repairs will be made without charge for diagnosis, parts, and labor. Information about how to make a warranty claim, as well as a description of how a claim can be made and/or how service can be provided, can be obtained by contacting an authorized Honda Power Equipment dealer or by contacting the following:
Email: [email protected]/Telephone: (888) 888-3139
Telephone: (888) 946-6329 The covered components include all components whose failure would increase an engine’s emissions of any regulated pollutant or evaporative emissions. A list of specific components can be found in the separately included emissions warranty statement. Specific warranty terms, coverage, limitations, and manner of seeking warranty service are also set forth in the separately included emissions warranty statement. In addition, the emission warranty statement can also be found on the Honda Power equipment website or at the following link:
Specifications
KRE-type (basic type)
| Length×Width×Height | 266×306×290 mm (10.5×12.1×11.4 in) |
| Dry mass [weight] | 10.9 kg (24.0 lbs) |
| Engine type | 4-stroke, overhead camshaft, single cylinder |
| Displacement [Bore×Stroke] | 98.5 cm3 (6.01 cu-in) [56.0×40.0 mm (2.2×1.6 in)] |
| Net power (in accordance with SAE J1349*) | 2.1 kW (2.9 PS, 2.8 bhp) at 3,600 min-1 (rpm) |
| Max. Net torque (in accordance with SAE J1349*) | 5.7 N·m (0.58 kgf·m, 4.2 lbf·ft) at 3,600 min-1 (rpm) |
| Engine oil capacity*1 | 0.28 L (9 oz, 0.25 lmp qt) |
| Cooling system | Forced air |
| Ignition system | Transistor magneto |
| PTO shaft rotation | Counterclockwise |
When mount for rammer is angle 15°. The power rating of the engine indicated in this document is the net power output tested on a production engine for the engine model and measured in accordance with SAE J1349 at 3,600 min-1 (rpm) (Net Power) and at 3,600 min-1 (rpm) (Max. Net Torque). Mass production engines may vary from this value. Actual power output for the engine installed in the final machine will vary depending on numerous factors, including the operating speed of the engine in application, environmental conditions, maintenance, and other variables.
Tuneup Specifications
| ITEM | SPECIFICATION | MAINTENANCE |
| Spark plug gap | 0.6–0.7 mm (0.024–0.028 in) | Refer to page 9 |
| Idle speed | 1,850±150 min-1 (rpm) | Refer to shop manual |
| Valve clearance (cold) | IN: 0.15±0.04 mm EX: 0.20±0.04 mm | See your authorized Honda dealer |
| Other specifications | No other adjustments needed. | |
Quick Reference Information
| Fuel | Unleaded gasoline (Refer to page 7) | ||
| U.S. | Pump octane rating 86 or higher | ||
| Except U.S. | Research octane rating 91 or higher | ||
| Pump octane rating 86 or higher | |||
| Engine oil | SAE 10W-30, API SJ or later, for general use. Refer to page 7. | ||
| Spark plug | CR5HSB (NGK) U16FSR-UB (DENSO) (Refer to page 9) | ||
| Maintenance | Before each use: • Check engine oil level. Refer to page 7. • Check air filter. Refer to page 8. | ||
| First 20 hours: Change engine oil. Refer to page 8. | |||
| Subsequent: Refer to the maintenance schedule on page 6. | |||
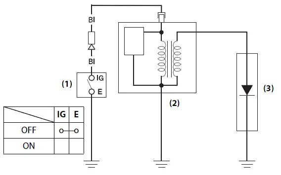
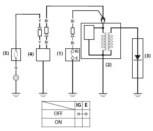
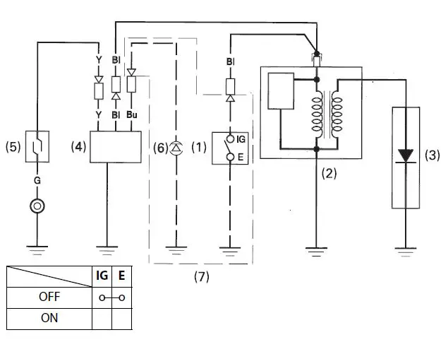
Wiring Diagram
Wiring diagram may vary according to the type.
Without Oil Alert

With Oil Alert

With Oil Alert and LED

- ENGINE SWITCH
- IGNITION COIL
- SPARK PLUG
- OIL ALERT UNIT
- OIL LEVEL SWITCH
- LED
- OEM PARTS
| Bl | Black | Br | Brown |
| Y | Yellow | O | Orange |
| Bu | Blue | Lb | Light blue |
| G | Green | Lg | Light green |
| R | Red | P | Pink |
| W | White | Gr | Gray |
CONSUMER INFORMATION
DISTRIBUTOR/DEALER LOCATOR INFORMATION
United States, Puerto Rico, and U.S. Virgin Islands: Visit our website: www.honda-engines.com
Canada:
Call (888) 9HONDA9 or visit our website: www.honda.ca
For European Area: Visit our website: http://www.honda-engines-eu.com
Australia:
Call (03) 9270 1348 or visit our website: www.hondampe.com.au
CUSTOMER SERVICE INFORMATION
Servicing dealership personnel are trained professionals. They should be able to answer any question you may have. If you encounter a problem that your dealer does not solve to your satisfaction, please discuss it with the dealership’s management. The Service Manager, General Manager, or Owner can help. Almost all problems are solved in this way. United States, Puerto Rico, and U.S. Virgin Islands: If you are dissatisfied with the decision made by the dealership’s management, contact the Honda Regional Engine Distributor for your area. If you are still dissatisfied after speaking with the Regional Engine Distributor, you may contact the Honda Office as shown.
All Other Areas:
If you are dissatisfied with the decision made by the dealership’s management, contact the Honda Office as shown. Honda’s Office When you write or call, please provide this information:
- Equipment manufacturer’s name and model number that the engine is mounted on
- Engine model, serial number, and type (see page 13)
- Name of dealer who sold the engine to you
- Name, address, and contact person of the dealer who services your engine
- Date of purchase
- Your name, address and telephone number
- A detailed description of the problem
American Honda Motor Co., Inc. Power Equipment Division Customer Relations Office 4900 Marconi Drive
Alpharetta, GA 30005-8847 Or telephone: (770) 497-6400 (888) 888-3139 Toll free M-F 9:00am – 7:30pm ET
For European Area:
Honda Motor Europe Logistics NV. European Engine Center /http://www.honda-engines-eu.com




























