FX921V General Purpose Engine
Owner’s Manual
SAFETY AWARENESS
Whenever you see the symbols shown below, heed their instructions! Always follow safe operating and maintenance practices.
WARNING
This warning symbol identifies special instructions or procedures which, if not correctly followed, could result in personal injury, or loss of life.
CAUTION
This caution symbol identifies special instructions or procedures which, if not strictly observed, could result in damage to, or destruction of equipment.
NOTE
This note symbol indicates points of particular interest for more efficient and convenient operation.
READ THIS FIRST
For your safety, read this Owner’s Manual and understand it thoroughly before operating this ENGINE.
WARNING
DO NOT run the engine in a closed area. Exhaust gas contains carbon monoxide, an odorless and deadly poison.
Gasoline is extremely flammable and can be explosive under certain condition.
Stop engine and allow the engine to cool before refueling.
DO NOT smoke. Make sure area is well ventilated and free from any source of flame or sparks including the pilot light of any appliance while refueling, servicing fuel system, draining gasoline and/or adjusting carburetor.
DO NOT fill the tank so the fuel level rises into the filler neck or level surface of level gauge. If the tank is overfilled, heat may cause the fuel to expand and overflow through the vents in the tank cap.
Wipe off any spilled gasoline immediately.
To prevent fire hazard:
Keep the engine at least 1 m (3.3 ft) away from buildings, obstructions and other burnable objects.
DO NOT place flammable objects close to the engine.
DO NOT expose combustible materials to the engine exhaust.
DO NOT use the engine on any forest covered, brush covered or grass covered unimproved land unless spark arrester is installed on the muffler.
To avoid getting an electric shock, DO NOT touch spark plugs, plug caps or spark plug leads during engine running.
To avoid a serious burn, DO NOT touch a hot engine or muffler. The engine becomes hot during operation. Before you service or remove parts, stop engine and allow the engine to cool.
DO NOT place hands or feet near moving or rotating parts. Place a protective cover over pulley, V belt or coupling.
DO NOT run engine at excessive speeds. This may result in injury.
Always remove the spark plug caps from spark plugs when servicing the engine to prevent accidental starting.
Read warning labels on the engine and understand them. If any label is missing, damaged, or worn, get a replacement from your Kawasaki dealer and install it in the correct position.
EMISSION CONTROL INFORMATION
Fuel Information
THIS ENGINE IS CERTIFIED TO OPERATE ON UNLEADED REGULAR GRADE GASOLINE ONLY. A minimum of 87 octane of the antiknock index is recommended. The antiknock index is posted on service station pumps in the U.S.A.
Emission Control Information
To protect the environment in which we all live, Kawasaki has incorporated an exhaust emission control system in compliance with applicable regulations of the United States Environmental Protection Agency. Also, depending on when your engine was produced, it may have an assigned emissions durability period. * See below for the engine emissions durability period that may apply to your engine.
Exhaust Emission Control System
The exhaust emission control system applied to this engine consists of a carburetor and an ignition system The exhaust emission control system applied to this engine consists of a carburetor and an ignition system having optimum ignition timing characteristics. The carburetor has been calibrated to provide specific air/fuel mixture characteristics and optimum fuel economy with a suitable air cleaner and exhaust system. having optimum ignition timing characteristics. The carburetor has been calibrated to provide lean air/fuel mixture characteristics and optimum fuel economy with a suitable air cleaner and exhaust system.
A sealed-type crankcase emission control system is also used to eliminate blow-by gasses. The blow-by gasses are led to a breather chamber through the crankcase and from there to the air cleaner.
Engine Emission Compliance Period
Engines Greater Than or Equal To 225 cc Model Year – 2011 and later
Durability Period – 1 000 hours (Category A)
If your engine has an assigned emissions durability period it will be located on the certification label attached to the engine (IMPORTANT ENGINE INFORMATION).
High Altitude Performance Adjustment Information
To improve the EMISSIONS CONTROL PERFORMANCE of engines operated above 1000 meters (3300 feet), Kawasaki requires the following Environmental Protection Agency (EPA) approved modifications.
High altitude adjustment requires replacement of carburetor main jets. Installation of these optional parts may be performed by an authorized Kawasaki engine dealer or equally qualified service facility, or the consumer, following repair recommendations specified in the appropriate Kawasaki Service document or parts catalog.
Operating with the wrong configuration at a given altitude may increase its emissions and decrease fuel efficiency and performance.
NOTE
O When properly performed, these specified modifications only are not considered to be emissions system “tampering” and engine performance is generally unchanged as a result.
O Engine models with fuel injection do not require high altitude performance adjustment.
Maintenance and Warranty
Proper maintenance is necessary to ensure that your engine will continue to have low emission levels. This Owner’s Manual contains those maintenance recommendations for your engine. Those items identified by the Periodic Maintenance Chart are necessary to ensure compliance with the applicable standards.
As the owner of the engine, you have the responsibility to make sure that the recommended maintenance is carried out according to the instructions in this Owner’s Manual at your own expense.
The Kawasaki Limited Emission Control System Warranty requires that you return your engine to an authorized Kawasaki dealer for remedy under warranty. Please read the warranty carefully, and keep it valid by complying with the owner’s obligations it contains.
Tampering with Emission Control System Prohibited
Federal law prohibit the following acts or the causing thereof: (1) the removal or rendering inoperative by any person other than for purposes of maintenance, repair, or replacement, of any device or element of design incorporated into any new engine for the purposes of emission control prior to its sale or delivery to the ultimate purchaser or while it is in use, or (2) the use of the engine after such device or element of design has been removed or rendered inoperative by any person.
Among those acts presumed to constitute tampering are the acts listed below:
Do not tamper with the original emission related parts:
- Carburetor or FL system and internal parts
- Spark Plug
- Magneto or electronic ignition system
- Fuel filter element
- Air cleaner element
- Crankcase
- Cylinder head
- Breather chamber and internal parts
- Intake pipe and tube
FOREWORD
We wish to thank you for purchasing this Kawasaki engine.
Please read this Owner’s Manual carefully before starting your new engine so that you will be thoroughly familiar with the proper operation of your engine’s control, its features, capabilities and limitations.
Also read the manual of the equipment to which this engine is attached.
To ensure a long, trouble-free life for your engine, give it the proper care and maintenance described in this manual. Always keep this manual at your fingertip so that you can refer to it whenever you need information.
This manual should be considered a permanent part of the engine and should remain with the engine when it is sold.
All rights reserved. No part of this publication may be reproduced without our prior written permission.
This publication includes the latest information available at the time of printing. However, there may be minor differences between the actual product and illustrations and text in this manual.
All products are subject to change without prior notice or obligation.
KAWASAKI MOTORS, LTD.
© 2006 Kawasaki Heavy Industries, Ltd.
Aug. 2016 (3) (M)
Please note that the photographs and illustrations shown in this manual are based on Model FX1000V as a typical example among other similar models.
GENERAL INFORMATION
Location of Safety Related Labels

A. Warning Label
B. Engine Maintenance

Location of Parts

A. Oil Gauge Filler
B. Oil Filter
C. Oil Drain Plug
D. Air Cleaner
E. Carburetor
F. Spark Plug Cap/Spark Plug
G. Air Inlet Screen
H. Fan Housing
I. Electric Starter
J. Voltage Regulator
K. Fuel Tube
L. Fuel Filter
M. Oil Cooler
N. Control Panel
O. Cleanout Cover (if equipped)

Engine Serial Number
The engine serial number is your only means of identifying your particular engine from others of the same model type.
This engine serial number is needed by your dealer when ordering parts.
A. Engine Serial Number
Tune-up Specifications
| ITEM | Specifications |
| Ignition Timing | Adjustable |
| Spark Plugs: Gap | NGK BPR5ES 0.75 mm (0.030 in) |
| Low Idle Speed | 1 550 r/min (rpm) |
| High Idle Speed | 3 600 r/min (rpm) |
| Valve Clearance | IN 0.10 – 0.15 mm (0.004 – 0.006 in) EX 0.10 – 0.15 mm (0.004 – 0.006 in) |
| Other Specifications | No other adjustment needed |
NOTE
High and low idle speeds may vary depending on the equipment on which the engine is used. Refer to the equipment specification.
Engine Oil Capacity
| FX921V FX1000V | 1.7 L (1.8 US·qt) [when oil filter is not removed] |
| 1.9 L (2.0 US·qt) [when oil filter is removed] |
FUEL AND OIL RECOMMENDATIONS
Fuel
Use only clean, fresh, unleaded regular grade gasoline.
CAUTION
Do not mix oil with gasoline.
Octane Rating
The octane rating of a gasoline is a measure of its resistance to “knocking”. Using a minimum of 87 octane by the antiknock index is recommended. The antiknock index is posted on service station pumps in the U.S.A.
NOTE
○If “knocking or “pinging” occurs, use a different brand of gasoline or higher octane rating.
Oxygenated Fuel
Oxygenates (either ethanol or MTBE) are added to the gasoline. If you use the oxygenates, be sure it is unleaded and meets the minimum octane rating requirement.
The followings are the EPA approved percentages of fuel oxygenates.
ETHANOL: (Ethyl or Grain Alcohol)
You may use gasoline containing up to 10% 0ethanol by volume.
MTBE: (Methyl Tertiary Butyl Ether)
You may use gasoline containing up to 15% MTBE by volume.
METHANOL: (Methyl or Wood Alcohol)
You may use gasoline containing up to 5% methanol by volume, as long as it also contains solvents and corrosion inhibitors to protect the fuel system. Gasoline containing more than 5% methanol by volume may cause starting and/or performance problems.
It may also damage
metal, rubber, and plastic parts of your fuel system.
Engine Oil
The following engine oils are recommended.
API Service Classification : SF, SG, SH, SJ or SL.
Oil Viscosity
Choose the viscosity according to the temperature as follows:

NOTE
Although 10W-40 engine oil is the recommended oil for most conditions, the oil viscosity may need to be changed to accommodate atmospheric conditions. Using 20W-50 oil in higher ambient temperatures may reduce oil consumption.
PREPARATION
Fuel
WARNING
Gasoline is extremely flammable and can be explosive under certain conditions.
Before refueling, turn the engine switch to the OFF position. Do not smoke. Make sure the area is well ventilated and free from any source of flame or sparks, including any appliances with a pilot light.
Never fill tank so that fuel level rises into the filler neck. If tank is overfilled, heat may cause fuel to expand and overflow through vents in tank cap.
After refueling make sure tank cap is securely closed.
If gasoline is spilled, wipe it up immediately.
- Place the engine on level surface before fueling.
- Remove the fuel tank cap.
- Slowly pour fuel into the tank through the fuel strainer.
- Close the tank cap securely.
Engine Oil
Check the engine oil daily before starting the engine otherwise shortage of the engine oil may cause serious damage to the engine such as seizure.
- Place the engine on level surface. Clean area around the oil gauge before removing it.
- Remove the oil gauge (A) and wipe it with a clean cloth.
- Pour the oil slowly to “FULL” mark on the oil gauge.
- Insert the oil gauge into tube (B) WITHOUT SCREWING IT IN.
- Remove the oil gauge (A) to check the oil level.
The level should be between “ADD” and “FULL” marks. Do not overfill. - Install and tighten the oil gauge (A). Engine Oil Capacity

A. Oil Gauge
B. Tube
CAUTION
The engine is shipped without engine oil.
STARTING
Start Engine
WARNING
Exhaust gases contain carbon monoxide, a colorless, odorless, poisonous gas.
Do not operate the unit in enclosed areas.
Provide adequate ventilation at all times.
WARNING
Engine exhaust may ignite combustible materials and cause a fire.
Keep the area around the exhaust outlet clear. Locate the unit so that the exhaust outlet points toward an open area and is located at least one meter (3.3 feet) from any obstructions.
NOTE
Be aware of the following in order to start the engine easily in cold weather.
- Use proper oil for expected temperature (See FUEL AND OIL RECOMMENDATIONS chapter).
Use fresh gasoline. - Protect the engine or the equipment from direct exposure to weather when not in operation.
- Before starting the engine, disconnect all possible external loads.
- Open the fuel valve (A) on the equipment.
- Put the engine switch key into the engine switch.
For Control Panel Switch Type, move the throttle lever on the equipment to its halfway position.
Moving the lever away from its low speed end turns ignition on. - Move the throttle lever to its halfway position between “SLOW” speed and “FAST” speed. [Separate Choke type]
For a Cold Engine – Place the choke control lever into “CHOKE” position. - After starting the engine, gradually return the choke control lever to the fully open position.

- Put the switch key (A) into the engine switch.
- Turn the switch key to the START position on the equipment. Normally the engine will start within 3 seconds.

CAUTION
Do not run the electric starter continuously for more than 5 seconds, otherwise the battery may discharge quickly. If the engine does not start right away, wait 15 seconds and try again.
CAUTION
Whenever you start engine, make sure warning light is not illuminated after engine starts.
If warning light comes on, stop engine immediately and check oil level (If equipped).
Warming Up
After the engine starts, move the throttle lever (A) on the equipment to halfway between “FAST” and “SLOW”.
To warm up the engine, run it for 3 to 5 minutes with the throttle lever in the same load position (halfway) before putting the equipment under load.
Then, move the throttle lever (A) on the equipment to its “FAST” position.

CAUTION
Allow engine to warm up sufficiently (3 to 5 minutes at idle) before applying a load. This will allow oil to reach all engine parts, and allow piston clearance to reach design specifications.
CAUTION
While warming up the engine, make sure the warning light (oil pressure) on dash is not on. The warning light must not be illuminated during engine operation (if equipped).
Engine Inclination
This engine will operate continuously at angles up to 25° in any direction.
Refer to the operating instructions of the equipment this engine powers. Because of equipment design or application, there may be more stringent restrictions regarding the angle of operation.
CAUTION
Do not operate this engine continuously at angles exceeding 25° in any direction. Engine damage could result from insufficient lubrication.
Stopping the Engine
Ordinary Stop
- Move throttle lever (A) to SLOW position.
- Lower the engine speed to the idle speed. Keep running at the idle speed for about one minute.
CAUTION
Engine damage can occur from run-on or after-burning if engine is stopped suddenly from high speed loaded operation. Reduce engine speed to idle for one minute before shutting engine off.
- Turn the engine switch or the switch key to “OFF” position.
For Control Panel Switch Type, move the throttle lever against its low speed end to turn the ignition off.
Emergency Stop - Immediately turn the engine switch or the switch key to “OFF” position.
- Close the fuel valve on the equipment.
For Control Panel Switch Type, move the throttle lever on the equipment to its low speed end. Moving the lever to its low speed end turns ignition off.

WARNING
Always remove Engine Key from switch when leaving equipment unattended or when equipment is not in use.
ADJUSTMENT
Separate choke type of choke control is used for FX921V and FX1000V Model Engines.
Separate Choke Type
Throttle Cable Installation, Adjustment
- Link the throttle cable (A) to the speed control lever (B) and loosely clamp the throttle cable outer housing (C) with the cable clamp bolt (D).
- Move the throttle lever to “FAST” position.
- Pull up the outer housing (C) of the throttle cable until the inner wire (A) has almost no slack, and tighten the cable clamp bolt (D).
- Move the throttle lever to “slow” position. Make sure that the carburetor throttle valve pivot arm (I) is moved smoothly.
Choke Cable Installation, Adjustment
- Link the choke cable (G) to the choke valve pivot arm (H), and loosely clamp the choke cable outer housing (E) with the cable clamp bolt (F).
- Move the equipment choke control to “OPEN” position. Make sure that the carburetor choke valve (pivot arm) (H) is fully opened.
- Pull up the outer housing (E) of the choke cable until the inner wire (G) has almost no slack, and tighten the cable clamp bolt (F).
- Move the equipment choke control to “CHOKE” position. Make sure that the carburetor choke valve (pivot arm) (H) is completely closed.
- Make sure that the choke valve turns from fully close position to fully open position when actuating the equipment choke control.


B. Control Lever (Throttle)
H. Choke Valve Pivot Arm
I. Throttle Valve Pivot Arm
Engine Speed Adjustment
NOTE
- Do not tamper with the governor setting or the carburetor setting to increase the engine speed. Every carburetor is adjusted at the factory and cap or stop plate is installed on each mixture screw.
- If any adjustment is necessary, see your authorized Kawasaki Engine dealer to perform the adjustment.
If any adjustment is necessary, see an authorized Kawasaki engine dealer or equally qualified service facility to perform the adjustment.
MAINTENANCE
Maintenance, replacement, or repair of the emission control devices and systems may be performed by any nonroad engine repair establishment or individual.
Periodic Maintenance Chart
WARNING
Always remove the spark plug caps from spark plugs when servicing the engine to prevent accidental starting.
NOTE
○The service intervals can be used as a guide. Service more frequently as necessary by operating conditions.
♦ : Service more frequently under dusty conditions.
:Service to be performed by an authorized Kawasaki dealer.
Service to be performed by au authorized Kawasaki engine dealer or equally qualified service facility.
| MAINTENANCE | INTERVAL | ||||||
| Daily | Every 50 hr. | Every 100 hr. | Every 200 hr. | Every 250 hr. | Every 300 hr. | Every 500 hr. | |
| Check and add engine oil. | • | ||||||
| Check for loose or lost nuts and screws. | • | ||||||
| Check for fuel and oil leakage. | • | ||||||
| Check battery electrolyte level. | • | ||||||
| Check or clean air inlet screen. | • | ||||||
| MAINTENANCE | INTERVAL | |||||||
| Daily | Every 50 hr. | Every 100 hr. | Every 200 hr. | Every 250 hr. | Every 300 hr. | Every 500 hr. | ||
| Check cleanout cover. | • | |||||||
| •Clean dust and dirt from cylinder and cylinder head fins. | • | |||||||
| Tighten nuts and screws. | • | |||||||
| Change engine oil. | Every 100 hours or 1 year whichever comes first | |||||||
| ♦Check and clean oil cooler fins. | • | |||||||
| Clean and recap spark plugs. | • | |||||||
| Change oil filter. | • | |||||||
| ♦Replace air cleaner primary element. | • | |||||||
| ♦Check air cleaner secondary element. | • | |||||||
| o Clean combustion chamber. | • | |||||||
| Check and adjust valve clearance. | • | |||||||
| Clean and lap valve seating surface. | • | |||||||
| ♦Replace air cleaner secondary element. | • | |||||||
Oil Level Check
Check the oil level daily and before each time of operation. Be sure the oil level is maintained. See
PREPARATION chapter.
Engine Oil Capacity
| FX921V FX1000V | 1.7 L (1.8 US·qt) [when oil filter is not removed] |
| 1.9 L (2.0 US·qt) [when oil filter is removed] |

Oil Cooler Service
Check and clean oil cooler fins every 100 hours.
- Clean dirt off the outside fins with a brush or compressed air.

Oil Change
Change oil every 100 hours or 1 year whichever comes first.
- Run the engine to warm oil.
- Be sure the engine (equipment) is on level sur- face.
- Stop the engine.
- Remove the oil drain plug and drain the oil into a suitable container while engine is warm.
WARNING
Hot engine oil can cause severe burns.
Allow engine temperature to drop from hot to warm level before draining and handling oil.

- Install the oil drain plug.
- Remove the oil gauge and refill with fresh oil (See FUEL AND OIL RECOMMENDATIONS chapter).
- Check the oil level (see PREPARATION chapter).
WARNING
Engine oil is a toxic substance. Dispose of used oil properly. Contact your local authorities for approved disposal methods or possible recycling.
Oil Filter Change
- Change the oil filter every 200 hours of operation.
WARNING
Hot engine oil can cause severe burns.
Allow engine temperature to drop from hot to warm level before attempting to remove oil filter. - Drain the engine oil into a suitable container.
CAUTION
Before removing the oil filter, place suitable pan under filter connection. - Rotate the oil filter (A) counterclockwise to remove it.
- Coat a film of clean engine oil on the seal of new filter.
- Install new filter rotating it clockwise until the seal contacts the mounting surface (B). Then rotate the filter 2/3 turn more by hand.
- Supply engine oil as specified.
- Run the engine for about 3 minutes, stop the engine, and check any oil leakage around the filter.
- Add oil to compensate for oil level drop due to oil filter capacity (see PREPARATION chapter).

A. Oil Filter
B. Mounting Surface
WARNING
Engine oil is a toxic substance. Dispose of used oil properly. Contact your local authorities for approved disposal methods or possible recycling.
Air Cleaner Service
CAUTION
Do not run the engine with the air cleaner removed.
Air Cleaner
This air cleaner elements are not recommended to be cleaned. Replace each air cleaner element with a new one at the maintenance time as shown in the maintenance chart.
CAUTION
To prevent excessive engine wear, do not run the engine with the air cleaner removed.
CAUTION
Do not wash air cleaner elements.
Do not oil air cleaner elements.
Do not use pressurized air to clean airliner elements.
NOTE
Operating in dusty condition may require more frequent maintenance.
Primary Element
Replace the primary element every 250 hrs.
Secondary Element
- Replace the secondary element with a new one, if the secondary element is dirty when the primary element is checked.
- Replace the secondary element with a new one every 500 hrs.
Cap (Dust Ejector Valve)
Push and open the cap on the case of the air cleaner body to expel dust and/or water accumulated inside.
- Unfasten the two retaining clamps (A) and remove the case (B) from the air cleaner body (C).
- Remove the primary element (D) and the secondary element (E) from the air cleaner body by pulling out them.

A. Retaining Clamps
B. Case
C. Air Cleaner Body
F. Cap (Dust Ejector Valve)

D. Primary Element
E. Secondary Element
- Install the new air cleaner elements into the air cleaner body.
- Reinstall the case and the cap (F) then securely fasten the two retaining clamps.
Fuel Filter and Fuel Pump Service
WARNING
Improper use of solvents can result in fire or an explosion.
Do not use gasoline or low flash-point solvents to clean the fuel filter and/or the fuel pump.
Clean only in a well ventilated area away from sources of sparks or flame, including any appliances with a pilot light.
- The fuel filter (A) can not be disassembled. If the fuel filter gets clogged, replace it with a new one.
- The fuel pump (B) can not be disassembled. If the fuel pump fails, replace it with a new one.

Spark Plug Service
WARNING
Hot engine components can cause severe burns.
Stop engine and allow it to cool before checking spark plugs.
Clean or replace the spark plugs and reset the gap (A) every 100 hours of operation.
- Disconnect the spark plug caps from the spark plugs and remove the spark plugs.
- Clean the electrodes (B) by scraping or using a wire brush to remove carbon deposits.
- Inspect for cracked porcelain, other wear or damage.
- Replace the spark plug with a new one if necessary.
- Check the spark plug gap and reset it if necessary.
- The gap must be 0.75 mm (0.030 in). To change the gap, bend only the side electrode, using a spark plug tool.
- Install and tighten the spark plugs to 22 NM (2.2 kgf·cm, 16 flub).
- Fit the spark plug caps on the spark plugs securely.
- Pull up the spark plug caps lightly to make sure of the installation of the spark plug caps.
RECOMMENDED SPARK PLUG
NGK …………………………….BPR5ES
A. Spark Plug Gap
B. Electrodes
Cooling System Cleaning
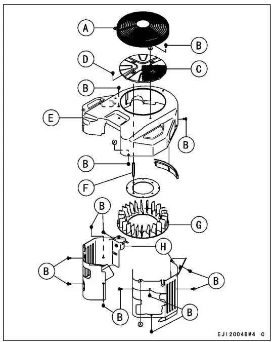
Before each operation, check that the air inlet (rotary) screen (C) is free from grass and debris. Clean the screen if necessary. Every 100 hours of operation, check and clean the cooling fins and the inside of engine shrouds (H) to remove grass, chaff or dirt clogging the cooling system and causing overheating. When cleaning, remove the guard (A), air inlet screen (C) and the cooling fan (G), then remove the Cooling System Cleaning Before each operation, check that the air inlet (row- fan housing (E) and engine shrouds (H) (includes removing the air cleaner, fuel pump, oil cooler and the voltage regulator parts) if necessary. CAUTION Do not run engine before all cooling system parts are reinstalled to keep cooling and carburetion as intended. Before each operation, check that the air inlet (rotary) screen (C) is free from grass and debris. Clean the screen if necessary. Every 50 hours of operation, check dust or debris inside fan housing. To check inside, remove the cleanout cover and see inside from the inspection ports of fan housing. Clean or blow the dust if needed. If it is difficult to clean the dust with the ports, remove the fan housing and clean the dirt completely. Every 100 hours of operation, check and clean the cooling fins and the inside of engine shrouds (H) to remove grass, chaff or dirt clogging the cooling system and causing overheating. When cleaning, remove the guard (A), air inlet screen (C) and the cooling fan (G), then remove the fan housing (E) and engine shrouds (H) (includes removing the air cleaner, fuel pump, oil cooler and the voltage regulator parts) if necessary. tarry) screen (C) is free from grass and debris. Clean the screen if necessary. Every 100 hours of operation, check and clean the cooling fins and the inside of engine shrouds (H) to remove grass, chaff or dirt clogging the cooling system and causing overheating. When cleaning, remove the guard (A), air inlet screen (C) and the cooling fan (G), then remove the fan housing (E) and engine shrouds (H) (includes removing the air cleaner, fuel pump, oil cooler and the voltage regulator parts) if necessary.
CAUTION
Do not run engine before all cooling system parts are reinstalled to keep cooling and carburetion as intended.
[Bolts Size, Tightening Torque]
| Bolts | Size | Length | Tightening torque |
| B | M6 | 12 mm | 5.9 NM (0.6 kef-m, 4.3 ft-lb) |
| D | M6 | 10 mm | 5.9 Nam (0.6 kilim, 4.3 ft-lb) |
| F | M6 | 81 mm | 5.9 N-m (0.6 karma, 4.3 ft-lb) |

STORAGE
Fuel System Draining
When not operating your Kawasaki engine more than 30 days, add fuel stabilizer to fuel tank and run engine for 5 minutes then drain the fuel tank.
After drain the fuel tank, run the engine at low idle until engine stalled.
WARNING
Gasoline is extremely flammable and can be explosive under certain conditions.
Drain fuel before storing the equipment for extended periods.
Drain gasoline in a well ventilated area away from any source of flame or sparks, including any appliances with a pilot light. Store gasoline in an approved container in safe location.
- Clean every part of the engine.
- Be sure that the engine switch or switch key is positioned at “OFF” position.
- Close the fuel valve and remove the sediment bowl.
- Put a pan under the fuel valve to receive the drained gasoline and open the fuel valve to drain the gasoline from fuel tank completely.
- Install the sediment bowl.
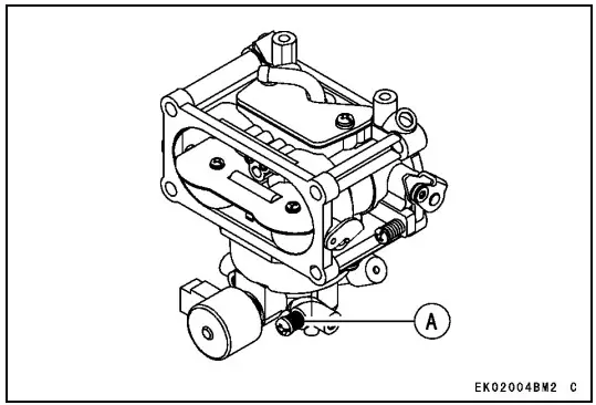
- Put a pan under the carburetor and loosen the drain screw of the carburetor to drain the gasoline completely.
- Tighten the drain screw.

A. Fuel Drain Screw
WARNING
Gasoline is a toxic substance. Dispose of gasoline properly. Contact your local authorities for approved disposal methods.
- Remove the spark plugs and pour approx. 1 ~ 2 mL (0.06 ~ 0.1 cu in.) of engine oil through the spark plug holes [A] then screw the spark plugs in after turning the engine a few times. Slowly turn the engine until you feel the compression then leave it there. This traps the air inside the cylinders and prevents rust inside the engine.
- Wipe the body with oily cloth.
- Wrap the engine with plastic sheeting and store it in a dry place.
- Change engine oil for next use after period of storage. Refer to MAINTENANCE chapter for Oil Change section).

TROUBLESHOOTING GUIDE
If the engine malfunctions, carefully examine the symptoms and the operating conditions, and use the table below as a guide to troubleshooting.
| Symptom | Probable Cause | Remedy | |
| Engine won’t start or output is low | Insufficient compression | Faulty pistons, cylinders, piston rings, and head gaskets | |
| Faulty valves | |||
| Loose spark plugs | Tighten properly | ||
| Loose cylinder head bolts | |||
| No fuel to combustion chamber | No fuel in fuel tank | Fill fuel tank | |
| Fuel valve is not in “ON” position. | Open fuel valve lever. | ||
| Clogged fuel filter or tube | Change fuel filter or fuel tube | ||
| Clogged air vent in tank cap | Clean fuel tank cap | ||
| Faulty carburetor | |||
| Spark plugs fouled by fuel | Over-rich fuel/air mixture | Open choke. Rotate engine with spark plugs removed to discharge excess fuel. Clean spark plugs. | |
| Clogged air cleaner | Clean | ||
| Faulty carburetor | |||
| Incorrect grade/type of fuel | Change fuel | ||
| Water in fuel | |||
| Symptom | Probable Cause | Remedy | |
| No spark or weak spark | Faulty spark plugs | Replace spark plugs | |
| Faulty ignition coils | |||
| Engine switch is in “OFF” position | Turn engine switch to “START” position (See M) | ||
| Low output | Engine overheats | Clogged air cleaner | Clean |
| Air inlet screen or cooling air path clogged with dirt | |||
| Insufficient engine oil | Replenish or change oil | ||
| Carbon build-up in combustion chamber | |||
| Poor ventilation around engine | Select a better location | ||
| Engine speed won’t increase | Faulty governor | ||
Service to be performed by an authorized Kawasaki engine dealer or equally qualified service facility.
M : For Control Panel Switch Type, move the throttle lever on the equipment away from its low speed end to turn the engine switch to “START” position.
ENVIRONMENTAL PROTECTION
To protect our environment, properly dispose of used batteries, engine oil, gasoline, coolant, or other components that you might discard.
Consult your authorized Kawasaki dealer or local environmental waste agency for the proper disposal procedures.
Consult your an authorized Kawasaki engine dealer or equally qualified service facility or local environmental waste agency for the proper disposal procedures.
SPECIFICATIONS
| FX921V, FX1000V | |
| Type | Air- cooled, 4-stroke OHV 6Valves, V-twin cylinder, gasoline engine |
| Bore x Stroke | 89.15 x 80 mm (3.5 x 3.15 in.) |
| Displacement | 999 mL (61 cu.in.) |
| Ignition System | Solid-state ignition |
| Direction of rotation | Counterclockwise facing the PTO Shaft |
| Starting system | Electric starter |
NOTE
Specifications are subject to change without notice.
WIRING DIAGRAM
Wiring Diagram (With 12 V – 15 A Charging Coil)
WARNING
For electrical safety, always remove cable from negative (–) side of battery before attempting any repair or maintenance.
Battery Capacity Recommended
| Model | Battery Capacity |
| Lawn Mower | 12 V 550 CCA Class |
| Snow Thrower | 12 V 550 CCA Class |
NOTE
Portion surrounded by hatching shows Kawasaki procurement parts.
A. Flywheel
B. Ignition Coils
C. Charging Coil
D. Spark Plugs
E. Battery
F. Key Switch
G. Fuse
H. Voltage Regulator
I. Electric Starter
J. Carburetor
WARNING
The engine exhaust from this product contains chemicals known to the State of California to cause cancer, birth defects or other reproductive harm.
For repair or maintenance assistance contact an authorized Kawasaki engine dealer or equally qualified service facility.
For warranty assistance please contact an authorized Kawasaki engine dealer.
Kawasaki engine dealer locator can be found on our website: www.kawasakienginesusa.com
For further assistance email: [email protected] or call 877-364-6404
Kawasaki Motors, Ltd.
Printed in Japan

















