De Longhi NSL460NCM 60cm 4 Burner Life Gas On Glass Cooktop User Manual
Dear Customer,
Thank you for having purchased and given your preference to our product.
The safety precautions and recommendations reported below are for your own safety and that of others. They will also provide a means by which to make full use of the features offered by your appliance. Please keep this booklet in a safe place. It may be useful in future, either to yourself or to others in the event that doubts should arise relating to its operation.
This appliance must be used only for the task it has explicitly been designed for, that is for cooking foodstuffs. Any other form of usage is to be considered as inappropriate and therefore dangerous. The manufacturer declines all responsibility in the event of damage caused by improper, incorrect or illogical use of the appliance or be faulty installation.
This cooktop has been designed and constructed in accordance with the following codes and specifications:
AS 5263.0
AS/NZS 5263.1.1 Approval Requirements for Domestic Gas cooking appliances
AS/NZS 60335.1 Household and similar electrical appliances – Safety General
requirements
AS/NSZ 60335.2.102 Safety Particular requirements for gas, oil and solid-fuel burning appliances having electrical connections
AS/NZS CISPR 14.1 Electromagnetic Compatibility Requirements
IMPORTANT SAFETY PRECAUTIONS AND RECOMMENDATIONS
IMPORTANT: This appliance is designed and manufactured solely for the cooking of domestic (household) food and is not suitable for any non domestic application and therefore should not be used in a commercial environment. The appliance guarantee will be void if the appliance is used within a non domestic environment i.e. a semi commercial, commercial or communal environment.
Read the instructions carefully before installing and using the appliance.
- This appliance has been designed and manufactured in compliance with the applicable standards for the household cooking products and it fulfills all the safety requirements shown in this manual, including those for surface temperatures. Some people with sensitive skin may have a more pronounced temperature perception with some components although these parts are within the limits allowed by the norms. The complete safety of the appliance also depends on the correct use, we therefore recommend to always pay a extreme attention while using the product, especially in the presence of children.
- After having unpacked the appliance, check to ensure that it is
not damaged. In case of doubt, do not use it and consult your supplier or a professionally qualified technician. - Packing elements (i.e. plastic bags, polystyrene foam, nails, packing straps, etc.) should not be left around within easy reach of children, as these may cause serious injuries.
- Some appliances are supplied with a protective film on steel and aluminium parts. This film must be removed before using the appliance.
- IMPORTANT: The use of suitable protective clothing/gloves is recommended when handling or cleaning this appliance.
- Do not attempt to modify the technical characteristics of the appliance as this may become dangerous to use. The manufacturer declines all responsibility for any inconvenience resulting from the inobservance of this condition.
- CAUTION: this appIiance must only be installed in a permanently ventilated room in compliance with the applicable regulations.
- Do not carry out cleaning or maintenance operations on the appliance without having previously disconnected it from the electric power supply.
- Do not use a steam cleaner because the moisture can get into the appliance therefore making it unsafe.
- Do not cover the hob with aluminium foils.
- Do not touch the appliance with wet or damp hands (or feet).
- Do not use the appliance whilst in bare feet.
- If you should decide not to use this appliance any longer (or decide to substitute another model), before disposing of it, it is recommended that it be made inoperative in an appropriate manner in accordance to health and environmental protection regulations, ensuring in particular that all potentially hazardous parts be made harmless, especially in relation to children who could play with unused appliances.
- The various components of the appliance are recyclable. Dispose of them in accordance with the regulations in force in your country. If the appliance is to be scrapped, remove the power cord.
- After use, ensure that the knobs/controls are in the off position.
- Children less than 8 years of age shall be kept away unless continuously supervised.
- This appliance can be used by children aged from 8 years and above and persons with reduced physical, sensory or mental capabilities or lack of experience and knowledge if they have been given supervision or instruction concerning use of the appliance in a safe way and understand the hazards involved. Children shall not play with the appliance. Cleaning and user maintenance shall not be made by children without supervision.
- The manufacturer declines all liability for injury to persons or damage to property caused by incorrect or improper use of the appliance.
- WARNING: During use the appliance and its accessible parts become hot; they remain hot for some time after use.
- Care should be taken to avoid touching heating elements on the hob.
- To avoid burns and scalds, young children should be kept away.
- Make sure that electrical cables connecting other appliances in the proximity of the cooktop cannot come into contact with the hob.
- WARNING: Unattended cooking on a hob with fat or oil can be dangerous and may result in fire. NEVER try to extinguish a fire with water, but switch off the appliance and then cover flame e.g. with a lid or a fire blanket.
- WARNING: Danger of fire: do not store items on the cooking surfaces.
- Do not place or leave empty pans on the glass ceramic hob.
- Do not allow heavy or sharp objects to drop on the glass ceramic hob.
- Do not scratch the hob with sharp objects. Don’t use the hob as a work surface.
- WARNING: If the hob is cracked or otherwise damaged by falling objects etc., disconnect the appliance from the electrical power supply to avoid the possibility of electric shock and call Customer Service.
- WARNING: When correctly installed, your product meets all safety requirements laid down for this type of product category. However special care should be taken around the underneath of the appliance as this area is not designed or intended to be touched and may contain sharp or rough edges, that may cause injury.
- CAUTION: The cooking process has to be supervised. A short term cooking process has to be supervised continuously.
- If the power supply cable is damaged, it must be replaced only by an authorized service agent in order to avoid a hazard.
- DO NOT USE OR STORE FLAMMABLE MATERIALS NEAR THIS APPLIANCE.
- DO NOT SPRAY AEROSOLS IN THE VICINITY OF THIS APPLIANCE WHILE IT IS IN OPERATION.
- DO NOT MODIFY THIS APPLIANCE.
- THIS APPLIANCE SHALL NOT BE USED AS A SPACE HEATER.
- WHERE THIS APPLIANCE IS INSTALLED IN MARINE CRAFT OR IN CARAVANS, IT SHALL NOT BE USED AS A SPACE HEATER
INSTALLATION
CAUTION
- Important: The use of suitable protective clothing/gloves is recommended when handling or cleaning of this appliance.
- This appliance must be installed in accordance with these installation instructions, local gas fitting regulations, municipal building codes, water supply regulations, electrical wiring regulations, – Gas Installations and ony other relevant statutory regulations.
- The appliance must be housed in heat-resistant units.
- We would point out that the adhesive which bonds the plastic laminate to the furniture must withstand temperatures not less than 150°C to avoid delamination.
- Do not instal the appliance near inflammable materials (eg. curtains).
- This appliance is to be installed only by an authorised person.
- This appliance shall be only be serviced by authorized personnel.
- Incorrect installation, for which the manufacturer accepts no responsibility, may cause personal injury of damage.
- Always disconnect the appliance from mains power supply before carrying out any maintenance operations or repairs.
- In the room where the appliance is installed, there must be enough air to allow the gas to burn correctly, according to the current local regulations.
WARNING!
When correctly installed, your product meets all safety requirements laid down for
this type of product category. However special care should be taken around the underneath of the appliance as this area is not designed or intended to be touched and may contain sharp or rough edges, that may cause injury.
ELECTRICAL REQUIREMENTS
- The appliance must be connected to the mains checking that the voltage corresponds to the value given in the rating plate and that the electrical cable sections can withstand the load specified on the plate.
- The plug must be connected to an earthed socket in compliance with safety standards.
- If the appliance is supplied without plug, fit a standard plug which is suitable for the power consumed by the appliance.
- The wires in the power cable are coloured in accordance with the following code: Green/Yellow = Earth, Blue = Neutral, Brown = Active.
If the colours of the wires in the power cable to the appliance do not correspond with the coloured markings identifying the terminals in the junction terminal, proceed as follows:
- The wire which is coloured green and yellow must be connected to the terminal marked “E” (Earth) or “ ” coloured Green.
- The wire which is coloured blue must be connected to the terminal marked “N” (Neutral) or coloured Black.
- The wire which is coloured brown must be connected to the terminal marked “L” (Live) or “A” (Active) or coloured Red.
- A suitable isolating switch providing full disconnection from the mains power supply (under overvoltage category III conditions) shall be incorporated in the permanent wiring, mounted and positioned to comply with the local wiring rules and regulations. The isolating switch must be of an approved type and provide a 3 mm air gap contact separation in all poles (or in all active [phase] conductors if the local wiring rules allow for this variation of the requirements).
- The power supply cable must not touch the hot parts and must be positioned so that it does not exceed 50°C above ambient.
- Once the appliance has been installed, the switch or socket must always be accessible.
- If the supply cord is damaged it must be replaced by the manufacturer or it’s Service Agent or a similarly qualified person in order to avoid a hazard.
N.B. The connection of the appliance to earth is mandatory.
If the installation requires alterations to the domestic electrical system call a qualified electrician.
He should also check that the socket cable section is suitable for the power drawn by the appliance.
Replacing the power cord must be done by a qualified electrician in accordance with the instructions supplied by the manufacturer and in compliance with established electrical regulations.
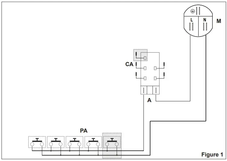
ELECTRIC DIAGRAM KEY
A Ignition coil
PA Ignition switches group (4÷5 depending on model)
CA Spark electrodes (4÷5 depending on model)
M Terminal block
NSL 590D NCM model only:
If fitted with a 6-spark ignition coil, the 6th outlet, not used, is earthed by a ground strap in contact with the basepan.

CLEARANCES
Installation clearances and protection of combustible surfaces shall comply with the current local regulations e.g. AS/NZS5601.1 (latest edition) – Gas Installations code.
The thermal protection barrier must be:
- removable with the use of a tool for installation and service;
- heat-resistant;
- made from low thermal conductivity material.
| Measures (mm) | |||||||
| Description | A | B | C | D | E | F(minimum) | G(minimum) |
| Model NSL 460 NCM | 600 | 510 | 54 (*) | 560 | 480 | 60 (**) | 200 (***) |
| Model NSL 590D NCM | 900 | 510 | 54 (*) | 840 | 480 | 60 (**) | 200 (***) |
(*) From top of countertop
(**) Between the back edge of the cut-out and the back of the countertop.
(***) From the side edge of the cut-out to any vertical combustible surface. If this distance is less than 200 mm, the surface shall be protected (in accordance with AS/NZS5601.1) to a height of not less than 150 mm above the hob for the full dimension (width or depth) of the cooking surface area.
IMPORTANT NOTE:
THIS APPLIANCE SHALL NOT BE USED AS A SPACE HEATER, ESPECIALLY IF INSTALLED IN MARINE CRAFT OR CARAVANS.
The installation shall comply with the dimensions in figs. 2a, 2b bearing in mind that:

- A 40mm ventilation gap must be provided between the bottom of the appliance and any cabinetry, draw unit, thermal protection barrier or appliance.
- If the cooktop is installed directly above an oven (which does not have a cooling fan motor) or if its base is accessible through a cupboard or drawer space after installation, a thermal protection barrier must be installed below the base of the cooktop as indicated in fig. 2c.

- If the oven installed below the cooktop has a cooling fan motor, the thermal protection barrier is not required.
- If the cooktop is installed above an oven, the two appliances shall be connected to the gas and/or electrical supply with independent connections.
- Overhead clearances – In no case shall the clearance between the highest part of the hob and a range hood be less than 600 mm, or for an overhead exhaust fan 750 mm. Any other downward facing combustible surface less than 600 mm above the highest part of the hob shall be protected for the full width and depth of the cooking surface area in accordance with local regulations in force. However, in no case shall this clearance to any surface be less than 450 mm. HEIGHT OF THE TOP OF THE PAN SUPPORTS WITH RESPECT TO THE BENCH TOP SURFACE: 44.2 mm ±3.
Standards requirement
Temperature of nearby surfaces. Australian and New Zealand Gas Installation Standards (AS/NZS5601.1) require a cooktop to be installed so that the surface temperature of any nearby combustible surface will not exceed 65°C above ambient.
- having the cooktop spaced away from the wall (see figures 2a, 2b); AND
- protecting the wall to a height of at least 150 mm along its length (minimum height of non-combustible material when used on adjacent walls) with non-combustible surface materials such as:
- 5 mm-thick ceramic tiles (these alone are adequate);
- tempered glass or sheetmetal, minimum thickness 0.4 mm (acceptable when used in front of a fire resistant material).
FASTENING THE COOKTOP
Each cooktop is provided with an installation kit including brackets and screws for fastening the cooktop to benches from 30 to 40mm thick.
Model NSL 460 NCM, (fig. 3a): The kit includes two “F” type brackets (for the front of the cooktop), two “R” type brackets (for the rear of the cooktop) and four selfthreading screws “S”.
Model NSL 590D NCM (fig. 3b): The kit includes four “F” type brackets (for the front of the cooktop), three “R” type brackets (for the rear of the cooktop) and seven selfthreading screws “S”.
- Cut the unit according to the dimensions in fig. 2a.
- Stretch gasket “G” over the edge of the hole made, being careful to overlay the junction edges (fig. 3c).

- Fasten the brackets “F” and “R” to the appropriate socket holes, without tightening the screws “S” for the moment. Make sure that the tabs are mounted correctly, as shown (figs. 3d, 3e). Rotate the tabs so that the cooktop can be put into the cutout.
- Put the cooktop into the cutout and position it correctly.
- Put the brackets “F” and “R” into place; tooth “A” of the brackets should go into the hole (figs. 3d, 3e).


- Tighten screws “S” until the cooktop is completely secured to the bench.
- Using a sharp cutter or trimmer knife, trim the excess sealing material around the edge of the cooktop. Take care not to damage the workbench.
GAS SUPPL
- This appliance is suitable for use with Natural Gas or ULPG (Check the “gas type” sticker attached to the appliance).
- For Natural Gas the gas supply must be regulated to obtain a pressure of 1 kPa:
- with the two semi-rapid (SR) burners operating at the maximum – model NSL 460 NCM only;
- with the double-ring (DR) burner operating at the maximum – model NSL 590D NCM only.
- For ULPG models connect the gas supply directly to the appliance test point adaptor (supplied with the conversion kit) and ensure that the supply pressure is regulated to 2.75 kPa.
- Do NOT force the ”elbow“ rotation prior to loosening nut.
- Do NOT over tighten the nut at the ”elbow“
- After connecting the gas supply, check the piping and connections for leaks using a soap and water solution. The presence of bubbles indicates a leak, tighten or replace connections as appropriate. Warning: Do not use any naked flame to check for leaks.
- The operation of the appliance MUST be tested before leaving.
- Adjust the test point pressure or supply pressure to the value which is appropriate for the gas type.
- Turn on the appliance gas controls and light each burner. Check for a well defined blue flame without any yellow tipping. If any abnormality is evident then check that the burner flame spreader and burner cap/s are both located properly.
- Check the minimum burner setting by quickly rotating the gas control knob from the maximum to the minimum position, the flame must not go out. If adjustment is required carry out the “MINIMUM BURNER SETTING ADJUSTMENT” procedure described below.
- If satisfactory performance cannot be obtained, the installer shall check the installation and notify the local gas supply authority for a gas supply problem, or if it is an appliance problem, our Customer Service Centre should be called to obtain the nearest authorized Elba Appl. AUS Service Agent.
- Where the appliance data plate cannot be easily read with the appliance in the installed position the duplicate data plate must be attached to adjacent surface and the duplicate Natural gas / ULPG conversion label should also be included where a Natural gas / ULPG conversion has been completed.
INSTALLATION WITH A FLEXIBLE HOSE ASSEMBLY
- If this appliance has to be installed with a hose assembly, the installer shall refer to the network operator or gas supplier for confirmation of the gas type, if in doubt.
- When used with a flexible hose, the connector on the wall should be between 800 mm to 850 mm above the floor and in the region outside the width of the appliance to a distance of 250 mm. The supply connection point shall be accessible with the appliance installed.
- Flexible hose assemblies should be AS/NZS 1869 Class B or Class D certified. The thread connection shall be Rp 1/2” (ISO 7-1) male.
- IMPORTANT WARNING: After connection the installer must check that the hose is not kinked, subjected to abrasion or permanently deformed. The installer must check also that the hose is not near (or in contact) with any hot surfaces e.g. base of metal hotplate, underbench oven etc.
- The hose assembly shall be as short as practicable and comply with relevant AS/NZS5601.1 requirements.
- IMPORTANT WARNING: The installer shall ensure the hose assembly is restrained from accidental contact with the flue outlet of an underbench oven.
TABLE FOR THE CHOICE OF THE INJECTORS
| Natural Gas | ULPG | |||
| Test Point Pressure [kPa] | 1.0 | 2.75 | ||
| BURNER | Injector Orifice Dia. [mm] | Gas Consumption [MJ/h] | Injector Orifice Dia. [mm] | Gas Consumption [MJ/h] |
| Auxiliary (AUX) | 0.92 | 4.20 | 0.56 | 4.20 |
| Semi-rapid (SR) | 1.17 | 6.60 | 0.70 | 6.20 |
| Rapid (R) (1) | 1.54 | 11.75 | 0.88 | 10.78 |
| Double-ring compact (DRC) (2) | 1.48 | 10.70 | 0.85 | 9.60 |
| Double-ring (DR) (3) | 1.68 | 13.70 | 1.04 | 14.10 |
- Only for the model NSL 590D NCM
- Only for the model NSL 460 NCM
- Only for the model NSL 590D NCM
(Note: Gas type sticker and data plate are attached to the underside of the base of the appliance.)
CONVERSION PROCEDURE (to convert to Natural gas or to ULPG) REPLACING THE INJECTORS
The conversion procedure must be carried out only by an authorised person.
This appliance is suitable for use with Natural gas or Universal LPG (check the “gas type” sticker attached to the appliance).
The nominal gas consumption and injector size details are provided in table above.
To replace the injectors proceed as follows:
- Remove pan supports and burners from the cooktop.
- Using a wrench, substitute the injectors “J” (figs. 5a, 5b, 5c) with those most suitable for the kind of gas for which it is to be used (see table above).
- Affix to the appliance the warning label stating that the cooktop has been converted for use with Natural gas/ULPG (supplied with the Natural gas/ULPG conversion kit). A second Natural gas/ULPG conversion label should also be affixed to an adjacent surface along with the duplicate data plate.
IMPORTANT
- If the cooktop is suitable for use with Natural gas and must be converted for use with Universal LPG, before connecting to gas main remove the appliance gas regulator and replace with test point adaptor (see figs. 4a, 4b).
- If the cooktop is suitable for use with Universal LPG and must be converted for use with Natural gas, before connecting to the gas main remove the appliance test point adaptor and replace with gas regulator (see figs. 4a, 4b).
Gas connection for NATURAL GAS
Gas connection for ULPG
NOTE:
Gas regulator and test point adaptor are supplied with the appliance (packed with conversion kit).
The burners are designed so that regulation of primary air is not required.
MINIMUM BURNER SETTING ADJUSTMENT
Check whether the flame spreads to all burner ports when the burner is lit with the gas tap set to the minimum position. If some ports do not light, increase the minimum gas rate setting.
Check whether the burner remains lit even when the gas tap is turned quickly from the maximum to the minimum position. If the burner does not remain lit, increase the minimum gas rate setting.
The procedure for adjusting the minimum gas rate setting is described below
- Using a screwdriver turn screw “A” until the flame setting is correct (fig. 6).

Normally for ULPG fully tighten the adjustment screw.
LUBRICATING THE GAS TAP
If a gas tap is difficult to turn, disassemble it, clean it carefully with petrol and spread a little high-temperature-resistant grease on it. These operations must be performed by an Authorized person/Service agent. Note: Servicing of this appliance is only to be carried out by Authorised Person.
USE and CARE
CAUTION:
- This appliance must be used only for the task it has explicitly been designed for, that is for domestic cooking of foodstuffs. Any other form of usage is to be considered as inappropriate and therefore dangerous. Do not use this appliance as a space heater.
- Do NOT place combustible materials or products on this appliance at any time. Do NOT use or store flammable materials near this appliance.
- Do NOT spray aerosols in the vicinity of this appliance while it is in use.
- Before using for the first time, clean the cooktop with warm soapy water.
- DO NOT MODIFY THIS APPLIANCE.
- IMPORTANT NOTE: THIS APPLIANCE SHALL NOT BE USED AS A SPACE HEATER, ESPECIALLY IF INSTALLED IN MARINE CRAFT OR CARAVANS. Auxiliary (A)
GAS BURNERS
- Semi-rapid (SR)
- Semi-rapid (SR)
- Rapid (R)
- Double-ring compact (DRC)
- Double-ring (DR)
CONTROL KNOBS - Burner control knob (1) – Auxiliary
- Burner control knob (2) – Semi-rapid
- Burner control knob (3) – Semi-rapid
- Burner control knob (4) – Rapid
- Burner control knob (5) – Double-ring compact
- Burner control knob (6) – Double-ring


NOTES:
- The electric ignition is incorporated in the knobs.
- The appliance has a safety valve system fitted, the flow of gas will be stopped if and when the flame should accidentally go out
USING GAS BURNERS
- Check that the electricity is switched on to allow spark ignition.
Make sure that all controls are turned to “
” (burner off). - The gas flow to the burner is controlled by a tap incorporating a safety cut off valve. If the burner flame should go out for some reason, the safety valve will automatically stop the gas flow. The switch of the electric ignition is incorporated in the knobs.
- You control the flow by turning the knob indicator to line up with the following symbols:
- Symbol : tap closed
(burner off) - Symbol
: High (maximum) - Symbol 1: Low (minimum)
- Symbol : tap closed
- You can control the temperature by the knob to “High” (maximum) from “Low” “Minimum”.
- Other intermediate operating adjustments can be achieved by positioning the indicator between the maximum and minimum aperture positions and never between the maximum aperture and the “
” (off) position. - To switch off, turn the knob clockwise until you hear the safety click – “
” (off) position. - Note that, if you are using a burner at the minimum setting, you turn the knob clockwise past the maximum setting before reaching the off position.
- Whenever lighting any of the burners produces an abnormal flame, switch that burner
off and relight using the minimum setting. - If after relighting the burner, the flame is still abnormal, turn the burner off and contact our Customer Service Centre to obtain the nearest authorized Elba Appl. AUS Service Agent.
- In the case of a mains failure light the burner with a match or lighted taper.
- Note: When the cooker top is not being used, check the gas knobs are in their closed position and also close the cock valve on the gas bottle or the main gas supply line.
LIGHTING GAS BURNERS FITTED WITH FLAME FAILURE SAFETY DEVICE
In order to light the burner, you must:
- Turn the knob (figs. 8a – 8b) in anti-clockwise direction up to the maximum aperture (symbol “
”), push in and hold the knob; this will light the gas. If there is no mains electrical supply, bring a lighted match close to the burner.



- Wait for about ten seconds after the gas burner has been lit before letting go of the knob (valve activation delay).
- Adjust the gas valve to the desired position.
- After use, turn the knob to the “
” (off ) position.
Important
- If the burner flame should go out, the safety valve will automatically stop the gas flow.
- To re-light the burner, return the knob to closed “
” position (burner off), wait for at least 1 minute and then repeat the lighting procedure. - N.B. If your local gas supply makes it difficult to light the burner with the knob set to maximum, set the knob to minimum and repeat the operation.
COOKING HINTS FOR GAS HOBS
- The burner must be chosen according to the diameter of the pans and energy required.
- The largest can be used for boiling, to seal meat or foods that are cooked quickly, and the smallest for stews and sauces.
- Always ensure that you use the correct size of saucepan.
- For fast boiling, make sure the flame just reaches the edge of the pan. Flames going up the side of the pan means wasted heat and the contents of the pan will take longer to boil.
- For optimum efficiency use a wok or pan no smaller than 230mm diameter.
- Saucepans with handles which are excessively heavy, in relationship to the weight of the pan, are safer as they are less likely to tip.
- Pans which are positioned centrally on burners are more stable than those which are offset.
- It is far safer to position the pan handles in such a way that they cannot be accidentally knocked.
- When deep fat frying:
- Fill the pan only one third full of oil.
- DO NOT cover the pan with a lid and DO NOT leave the pan unattended.
- In the unfortunate event of a fire, leave the pan where it is and turn off all controls.
- Place a damp cloth or correct fitting lid over the pan to smother the flames.
- DO NOT use water on the fire.
- Leave the pan to cool for at least 30 minutes.
WARNING – VERY IMPORTANT NOTICE
During use cooking vessels become hot. Pay special attention not to touch the hot vessels positioned on the cooking hob especially when operating the control knobs.
| BURNERS | MINIMUM | MAXIMUM |
| Auxiliary | 6 cm | 14 cm |
| Semi-rapid | 16 cm | 24 cm |
| Rapid (model NSL 590D NCM) | 24 cm | 26 cm |
| Double-ring compact (model NSL 460 NCM) | 26 cm | 28 cm |
| Double-ring (model NSL 590D NCM) | 26 cm | 28 cm |
| Wok (*) | – | Max 36 cm |
(*) double-ring compact or double-ring burner (depending on models) with wok adapter correctly fitted
WOK STAND (THE WOK PAN ADAPTOR IS NOT SUPPLIED WITH THE APPLIANCE BUT IT CAN BE PURCHASED SEPARATELY) (figs. 11 – 12) This special grille for woks should be placed over the pan-rest for the double-ring compact or double ring burner (depending on models).
Do not place anything, e.g. flame tamer, asbestos mat, between pan and pan support as serious damage to the appliance may result.
Do not remove the pan support and enclose the burner with a wok stand as this will concentrate and deflect heat onto the hotplate.
Do not use large pots or heavy weights which can bend the pan support or deflect flame onto the hotplate.
Locate pan centrally over the burner so that it is stable and does not overhang the appliance.
Use only a wok support supplied or recommended by the manufacturer of the appliance.
CLEANING and MAINTENANCE
GENERAL ADVICE
- Before you begin cleaning, you must ensure that the appliance is switched off
and disconnected from the electrical power supply. - Important: The use of suitable protective clothing/gloves is recommended when handling or cleaning of this appliance.
- Under no circumstances should any external covers be removed for servicing or maintenance except by suitable qualified personnel.
- It is advisable to clean when the appliance is cold and especially when cleaning the enamelled parts.
- Be very careful that no water penetrates inside the appliance.
- Avoid leaving alkaline or acidic substances (lemon juice, vinegar, etc.) on the surfaces.
- Avoid using cleaning products with a chlorine or acidic base.
- Do not use a steam cleaner because the moisture can get into the appliance thus make it unsafe
WARNING: When correctly installed, your product meets all safety requirements laid down for this type of product category. However special care should be taken around the underneath of the appliance as this area is not designed or intended to be touched and may contain sharp or rough edges, that may cause injury
GLASS SURFACE
- Remove spillages and other types of incrustations by using only specific products which do not contain abrasives or chlorine-based acids.
- If you use a detergent, please make sure that it is not abrasive or scouring. Abrasive or scouring powders can damage the glass surface of the hob.
- All traces of the cleaner must be removed with a damp cloth.
- Dust or food particles can be removed with a damp cloth.
- Dust, fat and liquids from food that has boiled over must be removed as soon as possible.
- If they are allowed to harden they become increasingly difficult to remove. This is especially true in the case of sugar/syrup mixtures which could permanently damage the surface of the hob if left to burn on it.
- Avoid using a knife or other sharp utensil as these may damage the glass surface.
- Do not use steel wool or an abrasive sponge which could scratch the surface permanently.
- Do not put articles on the hob which can melt: i.e plastic, aluminium foil, sugar, sugar syrup mixtures etc.
- Do not use harsh abrasive cleaners or sharp metal scrapers to clean the glass since
- they can scratch the surface, which may result in shattering of the glass.
- Do not place or leave empty pans on the glass ceramic hob.
- Do not allow heavy or sharp objects to drop on the glass ceramic hob.
- Do not scratch the hob with sharp objects. Don’t use the hob as a work surface.
- WARNING: If the hob is cracked or otherwise damaged by falling objects etc., disconnect the appliance from the electrical power supply to avoid the possibility of electric shock and call Customer Service.
ENAMELLED PARTS
- All the enamelled parts must be cleaned with a sponge and soapy water only or other non-abrasive products.
- Dry preferably with a soft cloth.
- If acid substances such as lemon juice, tomato conserve, vinegar etc. are left on the enamel for a long time they will etch it, making it opaque.
GAS TAPS
- In the event of operating faults in the gas taps, call the Service Department.
IMPORTANT WARNING
NEVER unscrew the burner plate fixing screws (fig. 14).
The burner plates can be removed ONLY by an authorised service agent.
Damage to the appliance will occur if not observing this condition and this may result in serious injury to the user.
The manufacturer declines every responsibility for any inconvenience resulting from the inobservance of this condition.
BURNERS
- These parts can be removed and cleaned with appropriate products.
- After cleaning, the burners and their flame spreaders must be well dried and correctly replaced.
- Check that the electrode/s “S” (figs. 15a, 15c, 15d) next to each burner is/are always clean to ensure trouble-free sparking.
- Check that the probe/s “T” (figs. 15a, 15c, 15d) next to each burner is/are always clean to ensure correct operation of the safety valves.


- Both the probe and ignition plug must be very carefully cleaned.
- Note: To avoid damage to the electric ignition do not use it when the burners are not in place.
CORRECT REPLACEMENT OF THE AUXILIARY, SEMI-RAPID AND RAPID BURNER (the rapid burner is available for the model NSL 590D NCM only)
It is very important to check that the burner flame spreader “F” and the cap “C” have been correctly positioned (see figs. 15a and 15b). Failure to do so can cause serious problems.
- They shall be level and the flame spreader must not rotate.
CORRECT REPLACEMENT OF THE DOUBLE-RING COMPACT (model
NSL 460 NCM) AND DOUBLE-RING BURNER (model NSL 590D NCM)
It is very important to check that the burner flame spreader “F1” and “F2” and the caps “A”, “B” have been correctly positioned (see figs. 15c, 15d, 15e, 15f). Failure to do so can cause serious problems.
- Fit the flame spreader to the housing: the burner ribs must be fitted in their housing as shown by the arrows (see figs. 15c, 15d).
DOUBLE-RING COMPACT BURNER (Model: NSL 460 NCM)

- Then position the cap “A” and the ring “B” (see fig. 15e).

- They shall be level and the flame spreader must not rotate (see fig. 15f)

PAN SUPPORTS
These parts must be cleaned using a sponge and soapy water or other suitable nonabrasive products. Dry with a soft cloth.
Warning! Not dishwasher safe.
After cleaning, they must be repositioned properly (fig. 16).
AUXILIARY, SEMI-RAPID AND RAPID BURNER (Rapid burner for model NSL 590D NCM only)
DOUBLE-RING COMPACT (model NSL 460 NCM) AND DOUBLE RING BURNER (model NSL 590D NCM)
It is very important to check that the pan supports have been correctly positioned. Failure to do so can cause serious problems. The pan supports shall be level and must not rotate
SERVICE AND MAINTENANCE
If the ignition spark fails to ignite or does not light the gas, check the following items before calling our Customer Service Centre to obtain the nearest Authorised ELBA APPLIANCES Service Agent shared services with Fisher and Paykel Australia PTY LTD (ELBA Appliances AUS, a division of F&P AUS PTY LTD).
- Burner is reassembled and located correctly.
- Spark electrode and white ceramic are clean and dry.
- 230 or 240 VAC power supply is connected.
Contact the local gas utility or our Customer Service Centre to obtain the nearest Authorized Elba Appl. AUS Service Agent.
- You can smell gas when all burners are turned on.
- The burners do not remain alight at the minimum marked setting.
- The burner flame is yellow or emits an unusual odour.
Note that a bi-annual inspection of the appliance by an authorized service agent or your
locate gas utility will ensure many years of trouble free operation of your appliance.
Servicing the appliance:
Service may be obtained by contacting our Customer Service Centre to locate the nearest Authorised Elba Appl. AUS Service Agent.
Servicing shall be carried out only by authorized personnel. The appliance shall not be modified.
LUBRICATION OF THE GAS TAPS
If the gas tap becomes stiff, it is necessary to dismantle it carefully and clean it with petroleum spirit. Specialist high temperature resistant grease should be used to lubricate the tap before replacing.
These operations must be carried out by an authorized person/service agent.
Descriptions and illustrations in this booklet are given as simply indicative. The manufacturer reserves the right, considering the characteristics of the models described here, at any time and without notice, to make eventual necessary modifications for their construction or for commercial needs.






































