Westinghouse WHG959BD 90cm 5 Burner Black Ceramic Glass Gas Cooktop

CONGRATULATIONS
Dear customer,
Congratulations and thank you for choosing our cooktop. We are sure you will find your new cooktop a pleasure to use and a great asset to your cooking. Before you use the cooktop, we recommend that you read through the whole user manual which provides the description of the cooktop and its functions.
The symbols you will see in this booklet have
these meanings:
- WARNING
This symbol indicates information concerning your personal safety. - CAUTION
This symbol indicates information on how to avoid damaging the cooker or cabinet. - IMPORTANT
This symbol indicates tips and information about use of the cooker. - ENVIRONMENT
This symbol indicates tips and information about economical and ecological use of the cooker.
NOTE: Model codes shown in this manual are the generic code. Your product will also include a two letter suffix which denotes colour and series level.
CONDITIONS OF USE
This appliance is intended to be used in household and similar applications such as:
- Staff kitchen areas in shops, offices and other working environments
- Farm houses
- By clients in hotels, motels and other residential type environments
- Bed and breakfast type environments
- Catering and similar non-retail applications Record model and serial number here:
- Model number: ____________________________________
- Serial number: _____________________________________
Important Information that may impact your Manufacturer’s Warranty
Adherence to the directions for use in this manual
is extremely important for health and safety. Failure to strictly adhere to the requirements in this manual may result in personal injury, property damage and affect your ability to make a claim under the Electrolux manufacturer’s warranty provided with your product. Products must be used, installed and operated in accordance with this manual. You may not be able to claim on the Electrolux manufacturer’s warranty in the event that your product fault is due to failure to adhere to this manual.
IMPORTANT INSTRUCTIONS
BEFORE USING YOUR APPLIANCE
Before you use the appliance, we recommend that you read through the relevant sections of this manual, which provides the description of your appliance and its functions.
To avoid the risks that are always present when you use an appliance, it is important that the appliance is installed correctly and that you read the safety instructions carefully to avoid misuse and hazards.
We recommend that you keep this instruction booklet for future reference and pass it on to any future owners.
This appliance complies with the requirements of Australian Standard AS 5263.
IMPORTANT
Check for any damage or marks. If you find the appliance is damaged or marked, you must report it within 7 days if you wish to claim for damage/marks under the manufacturer’s warranty. This does not affect your statutory rights.
Information on disposal for users
ENVIRONMENT
- Most of the packaging materials are recyclable. Please dispose of these materials through your local recycling depot or by placing them in appropriate collection containers.
- If you wish to discard this product, please contact your local authorities and ask for the correct method of disposal.
Read the following carefully to avoid damage or injury.
WARNING
- Do not allow pots to boil dry, as damage to both pan and cooktop may result.
- Do not operate the cooktop for an extended period of time without a pot or pan on the burner.
- Do not allow large cookware to overhang the cooktop onto adjacent benchtop. This will cause scorching to the benchtop surface.
- Do not allow cooking pots or pans to intrude into the area which is close to the controls.
- Ensure burner bodies and trivets are properly located (see Figure 1&2).
- This cooktop should not be used with any lid or covering on top of the cooktop. Combustible materials must not be stored within 650mm above the cooktop.
CAUTION
Read the following carefully to avoid an electric shock or fire.
It is important to use your cooktop safely. Check these safety points before using your cooktop.
- This appliance is not intended for use by persons (including children) with reduced physical, sensory or mental capabilities, or lack of experience and knowledge, unless they have been given supervision or instruction concerning use of the appliance by a person responsible for their safety.
- Children should be supervised to ensure they do not play with this appliance.
- During use, this appliance becomes hot. Care should be taken to avoid touching hot surfaces. To avoid burns, young children should be kept away.
- DO NOT USE THIS APPLIANCE AS A SPACE HEATER.
- Keep vents clear of obstructions.
- In order to avoid a fire, this appliance must be kept clean.
- DO NOT SPRAY AEROSOLS IN THE VICINITY OF THIS APPLIANCE WHILE IT IS IN OPERATION
- DO NOT USE OR STORE FLAMMABLE MATERIALS IN THE APPLIANCE STORAGE DRAWER OR NEAR THIS APPLIANCE
- Do not remove the trivet and enclose the burner with a wok stand as this will concentrate and deflect heat onto the burner.
- Do not use large pots or heavy weights which can bend the trivet or deflect flame onto the burner.
- Do not place anything, e.g. asbestos mat between pan and trivet as serious damage to the cooktop may occur.
- For maximum stability, ensure pots and pans are centrally located on the trivets.
- Handles should be turned away from the front of the bench to avoid accidents.
- DO NOT MODIFY THIS APPLIANCE.
- Only models fitted with flame safeguard can be used in marine craft, caravans or mobile homes.
PART NAMES
Description of the burner

- Burner
- Skirt
- Flame safeguard sensor
- Injector
- Ignition spark plug


WHG639BD
- Burners – this unit has a small, large and dual wok burner
- Ceramic Glass hob – the glass hob is resistant to heat, cold and rapid temperature changes, but is vulnerable to impact. A pepper mill falling on the hob could crack it. Never stand or put heavy loads on the hob, or use as a storage space
- Control knob
- Enamelled burner skirts
- Removable cast iron trivet (left)
- Removable cast iron trivet (right)
- Wok trivet

WHG959BD
- Burners – this unit has small, medium, large and dual wok burner
- Ceramic Glass hob – the glass hob is resistant to heat, cold and rapid temperature changes, but is vulnerable to impact. A pepper mill falling on the hob could crack it. Never stand or put heavy loads on the hob, or use as a storage space
- Control knob
- Enamelled burner skirts
- Removable cast iron trivet (left)
- Removable cast iron trivet (mid and right)
- Wok trivet
BEFORE FIRST USE
INSTALLATION
- An authorised person must install this appliance and MUST provide a Certificate of Compliance. This certificate should be retained along with purchase information.
- Before using the appliance, ensure that all packing materials are removed from the appliance.
- In order to avoid any potential hazard, the installation instructions in this booklet, and any labels on the appliance must be followed.
- Ensure that all specified vents, openings and air spaces are not blocked.
- Where the appliance is built into a benchtop, the benchtop material must be capable of withstanding 85°C.
- Ensure that the duplicate rating label (in the instruction pack) is attached to a readily accessible adjacent surface, so that the cooktop can be easily identified in the case of a service call.
SERVICING
- Servicing MUST only be carried out by authorised personnel.
- To maintain safe operation, it is recommended that the product be inspected every five years by an authorised service person.
- If the supply cord is damaged, it must be replaced by the manufacturer, its service agent or similarly qualified persons in order to avoid a hazard.
CLEANING
- Always ensure the appliance is turned off before cleaning.
- This appliance contains aluminium fittings.
Do not use caustic based cleaners. - Do not use steam cleaners as this may cause moisture build up on electrical components.
- Always clean the appliance immediately after any food spillage.
- Do not place any components in a dishwasher.
- Refer to page 8 for care and cleaning instructions for stainless/ ceramic hob panel.
CAUTION
- Do not place burners or trivets in a dishwasher.
CONTROLS
Each burner is controlled by a control knob. The markings on the control panel indicate which burner the knob controls, and the setting for that burner (see Figure 3).
LIGHTING BURNERS
Electronic ignition: These cooktops are fitted with mains powered ignition. When the appliance has been connected and the power is on, depressing any knob will release sparks to all burners.
USING YOUR COOKTOP
Figure 3
Standard burner

Dual wok burner

NOTE! Gas controls turn anticlockwise from ‘OFF’ and have limited movement.
CAUTION
- Keep hands clear of burners when lighting.
- If burner does not light within 5 seconds, turn knob to ‘OFF’ position, allow gas to disperse, then try lighting again.
- Burners MUST be operated between ‘HIGH’ and ‘LOW’ settings only. It is recommended not to operate the dual wok burner in the area with dotted graphics.
To light a burner, the knob must be turned to the or ‘HIGH’ position, then pushed down as far as possible for approximately 5 seconds. If the flame goes out when the knob is released simply depress the knob again, this time holding it down with slightly more force for the same length of time.
The height of the flame can be varied by turning the control knob toward the ‘LOW’ position.
Note! When the wok burner is turned to low only the small inner ring stays lit. This is a normal function of the dual wok burner to provide a very low power flame option.
In the absence of electrical power, carry out the ignition directly to the burner with a hand held ignition source.
BURNERS
Choice of burner
For your convenience there is a choice of burners:
- A small burner for special low heat and slow cooking.
- A medium burner for normal cooking and simmering (one on the four burner models and two on the five burner models).
- A large burner for fast heating and large pots and pans.
- A wok burner for very fast heating using a wok or large pot or pan. This wok burner is also a “dual” burner and therefore results in a small low powered flame when the burner is turned down. This is achieved by only supplying gas to the inner ring of the wok burner.
To conserve gas place the pan centrally over the burner and adjust the flame so that it does not extend past the edge of the pan (Figure 4). Do not boil food too rapidly.
A vigorous boil will not cook food any faster, and will waste energy.
Pots and pans
All common pots and pans; aluminium, stainless steel, cast iron, ceramic, etc., may be used on your new gas cooktop. Ensure that the pots or pans are steady and have flat bases to avoid dangerous spill-over of hot liquids and wasted energy.
CAUTION
Never use asbestos mats, wire mats or grids, or aluminum foil as it can lead to overheating, cracked enamel or broken glass. The warranty will be void if these a failure. Woks should only be used on the wok burner and trivet (refer to Figure 3 on page
Figure 4

CLEANING AND CARE
CAUTION
Ensure the appliance is off and cool before cleaning.
Enamel (on burner skirts and trivets)
Persistent stains may require rubbing with a nylon scourer or creamed powder cleansers. Household enamel cleaners are available, follow the manufacturer’s instructions in their use. Harsh abrasive cleaners, powder cleaners, steel wool or wax polishes should not be used.
CAUTION
If the ceramic glass surface is cracked, switch off the appliance immediately to avoid the possibility of electric shock.
Trivets and burners
These can all be lifted off and removed for separate cleaning.
NOTE! When refitting the burners, ensure that they are correctly seated.
Ensure burners are thoroughly dried after cleaning or spillage. When cleaning the burners, ensure that all the flame ports are free of any blockage (refer to Figure 1b on page 4). If necessary, use a toothpick or brush to clear ports. The outer surface of the burner caps have a polished finish and extra care needs to be taken to avoid scratching this surface during cleaning. In instances of heavy soiling, it may be necessary to apply a non-abrasive cleaning compound and rub with a cloth until the soiling is removed and then finish with a soft, dry cloth.
NOTE! DO NOT place trivets or burners in the dishwasher.
Ignition spark plug and flame safeguard sensor
GENTLY clean the ignition spark plug and flame safeguard sensor with a damp cloth to avoid lighting difficulties. Ensure that they are dry before use.
Injector
Ensure the injector remains free of any foreign material. When cleaning the burner spill bowl, first put tape over the injector hole before wipe out the spill bowl to avoid to block the injector hole, then remove the tape after cleaning.
If necessary, use a thin piece of wire to clear the orifice.
| Do’s | Don’ts |
| Use pots with a flat base. | Do not slide pots across the glass as this can results in scratches to the surface |
| Clean when cold unless sugar spills which should be removed with a ceramic scraper. | Do not clean when hot as it is dangerous and cleaning products can burn and stain. |
| Clean after every use with a sponge and soapy water then dry. | Do not leave food residues or water on the ceramic as the contamination can damage the ceramic and screening printed graphics |
| Use a non-scratch scourer (usually blue in colour) if required. | Do not use steel wool or scourer pads that are not specified as non-scratch (usually green in colour). Heavy duty scourers are too abrasive |
| Difficult stains should be removed with a ceramic scraper and cleaning cream specific for ceramic glass cooktops. Cerapol | Do not use general abrasive cleaners as these can cause micro-scratches, dulling the glass surface and increasing the likelihood of contamination embedding into the glass |
| At least once per week use ceramic sealer cream. Ceraseal | Do not use the ceramic top as a cutting board or work bench as this will cause scratches. |
Ceramic Cooktop Cleaning
CUSTOMER ADVICE
Sometimes SURFACE stains appear to be a “bubble” mark under the ceramic glass.
These can be cleaned off with a razor blade scraper and ceramic cleaner.
Keeping the ceramic cooktop clean and protected will keep it in good condition and help avoid breakage.

Available at the following web shops. https://shop.westinghouse.com.au
If the deposit is minimal, simply wipe off with a dry cloth.
If the deposit is more stubborn, clean off with a moist soapy sponge then rinse off.
If the deposit still does not clean off easily, use a non-abrasive nylon scratch pad and special purpose ceramic glass cleaning agent such as Cerapol cleaner (ACC019 – Available from our web shop).
If the deposits are still burnt on and above methods did not work, use a specially designed ceramic glass scraper
(0383001001 – Available from our web shop).
After having successful cleaned the cooktop, apply a ceramic glass conditioner Ceraseal protector (ACC018 – Available from our web shop). The conditioner will leave a protective coating that will help prevent future stains from becoming baked on. Marks which appear to be bubbles under the ceramic will also clean off. Use Ceraseal (ACC018) to help protect the ceramic and allow for easier cleaning. Polish on with a dry clean cloth.
Marks which appear to be bubbles under the ceramic will also clean off.
Use Ceraseal (ACC018) to help protect the ceramic and allow for easier cleaning. Polish on with a dry clean cloth.
TROUBLE SHOOTING
If you have a problem with the cooktop, check the table below. You may be able to solve the problem and this will save you from paying for a service call. You will have to pay for a service call even in the warranty period if the problem is one listed below.
| FAULT | POSSIBLE CAUSES | REMEDY |
| Burner will not light even though the sparker is working. | Knob not held down long enough in ‘High’ or ‘Max’ position for flame safeguard to engage | Repeat lighting procedure and hold knob down for 5 seconds in ‘High’ or ‘Max’ position |
| Gas supply valve turned off | Turn on gas supply to appliance | |
| Wrong knob turned | Ensure the knob you are turning corresponds to the burner you want to light | |
| Port blockage in ignition area | Ensure that ports in ignition area are clean and dry | |
| Ignition spark plugs wet or dirty | Dry or clean ignition spark plugs | |
| No spark is obtained when control knob is activated | Electricity supply is disconnected or switched off | Switch on electricity or check fuses |
| Ignition spark plugs wet or dirty | Dry or clean ignition spark plugs | |
| Flames uneven or tending to lift | Flame ports blocked or wet | or dry flame ports |
| Burner incorrectly fitted | Ensure this component is fitted correctly | |
| Flames not staying on when knob released | Knob not held down long enough in ‘High’ or ‘Max’ position for flame safeguard to engage | Repeat lighting procedure and hold knob down for 5 seconds in ‘High’ position |
| Knob not set between ‘High’ and ‘Low’ | Knob MUST be set between these positions | |
| Dirt or spillage on flame safeguard sensor | Clean flame safeguard sensor tip | |
| Low heat, slow cooking | Incorrect cooking pot or pan being used | Refer to Figure 4 |
| Benchtop or knobs overheating | Incorrect cooking pot or pan used | Check Figure 4 for correct pot or pan to be used |
| Pot or pan not located on burner properly | Ensure pot or pan is centrally located on burner | |
| Cooktop stainless steel discoloured | Pot or pan being used is too large | Ensure pot sizes used are as per user manual requirements. Clean with STEEL POWER (available through spare parts) |
| Outer ring of wok burner goes out when set to low | This is not a failure. This is a function of the dual wok burner to give a very low power flame option | Burner is functioning as intended |
| Elements giving off smoke or odours when first used | Protective oils being removed in first cooking | Do not worry, this is normal |
| Red rings, limescale or water rings, shiny metallic or other discoloration, scratches/ shadows, bubbles or other miscellaneous marks or stains on ceramic glass cooktop surface | Cooktop surface has not been cleaned correctly. Cleaning of the cooktop surface is not coveredunder warranty. If a service call is places to clean the cooktop you will be charged for the visit. | Use a ceramic glass cleaner such as Cerapol |
If the above points have been checked and there is still a problem with the cooktop, please call the Service Centre.
INSTALLATION INSTRUCTIONS
This appliance must be installed by an authorized person and in compliance with:
- AS/NZS 5601.1 Gas Installations Part 1: General Installations, and AS/NZS 5601.2 Gas Installations Part 2: LP Gas installations in caravans and boats for non-propulsive purposes, or the relevant installation code for gas appliances in your country.
- The local gas fitting regulations, municipal building codes, electrical wiring regulations and any other relevant statutory regulations.
- The particular instructions as given below.
- A certificate of compliance MUST be given the customer after the application is successfully installed.
CAUTION
Cooktops are supplied set up for natural gas (NG). To use on LPG, the injectors must be changed using the conversion kit supplied.
Figure 5a – WHG639BD

* to combustible surface (dimension is not relevant if the adjacent surface is non-combustible).
Figure 5b – WHG959BD

* to combustible surface (dimension is not relevant if the adjacent surface is non-combustible).
Figure 5c – Clearance from bench to bottom

| Model | Non-Combustible surface(mm) | Combustible surface(mm) |
| WHG639BD | 55 | 75 |
| WHG959BD | 55 | 75 |
TECHNICAL DATA
We reserve the right to alter these specifications. This appliance conforms to AS 5263.
Table 2
| features | WHG639BD | WHG959BD |
| Cooking zones | 3 | 5 |
| Wok | Yes, dual | Yes, dual |
| Ignition | 230-240V | 230-240V |
| Trivet | Cast | Cast |
| Hob material | Ceramic glass | Ceramic glass |
| Features | Ignition through knob | Ignition through knob |
| Flame safeguard | Yes | Yes |
| Colours | Black | Black |
| Gas types | NG, (LP conversion kit supplied) | NG, (LP conversion kit supplied) |
| cooktop dimensions (mm) | ||
| Width | 595 | 900 |
| Depth | 530 | 530 |
| Height (from top of pan support to bench) | 58 | 58 |
| Height (from bench to bottom) | 54 | 54 |
| cut out dimensions (mm) | ||
| Width | 560 | 860 |
| Depth | 490 | 490 |
| energy rating (NG) – MJ/h | ||
| Small burner | 5.1 | 2X5.1 |
| Medium burner | NA | 9 |
| Large burner | 12.1 | 12.1 |
| Wok burner | 19 | 19 |
| Total MJ/h | 36.2 | 50.3 |
INSTALLATION PROCEDURE
- The bench cutout should be made as per cutout dimensions in Table 2 and Figure 5.
- Adjacent walls, cupboards and protection for combustible materials: Ensure that the appliance is installed in accordance with AS/NZS 5601.1, or AS/NZS 5601.2 with regard to clearances to combustible surfaces and materials, and clearances to rang hoods and exhaust fans. To ensure clearances of 200mm from burners
to vertical combustible surfaces observe the minimum distance requirements shown in Figure 5.
Clearances to combustible surfaces may be reduced if combustible surfaces are protected
in accordance with AS/NZS 5601.1, or AS/NZS 5601.2. - For existing installations where only the gas appliance is being replaced
The overhead clearance from the highest part of the highest burner of this gas appliance to the range hood shall be not less than 600mm and not less than 750 mm for an exhaust fan.
Any other downward facing combustible surface less than 600 mm above from the highest part of the highest burner of this gas appliance shall be protected for the full width and depth of the hob in accordance with AS/NZS 5601.
Clearance to any overhead surface shall be not less than 450 mm. - For all other installations:
The overhead clearance between the supporting surface for the cooking vessels (top of the trivets) of this gas cooking appliance and a range hood or exhaust fan (overhead clearance) shall be not less than 650 mm for a range hood, and not less than 750 mm for an exhaust fan.
A Rang hood or exhaust fan shall be installed in accordance with the range hood or exhaust fan manufacturer’s relevant instructions.
Where the range hood or exhaust fan manufacturer’s relevant instructions specify a greater clearance, then this greater clearance shall apply.
Any other downward facing combustible surface less than 650 mm above the supporting surface for the cooking vessels shall be protected for the full width and depth of the hob in accordance with
AS/NZS 5601.
Clearance to any overhead surface shall be not less than 450 mm.
Note 1: Removable accessories such as a wok trivet that sits upon a hob trivet are not taken into account in determination of the supporting surface for the cooking vessels.
Note 2: Minor elevations in trivets such as a wok trivet formed into a trivet are not taken into account in determination of the supporting surface for the cooking vessels.
Note 3: The height of the top of the pan supports
(top of the trivets) with respect to the bench top (built in) or supporting surface (elevated) or the floor
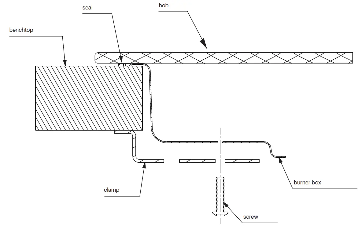
(freestanding) are detailed separately in these instructions. - For Ceramic Glass models a FOAM SEAL has been provided and is to be applied along the perimeter of the hob
- Fit the pull down clamps supplied to ensure that the cooktop cannot move after installation.
WARNING!
Failure to fix the cooktop to the bench could result in loosening of the gas connection through movement of the cooktop and a gas leak may result.
Four clamps and screws are supplied with 3/4-burner models and six clamps and screws are supplied with
5-burner models. Fit the clamps as shown in Figure 7 .
When benchtops are less than 33mm in thickness, it may be necessary to fit a spacer between the benchtop and each clamp to ensure clamps can be tightened sufficiently
Figure 6a – WHG639BD

Figure 6b – WHG959BD

NOTE: Distances shown to adjacent walls/surfaces are for the distance to a combustible surface. If the surface is not combustible the measurement can be smaller than that shown.
Figure 7 – Clamp fitment

GAS CONNECTION
OPERATION ON N.G./S.N.G
This appliance is supplied for use with Natural Gas. However, it can be converted for use with LPG.
Supply pipe sizing
The total hourly gas consumption for the appliance is shown on the data label. The required supply pressure (i.e. at inlet to appliance regulator) for each gas type is shown on the data label, and given in Table 3 (page 18). Use this information in conjunction with the length of run, number of elbows, tees and bends, the available service pressure and the supply requirements of other installed appliances to determine a suitable pipe size. For assistance in this matter refer to the appropriate section of AS/NZS 5601.1 or AS/NZS 5601.2.
An AGA certified class B or D flexible connection may be used to connect the cooktop in accordance with AS/NZS 5601.1, in particular section 5.9 and clause 6.10.1.8, or AS/NZS 5601.2, in particular section 2.11. Where a hose assembly is used and the cooktop is in the installed position, the hose assembly shall be suitable for connection to a fixed consumer piping outlet located at
a point 800 – 850mm above the floor and in the region outside the width of the appliance to a distance of 250mm. The point of connection to consumer piping must be accessible with appliance installed.
ELBOW POSITIONING
It is possible to reposition the elbow if required by loosening the locking nut and elbow by using two spanners. Re-tighten the entire assembly after the elbow has been repositioned. When fitting elbow to appliance, ensure that the sealing washer is fitted. Note to Installer: Assembly of elbow to manifold at rear of unit requires two spanners to secure locking nut and ensure leak free connection. For this reason the elbow is best secured onto cooktop manifold before installing unit into benchtop.
Regulator
An appliance regulator is provided. The regulator must be positioned so that the pressure test nipple is accessible when the appliance is installed.
Connect the gas supply to the ½” B.S.P. internal thread inlet of the regulator. Refer to ‘bench cutout’ (Figure 8) for connection point position.
Regulators are supplied pre-adjusted and configured by the component maker for use with Natural Gas.
The appliance installer is not required to make an adjustment to obtain the correct outlet pressure setting.
An arrow on the base of the regulator indicates the direction of gas flow when the inlet and outlet of the regulator is orientated correctly. When the regulator has been fitted check for leaks from the connections with soapy water.
Assembly of the regulator
The assembly of the regulator to the cooktop manifold is achieved via the elbow union and sealing washer supplied, refer to figure 8.
The ½” parallel thread connects to the manifold, and the sealing washer is placed between the manifold end and the flat face on the elbow.
The ½” tapered thread connects to the outlet of the regulator, and is sealed on the thread using approved thread sealing tape or approved thread sealing compound.
The inlet of the regulator is a ½” parallel thread and is connected to consumer piping or hose assembly.
Regulators are supplied pre-adjusted and configured by the component maker for use with Natural Gas.
The appliance installer is not required to make an adjustment to obtain the correct outlet pressure setting.
An arrow on the base of the regulator indicates the direction of gas flow when the inlet and outlet of the regulator is orientated correctly. When the regulator has been fitted check for leaks from the connections with soapy water.
Figure 8

CHECKING THE GAS SUPPLY
- Check the manometer zero point is correct.
- Connect the manometer to the cooktop pressure point. This is located on the regulator.
- Turn on the gas supply and electricity and try to ignite the gas.
NOTE! It will take additional time to light the gas for the first time as air needs to be purged from the pipes. - With the appliance operating check the outlet pressure
- when all burners of the appliance are operating at maximum,
- when the smallest burner of the appliance is operating at minimum.
Under these conditions the outlet pressure should not vary from the nominal outlet pressure of 1.00kPa by more than ±0.20kPa.
If the regulator appears to not be performing satisfactorily, then check the following points:
- If the outlet pressure is consistently too low then the inlet pressure may be too low and adjustment of an upstream regulator may be needed, or an upstream regulator or valve with insufficient flow capacity may be present in the gas supply line. If this is suspected then it may be necessary to repeat the checks whilst measuring both the inlet and outlet pressure to determine if the inlet pressure is in the range 1.13 – 5kPa.
- Check that the regulator has been fitted to the gas supply line in the correct orientation, the arrow on the base of the body indicates the direction of gas flow.
Once these checks have been completed, if the regulator still fails to perform in a satisfactory manner it should be replaced.
Table 3
| burner type | natural gas (nominal test point pressure: 1.00kPa) | LPG (nominal test point pressure: 2.60kPa) | ||
| injector size (mm) | gas consumption (MJ/h) | injector size (mm) | gas consumption (MJ/h) | |
| Small burner | 1.00 | 5.1 | 0.55 | 4.0 |
| Medium burner | 1.35 | 9.0 | 0.70 | 6.5 |
| Large burner | 1.60 | 12.1 | 0.90 | 10.7 |
| Dual Wok | 0.96 + 3 x 1.07 | 19.0 | 0.52 + 3 x 0.58 | 17.0 |
LPG CONVERSION
This appliance is supplied set up for Natural Gas usage. A conversion kit is included with the product for Universal LPG usage. The conversion kit contains the appropriate injectors and 1 LPG sticker.
Please follow the procedure below if a conversion to suit UNIVERSAL LPG is required:
- Remove the hotplate trivets, burner caps and burner crowns to access the hotplate injectors. Replace the factory fitted injectors with the appropriate injectors, as supplied. Refer to injector orifice table for injector sizes. The injector size is stamped on the side of the injector.
- Unscrew the top hat nut from the regulator. The top hat nut and control pressure spring assembly will disengage as an assembly.
- Unscrew the threaded pin from top hat.
- Upturn threaded pin, so spring is free and screw pin back into the top hat until firm.
- Refit the top hat nut assembly to the regulator ensuring that it is fully screwed down. The regulator is now set for connection to LPG.
- Turn on the gas supply and at each new connection check for leaks using soapy water. Each hotplate valve should be turned on, one at a time, and the injector hole blanked off for several seconds.
- The operation of the regulator can be confirmed by connecting a manometer to the pressure test point located on the side of the regulator body adjacent to the outlet.
With the appliance operating check the outlet pressure when all burners of the appliance are operating at maximum, when the smallest burner of the appliance is operating at minimum.
Under these conditions the outlet pressure should not vary from the nominal outlet pressure of 2.60kPa by more than ±0.52kPa. - If the regulator appears to not be performing satisfactorily then check the following points:
I f the outlet pressure is consistently too low then the inlet pressure may be too low and adjustment of an upstream regulator may be needed, or an upstream regulator or valve with insufficient flow capacity may be present in the gas supply line.
If this is suspected then it may be necessary to repeat the checks whilst measuring both the inlet and outlet pressure to determine if the inlet pressure is in the range 2.75 – 7.00kPa.
Check that the insert has been fitted correctly. Check that the turret screw is fully screwed down. Check that the regulator has been fitted to the gas supply line in the correct orientation, the arrow on the base of the body indicates the direction of gas flow.
Once these checks have been completed, if the regulator still fails to perform in a satisfactory manner it should be replaced. - One by one, turn the knobs to minimum and screw in the bypass screw (accessible when the knob is removed) until a small stable flame results. Turn the knob to maximum and then back to minimum to ensure that the correct minimum flame is maintained.
- Attach the LPG sticker to the cooker, near the gas supply inlet. Cover the Natural Gas label that is factory fitted.


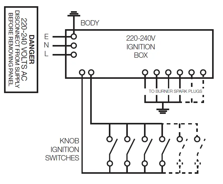
ELECTRICAL CONNECTION (220-240 VOLTS)
The appliance is supplied with a standard 7.5 Amp service cord terminated by a 3-pin plug for connection to a standard household socket. The electrical supply is required to power the electronic ignition system.
NOTE! It will be necessary for servicing purposes to disconnect the electrical power supply. The power point should therefore be accessible after the appliance is installed, as specified in the local wiring regulations.
Diagram 1 is a schematic of the wiring in the appliance. WEIGHT of the unit is printed on the appliance packaging label.
Diagram 1

TESTING APPLIANCE OPERATION
After installation, test the appliance and ensure that it operates correctly before handing it over to the customer. The following procedure is recommended:
- Turn on the gas and electricity supply and attempt ignition on all burners, both separately and in combination. (For correct procedure refer to page 7 Lighting Burners). Note that additional time needs to be allowed for the initial lighting as air has to be purged from the pipes.
- Observe the flame appearance on each burner
(Figure 9). If it is much larger or much smaller than expected, the injector size and supply pressure require checking. Where a flame is unsatisfactory, refer to the Troubleshooting Guide (page 10) to correct the fault. If the Troubleshooting Guide does not solve the problem, call the Service Centre. - When all the foregoing is satisfactory, check the turndown (minimum or low) setting on each burner, as this may need adjustment. Valves have a bypass controlling screw, which may be accessed by removing the knob. This screw will be located on a particular area of the valve (refer Figure 10). Normally, this will have been correctly set at the factory for use on Natural Gas (NG) and should not require adjustment.
IMPORTANT
If the appliance has been converted to LPG, then the bypass screw will HAVE to be screwed in until a small, stable flame results.
Please ensure the supply pressure has been checked PRIOR to any adjustment. - If the appliance cannot be adjusted to perform safely inform the customer of the problem and affix an appropriate warning notice to the appliance. If the fault appears to be dangerous the appliance should be disconnected. If a minor fault exists, the customer may wish to use the appliance while awaiting service. I f a fault cannot be fixed, please call the
Service Centre. - The customer should be advised that, in the event of a fault, the local service organization or the retailer from whom the appliance was purchased should be contacted.
- When satisfied that the unit is operating correctly, turn off and instruct the customer on correct operation as outlined in this booklet. Ask the customer to operate the controls to ensure that
the correct procedure is understood.
CAUTION
Servicing must only be carried out by an authorised service person.
Injector sizes required for various gas types are shown in Table 3 (page 18). The appliance test point pressure for each gas type is also shown.
For model identification after installation, an additional data plate sticker has been provided. This sticker is to be stuck onto adjacent cabinetry.
Figure 9

Figure 10

Warranty
FOR SALES IN AUSTRALIA AND NEW ZEALAND
APPLIANCE: WESTINGHOUSE BUILT-IN OVENS, COOKTOPS AND FREESTANDING COOKER
This document sets out the terms and conditions of the product warranties for Westinghouse Appliances. It is an important document. Please keep it with your proof of purchase documents in a safe place for future reference should there be a manufacturing defect in your Appliance. This warranty is in addition to other rights you may have under the Australian Consumer Law.
- In this warranty:
- ‘ACL’ or ‘Australian Consumer Law’ means Schedule 2 to the Competition and Consumer Act 2010;
- Appliance’ means any Electrolux product purchased by you and accompanied by this document;
- ASC’ means Electrolux’s authorised serviced centres;
- ‘Westinghouse’ is the brand controlled by Electrolux Home Products Pty Ltd of 163 O’Riordan Street, Mascot NSW 2020, ABN 51 004 762 341 in respect of Appliances purchased in Australia and Electrolux (NZ) Limited (collectively “Electrolux”) of 3-5 Niall Burgess Road, Mount Wellington, in respect of Appliances purchased in New Zealand;
- ‘Warranty Period’ means the period specified in clause 3 of this warranty;
- ‘you’ means the purchaser of the Appliance not having purchased the Appliance for re-sale, and ‘your’ has a corresponding meaning.
- Application: This warranty only applies to new Appliances, purchased and used in Australia or New Zealand and is in addition to (and does not exclude, restrict, or modify in any way) other rights and remedies under a law to which the Appliances or services relate, including any non-excludable statutory guarantees in Australia and New Zealand.
- Warranty Period: Subject to these terms and conditions, this warranty continues in Australia for a period of 24 months and in New Zealand for a period of 24 months, following the date of original purchase of the Appliance.
- Repair or replace warranty: During the Warranty Period, Electrolux or its ASC will, at no extra charge if your Appliance is readily accessible for service, without special equipment and subject to these terms and conditions, repair or replace any parts which it considers to be defective. Electrolux may, in its absolute discretion, choose whether the remedy offered for a valid warranty claim is repair or replacement. Electrolux or its ASC may use refurbished parts to repair your Appliance. You agree that any replaced Appliances or parts become the property of Electrolux.
- Travel and transportation costs: Subject to clause 7, Electrolux will bear the reasonable cost of transportation, travel and delivery of the Appliance to and from Electrolux or its ASC. Travel and transportation will be arranged by Electrolux as part of any valid warranty claim.
- Proof of purchase is required before you can make a claim under this warranty.
- Exclusions: You may not make a claim under this warranty unless the defect claimed is due to faulty or defective parts or workmanship. This warranty does not cover:
- light globes, batteries, filters or similar perishable parts;
- parts and Appliances not supplied by Electrolux;
- cosmetic damage which does not affect the operation of the Appliance;
- damage to the Appliance caused by:
- negligence or accident;
- misuse or abuse, including failure to properly maintain or service;
- improper, negligent or faulty servicing or repair works done by anyone other than an Electrolux authorised repairer or ASC;
- normal wear and tear;
- power surges, electrical storm damage or incorrect power supply;
- incomplete or improper installation;
- incorrect, improper or inappropriate operation;
- insect or vermin infestation;
- failure to comply with any additional instructions supplied with the Appliance;
In addition, Electrolux is not liable under this warranty if: - the Appliance has been, or Electrolux reasonably believes that the Appliance has been, used for purposes other than those for which the Appliance was intended, including where the Appliance has been used for any non-domestic purpose;
- the Appliance is modified without authority from Electrolux in writing;
- the Appliance’s serial number or warranty seal has been removed or defaced
- How to claim under this warranty: To enquire about claiming under this warranty, please follow these steps:
- carefully check the operating instructions, user manual and the terms of this warranty;
- have the model and serial number of the Appliance available;
- have the proof of purchase (e.g. an invoice) available;
- telephone the numbers shown below.
- Australia: For Appliances and services provided by Electrolux in Australia: Electrolux goods come with guarantees that cannot be excluded under the Australian Consumer Law. You are entitled to a replacement or refund for a major failure and for compensation for any other reasonably foreseeable loss or damage. You are also entitled to have the Appliance repaired or replaced if the Appliance fails to be of acceptable quality and the failure does not amount to a major failure.
‘Acceptable quality’ and ‘major failure’ have the same meaning as referred to in the ACL. - New Zealand: For Appliances and services provided by Electrolux
in New Zealand, the Appliances come with a guarantee by Electrolux pursuant to the provisions of the Consumer Guarantees Act, the Sale of Goods Act and the Fair Trading Act. Where the Appliance was purchased in New Zealand for commercial purposes the Consumer Guarantee Act does not apply. - Confidentiality: You accept that if you make a warranty claim, Electrolux and its agents including ASC may exchange information in relation to you to enable Electrolux to meet its obligations under this warranty.
Important Notice
Before calling for service, please ensure that the steps listed in clause 8 above have been followed.
| AUSTRALIA | FOR SERVICE or to find the address of your nearest authorised service centre in Australia PLEASE CALL 13 13 49 | FOR SPARE PARTS or to find the address of your nearest spare parts centre in Australia PLEASE CALL 13 13 50 |
| NEW ZEALAND | FOR SERVICE or to find the address of your nearest authorised service centre in New Zealand PLEASE CALL 0800 10 66 10 | FOR SPARE PARTS or to find the address of your nearest spare parts centre in New Zealand PLEASE CALL 0800 10 66 20 |
For more information on all Westinghouse appliances, or for dimension and installation information, call into your retailer, phone or email our customer care team or visit our website:
AUSTRALIA
- Phone: 13 13 49
- Email: [email protected]
- Web: westinghouse.com.au
NEW ZEALAND
- Phone: 0800 436 245
- Email: [email protected]
- Web: westinghouse.co.nz
ANC 305387224 Rev A
© 2022 Electrolux Home Products Pty Ltd.
ABN 51 004 762 341


















