S2-A36F
4 CHANNEL POWER AMPLIFIER
S2-A55V
4 CHANNEL + MONO POWER AMPLIFIER
Please read before using this equipment.
OWNER’S MANUAL
WARNING
Points to Observe for Safe
Usage
Read this manual carefully before using the system components. They contain instructions on how to use this product in a safe and effective manner.
Alpine cannot be responsible for problems resulting from failure to observe the instructions in this manual.
WARNING
This symbol means important instructions.
Failure to heed them can result in serious injury or death.
DO NOT OPERATE ANY FUNCTION THAT TAKES YOUR ATTENTION AWAY FROM SAFELY DRIVING YOUR VEHICLE.
Any function that requires your prolonged attention should only be performed after coming to a complete stop. Always stop the vehicle in a safe location before performing these functions. Failure to do so may result in an accident.
KEEP THE VOLUME AT A LEVEL WHERE YOU CAN STILL HEAR OUTSIDE NOISES WHILE DRIVING.
Excessive volume levels that obscure sounds such as emergency vehicle sirens or road warning signals (train crossings, etc.) can be dangerous and may result in an accident. LISTENING AT LOUD VOLUME LEVELS IN A CAR MAY ALSO CAUSE HEARING DAMAGE.
DO NOT DISASSEMBLE OR ALTER.
Doing so may result in an accident, fire or electric shock.
USE THIS PRODUCT FOR MOBILE 12V APPLICATIONS.
Use for other than its designed application may result in fire, electric shock or other injury.
USE THE CORRECT AMPERE RATING WHEN REPLACING FUSES.
Failure to do so may result in fire or electric shock.
DO NOT BLOCK VENTS OR RADIATOR PANELS.
Doing so may cause heat to build up inside and may result in fire.
MAKE THE CORRECT CONNECTIONS.
Failure to make the proper connections may result in fire or product damage.
USE ONLY IN CARS WITH A 12 VOLT NEGATIVE GROUND.
(Check with your dealer if you are not sure.) Failure to do so may result in fire, etc.
BEFORE WIRING, DISCONNECT THE CABLE FROM THE NEGATIVE BATTERY TERMINAL.
Failure to do so may result in electric shock or injury due to electrical shorts.
DO NOT ALLOW CABLES TO BECOME ENTANGLED IN SURROUNDING OBJECTS.
Arrange wiring and cables in compliance with the manual to prevent obstructions when driving. Cables or wiring that obstruct or hang up on places such as the steering
wheel, gear lever, brake pedals, etc. can be extremely hazardous.
DO NOT SPLICE INTO ELECTRICAL CABLES.
Never cut away cable insulation to supply power to other equipment. Doing so will exceed the current carrying capacity of the wire and result in fire or electric shock.
DO NOT DAMAGE PIPE OR WIRING WHEN DRILLING HOLES.
When drilling holes in the chassis for installation, take precautions so as not to contact, damage or obstruct pipes, fuel lines, tanks or electrical wiring. Failure to take such precautions may result in fire.
DO NOT USE BOLTS OR NUTS IN THE BRAKE OR STEERING SYSTEMS TO MAKE GROUND CONNECTIONS.
Bolts or nuts used for the brake or steering systems (or any other safety-related system), or tanks should NEVER be used for installations or ground connections. Using such
parts could disable control of the vehicle and cause fire etc.
KEEP SMALL OBJECTS SUCH AS BATTERIES OUT OF THE REACH OF CHILDREN.
Swallowing them may result in serious injury. If swallowed, consult a physician immediately.
CAUTION
This symbol means important instructions.
Failure to heed them can result in injury or property damages.
HALT USE IMMEDIATELY IF A PROBLEM APPEARS.
Failure to do so may cause personal injury or damage to the product. Return it to your authorized Alpine dealer or the nearest Alpine Service Center for repairing.
HAVE THE WIRING AND INSTALLATION DONE BY EXPERTS.
The wiring and installation of this unit requires special technical skill and experience. To ensure safety, always contact the dealer where you purchased this product to have the work done.
USE SPECIFIED ACCESSORY PARTS AND INSTALL THEM SECURELY.
Be sure to use only the specified accessory parts. Use of other than designated parts may damage this unit internally or may not securely install the unit in place. This may cause parts to become loose resulting in hazards or product failure.
ARRANGE THE WIRING SO IT IS NOT CRIMPED OR PINCHED BY A SHARP METAL EDGE.
Route the cables and wiring away from moving parts (like the seat rails) or sharp or pointed edges. This will prevent crimping and damage to the wiring. If wiring passes through a hole in metal, use a rubber grommet to prevent the wire’s insulation from being cut by the metal edge of the hole.
DO NOT INSTALL IN LOCATIONS WITH HIGH MOISTURE OR DUST.
Avoid installing the unit in locations with high incidence of moisture or dust. Moisture or dust that penetrates into this unit may result in product failure.
SERVICE CARE
IMPORTANT NOTICE
This Amplifier has been type tested and found to comply with the limits for a Class B computing device in accordance with the specifications in Subpart J of Part 15 of FCC Rules. This equipment generates and uses radio frequency energy, and it must be installed and used properly in accordance with the manufacturer’s instructions.
SERIAL NUMBER:______________________________
INSTALLATION DATE:_________________________
INSTALLATION TECHNICIAN:__________________
PLACE OF PURCHASE:_________________________
IMPORTANT
Please record the serial number of your unit in the space provided here and keep it as a permanent record. The serial number plate is located on the rear of the unit.
For European Customers
Should you have any questions about warranty, please consult your store of purchase.
For Customers in other Countries
IMPORTANT NOTICE
Customers who purchase the product with which this notice is packaged, and who make this purchase in countries other than the United States of America and Canada, please contact your dealer for information regarding warranty coverage.
ACCESSORIES
- Self-Tapping Screw ………………………………………………….4
- Hexagon Wrench ……………………………………………………..1
INSTALLATION
Due to the high power output of the S2-A36F/S2-A55V considerable heat is produced when the amplifier is in operation. For this reason, the amplifier should be mounted in a location which will allow for free circulation of air, such as inside the trunk. For alternate installation locations, please contact your authorized Alpine dealer.
- Using the amplifier as a template, mark the four screw locations.
- Make sure there are no objects behind the surface that may become damaged during drilling.
- Drill the screw holes.
- Position the S2-A36F/S2-A55V over the screw holes, and secure with four self-tapping screws.

ATTACHING THE TERMINAL COVERS
Attach the terminal covers (included) after connections and confirmation of correct operation.
Attaching the terminal covers will improve the appearance of the unit.
How to attach the terminal covers:
Attach the left and right terminal covers using the supplied Self-Tapping Screws (3×8), as shown in the figure below.

CAUTION
Do not lift or carry the unit by the attached terminal covers.
CONNECTIONS
Before making connections, be sure to turn the power off to all audio components.
S2-A36F

S2-A55V

*1 For details on the wires size to be used, refer to the supplied “Cautions on Power Supply Wires Connection” and “Cautions on Power Supply Wires” (page 17), and then use the wire of the specified size.
*2 Be sure to add an External Fuse (e.g. Fuse Block, Circuit Breaker) with the battery lead as close as possible to the battery’s positive (+) terminal. Add an external fuse with the same capacity, or a slightly larger capacity, as the sum total of the fuse capacities of the amplifier.
For details on the fuse capacity of this machine, see “Battery Lead ( 4 )” (page 6).
*3 Connect all equipment to the same ground point while keeping wire length as short as possible.
*4 To securely connect the ground lead, use an already installed screw.
To prevent external noise from entering the audio system
- Locate the unit and route the leads at least 10 cm (4”) away from the vehicle’s harness.
- Keep the battery power leads as far away from other leads as possible.
- Connect the ground lead securely to a bare metal spot (remove any paint or grease if necessary) of the vehicle’s chassis.
- If you add an optional noise suppressor, connect it as far away from the unit as possible. Your Alpine dealer carries various noise suppressors, contact them for further information.
- Your Alpine dealer knows best about noise prevention measures so consult your dealer for further information.
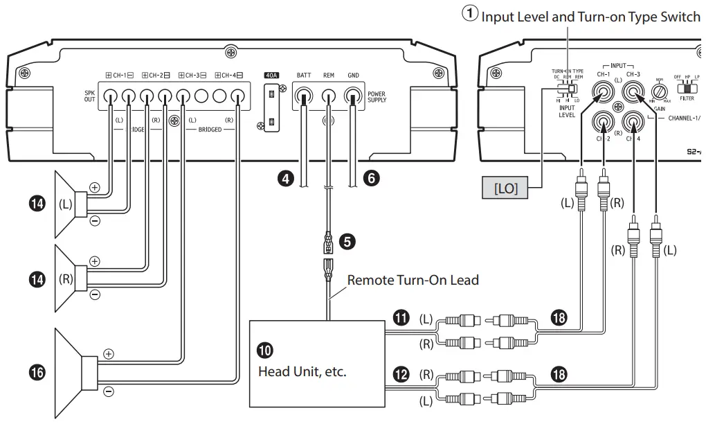
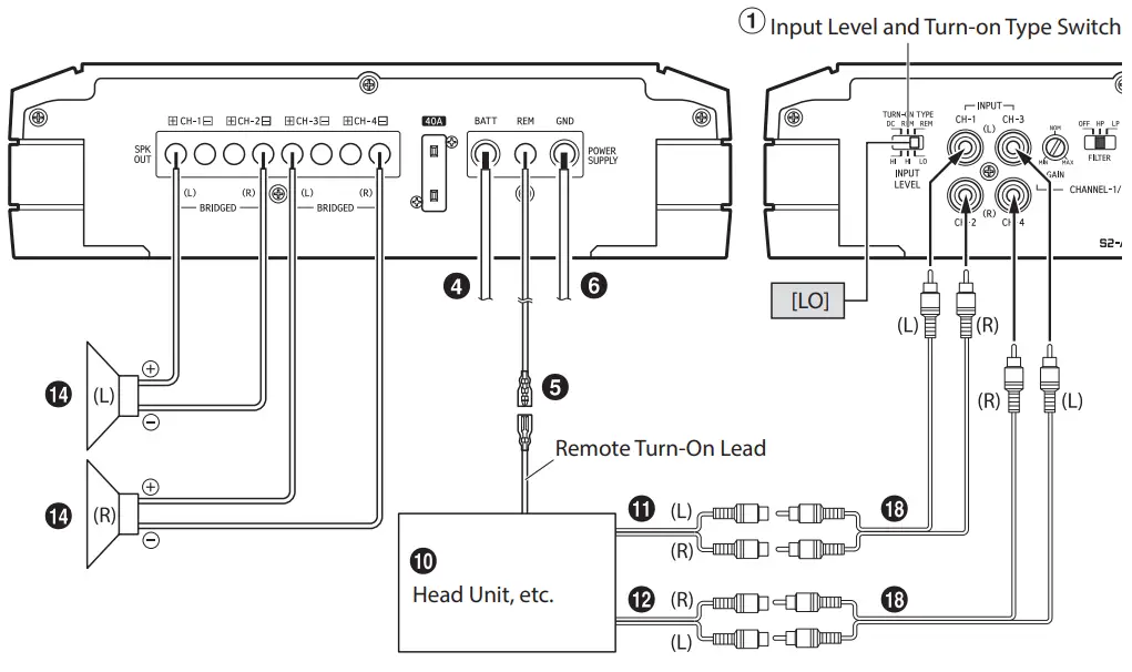
- Speaker Output Terminals
Connect the Speaker Output Lead (+) / (–) using the Hexagon hole screw of the Speaker Output Terminals ( 1 ).
• For details on how to connect, see “Cautions on wire lead connections” (page 7).
Be sure to observe correct speaker output connections and polarity in relation to the other speakers in the system. Connect the positive output to the positive speaker terminal and the negative to negative.
About Subwoofer Input/Output
• The input is stereo but the output is monaural.
• Reversing subwoofer polarity (swapping positive and negative connections to the subwoofer) may be desirable in some installations for optimum bass performance.
NOTE:
• Do not connect the speaker (–) terminal to the vehicle’s chassis. - Fuse
S2-A36F ……………………………………………………………. 40 A
S2-A55V ………………………………………………………30 A × 2
USE THE CORRECT AMPERE RATING WHEN REPLACING FUSES.
Failure to do so may result in fire or electric shock. - Power Supply Terminal
Connect the Battery Lead ( 4 ), Remote Turn-on Lead ( 5 ), and Ground Lead ( 6 ) using the Hexagon hole screw of the Power Supply Terminal ( 7 ).
• For details on how to connect, see “Cautions on wire lead connections” (page 7). - Battery Lead (sold separately)
Be sure to add an External Fuse (e.g. Fuse Block, Circuit Breaker) with the battery lead as close as possible to the battery’s positive (+) terminal.
This fuse will protect your vehicle’s electrical system in case of a short circuit. See below for appropriate fuse value requirement:
S2-A36F ……………………………………………….40 amp fuse
S2-A55V ……………………………………………….60 amp fuse
• For details on the wires size to be used, refer to the supplied “Cautions on Power Supply Wires Connection” and “Cautions on Power Supply Wires” (page 17), and then use the wire of the specified size. - Remote Turn-On Lead (sold separately)
Connect this lead to the remote turn-on (positive trigger, (+) 12 V only) lead of your head unit. If a remote turn-on lead is not available, see “CONNECTION CHECK LIST” section on page 8 for alternative method.
• When connecting the speaker output leads of the head unit to this unit with a Speaker-RCA Conversion cable (sold separately), you do not need to connect the remote turn-on lead, owing to the “REMOTE SENSING” function of this unit. However, the “REMOTE SENSING” function may not work depending on the signal source connected. In such a case, connect the remote turn-on lead to an incoming power supply cord (accessory power) in the ACC position. - Ground Lead (sold separately)
Connect this lead securely to a clean, bare metal spot on the vehicle’s chassis. Verify this point to be a true ground by checking for continuity between that point and the negative (–) terminal of the vehicle’s battery. Ground all your audio components to the same point on the chassis to prevent ground loops while keeping wire length as short as possible.
• For details on the wires size to be used, refer to the supplied “Cautions on Power Supply Wires Connection” and “Cautions on Power Supply Wires” (page 17), and then use the wire of the specified size. - RCA Input Jacks
Connect these jacks to the line out leads on your head unit using RCA extension cables or Speaker-RCA Conversion cable (sold separately).
Be sure to observe correct channel connections; Left to Left and Right to Right. - Remote Bass Control (optional)
Connect the Remote Bass Control Unit RUX-KNOB.2 (sold separately) to adjust the output level remotely. This is not to replace appropriate gain level setting between the amplifier and head unit.
Cautions on wire lead connections
When using third-party wire cables (power supply wire), use the supplied screws to simplify the connection. Refer to the description below for the proper procedure. If you are in doubt about how to make this connection, consult your dealer.
- Check the wire size.
• For details on the wires size to be used, refer to the supplied “Cautions on Power Supply Wires Connection” and “Cautions on Power Supply Wires” (page 17), and then use the wire of the specified size.
• If the wire gauge used is unknown, ask your dealer. - Remove the insulation from the ends of the wire leads by about 7 – 10 mm (9/32” – 13/32”).
NOTES:
• If length of the exposed wire is too short, a poor connection may occur causing operation failure or sound interruption.
• On the other hand, if the length is too long, an electrical short-circuit may occur. - Tighten the hexagon hole screw with the hexagon wrench (included) to secure the lead.
Before making this connection, use insulated shrink tubing to cover any exposed wire extending beyond the terminal.
Power Supply Terminal

Speaker Output Terminals

NOTES:
- Be sure to use the Hexagon hole screw attached to the Power Supply Terminal ( 3 ) or Speaker Output Terminals ( 1 ).
- For safety reasons, connect the battery leads last.
- To prevent disconnection of the leads or dropping of the unit, do not use the cabling to carry the unit.
CONNECTION CHECK LIST
Please check your head unit for the conditions listed below:
Remote Turn-On Lead
a. The head unit does not have a remote turn-on or power antenna lead.
b. The head unit’s power antenna lead is activated only when the radio is on (turns off in the tape or CD Mode).
c. The head unit’s power antenna lead is logic level output (+) 5 V, negative trigger (grounding type), or cannot sustain (+) 12 V when connected to other equipment in addition to the vehicle’s power antenna.
If any of the above conditions exist, the remote turn-on lead of your S2-A36F/S2-A55V must be connected to a switched power source (ignition) in the vehicle. Be sure to use a 3 A fuse as close as possible to this ignition tap. Using this connection method, the S2-A36F/S2-A55V will turn on and stay on as long as the ignition switch is on.
If this is objectionable, a SPST (Single Pole, Single Throw) switch, in addition to the 3 A fuse mentioned above, may be installed in-line on the S2-A36F/S2-A55V turn-on lead. This switch will then be used to turn on (and off) the S2-A36F/S2-A55V. Therefore, the switch should be mounted so that is accessible by the driver.
Make sure the switch is turned off when the vehicle is not running. Otherwise, the amplifier will remain on and drain the battery.
- Blue/White
- Power Antenna
- Remote Turn-On Lead
- To other Alpine component’s Remote Turn-On Leads
- SPST Switch (optional)
- Fuse (3 A)
- As close as possible to the vehicle’s ignition tap
- Ignition Source

SWITCH SETTINGS
- Before switching each Selector Switch, turn off the power and insert a small screwdriver, etc., perpendicularly to the Switch.

- Input Level and Turn-on Type Switch

a) If input is via the head unit speaker line using a speaker-RCA conversion cable (sold separately), set to “HI”.
TURN-ON TYPE “DC”: Power is turned on by the “REMOTE SENSING” function when DC offset is detected.
b) If input is via the head unit speaker line using a speaker-RCA conversion cable (sold separately), set to “HI”.
TURN-ON TYPE “REM”: Power is turned on by the remote turn-on lead.
c) If input is via the head unit pre-out line using an RCA extension cable (sold separately), set to “LO”.
TURN-ON TYPE “REM”: Power is turned on by the remote turn-on lead.• The DC offset auto turn-on circuit was designed to work with ONLY high level signals (i.e., speaker level signals). These high level signals usually come from the amplified output of radios, head units, and amplifiers.
Because LO signal input (i.e., low level signals) cannot turn on the amplifier, the REMOTE trigger signal must be supplied and the REM setting needs to be used for LO signal input.*
* For details on turning on the unit with the ACC trigger signal, see the Remote Turn-On Lead ( 5 ) section (page 6). - Input Gain Adjustment Control
Set the S2-A36F/S2-A55V input gain to the minimum position. Using a dynamic CD as a source, increase the head unit volume until the output distorts. Then, reduce the volume 1 step (or until the output is no longer distorted). Now, increase the amplifier gain until the sound from the speakers becomes distorted. Reduce the gain slightly so the sound is no longer distorted to achieve the optimum gain setting. - Crossover Frequency Adjustment Knob
(LP FILTER) (S2-A55V only)
Use this control to adjust the crossover frequency between 50 Hz to 400 Hz. - Bass EQ Adjustment Knob (S2-A55V only)
Add a 50 Hz bass boost up to +12 dB to tune your bass response. - Crossover Mode Selector Switch (S2-A36F only)

a) Set to the “OFF” position when the amplifier will be used for driving full range speakers or when using
an external electronic crossover.
The full frequency bandwidth will be output to the speakers with no high or low frequency attenuation.
b) Set to the “HP” position when the amplifier is used to drive a tweeter/midrange system. The frequencies
below the crossover point will be attenuated at 12 dB/octave.
NOTE:
• In this case the maximum Bass EQ boost level is reduced.
c) Set to the “LP” position when the amplifier is used to drive a subwoofer. The frequencies above the crossover point will be attenuated at 12 dB/octave. - Crossover Frequency Adjustment Knob (S2-A36F only)
Use this control to adjust the crossover frequency between 50 Hz to 400 Hz. - Mid Bass EQ Adjustment Knob (S2-A36F only)
Add a 100 Hz bass boost up to +12 dB to tune your bass response. - Input Channel Selector Switch (CH-3/4) (S2-A55V only)

a) This switch setting is for selecting either 2-channel or 4-channel input mode. When set to “1/2”, signal will be copied from CH-1/2 and sent to CH-3/4, eliminating the need for Y-adapters. 
b) Setting this switch to “3/4” will keep both inputs, CH-1/2 and CH-3/4 independent.
A 4-channel source is required for this mode. - Crossover Frequency Adjustment Knob (HP FILTER) (S2-A55V only)
Use this control to adjust the crossover frequency between 50 Hz to 400 Hz. - Input Channel Selector Switch (SUB) (S2-A55V only)
![]() | a) When this switch is placed in the “1+2+3+4” position, all the signals are mixed and come out from the subwoofer. This setting provides signal to the subwoofer channel when only 4 channel input is available. |
![]() | b) Setting this switch to “SUB” will send the signal at the inputs of SUB to subwoofer of the S2-A55V. |
About Power Indicator

Lights up when power is on.
Is off when power is off.
| Indication color | Status | Solution |
| Blue | Amplifier circuit is normal. | |
| Red (blinking) | Operating temperature is high. | Turn down the volume of the head unit (input signal). Decrease the vehicle’s interior temperature to a normal level. The indicator color changes to blue. |
| Red | Amplifier circuit is abnormal. An electrical short has occurred, or supply current is too high. | Turn off the power supply and eliminate the cause. Then turn on the unit and verify that the indicator color has changed to blue. If it remains red, turn off the unit and consult your dealer. |
| Operating temperature is too high. | Decrease the vehicle’s interior temperature to a normal level. The indicator color changes to blue. | |
| Power supply voltage is too high. | Use the correct power supply voltage. The indicator color changes to blue. |
SYSTEM DIAGRAMS
Before making a connection, check the total number of impedance of the speaker connected to the unit. If you have any questions, contact the nearest Alpine dealer.
Basic Connection Diagram for S2-A36F
| 1 | Speaker Output Terminals | 11 | Front Output |
| 2 | Fuse | 12 | Rear Output |
| 3 | Power Supply Terminal | 13 | Subwoofer Output |
| 4 | Battery Lead (sold separately) | 14 | Front Speakers |
| 5 | Remote Turn-On Lead (sold separately) | 15 | Rear Speaker |
| 6 | Ground Lead (sold separately) | 16 | Subwoofer |
| 7 | RCA Input Jacks | 17 | Dual Voice Coil Subwoofer |
| 8 | Pre-Out Jacks | 18 | RCA Extension Cable (sold separately) |
| 9 | Remote Bass Control (optional) | 19 | Speaker-RCA Conversion Cable (sold separately) |
| 10 | Head Unit, etc. | 20 | Y-Adapter (sold separately) |
4 Speaker System

* If the connected head unit does not have a Speaker Output and RCA Extension Cable ( 18 ) cannot be used, you can use the Speaker-RCA Conversion Cable ( 19 ) (sold separately). For details on how to make a connection, see “About Connecting to the Speaker Input Level System” (page 16).
2 Speaker + Subwoofer System (Bridged Connections)
2 Speaker System (Bridged Connections)

Basic Connection Diagram for S2-A55V
| 1 | Speaker Output Terminals | 11 | Front Output |
| 2 | Fuse | 12 | Rear Output |
| 3 | Power Supply Terminal | 13 | Subwoofer Output |
| 4 | Battery Lead (sold separately) | 14 | Front Speakers |
| 5 | Remote Turn-On Lead (sold separately) | 15 | Rear Speaker |
| 6 | Ground Lead (sold separately) | 16 | Subwoofer |
| 7 | RCA Input Jacks | 17 | Dual Voice Coil Subwoofer |
| 8 | Pre-Out Jacks | 18 | RCA Extension Cable (sold separately) |
| 9 | Remote Bass Control (optional) | 19 | Speaker-RCA Conversion Cable (sold separately) |
| 10 | Head Unit, etc. | 20 | Y-Adapter (sold separately) |
For S2-A55V, change the Input Channel Selector Switch ( 8 )/( 10 ) setting according to the number of channels of the speaker input.
4 Speaker + Subwoofer System

* If the connected head unit does not have a Speaker Output and RCA Extension Cable ( 18 ) cannot be used, you can use the Speaker-RCA Conversion Cable ( 19 ) (sold separately). For details on how to make a connection, see “About Connecting to the Speaker Input Level System” (page 16).
2 Speaker + Subwoofer System (Bridged Connections)

About Connecting to the Speaker Input Level System
When connecting by using the Speaker-RCA Conversion Cable ( 19 ) (sold separately), switch the Input Level and Turn-on Type Switch ( 1 ) to “HI”.
e.g. S2-A36F

- Do not mistake the Speaker Output Lead on the head unit side connected to this unit.
Front Speaker output (L)/(R) to CH1/CH2, Rear Speaker output (L)/(R) to CH3/CH4 - For the “Speaker Input Level System” setting, connecting the Remote Turn-On Lead is not required due to the “REMOTE SENSING” function of this product. However, the “REMOTE SENSING” function may not work depending on the signal source connected. In such a case, connect the Remote Turn-On Lead to an incoming power supply cord (accessory power) in the ACC position.
Important Tips on Connection with Y-adapter
Low output will result if only one channel input is used. The Y-adapter is required if Head Unit, etc. has only a one signal output.

Cautions on Power Supply Wires
Use the specified wire size according to the total fuse capacity of the amplifier to be installed and the wire length.
For details on the wire size to be used, refer to the supplied “Cautions on Power Supply Wires Connection” and the following connection example.
Connection example when installing an amplifier alone
- When the wire length from the amplifier to the vehicle’s battery is (A)
Wire size used for (A):
S2-A36F: 8 AWG/8 mm2 (Max. length 6.5 m)
S2-A55V: 4 AWG/21 mm2 (Max. length 10 m) - External Fuse capacity: Make it equal to or larger than the fuse capacity of the amplifier
S2-A36F: equal to or larger than 40 A
S2-A55V: equal to or larger than 60 A

Connection example when installing two amplifiers with a fuse capacity of 40 A and one amplifier with 60 A
- When the wire length from each amplifier to the distribution block is 1 m
Wire size used for (B): 8 AWG/8 mm2 - When the wire length from the distribution block to the vehicle’s battery is 6 m
Wire size used for (C): 1/0 AWG/53 mm2 (or 4 AWG × 2/21 mm2 × 2) - External Fuse capacity: Make it equal to or larger than total fuse capacity of the number of amplifiers installed 60 A + 60 A + 40 A = equal to or larger than 160 A

NOTE:
- If the length of the power and ground cables exceed 1 m, or if you connect more than one amplifier, a distribution block should be used.
SPECIFICATIONS
S2-A36F
| Performance Power Output | Per Channel, Ref.: 4 0, 14.4 V | 60W RMS x 4 |
| Per Channel, Ref.: 2 0, 14.4 V | 90W RMS x 4 | |
| Bridged, Ref.: 4 0, 14.4 V | 180 W RMS x 2 | |
| THD+N | Ref.: 10W into 4 0 | 1103% |
| Ref.: 10W into 2 0 | 1105% | |
| Ref.: Rated Power into 4 0 | 1108% | |
| Ref.: Rated Power into 2 0 | .A.1% | |
| S/N Ratio | IHF A-wtd + AES-17 Ref.: 1 W into 4 0 | >83 dB |
| IHF A-wtd + AES-17 Ref.: Rated Power into 4 0 | >98 dB | |
| Frequency Response | +0/-3 dB, Ref.: 1 W into 4 0 | 10 Hz – 40 kHz |
| +0/-1 dB, Ref.: 1 W into 4 0 | 20 Hz – 20 kHz | |
| Damping Factor | Ref.: 10W into 4 0 at 100 Hz | >100 |
| Control | ||
| Input Sensitivity | RCA Input Ref.: Rated Power into 4 0 | Hi: 0.5 -10V Lo: 0.2 – 4.0 V |
| Crossover | Variable HPF/LPF | 50 Hz – 400 Hz (-12 dB/oct.) |
| Remote Level* General Input Impedance | Linear Attenuation | CH-3/4: 0 to —20 dB >101(0 |
| Dimensions | Width | 220 mm (8-11/16″) |
| Height | 56.5 mm (2-1/4″) | |
| Depth | 210 mm (8-1/4″) | |
| Weight | 2.2 kg (4 lb 13 oz) | |
* Requires optional RUX-KNOB.2.
NOTE:
- Specifications and design are subject to change without notice.
S2-A55V
| CH-1 /2/3/4 | SUBWOOFER | ||
| Performance | |||
| Power Output | Per Channel, Ref.: 4 0, 14.4 V | 40WRMSx 4 | 200 W RMS x 1 |
| Per Channel, Ref.: 2 0, 14.4 V | 60WRMSx 4 | 300 W RMS x 1 | |
| Bridged, Ref.: 4 0, 14.4 V | 120WRMSx 2 | – | |
| THD+N | Ref.: 10 W into 4 0 | 0.03% | (:).03% |
| Ref.: 10 W into 2 0 | 0.05% | 0.05% | |
| Ref.: Rated Power into 4 0 | 0.07% | 0.07% | |
| Ref.: Rated Power into 2 0 | 0.1% | .A.1% | |
| S/N Ratio | IHF A-wtd + AES-17 Ref.: 1 W into 4 0 | >83 dB | >83 dB |
| IHF A-wtd + AES-17 Ref.: Rated Power into 4 0 | >98 dB | >98 dB | |
| Frequency Response | +0/-3 dB, Ref.: 1 W into 4 0 | 50 Hz – 40 kHz | 10 Hz – 400 Hz |
| +0/-1 dB, Ref.: 1 W into 4 0 | 60 Hz – 20 kHz | 20 Hz – 300 Hz | |
| Damping Factor | Ref.: 10 W into 4 Oat 100 Hz | >100 | >750 |
| Control | |||
| Input Select | Selectable Input Signal Configuration (2ch/4ch Input) | CH-3/4: CH-1/2 or CH-3/4 | CH-1+2+3+4 or SUB |
| Input Sensitivity | RCA Input Ref.: Rated Power into 4 0 | Hi: 0.5 -10V Lo: 0.2 – 4.0 V | Hi: 0.5 -10V Lo: 0.2 – 4.0 V |
| Crossover | Variable HPF/LPF | HPF: 50 Hz – 400 Hz (-12 dB/oct.) | LPF: 50 Hz – 400 Hz (-24 dB/oct.) |
| Remote Level* General Input Impedance | Linear Attenuation | – >10 | 0 to -20 dB kO |
| Dimensions | Width | 302 mm (11-7/8″) | |
| Height | 56.5 mm (2-1/4″) | ||
| Depth | 210 mm (8-1/4″) | ||
| Weight | 3.2 kg (7 lb) | ||
* Requires optional RUX-KNOB.2.
NOTE:
- Specifications and design are subject to change without notice.
To customers
Information on Disposal of Old Electrical and Electronic Equipment and Battery (applicable for countries that have adopted spearate waste collection systems)
If you want to dispose this product, do not mix it with general household waste. There is a separate collection system for used electronic products in accordance with legislation that requires proper treatment, recovery and recycling. Contact your local authority for details in locating a recycle facility nearest to you. Proper recycling and waste disposal will help conserve resources whist preventing detrimental effects on our health and the environment.
ALPS ALPINE NORTH AMERICA, INC.
1500 Atlantic Blvd, Auburn Hills, Michigan 48326, U.S.A.
Phone 1-800-ALPINE-1 (1-800-257-4631)
ALPS ALPINE EUROPE GmbH
Ohmstrasse 4. 85716 Unterschleissheim, Germany
Phone: +49 (0) 89-32 42 640
For contact information on your respective country, please visit www.alpine-europe.com.
ALPS ALPINE EUROPE GmbH
Aurora House, Deltic Avenue, Rooksley, Milton Keynes, MK 13 BUN, United Kingdom
Phone: 0345-313-1640
ALPINE ELECTRONICS OF AUSTRALIA PTY., LTD.
161-165 Princes Highway, Hallam Victoria 3803. Australia
Phone 03-8787-1200
ALPS ALPINE ASIA CO., LTD.
The 9th Towers, Tower B. 24th Floor. Unit TNB01-03. 33/4 Rama 9 road. Huay Kwang. Bangkok, 10310. Thailand
Phone +66 (2) 090 9596
JEIL Moon Hwa Co.
18-6, 3Ga, Pil_dong, Jung_gu, Seoul, Korea
68-44781Z80-A (Y-A5)

NOTES:




























