ALPINE HDA-M80, HDA-F60, HDA-V90 Amplifier

WARNING
Points to Observe for Safe Usage
Read this manual carefully before using the system components. They contain instructions on how to use this product in a safe and effective manner.
Alpine cannot be responsible for problems resulting from failure to observe the instructions in this manual.
This symbol means important instructions. Failure to heed them can result in serious injury or death.
DO NOT OPERATE ANY FUNCTION THAT TAKES YOUR ATTENTION AWAY FROM SAFELY DRIVING YOUR VEHICLE.
Any function that requires your prolonged attention should only be performed after coming to a complete stop. Always stop the vehicle in a safe location before performing these functions. Failure to do so may result in an accident.
KEEP THE VOLUME AT A LEVEL WHERE YOU CAN STILL HEAR OUTSIDE NOISES WHILE DRIVING.
Excessive volume levels that obscure sounds such as emergency vehicle sirens or road warning signals (train crossings, etc.) can be dangerous and may result in an accident. LISTENING AT LOUD VOLUME LEVELS IN A CAR MAY ALSO CAUSE HEARING DAMAGE.
DO NOT DISASSEMBLE OR ALTER.
Doing so may result in an accident, fire or electric shock.
USE THIS PRODUCT FOR MOBILE 12V APPLICATIONS.
Use for other than its designed application may result in fire, electric shock or other injury.
USE THE CORRECT AMPERE RATING WHEN REPLACING FUSES.
Failure to do so may result in fire or electric shock.
DO NOT BLOCK VENTS OR RADIATOR PANELS.
Doing so may cause heat to build up inside and may result in fire.
MAKE THE CORRECT CONNECTIONS.
Failure to make the proper connections may result in fire or product damage.
USE ONLY IN CARS WITH A 12 VOLT NEGATIVE GROUND.
(Check with your dealer if you are not sure.) Failure to do so may result in fire, etc.
BEFORE WIRING, DISCONNECT THE CABLE FROM THE NEGATIVE BATTERY TERMINAL.
Failure to do so may result in electric shock or injury due to electrical shorts.
DO NOT ALLOW CABLES TO BECOME ENTANGLED IN SURROUNDING OBJECTS.
Arrange wiring and cables in compliance with the manual to prevent obstructions when driving. Cables or wiring that obstruct or hang up on places such as the steering wheel, gear lever, brake pedals, etc. can be extremely hazardous.
DO NOT SPLICE INTO ELECTRICAL CABLES.
Never cut away cable insulation to supply power to other equipment. Doing so will exceed the current carrying capacity of the wire and result in fire or electric shock.
DO NOT DAMAGE PIPE OR WIRING WHEN DRILLING HOLES.
When drilling holes in the chassis for installation, take precautions so as not to contact, damage or obstruct pipes, fuel lines, tanks or electrical wiring. Failure to take such precautions may result in fire.
DO NOT USE BOLTS OR NUTS IN THE BRAKE OR STEERING SYSTEMS TO MAKE GROUND CONNECTIONS.
Bolts or nuts used for the brake or steering systems (or any other safety-related system), or tanks should NEVER be used for installations or ground connections. Using such parts could disable control of the vehicle and cause fire etc.
KEEP SMALL OBJECTS SUCH AS BATTERIES OUT OF THE REACH OF CHILDREN.
Swallowing them may result in serious injury. If swallowed, consult a physician immediately
This symbol means important instructions. Failure to heed them can result in injury or property damages.
HALT USE IMMEDIATELY IF A PROBLEM APPEARS.
Failure to do so may cause personal injury or damage to the product. Return it to your authorized Alpine dealer or the nearest Alpine Service Center for repairing.
HAVE THE WIRING AND INSTALLATION DONE BY EXPERTS.
The wiring and installation of this unit requires special technical skill and experience. To ensure safety, always contact the dealer where you purchased this product to have the work done.
USE SPECIFIED ACCESSORY PARTS AND INSTALL THEM SECURELY.
Be sure to use only the specified accessory parts. Use of other than designated parts may damage this unit internally or may not securely install the unit in place. This may cause parts to become loose resulting in hazards or product failure.
ARRANGE THE WIRING SO IT IS NOT CRIMPED OR PINCHED BY A SHARP METAL EDGE.
Route the cables and wiring away from moving parts (like the seat rails) or sharp or pointed edges. This will prevent crimping and damage to the wiring. If wiring passes through a hole in metal, use a rubber grommet to prevent the wire’s insulation from being cut by the metal edge of the hole.
DO NOT INSTALL IN LOCATIONS WITH HIGH MOISTURE OR DUST.
Avoid installing the unit in locations with high incidence of moisture or dust. Moisture or dust that penetrates into this unit may result in product failure.
SERVICE CARE
IMPORTANT NOTICE
This Amplifier has been type tested and found to comply with the limits for a Class B computing device in accordance with the specifications in Subpart J of Part 15 of FCC Rules. This equipment generates and uses radio frequency energy, and it must be installed and used properly in accordance with the manufacturer’s instructions.
SERIAL NUMBER:
INSTALLATION DATE:
INSTALLATION TECHNICIAN:
PLACE OF PURCHASE:
IMPORTANT
Please record the serial number of your unit in the space provided here and keep it as a permanent record. The serial number plate is located on the rear of the unit.
For European Customers
Should you have any questions about warranty, please consult your store of purchase.
For Customers in other Countries
IMPORTANT NOTICE
Customers who purchase the product with which this notice is packaged, and who make this purchase in countries other than the United States of America and Canada, please contact your dealer for information regarding warranty coverage.
ACCESSORIES
- Self-Tapping Screw………………………………………………….4
- Mounting leg……………………………………………………………2
- Screw…………………………………………………………………………8
- Battery Connector …………………………………………………..1
- Speaker Connector
HDA-M80……………………………………………………………….1
HDA-F60…………………………………………………………………2
HDA-V90 ………………………………………………………………..3 - Hexagon Wrench………………………………………………1 SET
INSTALLATION
Due to the high power output of the HDA-M80/ HDA-F60/HDA-V90 considerable heat is produced when the amplifier is in operation. For this reason, the amplifier should be mounted in a location which will allow for free circulation of air, such as inside the trunk. For alternate installation locations, please contact your authorized Alpine dealer.
- Attach the mounting legs to the bottom of the amplifier with 8 screws.

- Make sure there are no objects behind the surface that may become damaged during drilling.
- Drill the screw holes.
- Position the HDA-M80/HDA-F60/HDA-V90 over the screw holes, and secure with 4 self-tapping screws.

REMOVING THE TOP COVER
To use the top inner panel, remove the top cover.

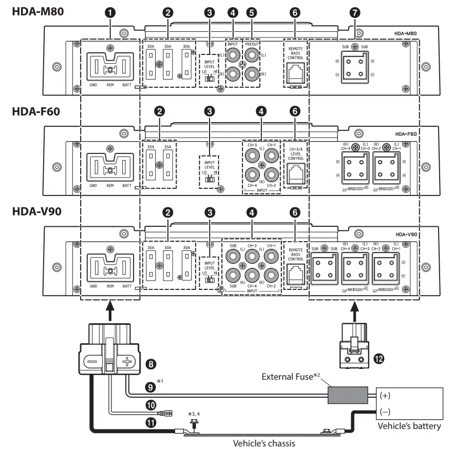
CONNECTIONS
Before making connections, be sure to turn the power off to all audio components.

*1 For details on the wires size to be used, refer to the supplied “Cautions on Power Supply Wires Connection” and “Cautions on Power Supply Wires” (page 18), and then use the wire of the specified size. *2 Be sure to add an External Fuse (e.g. Fuse Block, Circuit Breaker) with the battery lead as close as possible to the battery’s positive (+) terminal. Add an external fuse with the same capacity, or a slightly larger capacity, as the sum total of the fuse capacities of the amplifier.
For details on the fuse capacity of this machine, see “Battery Lead ( 9 )” (page 5).
*3 Connect all equipment to the same ground point while keeping wire length as short as possible.
*4 To securely connect the ground lead, use an already installed screw.
To prevent external noise from entering the audio system
- Locate the unit and route the leads at least 10 cm (4”) away from the vehicle’s harness.
- Keep the battery power leads as far away from other leads as possible.
- Connect the ground lead securely to a bare metal spot (remove any paint or grease if necessary) of the vehicle’s chassis.
- If you add an optional noise suppressor, connect it as far away from the unit as possible. Your Alpine dealer carries various noise suppressors, contact them for further information.
- Your Alpine dealer knows best about noise prevention measures so consult your dealer for further information.
- Power Supply Terminal
- Fuse
HDA-M80/HDA-V90…………………………………..30 A x 3
HDA-F60………………………………………………………35 A x 2
USE THE CORRECT AMPERE RATING WHEN REPLACING FUSES.
Failure to do so may result in fire or electric shock. - Speaker Input Level Switch
Switch according to the Speaker input mode.
a) When making a speaker input connection with RCA Extension Cables (sold separately), set to “LO”.
b) When making a speaker input connection with Speaker-RCA Conversion Cables (sold separately), set to “HI”. - RCA Input Jacks
Connect these jacks to the line out leads on your head unit using RCA extension cables or Speaker-RCA Conversion cable (sold separately). Be sure to observe correct channel connections; Left to Left and Right to Right. - Pre-Out Jacks (HDA-M80 only)
These jacks provide a line level output. This is an ideal output for driving a second subwoofer amp. This output is full-range, and is not affected by the crossover. - Remote Bass Control (Optional)
Connect the Remote Bass Control Unit RUX-KNOB or RUX-KNOB.2 (sold separately) to adjust the output level remotely. This is not to replace appropriate gain level setting between the amplifier and head unit.
• HDA-F60 supports RUX-KNOB.2 only. - Speaker Output Terminals
- Battery Connector
Make the Battery, Remote Turn-on and Ground lead connections (as shown) to the Battery Connector.
Insert Plug to Terminal 1.
• For details on how to connect, see “Cautions on wire lead connections” (page 6) - Battery Lead (Sold Separately)
Be sure to add an External Fuse (e.g. Fuse Block, Circuit Breaker) with the battery lead as close as possible to the battery’s positive (+) terminal. This fuse will protect your vehicle’s electrical system in case of a short circuit. See below for appropriate fuse value requirement:
HDA-M80/HDA-V90…………………………..90 amp fuse
HDA-F60………………………………………………70 amp fuse
• For details on the wires size to be used, refer to the supplied “Cautions on Power Supply Wires Connection” and “Cautions on Power Supply Wires” (page 18), and then use the wire of the specified size. - Remote Turn-On Lead (Sold Separately)
Connect this lead to the remote turn-on (positive trigger, (+) 12Vonly) lead of your head unit. If a remote turn-on lead is not available, see “CONNECTION CHECKLIST” section on page 7 for alternative method.
• When connecting the speaker output leads of the head unit to this unit with a Speaker-RCA Conversion cable (sold separately), you do not need to connect the remote turn-on lead, owing to the “REMOTE SENSING” function of this unit. However, the “REMOTE SENSING” function may not work depending on the signal source connected. In such a case, connect the remote turn-on lead to an incoming power supply cord (accessory power) in the ACC position. - Ground Lead (Sold Separately)
Connect this lead securely to a clean, bare metal spot on the vehicle’s chassis. Verify this point to be a true ground by checking for continuity between that point and the negative (–) terminal of the vehicle’s battery. Ground all your audio components to the same point on the chassis to prevent ground loops while keeping wire length as short as possible.
• For details on the wires size to be used, refer to the supplied “Cautions on Power Supply Wires Connection” and “Cautions on Power Supply Wires” (page 18), and then use the wire of the specified size. - Speaker Connector
Make the Speaker Output Lead (+)/(-) connections to the Speaker Connector.
Insert Plug to Terminal 7 .
• For details on how to connect, see “Cautions on wire lead connections” (page 6). Be sure to observe correct speaker output connections and polarity in relation to the other speakers in the system. Connect the positive output to the positive speaker terminal and the negative to negative.
About Subwoofer Input/Output Terminals (HDA-M80/HDA-V90 only)
- The input is stereo but the output is monaural.
- Reversing subwoofer polarity (swapping positive and negative connections to the subwoofer) may be desirable in some installations for optimum bass performance.
About Bridged Connections
In the bridged mode, connect the left positive to the positive terminal of the speaker and the right negative to the negative terminal of the speaker. Do not use the speaker (–) terminals as a common lead between the left and right channels.
NOTE:
- Do not connect the speaker (–) terminal to the vehicle’s chassis.
Cautions on wire lead connections
When using third-party wire cables (power supply wire), use the supplied screws to simplify the connection. Refer to the description below for the proper procedure. If you are in doubt about how to make this connection, consult your dealer.
- Check the wire size.
• For details on the wires size to be used, refer to the supplied “Cautions on Power Supply Wires Connection” and “Cautions on Power Supply Wires” (page 18), and then use the wire of the specified size.
• If the wire gauge used is unknown, ask your dealer. - Remove the insulation from the ends of the wire leads by about 7 – 10 mm (9/32” – 13/32”).
NOTES:
• If length of the exposed wire is too short, a poor connection may occur causing operation failure or sound interruption.
• On the other hand, if the length is too long, an electrical short-circuit may occur - Tighten the hexagon hole screw with the hexagon wrench (Large or Small) (included) to secure the lead.
Before making this connection, use insulated shrink tubing to cover any exposed wire extending beyond the terminal.

NOTES:
- Be sure to use the Hexagon hole screw attached to the Battery Connector or Speaker Connector.
- For safety reasons, connect the battery leads last.
- To prevent disconnection of the leads or dropping of the unit, do not use the cabling to carry the unit.
CONNECTION CHECKLIST
Please check your head unit for the conditions listed below:
Remote Turn-On Lead
a. The head unit does not have a remote turn-on or power antenna lead.
b. The head unit’s power antenna lead is activated only when the radio is on (turns off in the tape or CD Mode).
c. The head unit’s power antenna lead is logic level output (+) 5V, negative trigger (grounding type), or cannot sustain (+) 12V when connected to other equipment in addition to the vehicle’s power antenna.
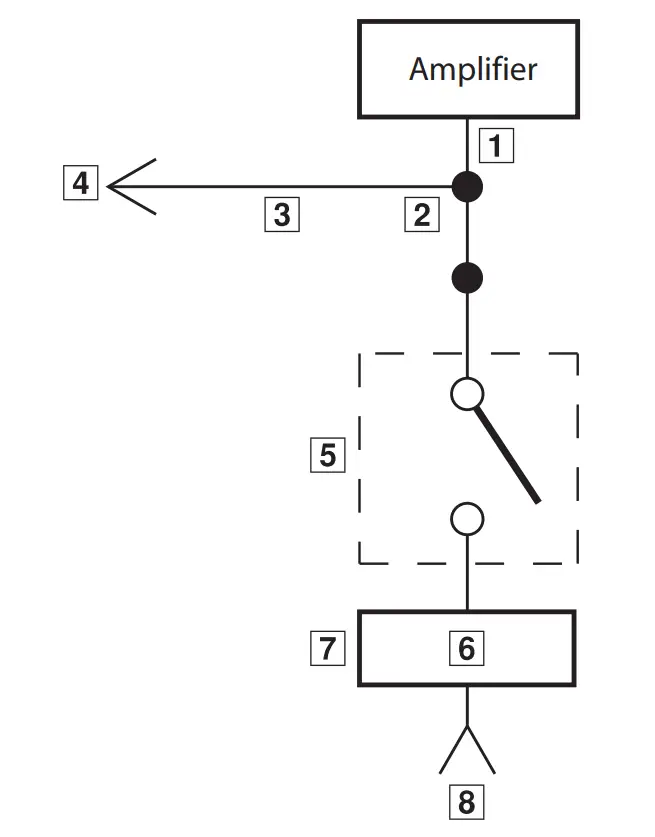
If any of the above conditions exist, the remote turn-on lead of your HDA-M80/HDA-F60/ HDA-V90 must be connected to a switched power source (ignition) in the vehicle. Be sure to use a 3A fuse as close as possible to this ignition tap. Using this connection method, the HDA-M80/HDA-F60/HDA-V90 will turn on and stay on as long as the ignition switch is on.
If this is objectionable, a SPST (Single Pole, Single Throw) switch, in addition to the 3A fuse mentioned above, may be installed in-line on the HDA-M80/HDA-F60/HDA-V90 turn-on lead. This switch will then be used to turn on (and off) the HDA-M80/HDA-F60/HDA-V90. Therefore, the switch should be mounted so that is accessible by the driver. Make sure the switch is turned off when the vehicle is not running. Otherwise, the amplifier will remain on and drain the battery
- Blue/White
- Power Antenna
- Remote Turn-On Lead
- To other Alpine component’s Remote Turn-On
- Leads
- SPST Switch (optional)
- Fuse (3A)
- As close as possible to the vehicle’s ignition tap
- Ignition Source

SWITCH SETTINGS
- Before switching each Selector Switch, turn off the power and insert a small screwdriver, etc., perpendicularly to the Switch.
- To use the top inner panel, remove the top cover. See “REMOVING THE TOP COVER” (page 3).
HDA-MSO

HDA-F60

HDA-V90

① Subsonic Filter (HDA-M80/HDA-V90 only)
The subsonic filter for cutting ultra low frequencies from the input signal before being amplified.
This is desirable for several reasons:
- To protect speakers too small or not capable of reproducing ultra low frequencies.
- To minimize power wasted from reproducing inaudible sound.
- To protect subwoofers in vented enclosures from over excursion below the tuning frequency
② Crossover Frequency Adjustment Knob (LP FILTER) (HDA-M80/HDA-V90 only)
Use this control to adjust the crossover frequency between 50 to 400 Hz.
③ Bass EQ Adjustment Knob (HDA-M80/ HDA-V90 only)
Add a 50 Hz bass boost up to +12 dB to tune your bass response.
④ Input Gain Adjustment Control
Set the HDA-M80/HDA-F60/HDA-V90 input gain to the minimum position. Using a dynamic CD as a source, increase the head unit volume until the output distorts. Then, reduce the volume 1 step (or until the output is no longer distorted). Now, increase the amplifier gain until the sound from the speakers becomes distorted. Reduce the gain slightly so the sound is no longer distorted to achieve the optimum gain setting.
⑤ Crossover Mode Selector Switch (HDA-F60 only)
a) Set to the “OFF” position when the amplifier will be used for driving full range speakers or when using an external electronic crossover. The full frequency bandwidth will be output to the speakers with no high or low frequency attenuation.
b) Set to the “HP” position when the amplifier is used to drive a tweeter/ midrange system. The frequencies below the crossover point will be attenuated at 12 dB/octave.
NOTE:
- In this case the maximum Bass EQ boost level is reduced.
c) Set to the “LP” position when the amplifier is used to drive a subwoofer. The frequencies above the crossover point will be attenuated at 12 dB/octave.
⑥ Crossover Frequency Adjustment Knob (HDA-F60/HDA-V90 only)
Use this control to adjust the crossover frequency between 50 and 400 Hz. Input
⑦ Channel Selector Switch (CHANNEL-3/4) (HDA-F60/HDA-V90 only)
a) This switch setting is for selecting either 2-channel or 4-channel input mode. When set to “1/2”, signal will be copied from CH-1/2 and sent to CH-3/4, eliminating the need for Y-adapters.
b) Setting this switch to “3/4” will keep both inputs, CH-1/2 and CH-3/4 independent. A 4-channel source is required for this mode.
⑧ Crossover Mode Selector Switch (HDA-V90 only)
a) Set to the “OFF” position when the amplifier will be used for driving full range speakers or when using an external electronic crossover.
The full frequency bandwidth will be output to the speakers with no high or low frequency attenuation.
b) Set to the “ON” position when the amplifier is used to drive a tweeter/ midrange system. The frequencies below the crossover point will be attenuated at 12 dB/octave.
NOTE:
- In this case the maximum Bass EQ boost level is reduced.
⑨ Input Channel Selector Switch (SUBWOOFER) (HDA-V90 only)
a) When this switch is placed in the “1+2+3+4” position, all the signals are mixed and come out from the subwoofer. This setting provides signal to the subwoofer channel when only 4 channel input is available.
b) Setting this switch to “SUB” will send the signal at the inputs of SUB to subwoofer of the HDA-V90.
About Power Indicator

| Indication color | Status | Solution |
| Blue | Amplifier circuit is normal. | |
| Red (blinking) | Operating temperature is high. | Turn down the volume of the head unit (input signal). Decrease the vehicle’s interior temperature to a normal level. The indicator color changes to blue. |
| Red | Amplifier circuit is abnormal. An electrical short has occurred, or supply current is too high. | Turn off the power supply and eliminate the cause. Then turn on the unit and verify that the indicator color has changed to blue. If it remains red, turn off the unit and consult your dealer. |
| Operating temperature is too high. | Decrease the vehicle’s interior temperature to a normal level. The indicator color changes to blue. | |
| Power supply voltage is too high. | Use the correct power supply voltage. The indicator color changes to blue. |
SYSTEM DIAGRAMS
Before making a connection, check the total number of impedance of the speaker connected to the unit. If you have any questions, contact the nearest Alpine dealer.
Basic Connection Diagram for HDA-M80
13 Head Unit, etc.
14 Front Output
15 Rear Output
16 Subwoofer Output
17 Front Speakers
18 Rear Speaker
19 Subwoofer
20 Dual Voice Coil Subwoofer
21 RCA Extension Cable (Sold Separately)
22 Speaker-RCA Conversion Cable (Sold Separately)
23 Y-Adapter (Sold Separately)
Subwoofer System

* If the connected head unit does not have a Speaker Output and RCA Extension Cables ( 21 ) cannot be used, you can use the Speaker-RCA Conversion Cable ( 22 ) (sold separately). For details on how to make a connection, see “About Connection to the Speaker Input Level System” (page 17).
Dual Voice Coil Subwoofer System

* In the case of using a series connection, the lead wire of the Dual Voice Coil Subwoofer ( 20 ) can be connected to either the (+)/(-) terminal of the Speaker Connector ( 12 ).
Multiple Mono Amplifier System (Connection example with HDA-F60)

- For details on the Input Channel Selector Switch ( 7 ) of HDA-F60, see “Basic Connection Diagram for HDA-F60” (page 13).
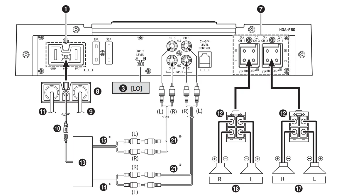
Basic Connection Diagram for HDA-F60
13 Head Unit, etc.
14 Front Output
15 Rear Output
16 Subwoofer Output
17 Front Speakers
18 Rear Speaker
19 Subwoofer
20 Dual Voice Coil Subwoofer
21 RCA Extension Cable (Sold Separately)
22 Speaker-RCA Conversion Cable (Sold Separately)
23 Y-Adapter (Sold Separately)
For HDA-F60, change the Input Channel Selector Switch ( 7 ) setting according to the number of channels of the speaker input.
4-Channel Input:14 15 | 2-Channel Input: 14 | |
⑦ | ![]() | ![]() |
4 Speaker System

* If the connected head unit does not have a Speaker Output and RCA Extension Cables ( 21 ) cannot be used, you can use the Speaker-RCA Conversion Cable ( 22 ) (sold separately). For details on how to make a connection, see “About Connection to the Speaker Input Level System” (page 17).
2 Speaker + 1 Subwoofer System (Bridged Connections)

2 Speaker System (Bridged Connections)

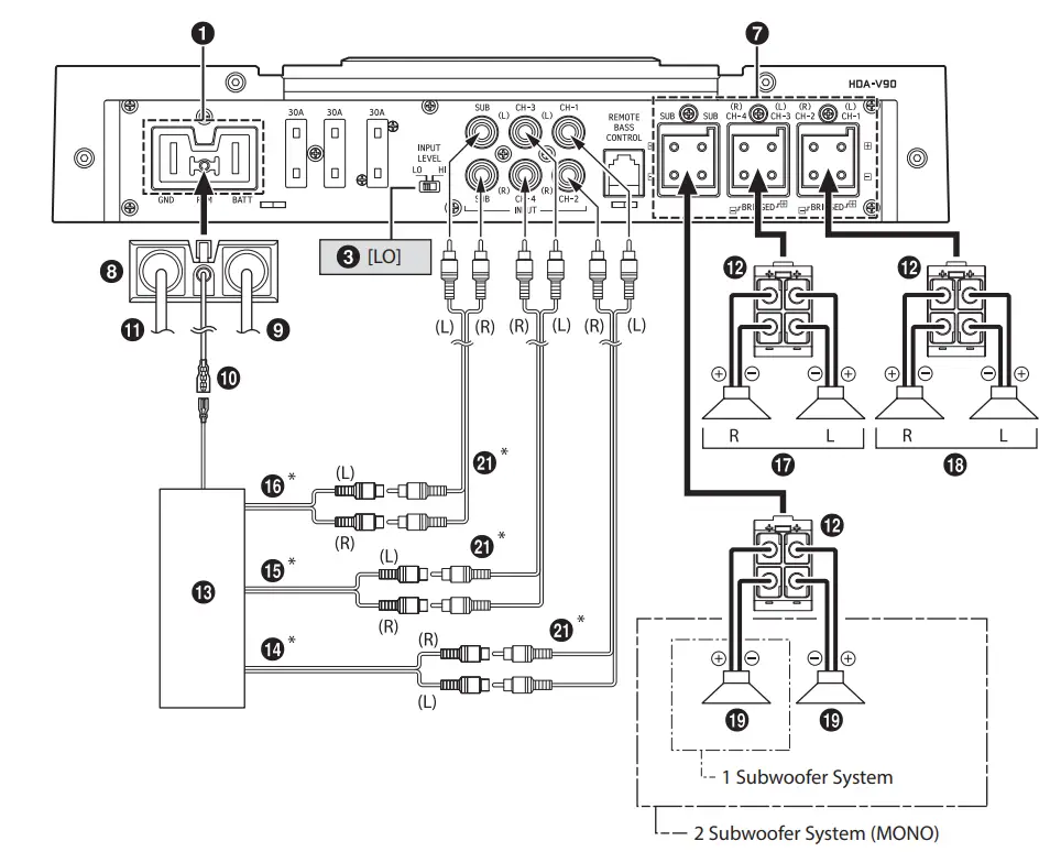
Basic Connection Diagram for HDA-V90
13 Head Unit, etc.
14 Front Output
15 Rear Output
16 Subwoofer Output
17 Front Speakers
18 Rear Speaker
19 Subwoofer
20 Dual Voice Coil Subwoofer
21 RCA Extension Cable (Sold Separately)
22 Speaker-RCA Conversion Cable (Sold Separately)
23 Y-Adapter (Sold Separately)
For HDA-V90, change the Input Channel Selector Switch ( ⑦ )/( ⑨ ) setting according to the number of channels of the speaker input.
| 5-Channel Input: 14 15 16 | 4-Channel Input: 14 15 | 2-Channel Input: 14 |
⑦ | ![]() | ![]() |
⑨ | ![]() | ![]() |
4 Speaker + Subwoofer System

* If the connected head unit does not have a Speaker Output and RCA Extension Cables ( 21 ) cannot be used, you can use the Speaker-RCA Conversion Cable ( 22 ) (sold separately). For details on how to make a connection, see “About Connection to the Speaker Input Level System” (page 17).
4 Speaker + Dual Voice Coil Subwoofer System

* In the case of using a series connection, the lead wire of the Dual Voice Coil Subwoofer ( 20 ) can be connected to either the (+)/(-) terminal of the Speaker Connector ( 12 ).
2 Speaker + 2 Subwoofer (MONO) System (Bridged Connections)

About Connecting to the Speaker Input Level System
When connecting by using the Speaker-RCA Conversion Cable ( 22 ) (sold separately), switch the Speaker Input Level Switch ( 3 ) to “HI”.
e.g HDA-F60

- Do not mistake the Speaker Output Lead on the head unit side connected to this unit.
Front Speaker output (L)/(R) to CH1/CH2, Rear Speaker output (L)/(R) to CH3/CH4 - For the “Speaker Input Level System” setting, connecting the Remote Turn-On Lead is not required due to the “REMOTE SENSING” function of this product. However, the “REMOTE SENSING” function may not work depending on the signal source connected. In such a case, connect the Remote Turn-On Lead to an incoming power supply cord (accessory power) in the ACC position.
Important Tips on Bridging an Amplifier
Low output will result if only one channel input is used. The Y-adapter is not required if a stereo/mono pair line output is used to drive both inputs of the bridged amp.
Cautions on Power Supply Wires
Use the specified wire size according to the total fuse capacity of the amplifier to be installed and the wire length.
For details on the wire size to be used, refer to the supplied “Cautions on Power Supply Wires Connection” and the following connection example.
Connection example when installing an amplifier alone
- When the wire length from the amplifier to the vehicle’s battery is 5 m
Wire size used for (A): 4 AWG/21 mm2 - External Fuse capacity: Make it equal to or larger than the fuse capacity of the amplifier
HDA-M80/HDA-V90: equal to or larger than 90 A
HDA-F60: equal to or larger than 70 A
Connection example when installing two amplifiers with a fuse capacity of 90 A and one amplifier with 70 A
- When the wire length from each amplifier to the distribution block is 1 m
Wire size used for (B): 4 AWG/21 mm2 (or 8 AWG/8 mm2 ) - When the wire length from the distribution block to the vehicle’s battery is 4 m
Wire size used for (C): 1/0 AWG/53 mm2 - External Fuse capacity: Make it equal to or larger than total fuse capacity of the number of amplifiers installed
- 90 A + 90 A + 70 A = equal to or larger than 250 A

NOTE:
- If the length of the power and ground cables exceed 1 m, or if you connect more than one amplifier, a distribution block should be used.
SPECIFICATIONS
HDA-M80
| Performance | ||
| Power Output | Per Channel, Ref.: 4 Ω, 14.4 V | 500 W RMS x 1 |
| Per Channel, Ref.: 2 Ω, 14.4 V | 800 W RMS x 1 | |
| THD+N | Ref.: 10 W into 4 Ω | ≤0.02% |
| Ref.: Rated Power into 4 Ω | ≤0.07% | |
| S/N Ratio | IHF A-wtd + AES-17 Ref.: 1W into 4 Ω | >83 dB |
| IHF A-wtd + AES-17 Ref.: Rated Power into 4 Ω | >107 dB | |
| Frequency Response | +0/-3 dB, Ref.: 1 W into 4 Ω | 8 Hz – 400 Hz |
| +0/-1 dB, Ref.: 1 W into 4 Ω | 10 Hz – 300 Hz | |
| Damping Factor | Ref.: 10 W into 4 Ω at 100 Hz | >1,500 |
| Control | ||
| Input Sensitivity | RCA Input Ref.: Rated Power into 4 Ω | Hi: 0.4 – 10 V Lo: 0.1 – 4.0 V |
| Crossover | Variable HPF/LPF | LPF: 50 Hz – 400 Hz (-24 dB/oct.) |
| Variable Subsonic | 8 Hz – 40 Hz (-24 dB/oct.) | |
| Equalizer | Bass EQ (fc=50 Hz) | 0 to +12 dB (Variable) |
| Remote Level* | Linear Attenuation | 0 to -20 dB |
| General | ||
| Input Impedance | >10 kΩ | |
| Preamp Output | CH-1/2 Input Pass-through, Buffered | 4 V max |
| Dimensions | Width | 291 mm (11-1/2”) |
| Height | 53.5 mm (2-1/8”) | |
| Depth | 189.5 mm (7-1/2”) | |
| Weight | 3.7 kg (8 lb 3 oz) | |
* Requires optional RUX-KNOB or RUX-KNOB.2.
NOTE:
- Specifications and design are subject to change without notice.
HDA-F60
| Performance | ||
| Power Output | Per Channel, Ref.: 4 Ω, 14.4 V | 100 W RMS x 4 |
| Per Channel, Ref.: 2 Ω, 14.4 V | 150 W RMS x 4 | |
| Bridged, Ref.: 4 Ω, 14.4 V | 300 W RMS x 2 | |
| THD+N | Ref.: 10 W into 4 Ω | ≤0.02% |
| Ref.: Rated Power into 4 Ω | ≤0.07% | |
| S/N Ratio | IHF A-wtd + AES-17 Ref.: 1W into 4 Ω | >87 dB |
| IHF A-wtd + AES-17 Ref.: Rated Power into 4 Ω | >106 dB | |
| Frequency Response | +0/-3 dB, Ref.: 1 W into 4 Ω | 10 Hz – 60 kHz |
| +0/-1 dB, Ref.: 1 W into 4 Ω | 15 Hz – 30 kHz | |
| Damping Factor | Ref.: 10 W into 4 Ω at 100 Hz | >500 |
| Control | ||
| Input Select | Selectable Input Signal Configuration (2ch/4ch Input) | CH-3/4: CH-1/2 or CH-3/4 |
| Input Sensitivity | RCA Input Ref.: Rated Power into 4 Ω | Hi: 0.5 – 10 V Lo: 0.2 – 4.0 V |
| Crossover | Variable HPF/LPF | 50 Hz – 400 Hz (-12 dB/oct.) |
| Remote Level* | Linear Attenuation | 0 to -20 dB |
| General | ||
| Input Impedance | >10 kΩ | |
| Dimensions | Width | 291 mm (11-1/2”) |
| Height | 53.5 mm (2-1/8”) | |
| Depth | 189.5 mm (7-1/2”) | |
| Weight | 3.8 kg (8 lb 6 oz) | |
* Requires optional RUX-KNOB.2.
NOTES:
- Specifications and design are subject to change without notice.
- To play back high res sound sources, it is necessary to make all the audio systems High-resolution audio compatible devices.
HDA-V90
| CH-1/2/3/4 | SUBWOOFER | ||
| Performance | |||
| Power Output | Per Channel, Ref.: 4 Ω, 14.4 V | 75 W RMS x 4 | 300 W RMS x 1 |
| Per Channel, Ref.: 2 Ω, 14.4 V | 100 W RMS x 4 | 500 W RMS x 1 | |
| Bridged, Ref.: 4 Ω, 14.4 V | 200 W RMS x 2 | – | |
| THD+N | Ref.: 10 W into 4 Ω | ≤0.02% | ≤0.02% |
| Ref.: Rated Power into 4 Ω | ≤0.07% | ≤0.07% | |
| S/N Ratio | IHF A-wtd + AES-17 Ref.: 1W into 4 Ω | >87 dB | >80 dB |
| IHF A-wtd + AES-17 Ref.: Rated Power into 4 Ω | >105 dB | >104 dB | |
| Frequency Response | +0/-3 dB, Ref.: 1 W into 4 Ω | 10 Hz – 60 kHz | 8 Hz – 400 Hz |
| +0/-1 dB, Ref.: 1 W into 4 Ω | 15 Hz – 30 kHz | 10 Hz – 300 Hz | |
| Damping Factor | Ref.: 10 W into 4 Ω at 100 Hz | >500 | >1,000 |
| Control | |||
| Input Select | Selectable Input Signal Configuration (2ch/4ch/6ch Input) | CH-3/4: CH-1/2 or CH-3/4 | CH-1+2+3+4 or SUBWOOFER |
| Input Sensitivity | RCA Input Ref.: Rated Power into 4 Ω | Hi: 0.5 – 10 V Lo: 0.2 – 4.0 V | Hi: 0.4 – 10 V Lo: 0.1 – 4.0 V |
| Crossover | Variable HPF/LPF | HPF: 50 Hz – 400 Hz (-12 dB/oct.) | LPF: 50 Hz – 400 Hz (-24 dB/oct.) |
| Variable Subsonic | – | 8 Hz – 40 Hz (-24 dB/oct.) | |
| Equalizer | Bass EQ (fc=50 Hz) | – | 0 to +12 dB (Variable) |
| Remote Level* | Linear Attenuation | – | 0 to -20 dB |
| General | |||
| Input Impedance | >10 kΩ | ||
| Dimensions | Width | 291 mm (11-1/2”) | |
| Height | 53.5 mm (2-1/8”) | ||
| Depth | 189.5 mm (7-1/2”) | ||
| Weight | 3.9 kg (8 lb 10 oz) | ||
* Requires optional RUX-KNOB or RUX-KNOB.2.
NOTES:
- Specifications and design are subject to change without notice.
- To play back high res sound sources, it is necessary to make all the audio systems High-resolution audio compatible devices.
To customers


Information on Disposal of Old Electrical and Electronic Equipment and Battery (applicable for countries that have adopted spearate waste collection systems) If you want to dispose this product, do not mix it with general household waste. There is a separate collection system for used electronic products in accordance with legislation that requires proper treatment, recovery and recycling. Contact your local authority for details in locating a recycle facility nearest to you. Proper recycling and waste disposal will help conserve resources whist preventing detrimental effects on our health and the environment.
ALPS ALPINE EUROPE GmbH
0hmstrasse 4, 8571 6 Unterschleissheim, Germany
Phone: +49 (0) 89-32 42 640
For contact information on your respective country,
please visit www.alpine-europe.com



a) When making a speaker input connection with RCA Extension Cables (sold separately), set to “LO”.
b) When making a speaker input connection with Speaker-RCA Conversion Cables (sold separately), set to “HI”.
NOTES:




























