
S-05
STEREO POWER AMPLIFIER
OWNER’S MANUAL
D01400821A
IMPORTANT SAFETY INSTRUCTIONS
![]() | CAUTION | ![]() |
| RISK OF ELECTRIC SHOCK DO NOT OPEN | ||
| CAUTION: TO REDUCE THE RISK OF ELECTRIC SHOCK, DO NOT REMOVE COVER (OR BACK). NO USER-SERVICEABLE PARTS INSIDE. REFER SERVICING TO QUALIFIED SERVICE PERSONNEL. | ||
The lightning flash with arrowhead symbol, within an equilateral triangle, is intended to alert the user to the presence of uninsulated “dangerous voltage” within the product’s enclosure that may be of sufficient magnitude to constitute a risk of electric shock to persons.
The exclamation point within an equilateral triangle is intended to alert the user to the presence of important operating and maintenance (servicing) instructions in the literature accompanying the appliance.
WARNING: TO PREVENT FIRE OR SHOCK HAZARD, DO NOT EXPOSE THIS APPLIANCE TO RAIN OR MOISTURE.
CAUTION
- DO NOT REMOVE THE EXTERNAL CASES OR CABINETS TO EXPOSE THE ELECTRONICS. NO USER SERVICEABLE PARTS ARE INSIDE.
- IF YOU ARE EXPERIENCING PROBLEMS WITH THIS PRODUCT, CONTACT THE STORE WHERE YOU PURCHASED THE UNIT FOR A SERVICE REFERRAL. DO NOT USE THE PRODUCT UNTIL IT HAS BEEN REPAIRED.
- USE OF CONTROLS OR ADJUSTMENTS OR PERFORMANCE OF PROCEDURES OTHER THAN THOSE SPECIFIED HEREIN MAY RESULT IN HAZARDOUS RADIATION EXPOSURE.
1) Read these instructions.
2) Keep these instructions.
3) Heed all warnings.
4) Follow all instructions.
5) Do not use this apparatus near water.
6) Clean only with dry cloth.
7) Do not block any ventilation openings. Install in accordance with the manufacturer’s instructions.
8) Do not install near any heat sources such as radiators, heat registers, stoves, or other apparatus (including amplifiers) that produce heat.
9) Do not defeat the safety purpose of the polarized or groundingtype plug. A polarized plug has two blades with one wider than the other. A grounding type plug has two blades and a third grounding prong. The wide blade or the third prong are provided for your safety. If the provided plug does not fit into your outlet, consult an electrician for replacement of the obsolete outlet.
10) Protect the power cord from being walked on or pinched particularly at plugs, convenience receptacles, and the point where they exit from the apparatus.
11) Only use attachments/accessories specified by the manufacturer.
12)
Use only with the cart, stand, tripod, bracket, or table specified by the manufacturer, or sold with the apparatus. When a cart is used, use caution when moving the cart/ apparatus combination to avoid injury from tip-over.
13) Unplug this apparatus during lightning storms or when unused for long periods of time.
14) Refer all servicing to qualified service personnel. Servicing is required when the apparatus has been damaged in any way, such as power-supply cord or plug is damaged, liquid has been spilled or objects have fallen into the apparatus, the apparatus has been exposed to rain or moisture, does not operate normally, or has been dropped.
- The apparatus draws nominal non-operating power from the AC outlet with its POWER or STANDBY/ON switch not in the ON position.
- The mains plug is used as the disconnect device; the disconnect device shall remain readily operable.
- Caution should be taken when using earphones or headphones with the product because excessive sound pressure (volume) from earphones or headphones can cause hearing loss.
WARNING
Products with Class I construction are equipped with a power supply cord that has a grounding plug. The cord of such a product must be plugged into an AC outlet that has a protective grounding connection.
IN USA/CANADA, USE ONLY ON 120V SUPPLY.
CAUTION
- Do not expose this apparatus to drips or splashes.
- Do not place any objects filled with liquids, such as vases, on the apparatus.
- Do not install this apparatus in a confined space such as a book case or similar unit.
- The apparatus should be located close enough to the AC outlet so that you can easily reach the power cord plug at any time.
- If the product uses batteries (including a battery pack or installed batteries), they should not be exposed to sunshine, fire or excessive heat.
- CAUTION for products that use replaceable lithium batteries: there is danger of explosion if a battery is replaced with an incorrect type of battery. Replace only with the same or equivalent type.
Supplier’s Declaration of Conformity

Model number: S-05
Trade name: ESOTERIC
Responsible party: 11 Trading Company, LLC
Address: 3502 Woodview Trace #200 Indianapolis, IN 46268 U.S.A.
URL: https://11tradingcompany.com/contact-us/
This device complies with Part.15 of FCC Rules.
Operation is subject to the following two conditions:
1) This device may not cause harmful interference
2) This device must accept any interference received, including interference that may cause undesired operation.
Information
This equipment has been tested and found to comply with the limits for a Class B digital device, pursuant to Part 15 of the FCC Rules. These limits are designed to provide reasonable protection against harmful interference in a residential installation. This equipment generates, uses, and can radiate radio frequency energy and, if not installed and used in accordance with the instructions, may cause harmful interference to radio communications. However, there is no guarantee that interference will not occur in a particular installation. If this equipment does cause harmful interference to radio or television reception, which can be determined by turning the equipment off and on, the user is encouraged to try to correct the interference by one or more of the following measures:
- Reorient or relocate the equipment and/or the receiving antenna.
- Increase the separation between the equipment and receiver.
- Connect the equipment into an outlet on a circuit different from that to which the receiver is connected.
- Consult the dealer or an experienced radio/TV technician for help.
CAUTION
Changes or modifications not expressly approved by the party responsible for compliance could void the user’s authority to operate the equipment.
Model for Canada
Innovation, Science and Economic Development Canada’s Compliance Statement:
This Class B digital apparatus complies with Canadian ICES-003.
Model for Europe
This product complies with the European Directives request, and the other Commission Regulations.
Model for UK
This product complies with the applicable UK regulations. 
For European Customers
Disposal of electrical and electronic equipment and batteries and/or accumulators
a) All electrical/electronic equipment and waste batteries/accumulators should be disposed of separately from the municipal waste stream via collection facilities designated by the government or local authorities.
b) By disposing of electrical/electronic equipment and waste batteries/accumulators correctly, you will help save valuable resources and prevent any potential negative effects on human health and the environment.
c) Improper disposal of waste electrical/electronic equipment and batteries/accumulators can have serious effects on the environment and human health because of the presence of hazardous substances in the equipment.
d) The Waste Electrical and Electronic Equipment (WEEE) symbols, which show wheeled bins that have been crossed out, indicate that electrical/electronic equipment and batteries/accumulators must be collected and disposed of separately from household waste.
If a battery or accumulator contains more than the specified values of lead (Pb), mercury (Hg), and/or cadmium (Cd) as defined in the Battery Directive (2006/66/EC, 2013/56/EU), then the chemical symbols Pb, Hg, Cd for those elements will be indicated beneath the WEEE symbol.
e) Return and collection systems are available to end users. For more detailed information about the disposal of old electrical/electronic equipment and waste batteries/accumulators, please contact your city office, waste disposal service or the shop where you purchased the equipment.
Thank you for purchasing this ESOTERIC product.
Read this manual carefully to get the best performance from this product. After reading it, keep it in a safe place with the warranty card for future reference.
ESOTERIC is a trademark of TEAC CORPORATION, registered in the U.S. and other countries.
Other company names, product names and logos in this document are the trademarks or registered trademarks of their respective owners.
Before use
Included accessories
Check to be sure the box includes all the supplied accessories shown below. Please contact the store where you purchased this product if any of these accessories are missing or have been damaged during transportation.
Power cord × 1
Felt pads × 4
Owner’s manual (this document) × 1
Warranty card × 1
Precautions for use
- This unit is very heavy, so take care to avoid injury during installation.
- Place the unit in a stable location near the audio system that will be used with it.
- Do not install this unit in a location that could become hot. This includes places that are exposed to direct sunlight or near a radiator, heater, stove or other heating equipment. Moreover, do not place it on top of an amplifier or other equipment that generates heat. Doing so could cause discoloration, deformation or malfunction.
- Avoid locations that are subject to vibrations or exposed to excessive dust, cold or moisture.
- In order to enable good heat dissipation, leave at least 20 cm (8″) between this unit and walls and other equipment when installing it.
- When putting this unit in a rack, for example, leave at least 20 cm (8″) open above and behind it.
When putting it in a rack, be mindful of the temperature and use one with ventilation openings, for example, in addition to the conditions above.
Failure to provide these gaps could cause heat to build up inside and result in fire. - Do not install it face up or on its side.
- Do not place anything on top of this unit. Do not place it on top of bedding or thick carpet. Doing so could cause the unit to overheat or damage it.
- The voltage supplied to the unit should match the voltage as printed on its back. If you are in any doubt regarding this matter, consult an electrician.
- Do not move the unit during use.
- Do not open the body of the unit as doing so might result in damage to the circuitry or cause electric shock. If a foreign object should get into the unit, contact your dealer.
- When removing the power plug from an outlet, always pull directly on the plug. Never pull on the cord itself.
Note about pinpoint feet
High-precision metal pinpoint feet are attached to the bottom plate of this unit.
The pinpoint feet and their stands are loose, but when the unit is placed in position, it is supported by these pinpoint feet, which effectively disperse vibrations.

- Chassis
- Foot-stand (metal)
- Pinpoint foot (metal)
- After placement
- This unit is very heavy, so take care to avoid injury during installation.
- Apply the included felt pads to the bottoms of the foot-stands to avoid scratching the surface where the unit is placed.
Maintenance
Use a soft dry cloth to wipe the surface of the unit clean.
For stubborn smudges, use a damp cloth that has been thoroughly wrung out to remove excess moisture.
- Never spray liquid directly on this unit.
- Do not wipe with chemical cleaning cloths, thinner or other chemical agents. Doing so could damage the surface.
- Avoid allowing rubber or plastic materials to touch the unit for long periods of time because they could damage the cabinet.
For safety, disconnect the power plug from the outlet before cleaning.
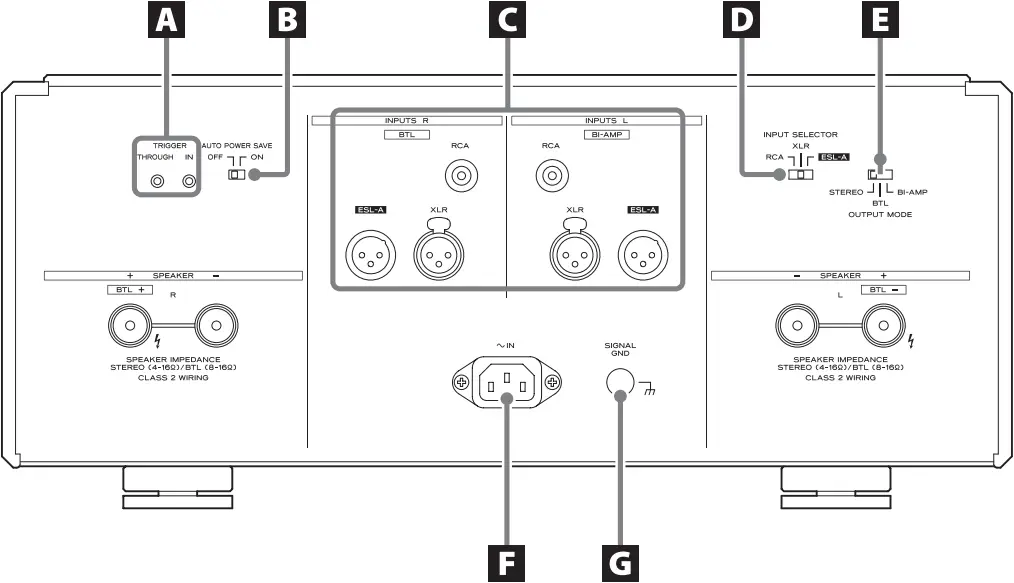
Names and functions of parts
Front

Back
[A] POWER button
Press this to turn the unit on and off.
After turning the unit on, the power indicator will blink and no sound will be output for a few seconds. Wait until the indicator stops blinking and stays lit.
- Since this unit has a large power transformer and capacitors, the power transformer might make noise for a short time after the unit is turned on. This is normal behavior, not a malfunction.
[B] Power indicator
This lights when the unit is on.
[A] TRIGGER connectors
Use these connectors to control power from an external source.
Commercially-available 3.5mm mono mini plug cables are necessary for connections. Please prepare cables with the lengths necessary for the use conditions.
IN: This turns the unit on/off in coordination with the connected device.
THROUGH: Multiple S-05 units can be coordinated with the power of an external device by connecting this to the TRIGGER IN of a second S-05.
[B] AUTO POWER SAVE switch
Use this to turn the automatic power saving function on and off. When the automatic power saving function is on, if there is no audio input (continuous silence) from the selected input source for 30 minutes, the unit will turn off automatically.
- The input sources that are not selected have no effect on automatic power saving.
[C] Analog INPUTS connectors
Connect these to the analog output connectors of preamps.
Set the INPUT SELECTOR switch to choose the connector to use.
Use commercially available cables for connections.
RCA: RCA cables
XLR, ESL-A: balanced XLR cables
Insert balanced XLR plugs until the connector levers lock. Press these levers and pull the plugs out to disconnect.
- The XLR connectors are 2 “HOT”. Use compatible cables.
- Insert the plugs completely. Do not bundle these cables together with power cords or speaker cables. Doing so could degrade the sound quality or cause noise.
- For ESL-A connections, use balanced XLR cables that are shielded. Using cables that are not shielded could cause noise.
[D] INPUT SELECTOR switch
Use this to switch between the RCA, XLR and ESL-A inputs.
Do not change this when the unit is on. Doing so could result in a sudden loud noise that could harm your hearing or damage the connected speakers.
[E] OUTPUT MODE switch
Use this to change the unit operation mode.
STEREO: stereo power amplifier
BTL: mono power amplifier
BI-AMP: bi-amplifier
[F] AC power inlet (~IN)
Connect the supplied power cord to this AC inlet.
After completing all other connections, plug the power plug into a power outlet.
Use only a genuine ESOTERIC power cord. Use of other power cords could result in fire or electric shock.
Disconnect the power plug from the outlet if you will not use the unit for a long time.
[G] SIGNAL GND grounding terminal
Using commercially-available sheathed wire (for example, PVCinsulated) to create grounded connections with the speakers, the preamplifier or other equipment might improve the sound quality.
- This is not a safety grounding terminal.
Connecting speakers
Notes about speaker cables
- Use commercially-available speaker cables to connect the speakers.
- Use the shortest speaker cables possible. The longer the cable, the greater the resistance value and the more that damping performance is reduced. Moreover, length also increases inductance and capacitance, degrading the sound quality of high frequencies.
- Use left and right speaker cables that have the same length.
How to connect speaker cables
Use commercially-available speaker cables to connect the + terminal of the unit to the + terminal of the speaker and the – terminal of the unit to the – terminal of the speaker.
- Use speakers with at least 4Ω impedance. When using BTL mode, use speakers with at least 8Ω impedance.
- If the exposed tip of the core wire of a speaker cable contacts another cord or terminal, a short could occur.
Never allow speaker cables to cause a short. - Do not connect more than one amplifier to a speaker.
- Do not bundle speaker cables with power cords. Doing so could cause noise.
The power plug should always be disconnected when connecting speaker cables.
Precautions when connecting speaker cables
Connect the cables securely so that they do not become loose and the core wires or terminals at their ends do not become exposed and contact other metal parts or the unit.
When using bare speaker wires
Loosen the cap and insert the core wire into the hole in the terminal. Then, tighten the cap.

When using spade connectors
Loosen the cap and insert the spade connector between the cap and base of the terminal. Then, tighten the cap.

- When connecting speakers with spade connectors, they should have inside diameters of at least 8 mm.
When using banana plugs
With the cap tightened, insert the plug into the opening in the end of the terminal.

- Carefully read the instructions for the banana plugs that you are using.
Notice about the European model
In accordance with European safety regulations, connecting banana plugs to speaker terminals is not allowed on European models.
The holes into which banana plugs could be inserted have been covered with black caps. Connect speakers using bare wires or spade connectors.
If a black cap should become separated from its terminal, return it to its original position.
Connecting using ES-LINK Analog
ES-LINK Analog overview
The current transmission method utilizes the performance of HCLD buffer circuits that feature the ability to supply strong current at high speed. This suppresses the impact of impedance on signal paths, enabling pure and powerful transmission of signals.
- Ordinary balanced cables (with XLR connectors) are used for connection. These connectors can only be used with compatible devices, however, because the transmission format is unique.
Connecting to a preamplifier using ES-LINK Analog
When the output mode is STEREO

- XLR cable
- Analog audio output (ESL-A) connectors
- Preamplifier
Use an XLR cable to connect the analog audio output (ESL-A) connector of a preamp to the ES-LINK Analog input (ESL-A) connector on this unit.
- Set the INPUT SELECTOR switch on this unit to ESL-A.
- When the output mode is BTL or BI-AMP, connect XLR cables only to the BTL or BI-AMP input connectors.
- Normal XLR and RCA connections are also possible. Select the connection type that provides the audio quality you prefer.
ATTENTION
- The ESL-A input connector of this unit is a male-type connector to prevent accidental connection by mistaking it for the XLR input connector.
- For ESL-A connections, use balanced XLR cables that are shielded. Using cables that are not shielded could cause noise.
Connections
Precautions when making connections
Complete all other connections before connecting power plugs to power outlets. Always disconnect the power plug of this unit before disconnecting anything else.
Read the owner’s manuals of all devices that will be connected, and follow their instructions.
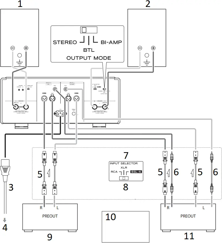
Using STEREO output mode
Set the OUTPUT MODE switch to STEREO.

- Speaker (R)
- Speaker (L)
- Included power cord
- Wall outlet
- XLR cables
- RCA cable
- Connect using a set of only one type.
- Set INPUT SELECTOR to the type of connectors being used.
- Preamplifier that supports ES-LINK Analog
- XLR pin assignment
1. COMMON
2. HOT (+)
3. COLD (−) - Preamplifier
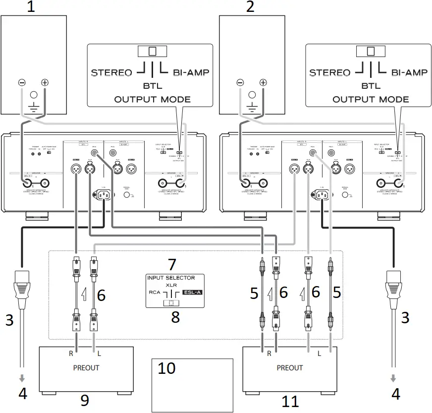
Using BTL output mode
This unit can be used as a mono amplifier.
Set the OUTPUT MODE switches on the units for the L and R channels to BTL.
In BTL mode, use two of these units for stereo playback.
NOTE
Sound input through the analog audio INPUTS R connectors will be output from both the L and R SPEAKER terminals with opposite polarity.
ATTENTION
- Connect speakers to SPEAKER R + (BTL +) and SPEAKER L + (BTL -).
- Do not connect anything to the unit’s analog INPUTS L connectors. Doing so could result in damage.

- Speaker (R)
- Speaker (L)
- Included power cord
- Wall outlet
- RCA cable
- XLR cables
- Connect using a set of only one type.
- Set INPUT SELECTOR to the type of connectors being used.
- Preamplifier that supports ES-LINK Analog
- XLR pin assignment
1. COMMON
2. HOT (+)
3. COLD (−) - Preamplifier
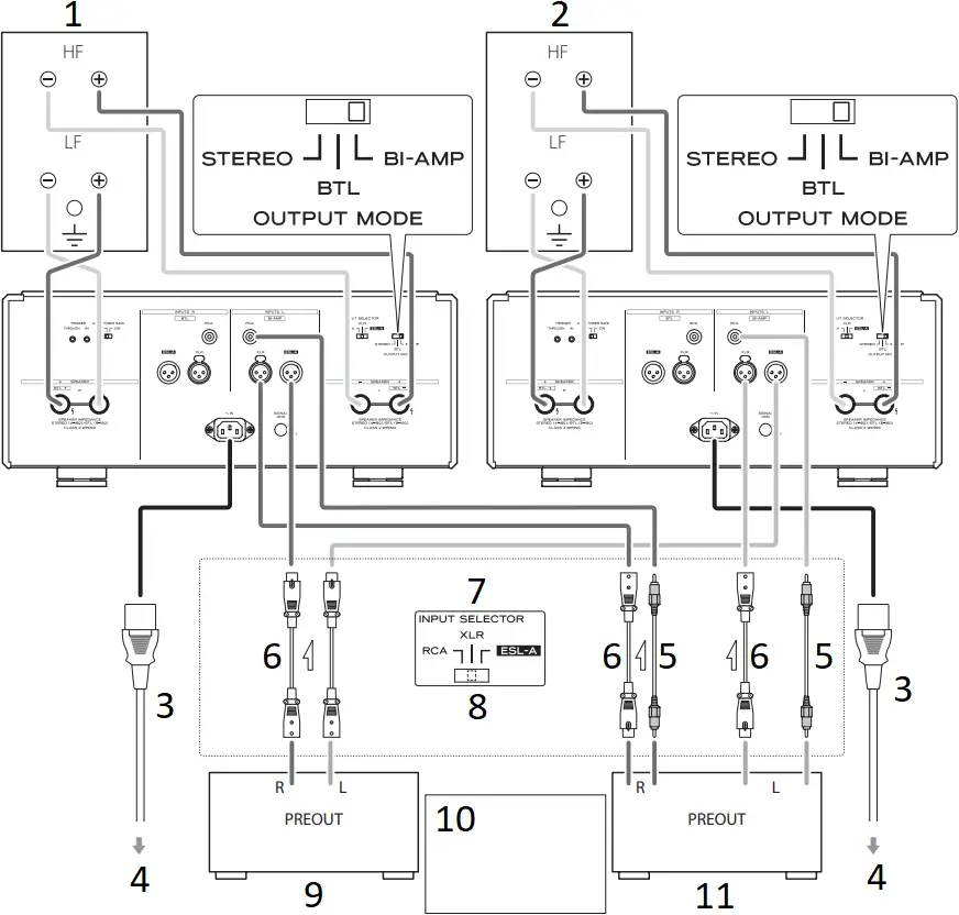
Using BI-AMP output mode
This unit can be used as a mono bi-amplifier.
Set the OUTPUT MODE switches on the units for the L and R channels to BI-AMP.
In BI-AMP mode, use two of these units for stereo playback. What is bi-amp connection?
This method operates amplifiers independently for low-frequency and high-frequency speaker units.
NOTE
Sound input through the analog INPUTS L connectors will be output from both the L and R SPEAKER terminals.
ATTENTION
- Connection for bi-amplification is not possible with speakers that do not have both low frequency (LF) and high frequency (HF) terminals.
- When using bi-amp connections, remove speaker terminal links, and disconnect the connections between speaker
terminals and between
terminals. - Do not connect anything to the unit’s analog INPUTS R connectors. Doing so could result in damage.

- Speaker (R)
- Speaker (L)
- Included power cord
- Wall outlet
- RCA cable
- XLR cables
- Connect using a set of only one type.
- Set INPUT SELECTOR to the type of connectors being used.
- Preamplifier that supports ES-LINK Analog
- XLR pin assignment
1. COMMON
2. HOT (+)
3. COLD (−) - Preamplifier
Basic operation
In order to protect the speakers, follow the steps below when turning Turning the power off
on and off the system to which this unit is connected.
Turning the power on
[1] Turn the audio source device on.
[2] Turn the preamp power on and minimize its volume.
[3] Press the POWER button to turn this unit on.

After turning the unit on, the power indicator will blink and no sound will be output for a few seconds. Wait until the power indicator stops blinking and stays lit before adjusting the volume and conducting other operations.
Turning the power off
[1] If a source device is playing, stop playback.
[2] Minimize the preamplifier volume.
[3] Turn this unit off.

[4] Turn the preamplifier off.
[5] Turn the source device off.
Notes about the protection circuits
This unit has an overload protection circuit, an overheating protection circuit and a DC voltage protection circuit built-in.
When an abnormality is detected, the power indicator will blink red repeatedly for 30 seconds in a pattern as shown below. Then the protection circuit will activate and the power will turn off.
Overload detected![]()
Left channel overheating detected![]()
Right channel overheating detected![]()
Left and right channel overheating detected![]()
Lit
DC detected
No error indicator
Countermeasures
Overload detected
A short might have occurred with the +/- speaker cables. Disconnect the power cord and check the connections with the speakers.
Left channel overheating detected
Right channel overheating detected
Left and right channel overheating detected
The internal temperature has become high. Turn the power off and wait a while until the temperature has cooled down or improve the installation conditions to increase the ventilation.
DC detected
After detection, the power will turn off immediately without showing an error indicator.
Since an internal circuit might be malfunctioning, contact the retailer where you purchased the unit.
If the indicator continues to blink even after likely causes have been eliminated, contact the store where you purchased the unit.
Troubleshooting
If you experience a problem with this product, please take a moment to review the following information before requesting service.
If this product still does not operate correctly, contact the retailer where you purchased it.
The unit does not turn on.
Insert the power plug into an outlet.
The unit automatically turns off.
This is because the automatic power saving function turned it off.
Press the POWER button on the main unit to turn it on.
Change the automatic power saving setting if necessary (page 9).
No sound is output.
Turn this unit on.
Confirm that the preamplifier is on. Before turning the preamplifier on, turn this unit off.
Confirm that a signal is being output from the preamplifier.
Check the connections between this unit, the preamplifier and the speaker, as well as between the audio source device and the preamplifier.
Confirm that the correct input is selected on the preamplifier.
Confirm that the correct input is selected on this unit.
Raise the preamplifier volume.
The power indicator repeatedly blinks red in an irregular pattern.
A protection circuit is active. Turn the unit off and eliminate the cause (page 16).
The stereo sound position is irregular.
Check that neither of the speakers has a connection cable with +/- reversed.
Specifications
Audio performance
Rated output. . . . . . . . . . . . . . . . . . . . . . . . . . . . . . . . . . . . . . 30 W + 30 W (8 Ω)
60 W + 60 W (4 Ω)
Frequency response. . . . . . . . . . . . . . . 5 Hz – 100 kHz (+0 dB, −3 dB, 8 Ω)
S/N ratio. . . . . . . . . . . . . . . . . . . . . . . . . . . . . . . . . . . . . . . . . . 102 dB (IHF-A, XLR)
Total harmonic distortion. . . . . . . . . . . . . . . . . . . 0.007% (1 kHz, 8 Ω, 30 W)
Compatible impedance. . . . . . . . . . . . . . . . . . . . . . . . . . . . . . . . . . . 4 Ω – 16 Ω
In BTL mode. . . . . . . . . . . . . . . . . . . . . . . . . . . . . . . . . . . . . . . . . . . . 8 Ω – 16 Ω
Gain. . . . . . . . . . . . . . . . . . . . . . . . . . . . . . . . . . . . . . . . . . . . . . . . . . . . . . . . . . 28.5 dB
Damping factor. . . . . . . . . . . . . . . . . . . . . . . . . . . . . . . . . . . . . . . . . . . . . . . . . . . 500
Input connectors
ESL-A. . . . . . . . . . . . . . . . . . . . . . . . . . . . . . . . . . . . . . . . . . . . . . . . . . . . . . . . 1 pair
RCA. . . . . . . . . . . . . . . . . . . . . . . . . . . . . . . . . . . . . . . . . . . . . . . . . . . . . . . . . 1 pair
XLR. . . . . . . . . . . . . . . . . . . . . . . . . . . . . . . . . . . . . . . . . . . . . . . . . . . . . . . . . 1 pair
Input impedance
RCA. . . . . . . . . . . . . . . . . . . . . . . . . . . . . . . . . . . . . . . . . . . . . . . . . . . . . . . . . 47 kΩ
XLR. . . . . . . . . . . . . . . . . . . . . . . . . . . . . . . . . . . . . . . . . . . . . . . . . . . . . . . . 100 kΩ
Trigger connectors
IN. . . . . . . . . . . . . . . . . . . . . . . . . . . . . . . . . . . . . . . . . . . . . . . . . . . . . . . . . . . . . . . 1
THROUGH. . . . . . . . . . . . . . . . . . . . . . . . . . . . . . . . . . . . . . . . . . . . . . . . . . . . . . . 1
General
Power supply
Model for Europe. . . . . . . . . . . . . . . . . . . . . . . . . . . . . . . . . . AC 230 V, 50 Hz
Model for USA/Canada. . . . . . . . . . . . . . . . . . . . . . . . . . . . AC 120 V, 60 Hz
Power consumption. . . . . . . . . . . . . . . . . . . 250 W (240 W when no signal)
External dimensions (W × H × D, including protrusions)
445 × 191 × 444 mm (17 5/8″ × 7 5/8″ × 17 1/2″)
Weight. . . . . . . . . . . . . . . . . . . . . . . . . . . . . . . . . . . . . . . . . . . . 30.7 kg (67 3/4 lb)
Operating temperature range. . . . . . . . . . . . . . . . . . . . . . . . . +5°C to +35°C
Operating humidity range. . . . . . . . . . . . . . 5% to 85% (no condensation)
Storage temperature range. . . . . . . . . . . . . . . . . . . . . . . . . . . −20°C to +55°C
Included accessories
Power cord × 1
Felt pads × 4
Owner’s manual (this document) × 1
Warranty card × 1
- Specifications and appearance are subject to change without notice.
- Weight and dimensions are approximate.
- Illustrations in this manual might differ slightly from production models.
Dimensional drawings


Foot placement diagram

Dimensions in millimeters (mm)
*48mm diameter feet × 4

ESOTERIC COMPANY 1-47 Ochiai, Tama-shi, Tokyo 206-8530, Japan Phone: +81-42-356-9156
This product has a serial number located on the rear panel. Please write it here and retain this for your records.
Model name: S-05 Serial number
1022∙MA-3571A



















