ALPINE S2-A120M Mono Power Amplifier

Product Information
This product is a mono-power amplifier designed for mobile 12V applications. It has a specified wire size and length for connecting the power supply wires. The amplifier has an external fuse that needs to be added with the battery lead as close as possible to the battery’s positive (+) terminal. The equipment should be connected to the same ground point while keeping the wire length as short as possible.
Product Usage Instructions
- Read the owner’s manual and the caution document carefully before connecting the power supply wires.
- Use the specified wire size according to the total fuse capacity of the amplifier to be installed and the specified wire length.
- When installing multiple amplifiers, use wire size corresponding to the wire length for each amplifier.
- Connect all equipment to the same ground point while keeping wire length as short as possible.
- Add an external fuse (e.g. fuse block, circuit breaker) with the battery lead as close as possible to the battery’s positive (+) terminal.
- Make sure to use only in cars with a 12-volt negative ground.
- When replacing fuses, use the correct ampere rating.
- Do not block vents or radiator panels.
- Do not disassemble or alter the product.
- Keep the volume at a level where you can still hear outside noises while driving.
- Do not operate any function that takes your attention away from safely driving your vehicle.
IMPORTANT TIP
CAUTION
Cautions on Power Supply Wires Connection
When connecting the power supply wires, be sure to read the OWNER’S MANUAL and this document carefully, and then connect it correctly.
About power supply wires
Use the specified wire size according to the total fuse capacity of the amplifier to be installed and the specified wire length. For details, refer to “Cautions on Power Supply Wires” in the OWNER’S MANUAL and this document and use the wire of the specified size.
- (A): Wire size corresponding to the wire length when installing an amplifier alone
- (B) (C): Wire size corresponding to the wire length when installing more than one amplifier
- Be sure to add an External Fuse (e.g. Fuse Block, Circuit Breaker) with the battery lead as close as possible to the battery’s positive(+) terminal.
- Connect all equipment to the same ground point while keeping wire length as short as possible.

About the connection of power supply wires
For connecting the wire lead, note the following.
- Remove the insulation from the ends of the wire leads by about 7-10 mm (9/32″- 13/32″), and then twist the core line (lead wire part) of the tip.
- When connecting the wire leads, use the screws attached with the Power Supply Terminal or Battery Connector of the amplifier to tighten them.
- Due to the specification of the Power Supply Terminal of the amplifier, wire leads may be fixed using a wire with a round terminal.
- For details on connecting the wire lead, refer to the supplied OWNER’S MANUAL and be sure to connect securely by following the specified method.
SAFETY WARNING
Points to Observe for Safe Usage
Read this manual carefully before using the system components. They contain instructions on how to use this product in a safe and effective manner. Alpine cannot be responsible for problems resulting from failure to observe the instructions in this manual.
WARNING
This symbol means important instructions. Failure to heed them can result in serious injury or death.
DO NOT OPERATE ANY FUNCTION THAT TAKES YOUR ATTENTION AWAY FROM SAFELY DRIVING YOUR VEHICLE.
Any function that requires your prolonged attention should only be performed after coming to a complete stop. Always stop the vehicle in a safe location before performing these functions. Failure to do so may result in an accident.
KEEP THE VOLUME AT A LEVEL WHERE YOU CAN STILL HEAR OUTSIDE NOISES WHILE DRIVING.
Excessive volume levels that obscure sounds such as emergency vehicle sirens or road warning signals (train crossings, etc.) can be dangerous and may result in an accident. LISTENING AT LOUD VOLUME LEVELS IN A CAR MAY ALSO CAUSE HEARING DAMAGE.
- DO NOT DISASSEMBLE OR ALTER.
Doing so may result in an accident, fire or electric shock. - USE THIS PRODUCT FOR MOBILE 12V APPLICATIONS.
Use for other than its designed application may result in fire, electric shock or other injury. - USE THE CORRECT AMPERE RATING WHEN REPLACING FUSES.
Failure to do so may result in fire or electric shock. - DO NOT BLOCK VENTS OR RADIATOR PANELS.
Doing so may cause heat to build up inside and may result in fire. - MAKE THE CORRECT CONNECTIONS.
Failure to make the proper connections may result in fire or product damage. - USE ONLY IN CARS WITH A 12 VOLT NEGATIVE GROUND.
(Check with your dealer if you are not sure.) Failure to do so may result in fire, etc. - BEFORE WIRING, DISCONNECT THE CABLE FROM THE NEGATIVE BATTERY TERMINAL.
Failure to do so may result in electric shock or injury due to electrical shorts. - DO NOT ALLOW CABLES TO BECOME ENTANGLED IN SURROUNDING OBJECTS.
Arrange wiring and cables in compliance with the manual to prevent obstructions when driving. Cables or wiring that obstruct or hang up on places such as the steering wheel, gear lever, brake pedals, etc. can be extremely hazardous. - DO NOT SPLICE INTO ELECTRICAL CABLES.
Never cut away cable insulation to supply power to other equipment. Doing so will exceed the current carrying capacity of the wire and result in fire or electric shock. - DO NOT DAMAGE PIPE OR WIRING WHEN DRILLING HOLES.
When drilling holes in the chassis for installation, take precautions so as not to contact, damage or obstruct pipes, fuel lines, tanks or electrical wiring. Failure to take such precautions may result in fire. - DO NOT USE BOLTS OR NUTS IN THE BRAKE OR STEERING SYSTEMS TO MAKE GROUND CONNECTIONS.
Bolts or nuts used for the brake or steering systems (or any other safety-related system), or tanks should NEVER be used for installations or ground connections. Using such parts could disable control of the vehicle and cause fire etc. - KEEP SMALL OBJECTS SUCH AS BATTERIES OUT OF THE REACH OF CHILDREN.
Swallowing them may result in serious injury. If swallowed, consult a physician immediately.
CAUTION
This symbol means important instructions. Failure to heed them can result in injury or property damages.
- HALT USE IMMEDIATELY IF A PROBLEM APPEARS.
Failure to do so may cause personal injury or damage to the product. Return it to your authorized Alpine dealer or the nearest Alpine Service Center for repair. - HAVE THE WIRING AND INSTALLATION BEEN DONE BY EXPERTS?
The wiring and installation of this unit require special technical skills and experience. To ensure safety, always contact the dealer where you purchased this product to have the work done. - USE SPECIFIED ACCESSORY PARTS AND INSTALL THEM SECURELY.
Be sure to use only the specified accessory parts. Use of other than designated parts may damage this unit internally or may not securely install the unit in place. This may cause parts to become loose resulting in hazards or product failure. - ARRANGE THE WIRING SO IT IS NOT CRIMPED OR PINCHED BY A SHARP METAL EDGE.
Route the cables and wiring away from moving parts (like the seat rails) or sharp or pointed edges. This will prevent crimping and damage to the wiring. If wiring passes through a hole in metal, use a rubber grommet to prevent the wire’s insulation from being cut by the metal edge of the hole. - DO NOT INSTALL IN LOCATIONS WITH HIGH MOISTURE OR DUST.
Avoid installing the unit in locations with high incidence of moisture or dust. Moisture or dust that penetrates into this unit may result in product failure.
SERVICE CARE
IMPORTANT NOTICE
This Amplifier has been type tested and found to comply with the limits for a Class B computing device in accordance with the specifications in Subpart J of Part 15 of FCC Rules. This equipment generates and uses radio frequency energy, and it must be installed and used properly in accordance with the manufacturer’s instructions.
- SERIAL NUMBER:
- INSTALLATION DATE:
- INSTALLATION TECHNICIAN:
- PLACE OF PURCHASE:
IMPORTANT
Please record the serial number of your unit in the space provided here and keep it as a permanent record. The serial number plate is located on the rear of the unit.
For European Customers
Should you have any questions about warranty, please consult your store of purchase.
For Customers in other Countries
IMPORTANT NOTICE
Customers who purchase the product with which this notice is packaged, and who make this purchase in countries other than the United States of America and Canada, please contact your dealer for information regarding warranty coverage.
ACCESSORIES
- Self-Tapping Screw ………………………………………………….4
- Hexagon Wrench ……………………………………………………..1
INSTALLATION
Due to the high power output of the S2-A120M/S2-A60M considerable heat is produced when the amplifier is in operation. For this reason, the amplifier should be mounted in a location which will allow for free circulation of air, such as inside the trunk. For alternate installation locations, please contact your authorized Alpine dealer.
- Using the amplifier as a template, mark the four screw locations.
- Make sure there are no objects behind the surface that may become damaged during drilling.
- Drill the screw holes.
- Position the S2-A120M/S2-A60M over the screw holes, and secure with four self-tapping screws.

ATTACHING THE TERMINAL COVERS
Attach the terminal covers (included) after connections and confirmation of correct operation. Attaching the terminal covers will improve the appearance of the unit.
How to attach the terminal covers:
Attach the left and right terminal covers using the supplied Self-Tapping Screws (3×8), as shown in the figure below.
CAUTION
Do not lift or carry the unit by the attached terminal covers.
CONNECTIONS
Before making connections, be sure to turn the power off to all audio components.
S2-A120M

S2-A60M

- For details on the size of the wire to be used, refer to the supplied “Cautions on Power Supply Wires Connection” and “Cautions on Power Supply Wires” (page 15), and then use the wire of the specified size.
- Be sure to add an External Fuse (e.g. Fuse Block, Circuit Breaker) with the battery lead as close as possible to the battery’s positive (+) terminal. Add an external fuse with the same capacity, or a slightly larger capacity, as the sum total of the fuse capacities of the amplifier.
For details on the fuse capacity of this machine, see “Battery Lead 4”. - Connect all equipment to the same ground point while keeping wire length as short as possible.
- To securely connect the ground lead, use an already installed screw.
To prevent external noise from entering the audio system
- Locate the unit and route the leads at least 10 cm (4”) away from the vehicle’s harness.
- Keep the battery power leads as far away from other leads as possible.
- Connect the ground lead securely to a bare metal spot (remove any paint or grease if necessary) of the vehicle’s chassis.
- If you add an optional noise suppressor, connect it as far away from the unit as possible. Your Alpine dealer carries various noise suppressors, contact them for further information.
- Your Alpine dealer knows best about noise prevention measures so consult your dealer for further information.
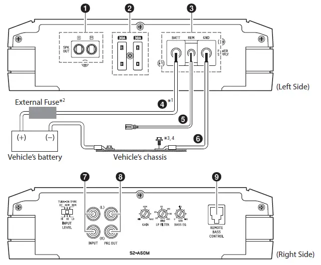
Speaker Output Terminals
Connect the Speaker Output Lead (+) / (–) using the Hexagon hole screw of the Speaker Output Terminals 1.
- For details on how to connect, see “Cautions on wire lead connections”.
Be sure to observe correct speaker output connections and polarity in relation to the other speakers in the system. Connect the positive output to the positive speaker terminal and the negative to negative.
About Subwoofer Input/Output
- The input is stereo but the output is monaural.
- Reversing subwoofer polarity (swapping positive and negative connections to the subwoofer) may be desirable in some installations for optimum bass performance.
NOTE:
- Do not connect the speaker (–) terminal to the vehicle’s chassis.
Fuse
- S2-A120M …………………………………………………..25 A × 4
- S2-A60M …………………………………………………….30 A × 2
USE THE CORRECT AMPERE RATING WHEN REPLACING FUSES.
Failure to do so may result in fire or electric shock.
Power Supply Terminal
Connect the Battery Lead 4, Remote Turn-on Lead 5, and Ground Lead 6 using the Hexagon hole screw of the Power Supply Terminal 3.
- For details on how to connect, see “Cautions on wire lead connections”.
Battery Lead (sold separately)
Be sure to add an External Fuse (e.g. Fuse Block, Circuit Breaker) with the battery lead as close as possible to the battery’s positive (+) terminal. This fuse will protect your vehicle’s electrical system in case of a short circuit. See below for the appropriate fuse value requirement:
- S2-A120M ………………………………………… 100 amp fuse
- S2-A60M ……………………………………………..60 amp fuse
For details on the size of the wire to be used, refer to the supplied “Cautions on Power Supply Wires Connection” and “Cautions on Power Supply Wires” (page 15), and then use the wire of the specified size.
Remote Turn-On Lead (sold separately)
Connect this lead to the remote turn-on (positive trigger, (+) 12 V only) lead of your head unit. If a remote turn-on lead is not available, see “CONNECTION CHECKLIST”.
- When connecting the speaker output leads of the head unit to this unit with a Speaker-RCA Conversion cable (sold separately), you do not need to connect the remote turn-on lead, owing to the “REMOTE SENSING” function of this unit. However, the “REMOTE SENSING” function may not work depending on the signal source connected. In such a case, connect the remote turn-on lead to an incoming power supply cord (accessory power) in the ACC position.
Ground Lead (sold separately)
Connect this lead securely to a clean, bare metal spot on the vehicle’s chassis. Verify this point to be a true ground by checking for continuity between that point and the negative (–) terminal of the vehicle’s battery. Ground all your audio components to the same point on the chassis to prevent ground loops while keeping wire length as short as possible.
- For details on the wires size to be used, refer to the supplied “Cautions on Power Supply Wires Connection” and “Cautions on Power Supply Wires” (page 15), and then use the wire of the specified size.
RCA Input Jacks
Connect these jacks to the line out leads on your head unit using RCA extension cables or Speaker-RCA Conversion cable (sold separately). Be sure to observe correct channel connections; Left to Left and Right to Right.
Pre-Out Jacks
These jacks provide a line level output. This is an ideal output for driving a second subwoofer amp. This output is full-range, and is not affected by the crossover.
Remote Bass Control (optional)
Connect the Remote Bass Control Unit RUX-KNOB.2 (sold separately) to adjust the output level remotely. This is not to replace appropriate gain level setting between the amplifier and head unit.
Cautions on wire lead connections
When using third-party wire cables (power supply wire), use the supplied screws to simplify the connection. Refer to the description below for the proper procedure. If you are in doubt about how to make this connection, consult your dealer.
- Check the wire size.
- For details on the size of the wire to be used, refer to the supplied “Cautions on Power Supply Wires Connection” and “Cautions on Power Supply Wires” (page 15), and then use the wire of the specified size.
- If the wire gauge used is unknown, ask your dealer.
- Remove the insulation from the ends of the wire leads by about 7 – 10 mm (9/32” – 13/32”).

NOTES:- If the length of the exposed wire is too short, a poor connection may occur causing operation failure or sound interruption.
- On the other hand, if the length is too long, an electrical short-circuit may occur.
- Tighten the hexagon hole screw with the hexagon wrench (included) to secure the lead. Before making this connection, use insulated shrink tubing to cover any exposed wire extending beyond the terminal.
Power Supply Terminal

Speaker Output Terminals

NOTES:
- Be sure to use the Hexagon hole screw attached to the Power Supply Terminal 3 or Speaker Output Terminal 1.
- For safety reasons, connect the battery leads last.
- To prevent disconnection of the leads or dropping of the unit, do not use the cabling to carry the unit.
CONNECTION CHECKLIST
Please check your head unit for the conditions listed below:
Remote Turn-On Lead
- The head unit does not have a remote turn-on or power antenna lead.
- The head unit’s power antenna lead is activated only when the radio is on (turns off in the tape or CD Mode).
- The head unit’s power antenna lead is logic level output (+) 5 V, negative trigger (grounding type), or cannot sustain (+) 12 V when connected to other equipment in addition to the vehicle’s power antenna.
If any of the above conditions exist, the remote turn-on lead of your S2-A120M/S2-A60M must be connected to a switched power source (ignition) in the vehicle. Be sure to use a 3 A fuse as close as possible to this ignition tap. Using this connection method, the S2-A120M/S2-A60M will turn on and stay on as long as the ignition switch is on. If this is objectionable, an SPST (Single Pole, Single Throw) switch, in addition to the 3 A fuse mentioned above, may be installed in-line on the S2-A120M/S2-A60M turn-on lead. This switch will then be used to turn on (and off) the S2-A120M/S2-A60M. Therefore, the switch should be mounted so that is accessible by the driver. Make sure the switch is turned off when the vehicle is not running. Otherwise, the amplifier will remain on and drain the battery.
- Blue/White
- Power Antenna
- Remote Turn-On Lead
- To other Alpine component’s Remote Turn-On Leads
- SPST Switch (optional)
- Fuse (3 A)
- As close as possible to the vehicle’s ignition tap
- Ignition Source

SWITCH SETTINGS
Before switching each Selector Switch, turn off the power and insert a small screwdriver, etc., perpendicularly to the Switch.
S2-A120M/S2-A60M

- Input Level and Turn-on Type Switch
- If the input is via the head unit speaker line using a speaker-RCA conversion cable (sold separately), set to “HI”.
TURN-ON TYPE “DC”:
Power is turned on by the “REMOTE SENSING” function when DC offset is detected.
- If the input is via the head unit speaker line using a speaker-RCA conversion cable (sold separately), set to “HI”.
TURN-ON TYPE “REM”:
Power is turned on by the remote turn-on lead.
- If the input is via the head unit pre-out line using an RCA extension cable (sold separately), set to “LO”.
TURN-ON TYPE “REM”:
Power is turned on by the remote turn-on lead.
- If the input is via the head unit speaker line using a speaker-RCA conversion cable (sold separately), set to “HI”.
- Input Gain Adjustment Control
Set the S2-A120M/S2-A60M input gain to the minimum position. Using a dynamic CD as a source, increase the head unit volume until the output distorts. Then, reduce the volume 1 step (or until the output is no longer distorted). Now, increase the amplifier gain until the sound from the speakers becomes distorted. Reduce the gain slightly so the sound is no longer distorted to achieve the optimum gain setting. - Crossover Frequency Adjustment Knob (LP FILTER)
Use this control to adjust the crossover frequency between 50 Hz to 400 Hz. - Bass EQ Adjustment Knob
Add a 50 Hz bass boost up to +12 dB to tune your bass response.
The DC offset auto turn-on circuit was designed to work with ONLY high-level signals (i.e., speaker-level signals). These high-level signals usually come from the amplified output of radios, head units, and amplifiers. Because LO signal input (i.e., low-level signals) cannot turn on the amplifier, the REMOTE trigger signal must be supplied and the REM setting needs to be used for LO signal input.
For details on turning on the unit with the ACC trigger signal, see the Remote Turn-On Lead 5 section.
About Power Indicator

Lights up when power is on. Is off when power is off.
| Indication color | Status | Solution |
| Blue | Amplifier circuit is normal. | |
| Red (blinking) | Operating temperature is high. | Turn down the volume of the head unit (input signal). Decrease the vehicle’s interior temperature to a normal level. The indicator color changes to blue. |
| Red | Amplifier circuit is abnormal. An electrical short has occurred, or supply current is too high. | Turn off the power supply and eliminate the cause. Then turn on the unit and verify that the indicator color has changed to blue. If it remains red, turn off the unit and consult your dealer. |
| Operating temperature is too high. | Decrease the vehicle’s interior temperature to a normal level. The indicator color changes to blue. | |
| Power supply voltage is too high. | Use the correct power supply voltage. The indicator color changes to blue. |
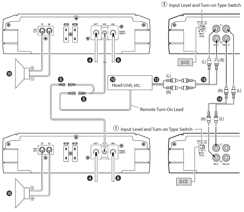
SYSTEM DIAGRAMS
Before making a connection, check the total number of impedance of the speaker connected to the unit. If you have any questions, contact the nearest Alpine dealer.
Basic Connection Diagram
- Speaker Output Terminals
- Fuse
- Power Supply Terminal
- Battery Lead (sold separately)
- Remote Turn-On Lead (sold separately)
- Ground Lead (sold separately)
- RCA Input Jacks
- Pre-Out Jacks
- Remote Bass Control (optional)
- Head Unit, etc.
- Front Output
- Rear Output
- Subwoofer Output
- Front Speakers
- Rear Speaker
- Subwoofer
- Dual Voice Coil Subwoofer
- RCA Extension Cable (sold separately)
- Speaker-RCA Conversion Cable (sold separately)
- Y-Adapter (sold separately)
Subwoofer System for S2-A120M
If the connected head unit does not have a Speaker Output and RCA Extension Cable 18 cannot be used, you can use the Speaker-RCA Conversion Cable 19 (sold separately). For details on how to make a connection, see “About Connecting to the Speaker Input Level System”.
Subwoofer System for S2-A60M

If the connected head unit does not have a Speaker Output and RCA Extension Cable 18 cannot be used, you can use the Speaker-RCA Conversion Cable 19 (sold separately). For details on how to make a connection, see “About Connecting to the Speaker Input Level System”.
2 Subwoofer System for S2-A120M

Multiple Mono Amplifier System for S2-A60M

About Connecting to the Speaker Input Level System
When connecting by using the Speaker-RCA Conversion Cable 19 (sold separately), switch the Input Level and Turn-on Type Switch 1 to “HI”.

- Do not mistake the Speaker Output Lead on the head unit side connected to this unit.
Important Tips on Connection with Y-adapter
The low output will result if only one channel input is used. The Y-adapter is required if Head Unit, etc. has only one signal output.

Cautions on Power Supply Wires
Use the specified wire size according to the total fuse capacity of the amplifier to be installed and the wire length. For details on the wire size to be used, refer to the supplied “Cautions on Power Supply Wires Connection” and the following connection example.
Connection example when installing an amplifier alone
- When the wire length from the amplifier to the vehicle’s battery is (A)
Wire size used for (A):- S2-A120M: 4 AWG/21 mm2 (Max. length 4.5 m)
- S2-A60M: 4 AWG/21 mm2 (Max. length 10 m)
- External Fuse capacity: Make it equal to or larger than the fuse capacity of the amplifier
- S2-A120M: equal to or larger than 100 A
- S2-A60M: equal to or larger than 60 A

Connection example when installing two amplifiers with a fuse capacity of 100 A and one amplifier with 60 A
- When the wire length from each amplifier to the distribution block is 1 m
Wire size used for (B): 8 AWG/8 mm2 - When the wire length from the distribution block to the vehicle’s battery is 6 m
Wire size used for (C): 1/0 AWG/53 mm2 (or 4 AWG × 2/21 mm2 × 2) - External Fuse capacity: Make it equal to or larger than total fuse capacity of the number of amplifiers installed
100 A + 100 A + 60 A = equal to or larger than 260 A
NOTE:
If the length of the power and ground cables exceeds 1 m, or if you connect more than one amplifier, a distribution block should be used.
SPECIFICATIONS
| S2-A120M | S2-A60M | ||
| Performance | |||
| Power Output | Per Channel, Ref.: 4 Ω, 14.4 V | 600 W RMS x 1 | 330 W RMS x 1 |
| Per Channel, Ref.: 2 Ω, 14.4 V | 1,200 W RMS x 1 | 600 W RMS x 1 | |
| Per Channel, Ref.: 1 Ω, 14.4 V | 1,200 W RMS x 1 | 600 W RMS x 1 | |
|
THD+N | Ref.: 10 W into 4 Ω | ≤0.03% | ≤0.03% |
| Ref.: 10 W into 2 Ω | ≤0.05% | ≤0.05% | |
| Ref.: 10 W into 1 Ω | ≤0.05% | ≤0.05% | |
| Ref.: Rated Power into 4 Ω | ≤0.2% | ≤0.2% | |
| Ref.: Rated Power into 2 Ω | ≤1.0% | ≤1.0% | |
| Ref.: Rated Power into 1 Ω | ≤1.0% | ≤1.0% | |
| S/N Ratio | IHF A-wtd + AES-17 Ref.: 1W into 4 Ω | >85 dB | >85 dB |
| IHF A-wtd + AES-17 Ref.: Rated Power into 4 Ω | >107 dB | >105 dB | |
| Frequency Response | +0/-3 dB, Ref.: 1 W into 4 Ω | 10 Hz – 400 Hz | 10 Hz – 400 Hz |
| +0/-1 dB, Ref.: 1 W into 4 Ω | 20 Hz – 300 Hz | 20 Hz – 300 Hz | |
| Damping Factor | Ref.: 10 W into 4 Ω at 100 Hz | >750 | >1,000 |
| Control | |||
| Input Sensitivity | RCA Input Ref.: Rated Power into 4 Ω | Hi: 0.5 – 10 V Lo: 0.2 – 4.0 V | Hi: 0.5 – 10 V Lo: 0.2 – 4.0 V |
| Crossover | Variable LPF | 50 Hz – 400 Hz (-24 dB/oct.) | 50 Hz – 400 Hz (−24 dB/oct.) |
| Equalizer | Bass EQ (fc=50 Hz) | 0 to +12 dB (Variable) | 0 to +12 dB (Variable) |
| Remote Level* | Linear Attenuation | 0 to -20 dB | 0 to -20 dB |
| General | |||
| Input Impedance | >10 kΩ | >10 kΩ | |
| Preamp Output | CH-1/2 Input Pass-through, Buffered | 4 V max | 4 V max |
| Dimensions | Width | 352 mm (13-1/8”) | 220 mm (8-11/16”) |
| Height | 56.5 mm (2-1/4”) | 56.5 mm (2-1/4”) | |
| Depth | 210 mm (8-1/4”) | 210 mm (8-1/4”) | |
| Weight | 4.0 kg (8 lb 11oz) | 2.2 kg (4 lb 13 oz) | |
Requires optional RUX-KNOB.2.
NOTE:
Specifications and design are subject to change without notice.
To customers
Information on Disposal of Old Electrical and Electronic Equipment and Battery (applicable for countries that have adopted separate waste collection systems). If you want to dispose of this product, do not mix it with general household waste. There is a separate collection system for used electronic products in accordance with legislation that requires proper treatment, recovery, and recycling. Contact your local authority for details on locating a recycling facility nearest to you. Proper recycling and waste disposal will help conserve resources whilst preventing detrimental effects on our health and the environment.
REGISTER YOUR PRODUCT
Register your Alpine product(s) to help us track your warranty and get access to exclusive content, giveaways and special offers.
REGISTER ONLINE
Visit alpineusa.link/register.
TEXT TO REGISTER
Text “ALPINE” to 71739 (US Only)
One message per opt-in. Text “HELP” for help. Text “STOP” to cancel. Message and data rates may apply. See full privacy policy and SMS terms at
www.alpine-usa.com/terrns-of-use.
SCAN TO REGISTER
Scan the QR Code below using your phone or device

Verification Certificate

ALPSALPINE CO., LTD.
ALPS ALPINE NORTH AMERICA, INC.
1500 Atlantic Blvd, Auburn Hills, Michigan 48326, U.S.A.
Phone 1-800-ALPINE-1 (1-800-257-4631)
ALPS ALPINE EUROPE GmbH
Ohmstrasse 4, 85716 Unterschleissheim, Germany
Phone: +49 (0) 89-32 42 640
For contact information in your respective country. please visit www.alpine-europe.com.
ALPS ALPINE EUROPE GmbH
Aurora House, Deltic Avenue, Rooksley. Milton Keynes, MK13 8LW. United Kingdom.
Phone: 0345-313-1640
ALPINE ELECTRONICS OF AUSTRALIA PTY., LTD.
161-165 Princes Highway. Hallam Victoria 3803. Australia
Phone 03-8787-1200
ALPS ALPINE ASIA CO., LTD.
The 9th Towers, Tower B, 24th Floor, Unit TNB01-03,
33/4 Rama 9 road. Huay Kwang. Bangkok. 10310, Thailand
Phone +66 (2) 090 9596



























