
POWER SPORTS
OWNER’S MANUAL
24 00.1
![]()
INTRODUCTION
DEAR CUSTOMER,
CONGRATULATIONS ON ACQUIRING A PRODUCT WITH THE HIGHEST QUALITY AND TECHNOLOGY!
You have just purchased a SounDigital product of the highest technology and quality, so we thank you for your confidence. SounDigital products are made with raw materials of the highest quality standards, and the most modern processes, equipment, and technology are used in their production. On this manual, you will learn about the product, its features, and characteristics, in order to obtain the best result and to be able to enjoy your music with SounDigital quality and power. To better understand and take advantage of all the functions of the product and use it safely, read this manual carefully and if you have any questions, consult our support by email [email protected].
FEATURES
- Resistant ,to moisture, water splash and dust;
- Compact design;
- Conformal coated PCB;
- Variable crossover with LP, FULL and HP selector switch;
- High efficiency Class D;
- Robust construction, resistant to vibrations and bumps;
- IP64 Rating.
PACKAGE CONTENTS
- 01 2400.1 EVOPS Amplifier
- 01 Installation quick guide with warranty card
- 01 Allen wrench 2.0mm
- 01 Allen wrench 2.5mm
- 01 Allen wrench 3.0mm
- 01 Promotional sticker
SAFETY INSTRUCTIONS
To prevent injuries to the user or damage to the amplifier, read all safety instructions written on this manual;
If you are insecure about the installation of this equipment, get in touch with our tech support or with a professional specialized in car audio/vessel audio installation;
Before proceeding with the installation of any electric equipment on your vehicle/vessel, unplug the negative (-) terminal of the battery to avoid fires, injuries or damages;
Use your sound system safely. The continuous exposure to sound pressures over 85dB may cause irreversible hearing damage;
This equipment is for use in DC voltage batteries between 12.6 and 14.4 volts. Before installing the equipment, check voltage of the batteries;
Choose a ventilated place to install the amplifier;
Mount the amplifier in a secure way. Avoid mounting it on metallic parts of the vehicle/vessel, because it may cause ground looping (noise);
Make sure that the location chosen for the amplifier installation does not effect the operation of the vehicle/vessel;
Please select a dry location to mount your amplifier. The products are designed to operate in humid environments but the direct contact with water can damage the amplifier;
When passing cables through metallic walls, use rubber O-rings to avoid cable cutting and short-circuits;
Clean the amplifier periodically with brush or dry cloth to assure the thermal efficiency of the heatsink;
This product may reach temperatures over 60°C/140°F. Make sure it is cold before touching it;
Be careful when making holes in the vehicle/vessel. Make sure you are not making holes in the fuel tank, brake lines, boat hull or electrical cables of the vehicle/vessel;
Make sure the cables are properly secured throughout the installation;
Wear gloves, safety glasses, and all necessary PPE during the installation of SounDigital amplifiers.
Warning!
THIS “WARNING” SIGN ALERTS THE USER OF IMPORTANT INFO. NOT FOLLOWING THIS INSTRUCTIONS MAY CAUSE INJURIES TO THE USER OR DAMAGE TO THE EQUIPMENT.
TECHNOLOGIES
DYNAMIC THERMAL MENAGEMENT – DTM®

The DTM* is a dynamic thermal recovery system which always maintains a high efficiency of the amplifier by accelerating the thermal exchange of electronic components with the heatsink.
* Patent. Required
ULTRA COMPACT PCB
An intelligent layout, with great use of the PCB area and the use of modern components with reduced structure guarantee SounDigital products a compact design, at the same time robust and with excellent thermal efficiency.

ROBUST CONSTRUCTION
Thinking about the application of power sports, the product has an extremely robust assembly, both the fixing points and the layout of the PCB were designed to withstand high vibrations, bumps and impacts.
I – POWER SUPPLY
SounDigital amplifiers are known for their low consumption of battery, and this feature was improved on the EVOPS Line. The new I-POWER SUPPLY is even more modern, which replaces the old toroidal transformers by a new generation of “E-E” core transformers delivers efficiency above 90% *,ensuring more hours of sound without battery recharge.
*Efficiency measured at power supply only

VIBRATION ABSORPTION DEVICE – VAD®
Our VAD® Technology reduces all impact caused by vibration on the electronic circuit board. This can include road vibration and even vibration caused by sound waves, increasing the reliability of our amplifiers.

REDUCED SIZE
The technology used in our amplifiers bring both high performance and power a compact chassis, providing flexible installation solutions for vehicles with limited space.

FULL RANGE
Versatile products that cover the entire audible frequency range, any type of loudspeaker or music program.
![]()
MARINIZATION WITH PROTECTION INDEX IP64
The product is protected against ingress of dust particles and water droplets from all sides, beyound that, the PCB receives a conformal coating treatment to protect the components from moisture.

ASSEMBLING AND DISASSEMBLING THE PLASTIC SEALS
DISASSEMBLING THE PLASTICS SEALS

- Squeeze the assembled Flexible Plastics Seals
- Pull out the Plastics Seals
*Merely illustrative images.
ASSEMBLING THE PLASTICS SEALS

- Hold the disassebled Flexible Plastics Seals and fit them in their specific housing;
- Each connector has its specific Plastic Seal;
- Make sure the Flexible Plastics Seals are perfectly fitted.
*Merely illustrative images.
PANELS DESCRIPTION

| 1 | Left Channel | Audio inputs – RCA connectors |
| 2 | Right Channel | |
| 3 | – | Variable Gain control |
| 4 | – | Low Pass filter ON/OFF switch key |
| 5 | – | Variable Low Pass filter control (50Hz ~ 500Hz) |
| 6 | – | Variable Subsonic filter control (5Hz ~ 40Hz) |
| 7 | – | Variable Bass Boost Control 50Hz (0dB ~ +12dB) |
| 8 | Blue | Power ON LED indicator |
| 9 | Red | Clip LED indicator |
| 10 | Yellow | Protection LED indicator |

| 11 | – | Minimum speaker load allowed (impedance) 2 or 4 |
| 12 | – | Ω Ω |
| 13 | – | Negative speaker connector |
| 14 | – | Positive speaker connector |
| 15 | – | Positive power supply connector (+12VDC) |
| 16 | – | Remote power supply connector (REM) |
| Negative power supply connector (GND) |
ELECTRICAL DIMENSIONING AND AUDIO INPUTS
ELECTRICAL DIMENSIONING
For proper operation of your SounDigital amplifier, you need the proper dimensioning of the electrical system and the cables used.
The table below shows the minimum section of GND cables, +12VDC cables, and speaker output cables according to the power generated by the amplifier.
| 2400 WRMS | POWER CABLE GROUND CABLE | 21mm² – 4 AWG | |
| SPEAKER CABLE | 2400.1 | 2 x 4,0mm² – 11 AWG | |
| 2400.1 | 2 x 2,5mm² – 13 AWG |
We recommend the use of ONLY OFC (Oxygen Free Copper) Cables on the installation of our products.
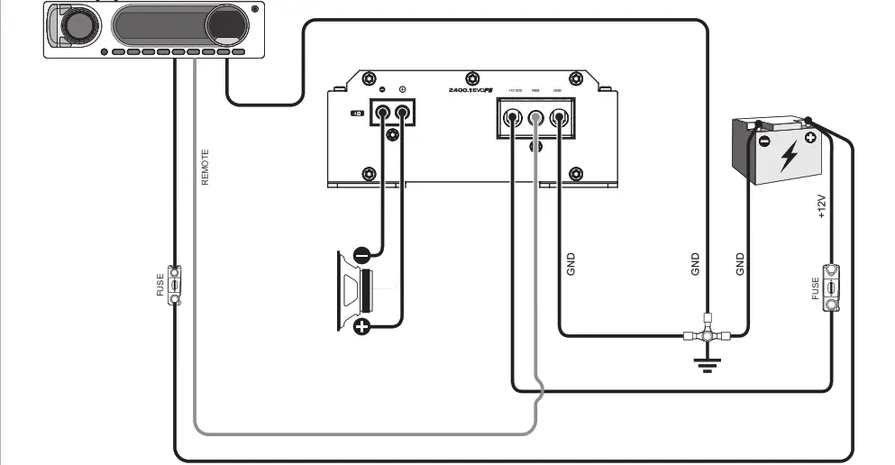
INSTALLATION SEQUENCE
Warning!
BEFORE PROCEEDING WITH THE INSTALLATION, UNPLUG THE NEGATIVE TERMINAL FROM ALL OF THE BATTERIES, TO AVOID FIRE, DAMAGE TO THE AMPLIFIER AND THE USER HIMSELF.
- Mount the amplifier in such a way you have access to the connectors;
- Install the power cables in the vehicle/vessel properly, starting from the battery to the
fuse holder or circuit breaker, use the cable with the appropriate size. Make all connections, install fuse holders or circuit breakers, but without placing the fuses or with the circuit breakers in the “OFF” position;
Warning!
- THE MAX: DISTANCE FOR THE INSTALLATION OF THE FUSE/CIRCUIT BREAKER IS 12 INCHES (30 CM) AWAY FROM THE BATTERY.
- Connect the power cables in to the amplifier, observing the polarity. Connect all the positive cables from the fuse holder or circuit breaker to the positive conector of the amplifier and all the negative power cables from the batteries to the negative connector of the amplifier;
- The ground cable must be as short as possible and must be connected to the negative connector of battery or vehicle chassis in case of metallic chassis;

- Install the signal input cables in a proper way, distant from the power cables;
- Connect the RCA or the High level signal input cables to the head unit and amplifiers;
- Install the audio output cables with the appropriate section, distant from the power and audio input cables;
- Connect the audio output cables to the amplifier and speakers respecting the positive (+) and negative (-) polarities;
- Install the remote cable with the power cables, using 1.5mm² (15 AWG) cable or thicker;
- Connect the remote power cable to the amplifier’s “REM” terminal at the main unit’s remote power output (when not using the high level signal inputs);
- Before powering the system, verify all the connections and make sure there are no mistakes or short-circuits on the power and ground cables;
- Reconnect the ground of the batteries;
- Check if the head unit is turned off and then place the fuses in the fuse holders or switch the circuit breakers on;
- Turn on the main unit and the amplifier will turn on the “ON” LED indicating that it is in operation.
WIRING DIAGRAM


| Model | Minimum Impedance |
| 2400.1 EVOPS 2Ω | 2Ω |
| 2400.1 EVOPS 4Ω | 4Ω |
GAIN SETTING
GAIN SETTING
Necessary equipment:
- Digital AC voltmeter;
- Media with sine wave test tone 60Hz recorded at 0db;
- Screwdriver 1/8″ ( for gain set).
Set up procedure
- This procedure is the same for both gain controls;
- Turn the gain control all the way down.
- Disconnect the output cables from the amplifier outputs;
- Turn off all processing (bass, treble, loudness, EQ, etc.);
- Set the source unit volume to 3/4 of full volume.
- On the CD player, adjust the audio positioning controls in the center (left and right fader controls);
- Set the Low Pass switch to “OFF”;
- Use a 60 Hz sine wave;
- Connect the AC voltmeter to the speaker output connectors of the amplifier. Make sure you test the voltage at the correct connectors (+ and );
- Increase the gain control until the target voltage is observed with the voltmeter (see the chart below);
- Once you have adjusted the amplifier to its correct voltage output, turn off the source unit and reconnect the speaker(s)
Download the tracks for set up in https://soundigitalusa.com/tracks-for-set-up/
| MODEL | BRIDGE / POWER | BRIDGE OUTPUT VOLTAGE |
| 2400.1 | 2Ω/ 2400W | 69.3 V |
| 2400.1 | 4Ω/ 2400W | 97.8 V |
CROSSOVER SET UP
Using Bass Boost
The Amplifier Bass Boost setting enables the user to boost the sound intensity at low frequencies of the sound system, where boost intensity can be adjusted. This is a semi-parametric equalizer type circuit with ”Q” value for the fixed filter, with an intensity boost adjustment from 0 to +12dB (16 times), and a central frequency adjustment of the filter in 50Hz, making it versatile for several types of sound systems.

How to Adjust Bass Boost

Reproduce your favorite song and set the boost intensity between 0dB and +12dB at the variable control level according your preference.
How to Adjust the Crossovers

Set in the “SUBSONIC” variable control between 5Hz and 40Hz (“A”) where you want to perform the subsonic cut filter;

Set in the “LOW” variable control between 50Hz and 500Hz (“B”) where you want to perform the low pass cut filter;

TECHNICAL SPECS
| PARAMETERS | 2400.1 | 2400.1 |
| RMS Power @ 4Ω** | 1584W | 2400W |
| RMS Power @ 2Ω** | 2400W | N/A |
| Frequency response | 5Hz ~ 25kHz | 5Hz ~ 25kHz |
| Subsonic | 5Hz ~ 40Hz | 5Hz ~ 40Hz |
| Low pass filter | 50Hz ~ 500Hz | 50Hz ~ 500Hz |
| Bass boost | 0dB ~ 12dB @ 50Hz | 0dB ~ 12dB @ 50Hz |
| Operating voltage | 8V ~ 16V | 90dB |
| SNR | 90dB | 8V ~ 16V |
| Input sensitivity | 0.2V ~ 2V | 0.2V ~ 2V |
| Current draw (music) | 93A | 93A |
| Current draw (max.) | 185A | 185A |
| Total efficiency | 89% | 89% |
| Damping factor | >2000 | >2000 |
| Power Cable | 21mm² (4 AWG) | 21mm² (4 AWG) |
| Audio Output Cable | 2 x 4.0 mm² (11 AWG) | 2 x 2.5 mm² (13 AWG) |
| Fuse* (music) | 100A | 100Ah |
| Recommended battery (minimum) | 100Ah | 100A |
*It is mandatory to install the fuse at a maximum distance of 12 inches from the battery.
**Power at 14.4V DC @ 60Hz THD < 1%.
**REAL POWER NUMBERS CTA-2006 INDUSTRY STANDARDS
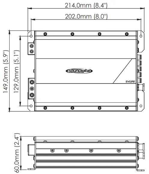
DIMENSIONAL DATA


POWER SPORTS
![]()
![]()
WWW.SOUNDIGITALUSA.COM
SOUNDIGITALUSA
SOUNDIGITALUSA
CODE.: 1000750309-002/JUN2022





















