FOR-X XQ-500.1D Mono Car Amplifier

FRONT PANEL

GAIN CONTROL
INPUT LEVEL(PRE IN/SPK IN)
FREQ CONTROL
FULL/HPF/LPF(BPF)
HPF CONTROL
LPF CONTROL
BASS BOOST CONTROL
INPUT
The amplifier support High/Low level RCA signal input. When choose PRE IN, Input sensitivity is 0.35-3.5V; When choose SPK IN, input sensitivity is 0.7-7V.
REAR PANEL
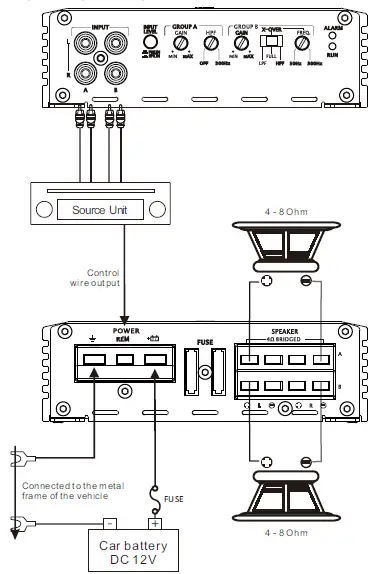
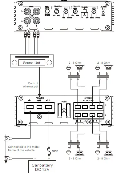
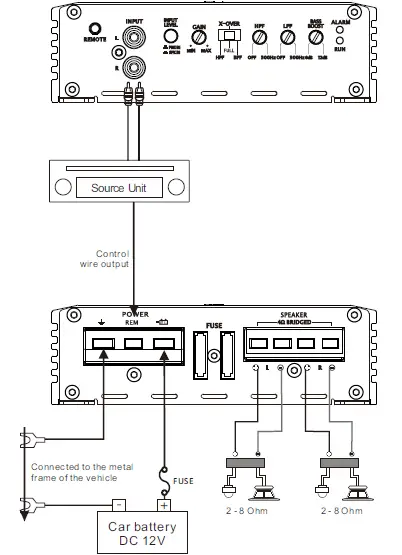
GND
Used to connect power amplifier grounding cable. The power supply grounding cable need to be firmly connected to the frame of the vehicle or other places with good conductivity. Please use the cable with same specifications as the power supply cable and connect to frame of the vehicle near the installation position of the power amplifier. Please ensure that the grounding point is good and take appropriate anti-oxidation measures.
REM
Remote control terminal. The remote control cable must be connected with source unit remote terminal so the amplifier will switch on and off automatically with source unit.
+12V
Used to connect the positive terminal 12V car battery. In order to ensure adequate power supply for the amplifier, special cable should be used to connect directly to the positive pole of the battery, and the fuse should be connected in series within 20 centimeters from the positive pole of the battery.
SPEAKER
Connect your speakers correctly which means plus to plus and minus to minus. Never connect speaker cables with chassis ground directly. It may destroy your amplifier.
XQ-80.4D/XQ-125.4D/XQ-225.4D
XQ-80.4D/XQ-125.4D/XQ-225.4D
XQ-225.2D/XQ-400.2D
XQ-225.2D/XQ-400.2D
XQ-500.1D/XQ-1000.1D 
SPECIFICATIONS
| Model XQ-500.1D | XQ-1000.1D | XQ-225.2D | XQ-400.2D | XQ-80.4D | XQ-125.4D | XQ-225.4D | |
| RMS Power at 14.4V | |||||||
| 2Ohm Load | 550W x 1 | 1000W x 1 | 325W x 2 | 600W x 2 | 130W x 4 | 180W x 4 | 300W x 4 |
| 4Ohm Load | 380W x 1 | 665W x 1 | 225W x 2 | 400W x 2 | 80W x 4 | 125W x 4 | 225W x 4 |
| Bridged 4Ohm Load | NA | NA | 650W x 1 | 1200W x 1 | 260W x 2 | 360W x 2 | 600W x 2 |
| Peak Power 4Ohm Load | 1100W x 1 | 2000W x 1 | 650W x 2 | 1200W x 2 | 260W x 4 | 360W x 4 | 600W x 4 |
| Features | |||||||
| Input Level | PRE INPUT : 0.35~3.5V / SPK INPUT : 0.7~7V | ||||||
| Frequency Response | 10Hz~25KHz | 10Hz~25KHz | 10Hz~35KHz | 10Hz~30KHz | 10Hz~30KHz | 10~30KHz | 10~30KHz |
| X-over Type | HPF/FULL/BPF | HPF/FULL/BPF | HPF/FULL/BPF | HPF/FULL/BPF | LPF/FULL/HPF | LPF/FULL/HPF | LPF/FULL/HPF |
| LPF | OFF~300Hz | OFF~300Hz | OFF~300Hz | OFF~300Hz | GROUP A: 0 ~ 300Hz / GROUP B: 50Hz ~ 300Hz | ||
| Subsonic/HPF | OFF~300Hz | OFF~300Hz | OFF~300Hz | OFF~300Hz | 50Hz ~ 300Hz | ||
| Bass Boost Frequency | 40Hz | 40Hz | 40Hz | 40Hz | NA | NA | NA |
| Bass Boost Level | 0dB~12dB | 0dB~12dB | 0dB ~12dB | 0dB ~12dB | NA | NA | NA |
| Intelligent Power Management System | Overload protection, Shortcircuit protection, Overheat protection, Low voltage protection, Over voltage protection. | ||||||
| S/N Ratio | >101dB | >96dB | >96dB | >95dB | >95dB | >95dB | >91dB |
| Minimum Load | 2Ohm | 2Ohm | 2Ohm | 2Ohm | 2Ohm | 2Ohm | 2Ohm |
| Voltage Range | 7.5V ~ 16V | 7.5V ~ 16V | 7.5V ~ 16V | 7.5V ~ 16V | 7.5V ~ 16V | 7.5V ~ 16V | 7.5V ~ 16V |
| Optional Bass Remote | YES | YES | YES | YES | NA | NA | NA |
| Components & PCB | SMT Parts / Double-Sided FR-4 PCB | ||||||
| DIMENSION | |||||||
| Height ( mm ) 46 | |||||||
| Width ( mm ) | 155 | ||||||
| Length ( mm ) | 165 | 186 | 165 | 186 | 165 | 165 | 186 |
The contents of this manual the speciation’s of this product are subject to change without notice.
- No Function:
Please check whether the power cable / ground cable / remote control cable connection is wrong. Make sure all connections are correct and in good contact. If the fuse is damaged, please pay attention to the correct value of a new fuse. - No Sound:
Speaker cable or speaker plug are not connected correctly. - No Sound /Red LED Protection Shines:
The plus and minus wires of the speaker cable have contact, thus eliminate the short circuit. If you use a 2 Ohm speaker in stereo mode, a 4 Ohm speaker in.bridge mode or tri-mode and the set is overloaded, then turn the gain control to “min” until the operation is free of trouble. - Poor Sound Quality ( Distortions ):
The speakers are overloaded, therefore turn down the volume level and check the volume control positions. - No Stereo Sound And A Weak Bass:
Speaker cables (+) and (-) are mixed up, unit wired out of phase.
PRECAUTIONS
- This unit is designed for negative ground 12V DC operation only
- Avoid installing the unit where:
- It would be subject to high temperatures, such as from direct sunlight or hot air from the heater.
- It would be exposed to rain or moisture.
- It would be subject to dust or dirt.
- If your car is parked in direct sunlight and there is a considerable rise in temperature inside the car, allow the unit to cool off before operation. When installing the unit horizontally, be sure not to cover the heatsink fins with the floor carpet.
- If this unit is placed too close to the car radio, an interference may occur. In this case, separate the amplifier from the car radio.
- This power amplifier employs a protection circuit to protect the transistors and speakers if the amplifier malfunctions. Do not attempt to test the protection circuits by covering the heatsink or connecting improper loads. Do not use the unit with a weak auto battery as its optimum performance depends on a normal battery supply voltage.
- For safety reasons, keep the volume of your car audio system moderate so that you can still hear normal traffic sounds outside your car.
- If the product contains desiccant, do not eat, avoid touching the liquid, and keep away from children.



















