SounDigital 1200.4 EVO 5 Digital Amplifier

Product Information
The SounDigital amplifier is a high-quality audio product that delivers powerful sound. It comes with a 1200.4 EVO5 Amplifier, an installation quick guide with a warranty card, and a promotional sticker. The plastic covers are designed to finish and hide the amplifier fixing screws. The product features power ON LED indicator, crossover switch, low pass, full, and high pass variable gain control.
Product Usage Instructions
For safe usage of the SounDigital amplifier, follow the instructions provided in the user manual carefully. To assemble the plastic cover, insert point A of the plastic cover into point B of the amplifier and slide it down until it clicks. To disassemble the plastic cover, pull out the top of the plastic cover carefully to release the upside latches and slide up the plastic cover in a continuous movement to remove it. The panel’s description diagram shows the different connectors and controls available on the amplifier. Connect all RCA inputs for all channels to work correctly, and if the signal source is mono-type, use a Y cable at the input. Use ONLY OFC (Oxygen Free Copper) cables for installation; CCA cables should not be used. The table provided in the user manual shows the minimum section of GND cables, +12VDC cables, and speaker output cables required for proper operation according to the power generated by the amplifier.
INTRODUCTION
DEAR CUSTOMER,
CONGRATULATIONS ON ACQUIRING A PRODUCT WITH THE HIGHEST QUALITY AND TECHNOLOGY!
You have just purchased a SounDigital product of the highest technology and quality, so we thank you for your confidence.
Class D Amplifiers
Class D amplifiers have as main characteristics audio quality, efficiency, application versatility, and compact design. The following are the advantages of these features:
Audio Quality – In the past, Class D products had limited response, and for higher frequencies, Class AB products performed better, but their efficiency was very low. The new technologies introduced by SounDigital resulted in a Class D amplifier with high efficiency and superior Class AB performance.
Efficiency – SounDigital Class D amplifiers have total efficiency (output + power source) greater than 70%, which guarantees lower battery consumption and less heating.
Application Versatility – The flat full-frequency response of SounDigital amplifiers allows them to be used in all car sound systems. Meeting the demands with extreme quality.
Compact Design – The high efficiency and high technology applied, allow SounDigital amplifiers are very compact, facilitating installation in vehicles where space is limited.
IMPORTANT INFORMATION
In this manual, you will learn about the product, its features, and its characteristics, in order to obtain the best result and to be able to enjoy your music with SounDigital quality and power. To better understand and take advantage of all the functions of the product and use it safely, read this manual carefully and if you have any questions, consult our support by email [email protected].
PACKAGE CONTENTS
- 01 1200.4 EVO5 Amplifier
- 01 Installation quick guide with warranty card
- 01 Promotional sticker
SAFETY INSTRUCTIONS
- To prevent injuries to the user or damage to the amplifier, read all safety instructions written on this manual;
- If you are insecure about the installation of this equipment, get in touch with our tech support or with a professional specialized in car audio installation;
- Before proceeding with the installation of any electric equipment on your vehicle, unplug the negative (-) terminal of the battery to avoid fires, injuries or damages;
- Use your sound system safely. Continuous exposure to sound pressures over 85dB may cause irreversible hearing damage;
- This equipment is for use in automotive DC voltage batteries between 12.6 and 14.4 volts. Before installing the equipment, check the voltage of the batteries;
- Do not install the amplifier in places exposed to water, dirt or humidity;
- Choose a ventilated place to install the amplifier and avoid blocking the side ventilation windows;
- Mount the amplifier in a secure way. Avoid mounting it on metallic parts of the vehicle, because it may cause ground looping (noise);
- Make sure that the location chosen for the amplifier installation does not affect the operation of the vehicle;
- When passing cables through metallic walls, use rubber O-rings to avoid cable cutting and short-circuits;
- Clean the amplifier periodically with a brush or dry cloth to assure the thermal efficiency of the heatsink;
- This product may reach temperatures over 60°C/140°F. Make sure it is cold before touching it;
- Be careful when making holes in the vehicle. Make sure you are not making holes in the fuel tank, brake lines or electrical cables of the vehicle;
- Make sure the cables are properly secured throughout the installation;
- Wear gloves, safety glasses, and all necessary PPE during the installation of SounDigital amplifiers.
Warning!
THIS “WARNING” SIGN ALERTS THE USER OF IMPORTANT INFO. NOT FOLLOWING THIS INSTRUCTION MAY CAUSE INJURIES TO THE USER OR DAMAGE TO THE EQUIPMENT.
ASSEMBLING AND DISASSEMBLING THE PLASTIC COVER
The plastic covers have the function of finishing and hiding the amplifier fixing screws. To disassemble and assemble them, follow the instructions below.
DISASSEMBLING OF THE PLASTIC COVER

- Carefully pull out the top of the plastic cover to release the upside latches, as shown in picture 1.
- Slide up the plastic cover in a continuous movement to remove it.
- Merely illustrative images.
ASSEMBLING THE PLASTIC COVER

- To fit the plastic cover back, carefully insert point A of the plastic cover into point B of the amplifier, slowly sliding it down.
- Gently press the sides of the top of the plastic cover towards the bottom of the amplifier until you hear a clicking noise.
PANELS DESCRIPTION




ELECTRICAL DIMENSIONING
For proper operation of your SounDigital amplifier, you need the proper dimensioning of the electrical system and the cables used.
The table below shows the minimum section of GND cables, +12VDC cables, and speaker output cables according to the power generated by the amplifier.
| POWER CABLE (+12VDC) | 16mm² – 5 AWG | |
| WRMS | ||
| SPEAKER CABLE | 2 x 2mm² – 14 AWG | |
We recommend the use of ONLY OFC (Oxygen Free Copper) Cables on the installation of our products. CCA cables must not be used.
AUDIO INPUTS
- RCA inputs
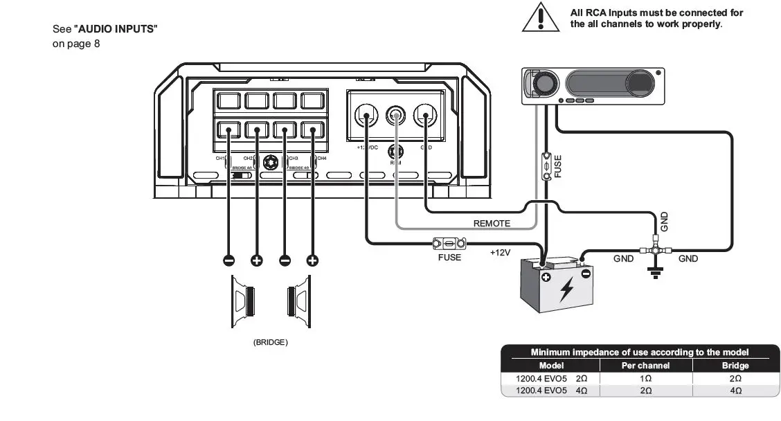
All RCA Inputs must be connected for all channels to work properly. If the signal source is mono-type, use “Y” cable at the input.
INSTALLATION SEQUENCE
WARNING
BEFORE PROCEEDING WITH THE INSTALLATION, UNPLUG THE NEGATIVE TERMINAL FROM ALL OF THE BATTERIES, TO AVOID FIRE, AND DAMAGE TO THE AMPLIFIER AND THE USER HIMSELF.
- Mount the amplifier in such a way you have access to the connectors;
- Install the power cables in the vehicle properly, starting from the battery to the fuse holder or circuit breaker, use the cable with the appropriate size. Make all connections, and install fuse holders or circuit breakers, but without placing the fuses or with the circuit breakers in the “OFF” position;
THE MAXIMUM DISTANCE FOR THE INSTALLATION OF THE FUSE/CIRCUIT BREAKER IS 12 INCHES (30cm) AWAY FROM THE BATTERY.
Warning!
- Connect the power cables into the amplifier, observing the polarity. Connect all the positive cables from the fuse holder or circuit breaker to the positive connector of the amplifier and all the negative power cables from the batteries to the negative connector of the amplifier;
- The ground cable must be as short as possible and must be connected to the vehicle chassis and the battery negative;

- Install the signal input cables in a proper way, distant from the power cables;
- Connect the RCA or the high-level signal input cables to the head unit and amplifiers;
- Install the audio output cables with the appropriate section, distant from the power and audio input cables;
- Connect the audio output cables to the amplifier and speakers respecting the positive (+) and negative (-) polarities;
- Install the remote cable with the power cables, using 1.5mm² (15 AWG) cable or thicker;
- Connect the remote power cable to the amplifier’s “REM” terminal at the main unit’s remote power output (when not using the high-level signal inputs);
- Before powering the system, verify all the connections and make sure there are no mistakes or short-circuits on the power and ground cables;
- Reconnect the ground of the batteries;
- Check if the head unit is turned off and then place the fuses in the fuse holders or switch the circuit breakers on;
- Turn on the main unit and the amplifier will turn on the “ON” LED indicating that it is in operation.
CHANNELS WIRING DIAGRAM

CHANNELS WIRING DIAGRAM
CHANNELS WIRING DIAGRAM (BRIDGE)
GAIN SETTING
Necessary equipment
- Digital AC voltmeter;
- Media with sine wave test tone 60Hz recorded at 0db;
Set up procedure
- This procedure is the same for both gain controls;
- Turn the gain control all the way down;
- Disconnect the output cables from the amplifier outputs;
- Turn off all processing (bass, treble, loudness, EQ, etc.);
- Set the source unit volume to 3/4 of full volume;
- On the CD player, set the fader control to the center position;
- Set the crossover selector switch in “F”;
- Use a 60Hz sine wave;
- Connect the AC voltmeter to the speaker output connectors of the amplifier. Make sure you test the voltage at the correct connectors (+ and –);
- Increase the gain control until the target voltage is observed with the voltmeter (see the chart below);
Download the tracks for set up in https://soundigitalusa.com/tracks-forset-up/
MODEL STEREO / POTÊNCIA BRIDGE / POWER STEREO OUTPUT VOLTAGE BRIDGE OUTPUT VOLTAGE
| 1200.4 2Ω 1Ω / 300W 2Ω / 600W 17.3V 34.6V 1200.4 4Ω 2Ω / 300W 4Ω / 600W 24.5V 49.0V |

- “F” All the frequencies are reproduced
- “LP” Frequencies below 80Hz will be reproduced
- “HP” Frequencies above 80Hz will be reproduced
Change the switch to the “F” position (Full Range): All the frequencies are reproduced.
Change the switch to the “HP” position – All frequencies above 80Hz will be reproduced as in “Figure 2”;
Change the switch to the “LP” position – All frequencies below 80Hz will be reproduced as in “Figure 3”.
TECHNICAL SPECS

| Power RMS @ 2Ω** | 4 x 198W | 4 x 300W |
| Power RMS @ 1Ω** | 4 x 300W | N/A |
| Power RMS (Bridge) @ 4Ω** | 2 x 396W | 2 x 600W |
| Power RMS (Bridge) @ 2Ω** | 2 x 600W | N/A |
| Frequency Response (-3dB) | 5Hz ~ 22kHz | 5Hz ~ 22kHz |
| Low Pass filter (12dB/oct) | 80Hz | 80Hz |
| High Pass filter (12dB/oct) | 80Hz | 80Hz |
| Operating Voltage | 10V ~ 16V | 10V ~ 16V |
| SNR | 87dB | 87dB |
| Input Sensitivity (RCA) | 0.2V ~ 2V | 0.2V ~ 2V |
| Current Draw (music) | 59A | 59A |
| Current Draw (max.) | 118A | 118A |
| Total Efficiency | 81% | 81% |
| Damping Factor | 200 | 200 |
| Power Cable | 16mm² (5 AWG) | 16mm² (5 AWG) |
| Speaker Cable | 2 x 2mm² (14 AWG) | 2 x 2mm² (14 AWG) |
| Fuse* (music) | 60A | 60A |
| Recommended battery (minimum) | 60Ah | 60Ah |
- It is mandatory to install the fuse at a maximum distance of 12 inches from the battery.
- Power at 12.6V @ 60Hz with a maximum THD of 1%.
DIMENSIONAL DATA

WWW.SOUNDIGITALUSA.COM SOUNDIGITALUSA @ SOUNDIGITALUSA




















