ZOELLER AquaNot 508 Fit 12V DC Battery Backup Pump

INSTALLATION INSTRUCTIONS
WARNING
- Testing for ground. As a safety measure each electrical outlet should be checked for ground using an Underwriters Laboratory listed circuit analyzer, which will indicate if the power, neutral and ground wires are correctly connected to your outlet. If they are not, call a qualified, licensed electrician.
- For your protection, always disconnect the power supply from its power source before handling the components of your DC backup pump or the primary pump.
- Installation and servicing of electrical circuits and hardware should be performed by a qualified, licensed electrician.
- All electrical and safety codes must be followed including the National Electrical Code and all applicable local codes.
- It is the owner’s responsibility to check the battery and battery connection at least once a month. Batteries contain acid, and caution must be taken when handling.
- Risk of electric shock. These pumps have not been investigated for use in swimming pools and marine areas.
- Prop 65 Warning for California residents: Cancer and Reproductive Harm- www.P65Warning.ca.gov.
- Make sure there is a properly grounded 115 V receptacle available. Do not use primary pump circuit. The location must be within 6′ (1.8 m) of the control box and battery. The power supply for your DC control system plugs directly into the 115 V outlet. DO NOT USE AN EXTENSION CORD.
- Make sure the 115 V electrical supply circuit is equipped with fuses or circuit breakers of proper capacity.
- DC emergency pumps are designed for handling clear water. Do not use in septic tanks to pump effluent or in sewage pits to pump sewage.
- Repair and service of your DC backup system should be performed by an authorized service station.
- The installation of DC automatic backup pumps requires the use of a variable level float switch for operation. It is the responsibility of the installing party to ensure that the float switch will not hang up on the pump apparatus or pit peculiarities and is secured so the pump will turn “on” and “off”. It is recommended that the pit be 18″ (45.7 cm) in diameter or larger to accommodate both a primary and a DC backup pump.
- For indoor use only.
LIMITED WARRANTY
Manufacturer warrants, to the purchaser and subsequent owner during the warranty period, every new product to be free from defects in material and workmanship under normal use and service, when properly used and maintained, for a period of 3 years from date of purchase by the end user. Zoeller batteries have a 3 year warranty. Proof of purchase is required. Parts that fail within the warranty period, that inspections determine to be defective in material or workmanship, will be repaired, replaced or remanufactured at Manufacturer’s option, provided however, that by so doing we will not be obligated to replace an entire assembly, the entire mechanism or the complete unit. No allowance will be made for shipping charges, damages, labor or other charges that may occur due to product failure, repair or replacement.
This warranty does not apply to and there shall be no warranty for any material or product that has been disassembled without prior approval of Manufacturer, subjected to misuse, misapplication, neglect, alteration, accident or uncontrollable act of nature; that has not been installed, operated or maintained in accordance with Manufacturer’s installation instructions; that has been exposed to outside substances including but not limited to the following: sand, gravel, cement, mud, tar, hydrocarbons, hydrocarbon derivatives (oil, gasoline, solvents, etc.), or other abrasive or corrosive substances, wash towels or feminine sanitary products, etc. in all pumping applications. The warranty set out in the paragraph above is in lieu of all other warranties expressed or implied; and we do not authorize any representative or other person to assume for us any other liability in connection with our products.
Contact Manufacturer at, 3649 Cane Run Road, Louisville, Kentucky 40211, Attention: Customer Support Department to obtain any needed repair or replacement of part(s) or additional information pertaining to our warranty.
MANUFACTURER EXPRESSLY DISCLAIMS LIABILITY FOR SPECIAL, CONSEQUENTIAL OR INCIDENTAL DAMAGES OR BREACH OF EXPRESSED OR IMPLIED WARRANTY; AND ANY IMPLIED WARRANTY OF FITNESS FOR A PARTICULAR PURPOSE AND OF MERCHANTABILITY SHALL BE LIMITED TO THE DURATION OF THE EXPRESSED WARRANTY.
Some states do not allow limitations on the duration of an implied warranty, so the above limitation may not apply to you. Some states do not allow the exclusion or limitation of incidental or consequential damages, so the above limitation or exclusion may not apply to you.
This warranty gives you specific legal rights and you may also have other rights which vary from state to state.
DESCRIPTION
This system is a backup to your primary sump pump. It is designed to protect against flooding during power outages or primary pump failure. This system is unique in that it has self-testing and communication features when connected to the Z Control Cloud. The pump is self-priming and specifically designed and manufactured by Zoeller as a purpose-built DC sump pump, rather than a repurposed bilge pump. The controller has smart diagnostics built in. If the DC pump is unplugged or jammed, for example, a fault alarm will result. If either float switch is missing/unplugged, it will create an immediate alarm condition. The controller will recognize the difference between a pump that is pumping air vs. a pump that is pumping water. This will lead to behaviors designed to purge air and remedy an air lock situation. The controller also has smart float logic that is designed to prevent a continuous running pump (or run dry pump condition). Zoeller uses a normally open operational float switch, and a normally closed high water float switch. The advanced technology hardware and firmware in the Fit controller will recognize, attempt to remedy, and alarm for many conditions that have not previously been possible. The controller will automatically charge and maintain the battery in a way designed to extend battery life.
| Pump | Construction | Non-corrodible plastic, premium seals |
| Performance | 35 GPM at 10′ (113 LPM at 3 m) at 12.7 volts | |
| Continuous Running Time | 5.5 hours with recommended battery | |
| Duty Cycle of 10% | 2 days | |
| Connection | 9′ (2.7 m) cord with connector | |
| Controller | Construction | ABS plastic |
| Power Requirement | 115 V 15 amp circuit | |
| Consumption | Up to 3 amps at 115 V | |
| Charger output | 7 amp multi-stage | |
| Connections | 8′ (2.4 m) AC power cord, 6′ (1.8 m) DC charging cable, connections for pump, operation switch, high water switch | |
| Z Control | WiFi | Built in |
| Battery Box | Construction | Non-corrodible plastic |
| Safety | Snap tight lid, keeps battery safe and clean |
PERFORMANCE
The DC pump performance at 12.7 Vdc
The DC controller is equipped with a charger for maintaining the battery in a ready state and recharging the battery after use when AC power is restored. Time for recharge depends upon the amount of power consumed by the pumping cycle during the AC power interruption. The pump may go back to the ready run position in a very short period of time. A completely drained battery may require up to 24 hours for full recharge. If battery does not charge properly, the battery LED will flash red.
BATTERY SELECTION
The DC emergency pump system requires a good quality, 12 volt battery to obtain maximum pumping time during a power outage. A deep-cycle, 12 volt, 90 amp-hour or larger marine battery is recommended. A 100+ amp hour battery will provide approximately 5.5 hours or more of continuous pumping time in a sump pump installation with 8′ (2.4 m) of head pressure. In most installations, the pump runs intermittently and the battery life is extended accordingly. Batteries with top terminals are recommended for ease of installation. “Wet” cell batteries contain acid, and proper precaution must be taken when handling. Battery box will accommodate a maximum battery size of 13-1/2″ (34.3 cm) Length x 7″ (17.8 cm) Width x 9-1/2″ (24.1 cm) Height. AGM batteries also recommended. Do not use gel batteries or automotive batteries.
EXPLODED VIEW – DC PUMP
INSTALLATION
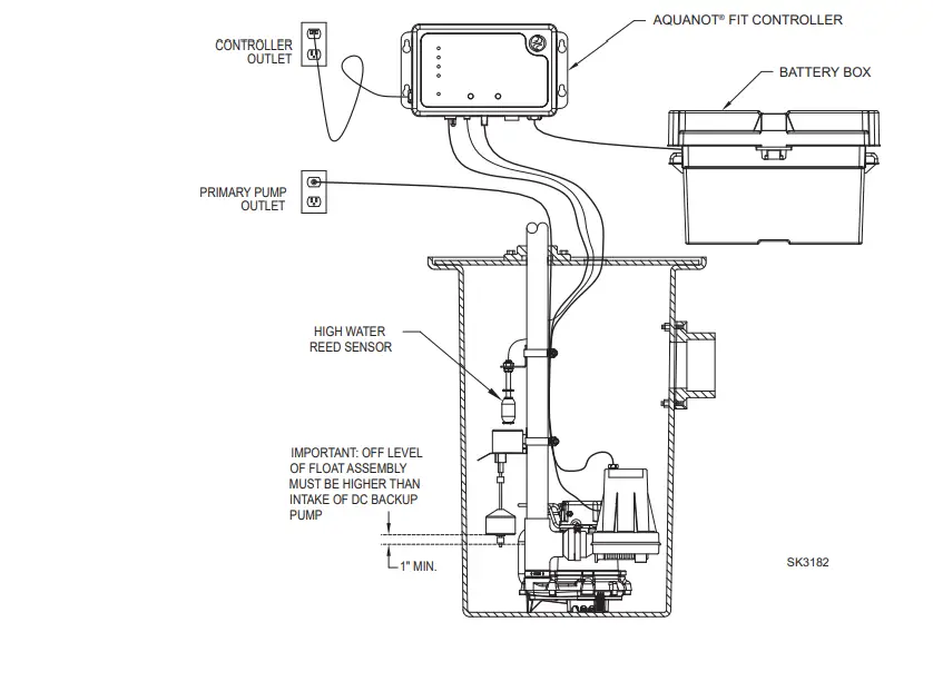
- The preferred method of installation for backup pumps is shown in Figure 1. The installation kit includes the parts needed to install as in Figure 1. A check valve is incorporated in the discharge of the backup pump. NOTE: Do not install in small spaces where the controller will not be properly cooled. Do not operate in > 80 ºF environment.
- Remove all parts from the shipping carton, and make sure all parts are included. Refer to the parts list on page 3.
- Select a location for the battery and the controller. The controller must be within 8′ (2.4 m) of a 115 V wall outlet and within 6′ (1.8 m) of pump and basin. Connect to a separate electrical circuit from the primary pump.
- If the primary pump is installed, disconnect power.
- TE: Discharge piping must be 1-1/2″ SCH 40 PVC
5. Remove the discharge pipe from the pump and place it aside. - Screw check valve assembly into the primary pump discharge. Ensure the O-ring is properly located on the check valve. Press the slotted end of the discharge tee onto the check valve and secure with a hose clamp. Soapy water is recommended as a lubricant.
NOTE: The tee must be pushed all the way down onto the check valve to prevent leaking. Place the hose clamp at the bottom edge of the tee so that the slotted sections can sufficiently tighten around the check valve. - Solvent weld the discharge reducer fitting to the discharge tee as shown in Figure 4. Ensure the O-ring is properly located on the pump discharge. Slide the DC pump into the fitting, and tighten the hose clamp. Soapy water is recommended as a lubricant.
NOTE: The pump must be pushed all the way into the fitting to prevent the fitting from leaking. Place the clamp at the edge of the fitting so that the slotted sections can sufficiently tighten around the pump discharge. - Measure, cut and solvent weld any remaining discharge piping above the tee.
NOTE: Check float operations to ensure the hose clamp screws will not interfere with the float operation of the primary pump. - Assemble the operational float assembly per Figure 3. Install float switches as seen in Figure 1. The top rubber stop is not needed unless the “on” level needs to be lowered.
- Install the operational float switch bracket above the “on” level of the primary pump using the clamp provided. Make certain the clamp is tight on the pipe to avoid slippage. Ensure that the “off” level of the float is 1″ (2.5 cm) minimum above the outlet of the DC backup pump. Position the pumps in the sump and move float up and down, ensuring free movement without interference from any obstructions inside the sump or lid. The float switch can be moved on the discharge pipe, or the rubber stops can be adjusted as necessary. The top rubber stop is usually not needed. Cut off any extra float rod length below lower float stop to prevent debris from interfering with float operation. Install the high water switch with the “on” level set at least 1″ (2.5 cm) above the “on” level of the operational float using the supplied clamp. Move the switch up and down, ensuring free movement without interference from any obstructions inside the sump or lid.
- Install the Fit Controller (see Figure 3) by using the anchors provided. For best cooling, install wall mount configuration. The controller should be located at least 3′ (1 m) above the sump.
- Connect the leads from the controller to the battery terminals. Positive (+) lead to positive terminal and black neg. (-) lead to negative battery terminal.
CAUTION Correct battery hook-up is essential for operation of the system. Use wing nuts supplied with battery and eyelet connectors on battery wire leads. The positive terminal is the larger stud, 3/8″ (10 mm) diameter. The smaller stud, 5/16″ (8 mm) diameter is the negative terminal. The stud sizes on some batteries may be identical. Apply grease to the terminals to help prevent corrosion. Tighten slightly past finger tight with a wrench. Always use extreme caution around batteries. Be careful not to “cross” or “short across” the battery terminals with your wrench or any other metal object. - Connect the DC pump’s plug into the controller terminal.
- Plug the controller into the 115 V wall outlet. The primary sump pump and the controller should be on separate circuits.
- Reconnect power to the primary sump pump.
- The Aquanot® Fit Controller is designed for use with Z Control®.
INITIAL START-UP AND OPERATION
It is important to understand that the Fit controller is an advanced technology product that has capabilities beyond those seen in other battery backup products. For those unfamiliar with the product, behaviors in the Fit may initially seem unusual. For example, the controller is able to recognize potential air lock situations and remedy with an on/off/on/off/on routine proven to purge the problematic air from the pump. Further, advanced float logic enables the controller to sense other pumping issues such as a stuck float, allowing the system to take actions to prevent damage to equipment. The LEDs have specific patterns and behaviors that differ from other products on the market. For example, the DC Pump LED will stay Yellow after pumping water, alerting the homeowner of a DC pump-run event. If the pump runs and does NOT pump water (for example when lifting the float manually as a test with the pump above the waterline), the LED will not stay Yellow. This is meant to be an aid to the installer in order to test the pump without having to reset it each time.
When either float is disconnected, the alarm will sound and the Red Float Status LED will blink indicating that the float state has changed. Disconnecting the high water float will cause the pump to run. If there is an operational float fault diagnosed by the controller, you may notice that it no longer turns the pump on and off. This is because the sequence of prior events indicated that the operational float can’t be trusted (such as lifting the high water float while the operational float is down – this is illogical to the controller since water would always lift the operational float first), and the controller will rely on input from the high water float. Since the high water float does not have a sufficient pumping range, the controller will turn the pump “off” once 30 seconds have elapsed or the pump begins spinning in air. The Fit offers true redundancy for pump operation that competitor’s products do not have.
Before leaving the installation site, the installer must initiate a Reset by holding the Silence button for 3 seconds. This will ensure that all systems are in a standby, ready state.
- Test the installation for leaks by running water into the sump, allowing for normal operation of the primary pump.
- Check the controller. The System Ready light will be green when the unit is plugged into the 115 V wall outlet. The battery will indicate its condition when the controller has DC power. When the unit is first plugged in, all lights will flash and alarm will sound to verify all lights and the alarm work. The Fit controller powers up expecting both switches to be connected. If one or both float switches are not connected, there will be various alarms depending on what is connected. If this occurs, simply plug in both switches and then reset the alarms by holding the Silence button for 3 seconds. Note that the charger may not begin charging for several minutes.
- Disconnect the primary pump from its power source before touching any component in the sump pit.
- Lift the Fit’s operational float switch. After 1 second “splash activation prevention” delay, the DC backup pump will run, and the alarm will sound after 1 more second. Lower the operational float switch after the alarm sounds. Take care that the intake of the DC pump is set above the intake of the primary pump. If water was pumped, the Yellow DC Pump LED and alarm will remain on, indicating that the pump ran and pumped water. The alarm can be silenced by pressing the Silence button. The yellow LED can be cleared by holding the Silence button for 3 seconds to reset. If the operational float is held on while there is no water to pump, the controller will turn the pump on and off a few times before running the pump continuous. This is to purge a suspected air lock. When the float is lowered, the pump will turn off, but the yellow DC Pump LED will not persist. The yellow DC Pump LED and alarm only stay on if the pump actually pumps water. The intention of this behavior is so the installer can turn the pump on and off for testing during installation without repeatedly having to reset the controller. If the operational float is removed/unplugged, there will be an alarm and a red flashing Float Status LED until silenced or remedied. If the operational float was never installed, the alarm and red flashing Float Status LED will occur for 4 hours and then turn off. If there is a need for the controller to disregard the operational float (for example, service or replacement), a Factory Reset can be initiated. Unplug the operational float and then hold the Test and Silence buttons together for 6 seconds. This will instruct the controller to NOT alarm for the missing operational float and reset the unit.
- Check installation of the high water switch taking care that it is installed so that its “on” point is higher than the “on” point of the operational switch. Lift the high water float. After 1-second “splash activation prevention” delay the pump will turn on, the alarm will sound, and the light will alert of high water. If the operational float is down, and the DC pump is underwater, the pump will run until the float lowers and the pump is no longer pumping water, or the run timer expires. A float fault LED will be lit. During a float fault, the operational float is disregarded until the controller is reset. If the operational float is up during high water, unit will alarm and high water float light will illuminate. The pump will turn off once water is pumped lower than the operational float.
If the high water float is held on while the operational float is down and there is no water to pump, the controller will turn the pump on and off a few times before running the pump continuously. This is to purge a suspected air lock. If the high water float is removed/unplugged, the resulting controller and pump behaviors are the same as if it was turned “on”. The alarm and red Float Status LED will be on until silenced and reset, respectively. If there is a need for the controller to disregard the high water float (for example, service or replacement), a Factory Reset can be initiated. Unplug the high water float and then hold the Test and Silence buttons together for 6 seconds. This will instruct the controller to NOT alarm for the missing high water float. When a new high water float is received, simply plug it in and the controller will see it and monitor it from that point forward. - Complete the final testing of your installation by ensuring the primary pump is still disconnected from power. Then, unplug the Fit controller from the 115 V wall outlet. Run water into the sump until the DC backup pump is activated by the operational float switch. Check all connections for leaks.
- Push the Silence button when the pump is running. This will silence the alarm. The pump will continue to run until the operational float is deactivated.
- Reconnect the controller and the primary pump to the AC wall outlets. The primary pump may come on, lower the water level in the sump back to its normal operating level, and shut off. Both primary and backup systems are now ready for use. Hold silence button for 3 seconds to reset the Fit controller.
- The battery LED will be yellow during normal charging operation. See page 6 and 7 for a description of controller functions.
NOTE: When running the pumps, it is normal for a stream of water to spray out of the pump’s 1/8″ (3 mm) air relief hole.

EXPLODED VIEW – DC PUMP

AQUANOT® FIT FLOAT SWITCH
FIT CONTROLLER FUNCTIONS
There are two buttons on the front of the controller.
- Silence/Reset
- Can be pressed to silence current alarms for 24 hours.
- Can be held for 3+ seconds to reset (or clear) alarms and LEDs. Flashing LEDs for conditions such as bad/disconnected battery or power outage, for example, can’t be cleared by Silence/Reset. These conditions must be remedied to eliminate the LED indicator.
- Test
- Will run the pump to determine if amp draw of pump is within range.
- Controller is factory programmed to self-test the pump for several seconds every 24 hours. This schedule may be modified once the Fit is connected to the Z Control Cloud.
- Pressing the test button will start the 24-hour timer for self-testing.
- Test and Silence/Reset
- Holding both buttons together for about 6 seconds will initiate a Factory Reset. This returns the firmware’s device configuration to the state in which it left the factory. Any over the air firmware updates that have been installed will be retained.
The LEDs will display information about the controller.
| AQUANOT FIT | |||
| Solid | Flashing | Off | |
| System Ready | No Faults (Green) | AC off with No Faults (Green) | — |
| Battery | Charged (Green) | Low Battery (Red) | No AC Power |
| Charging (Yellow) | |||
| Bad Battery (Red) | |||
| DC pump | Pump Ran (Yellow)* | Pump Running (Yellow) | — |
| Pump Fault (Red) | |||
| Float Status | High Water (Red) | Float Fault (Red) | — |
| Z Control | Connected | Searching | Broadcasting SSID or Dormant |
MAINTENANCE
- Inspect and test the system for proper operations at least every 3 months.*
- (a) Green “system ready” indicator light should be on, indicating AC power is on and there are no alarm conditions.
- (b) Unplug the primary pump and the controller from the power supply.
- (c) Fill the sump with water to the “on” level for the DC pump. Allow the pump to run a few minutes.
- (d) The alarm will sound approximately 1 second after the pump starts to run.
- (e) Push the Silence/Reset button. The alarm will turn off.
- (f) The pump will shut off after the water level is lowered and the operational float drops to the “off” position.
- (g) Hold Silence/Reset button for 3 seconds to reset the controller and clear any alarms or indicators.
- Plug the controller and the primary pump into the wall outlet.
- (a) The primary pump will come on, lower the water to the normal operating level and shut off.
- (b) The battery light will be yellow when charging. The charger is replacing the energy consumed during the test. The green light will come on after the charger has replaced the energy consumed during the test.
* Electrolyte levels in wet cell batteries should be checked monthly. Such a check is not required for “maintenance free” battery types.
TROUBLESHOOTING INFORMATION
To perform a Factory Reset, hold the Silence and Test buttons together. A Factory Reset restores all settings to their original setting. Be sure all switches, pump, battery and AC connections are good before the Factory Reset.
- DC Pump won’t run.
- (a) Check for proper connections.
- (b) Check all wire terminal points. Clean if required.
- (c) Check for low battery. Service battery if required.
- (d) Check 30 amp fuse on controller (see fig. 3). If fuse is blown, replace with 30 amp automotive blade fuse.
- (e) Remove pump. Check for obstruction in pump preventing impeller from rotating.
- (f) Float switch was not “on” for more than 1 second. A quick up/down of a switch will not turn the pump on because the controller is designed with “splash activation protection”.
- (g) During a float fault, the operational float is disregarded until the controller is reset.
- Pump runs but moves very little or no water.
- (a) Check for low battery. Battery will recharge if green System Ready LED indicates power has been restored and the float switch is in the off position.
- (b) If immediate usage is required, remove and replace dead battery with a fully recharged battery.
- (c) Under certain conditions the pump may continue to run on a low battery without sufficient power to remove water. Pump will stop running once battery is below minimum voltage threshold.
- CAUTION Weak batteries can be recharged but may not store sufficient energy for full service. A weak, recharged battery can only be detected by reduced pumping time or by professional load testing equipment. The battery should be checked by a qualified battery dealer.
- (e) Verify pump is connected completely.
- (f) Check to make sure pump weep hole is clear and unit is not airlocked.
- (g) Make sure discharge piping is not blocked.
- Pump cycles too frequently.
- (a) Check positions of rubber stops on the operational float rod and adjust if necessary.
- Pump runs, but pumps water intermittently.
- (a) Pump may be air locking. Check flow of water incoming to sump. If water is entering the sump at a high velocity creating a turbulent condition, a mixture of air and water may cause a complete or partial air lock and reduce or stop the flow of water in the discharge pipe.
- (b) Baffle the incoming stream of water to reduce turbulence. Diverting water stream against wall of basin usually corrects an air lock problem.
- Water level stays high. DC Pump continues to run.
- (a) Battery is low or pump may have blockage in screen, impeller, or piping system.
- (b) If power has been restored and water in sump remains high check primary pump. Service if required.
- Alarm sounds during battery recharge cycle.
- (a) To silence alarm if alarm will not reset, unplug the charger from 115 V wall outlet, then disconnect the black lead from charger on negative (-) battery post. Check battery. Replace if necessary. Reconnect and refer to Installation Instructions.
CONNECTING THE FIT TO Z CONTROL
By connecting the Fit to the Z Control® Cloud using the built-in WiFi, the user can set up free alert messages via email, text, and mobile app “push” notifications. In addition, the user can verify the Fit’s readiness, remotely silence alarms and reset the unit, configure settings, and modify how notifications are sent. Other visual information such as input status and battery level are available through the web and app interfaces.
There are 2 ways to connect the Aquanot Fit to the Z Control® cloud.
- The simplest method is to use the Z Control® mobile app. These instructions are below under “Use the Mobile App”.
- The second method is to use your mobile device or computer to connect to the Fit directly. Instructions for connecting directly are provided below under “Use Your Mobile Device Or Computer To Connect Directly To The Fit Controller”.
Use the Mobile App (iOS and Android) Before you begin:
- Know what your WiFi network is named (i.e. its SSID) and its password. Double check you know the correct password and exactly how it is spelled, including capitalization. This will prevent the most common troubleshooting issues.
- Verify that your mobile device has working WiFi and detects a strong signal from your WiFi network when you are standing next to the Fit. If the signal is questionable, your network may not be able to provide a stable connection for the Fit.
- Verify your WiFi network is connected to the internet and that it is broadcasting a visible, secure, 2.4Ghz network.
- 2.4 Ghz network is required. If you only see 5 Ghz networks, you may need to log into your dual band router to choose to broadcast the networks separately.
- Band steering may need to be temporarily turned off during setup.
- The 2.4Ghz network must use WPA or WPA2 security. WEP and Open networks are not compatible with the Fit.
- Any VPNs or other network controls may need to be temporarily turned off during setup.
- ocate the Fit’s Device ID and data matrix on the top sticker.
- Like most internet connected devices, the Fit’s WiFi connectivity should be used behind a secure firewall. Most routers have a firewall built into them. Consult a networking professional for specific questions about firewalls.
- The above list also helps to troubleshoot connectivity issues.
These basic instructions will not detail every step, but provide an overview of what the app will do.
- Open the app, sign in to your account, or create an account using the link at the bottom. Open your profile to set up any additional phone numbers or email addresses where you would like to receive notifications.
- Once you’re logged in to your account, create locations by touching the “+ ” from the Locations screen. When ready to add a device, choose the desired location name and then touch the “+” to start adding a device. Allow access to the camera so you can scan the data matrix.
- Now the app will provide several instruction screens about scanning the data matrix, joining the Fit’s network, and then LEAVING the app and how to come back.
Rather than scan the data matrix, the user may instead enter the Fit’s Device ID to get started. Ignore warnings your mobile device may give you about “unsecure network” or “no internet connection”. The app is connecting directly with the Z Control® equipment, and therefore no security or internet connection is necessary. - When the captive screen opens (see Figure C in next section), use the Wifi Scan button to find the Wifi network you want the Fit to use, select it from the list provided at the bottom of the screen (you may need to scroll), and type the Passphrase in the field. The Z Control® LED should be solid within a minute indicating successful connection to the router and the Z Control® Cloud. Upon first connecting to the cloud, the Fit controller may immediately update its firmware over the air (OTA), if an update is available. If an update is taking place, the Z Control® LED will flicker for up to 1 minute while the update is downloaded. The Z Control® LED will be solid and all other LEDs will turn off while the update is being installed. After up to 1 minute, the Fit will restart and return to normal operation. The Fit’s alert history on the Z Control® Cloud will also be updated with the firmware update information, and notification to email accounts will occur.
- You now should go back to the Z Control® app to find your new device set up in the location you previously selected. You can always change a device to a different location in your account.
- Open the Fit and explore current status, configuration settings, and commands available, such as Pump Test, Buzzer Test, Silence, etc. Perform these test to be sure everything works as expected. Reset all alarms when you are finished.
FIT Controller
Your Mobile Device Wifi Settings
Before you begin:
- Know what your WiFi network is named (i.e. its SSID) and its password. Double check that you know the correct password and exactly how it is spelled, including capitalization. This will prevent the most common troubleshooting issues.
- Verify that your mobile device has working WiFi and detects a strong signal from your WiFi network when when you are standing next to the Fit. If the signal is questionable, your network may not be able to provide a stable connection for the Fit.
- Verify your WiFi router is connected to the internet and that it is broadcasting a visible, secure, 2.4Ghz network.
- 2.4 Ghz network is required. If you only see 5 Ghz networks, you may need to log into your dual band router to choose to broadcast the networks separately.
- Band steering may need to be temporarily turned off during setup.
- The 2.4Ghz network must use WPA or WPA2 security. WEP and Open networks are not compatible with the Fit.
- Any VPNs or other network controls may need to be temporarily turned off during setup.
- Create a free account at zcontrolcloud.com.
- Locate the Fit’s Device ID on the top sticker.
- The above list also helps to troubleshoot connectivity issues.
- If the Fit controller still will not connect after trying the above suggestions, follow the same steps to connect the Fit to a mobile phone hotspot instead of the home’s wifi router. If the Fit successfully connects to the cloud through the hotspot, then the conflict likely has something to do with the router settings.
Connection Steps
- Apply AC Power to the Fit. The Z Control® LED will blink and then turn off, indicating the Fit is in AP Mode* and is transmitting an SSID (see Figure B). If the LED is blinking and not in AP mode, press the Z Control® button for 12 seconds and let go. The LED will now be off, indicating the Fit is in AP Mode. A pen or toothpick or similar is required to press the Z Contol® button (See Figure A).
- Standing near the Fit, use your phone, tablet, or computer to look for the Fit’s SSID in your WiFi settings (see Figure B). It will look like “ZCTL_Fit_xxxx” where “xxxx” is the first 4 digits of your Fit’s Device ID. Select this, and be sure your device displays a check mark or similar indicator that you are connected to the Fit’s local network. If so, 2 things will happen:
- On the setup screen (see Figure C), press the WiFi Scan button, scroll down to see the list of WiFi signals found, and choose the WiFi network you want the Fit to use for internet connectivity. Enter the passphrase for the network you chose in the field indicated. If the passphrase is correct, the Fit will connect to the network and start sending status updates to zcontrolcloud.com. You will see the Z Control® LED go from blinking to solid. This could take up to a minute or so.
If the LED does not turn solid, then the passphrase entered is incorrect, the router’s security is insufficient (see note below**), or some other network restriction is in place (see your network administrator). The Fit will return to standby mode if the connection to router is not successful. If you need to force the Fit into AP mode again, press the Z Control® button for 12 seconds (See Figure A). This will cause the Fit to re-enter AP mode and begin transmitting its SSID again. Repeat Steps 2 and 3.

Firmware Updates:
The Fit is capable of OTA, or “over the air” firmware updates. It’s possible that the Fit could perform an update immediately if one is available at the Z Control® Cloud. If an update is taking place, the Z Control® LED will flicker for up to 1 minute while the update is downloaded. The Z Control® LED will be solid and all other LEDs will turn off while the update is being installed. After up to 1 minute, the Fit will restart and return to normal operation. The Fit’s alert history on the Z Control® Cloud will also be updated with the firmware upgrade information, and nofication to email accounts will occur.

THE AQUANOT® BATTERY
There are millions of batteries manufactured each year, so it is impossible to guarantee consistent quality. A defective battery will never become fully charged and may damage the charging circuits of the controller. It is for this reason that Zoeller offers its own line of batteries. We offer both a water/acid deep-cycle battery and a maintenance-free AGM battery which can run the pump continuously for over 5 hours. These times are based on continuous pumping at 8′ (2.4 m) of static head. Actual times will vary depending on static head, volume of water entering the pit, and the condition of the battary.
- Use a B.C.I. size 27 deep-cycle battery, 175 minute reserve capacity, or larger
- Replace your battery every 3 years
- Do not let corrosion build up on the battery terminals
- To check specific gravity, follow the instructions on a hydrometer (wet cell batteries only)
- Use of the included plastic battery box is recommended to keep the battery safe and clean.
CARBON MONOXIDE DETECTORS
Some battery types used in battery backup systems, regardless of brand or manufacturer, have the potential to give off gaseous by-products when charging. Some of these by-products can produce a rotten egg odor. Also, some of these by-products can cause a CO detector to falsely activate. In order to help prevent false activation, Zoeller Pump Company recommends moving the battery as far away from the CO detector as possible or, if necessary, venting the battery to the exterior. Zoeller Pump Company provides the previous statements only as guidelines to help prevent false activation of the CO detector. In no way are these statements intended to supersede the instructions that accompany the detector, nor do they supersede advice from the CO detector manufacturer.
If the audible alarm associated with your CO detector is activated, we recommend the following actions:
- Take immediate action for personal safety as recommended in the CO detector literature.
- Contact the appropriate agency to determine if the CO is being produced by your furnace, water heater, or any other device which uses natural gas.
- If you are certain that no CO is being produced, a charging battery may be producing gaseous by-products capable of causing the CO detector to activate. Contact the manufacturer and ask for recommendations to prevent the alarm activation.























