FM3256 12 Volt DC Battery Backup Pump
Instruction Manual
Product information presented here reflects conditions at time of publication. Consult factory regarding discrepancies or inconsistencies.
Warning
SEE BELOW FOR LIST OF WARNINGS
- Testing for ground. As a safety measure each electrical outlet should be checked for ground using an Underwriters Laboratory listed circuit analyzer, which will indicate if the power, neutral and ground wires are correctly connected to your outlet. If they are not, call a qualified, licensed electrician.
- For your protection, always disconnect the power supply from its power source before handling the components of your DC backup pump or the primary pump.
- Installation and servicing of electrical circuits and hardware should be performed by a qualified, licensed electrician.
- All electrical and safety codes must be followed including the National Electrical Code and all applicable local codes.
It is the owner’s responsibility to check the battery and battery connection at least once a month. Batteries contain acid, and caution must be taken when handling.- Risk of electric shock. These pumps have not been investigated for use in swimming pools and marine areas.
- Prop65 Warning for California residents: Cancer and Reproductive Harm- www.P65Warning.ca.gov.
This equipment has been tested and found to comply with the limits for a class B digital device, pursuant to part 15 of the FCC Rules. These limits are designed to provide reasonable protection against harmful interference in a residential installation. This equipment generates, uses and can radiate radio frequency energy and if not installed and used in accordance with the instructions, may cause harmful interference to radio communications. However, there is no guarantee that interference will not occur in a particular installation. If this equipment does cause harmful interference to radio or television reception, which can be determined by turning the equipment off and on, the user is encouraged to try to correct the interference by one or more of the following measures:
- Reorient or relocate the module/ product.
- Increase the separation between the equipment and module / product.
- Consult the dealer or an experienced radio / TV technician for help.
Caution
SEE BELOW FOR LIST OF CAUTIONS
- Make sure there is a properly grounded 115 V receptacle available. Do not use primary pump circuit. The location must be within 6′ (1.8 m) of the control box and battery. The power supply for your DC control system plugs directly into the 115 V outlet. DO NOT USE AN EXTENSION CORD.
- Make sure the 115 V electrical supply circuit is equipped with fuses or circuit breakers of proper capacity.
- DC emergency pumps are designed for handling clear water. Do not use in septic tanks to pump effluent or in sewage pits to pump sewage.
- Repair and service of your DC backup system should be performed by an authorized service station.
- The installation of DC automatic backup pumps requires the use of a variable level float switch for operation. It is the responsibility of the installing party to ensure that the float switch will not hang up on the pump apparatus or pit peculiarities and is secured so the pump will turn “on” and “off”.
It is recommended that the pit be 18″ (45.7 cm) in diameter or larger to accommodate both a primary and a DC backup pump. - For indoor use only.
CAUTION Turbulence caused by high-velocity incoming water can cause sump pumps to airlock. If this condition exists, the incoming water must be baffled to avoid excessive turbulence.
LIMITED WARRANTY
Manufacturer warrants, to the purchaser and subsequent owner during the warranty period, every new product to be free from defects in material and workmanship under normal use and service, when properly used and maintained, for a period of 3 years from date of purchase by the end user. Zoeller batteries have a 3 year warranty. Proof of purchase is required. Parts that fail within the warranty period, that inspections determine to be defective in material or workmanship, will be repaired, replaced or remanufactured at Manufacturer’s option, provided however, that by so doing we will not be obligated to replace an entire assembly, the entire mechanism or the complete unit. No allowance will be made for shipping charges, damages, labor or other charges that may occur due to product failure, repair or replacement.
This warranty does not apply to and there shall be no warranty for any material or product that has been disassembled without prior approval of Manufacturer, subjected to misuse, misapplication, neglect, alteration, accident or uncontrollable act of nature; that has not been installed, operated or maintained in accordance with Manufacturer’s installation instructions; that has been exposed to outside substances including but not limited to the following: sand, gravel, cement, mud, tar, hydrocarbons, hydrocarbon derivatives (oil, gasoline, solvents, etc.), or other abrasive or corrosive substances, wash towels or feminine sanitary products, etc. in all pumping applications. The warranty set out in the paragraph above is in lieu of all other warranties expressed or implied; and we do not authorize any representative or other person to assume for us any other liability in connection with our products.
Contact Manufacturer at, 3649 Cane Run Road, Louisville, Kentucky 40211, Attention: Customer Support Department to obtain any needed repair or replacement of part(s) or additional information pertaining to our warranty.
MANUFACTURER EXPRESSLY DISCLAIMS LIABILITY FOR SPECIAL, CONSEQUENTIAL OR INCIDENTAL DAMAGES OR BREACH OF EXPRESSED OR IMPLIED WARRANTY; AND ANY IMPLIED WARRANTY OF FITNESS FOR A PARTICULAR PURPOSE AND OF MERCHANTABILITY SHALL BE LIMITED TO THE DURATION OF THE EXPRESSED WARRANTY.
Some states do not allow limitations on the duration of an implied warranty, so the above limitation may not apply to you. Some states do not allow the exclusion or limitation of incidental or consequential damages, so the above limitation or exclusion may not apply to you. This warranty gives you specific legal rights and you may also have other rights which vary from state to state.
In instances where property damages are incurred as a result of an alleged product failure, the property owner must retain possession of the product for investigation purpose.
DESCRIPTION
This system is a backup to your primary sump pump. It is designed to protect against flooding during power outages or primary pump failure. This system is unique in that it is self-testing. The pump is self-priming and the controller has built-in smart diagnostics. If the DC pump is unplugged or jammed, for example, a fault alarm will result. If the float switch is missing/unplugged, it will create an alarm condition. The controller will recognize the difference between a pump that is pumping air versus a pump that is pumping water. This will lead to behaviors designed to purge air and remedy an air lock situation. The controller also has smart float logic that is designed to prevent a continuous running pump (or run dry pump condition). Zoeller uses a normally open operational float switch. The advanced technology hardware and firmware in the Key controller will recognize, attempt to remedy, and alarm for many conditions that have not previously been possible. The controller will automatically charge and maintain the battery in a way designed to extend battery life.
| DC Pump | Construction | Non-corrodible plastic |
| Performance | 11 GPM at 10′ (113 LPM at 3 m) at 12.7 volts | |
| Continuous Running Time | 6.5 hours with recommended battery | |
| Duty Cycle of 10% | 2 days | |
| Connection | 9′ (2.7 m) cord with connector | |
| Controller | Construction | ABS plastic |
| Power Requirement | 115 V 15 amp circuit | |
| Consumption | Up to 0.8 amps at 115 V | |
| Charger output | 1.6 amp | |
| Connections | 6′ (1.8 m) power supply cable, charging cable, connections for pump, operation switch | |
| Battery Box | Construction | Non-corrodible plastic |
| Safety | Snap tight lid, keeps battery safe and clean |
* When AC power is available, the controller will replace the power used by the pump once the pump shuts off.
| Model 501 Key | |||
| Item | Description | Why | 501-G06121 thru Current |
| 1 | Pump 12 V DC / backup (service part) | 1 | 156790 |
| 2 | Battery box asm (box and cover) | 1 | 10-0764 |
| 3 | Operational float switch | 1 | 157927 |
| 4 | Clamp, #28 worm-SS (float switch) | 1 | 4287 |
| 5 | Valve, check / 1.5″ (DN40) Inline / vertical | 1 | 19768 |
| 6 | Key controller | 1 | 157387 |
| 7 | Fuse, 30 amp automotive | 1 | 16918 |
| 8 | Cable ties, 11.5″ long | 2 | 157389 |
| 9 | Fitting, PVC 1-1/2″ (DN40) tee/SCH 40 (pressure fitting) | 1 | 5645 |
| 10 | Hardware pack, charger /switch mode | 1 | 152864 |
| 11 | _ Power Supply | _ 1 | 157388 |
PERFORMANCE
The DC pump performance at 12.7 Vdc
| Discharge Feet of Head | 5 (1.5 m) | 10 (3 m) | 14.5 (4.4 m) |
| Flow GPM (LPM)12.7 volts | 22 (83) | 11 (42) | Shut-off Head |
The DC controller is equipped with a charger for maintaining the battery in a ready state and recharging the battery after use when AC power is restored. Time for recharge depends upon the amount of power consumed by the pumping cycle during the AC power interruption. The pump may go back to the ready run position in a very short period of time. A completely drained battery may require up to 3 days for full recharge. If battery does not charge properly, the LED battery will flash red.
BATTERY SELECTION
The DC emergency pump system requires a good quality, 12 volt battery to obtain maximum pumping time during a power outage. A deep-cycle, 12 volt, 90 amp-hour or larger marine battery is recommended. A 100+ amp hour battery will provide approximately 7.5 hours or more of continuous pumping time in a sump pump installation with 8′ (2.4 m) of head pressure. In most installations, the pump runs intermittently and the battery life is extended accordingly. Batteries with top terminals are recommended for ease of installation. “Wet” cell batteries contain acid, and proper precaution must be taken when handling. Battery box will accommodate a maximum battery size of 13-1/2″ (34.3 cm) Length x 7″ (17.8 cm) Width x 9-1/2″ (24.1 cm) Height. AGM batteries also recommended. Do not use gel batteries or automotive batteries.
INSTALLATION
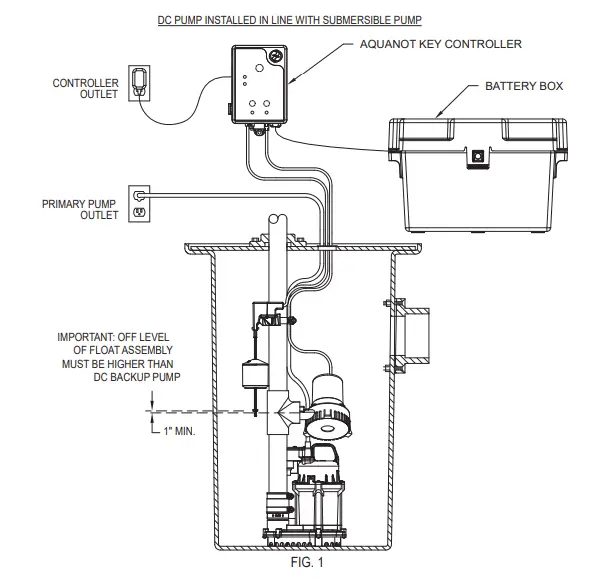
- The installation kit includes the necessary fittings and parts needed to install as in Figure 1. A check valve is incorporated in the discharge of the backup pump.
- Remove all parts from the shipping carton, and make sure all parts are included.
- Select a location for the battery and the controller. The controller must be within 6′ (1.8 m) of a 115 V wall outlet and within 6′ (1.8 m) of pump and basin. Is recommended that the controller is plugged into a separate circuit from the primary pump.
NOTE: Do not install in small spaces where the controller will not be properly cooled. - If the primary pump is installed, disconnect power.
NOTE: Discharge piping must be 1-1/2″ SCH 40 PVC - Remove the discharge pipe from the pump and place it aside.
- Solvent weld DC pump to tee at a 30 degree angle as shown in Figure 4. Install in-line check valve into primary pump discharge.
- Determine the position of the DC pump and measure between the in-line check valve and tee. Use that measurement to cut discharge pipe. Solvent weld that piece first to the tee. Measure, cut & solvent weld any remaining discharge piping above the tee. Finally, connect the discharge pipe to the inline check valve and tighten hose clamp. See Figure 4.
NOTE: Check float operations to ensure the hose clamp screws do not interfere with the float operation of the primary pump. - Assemble the operation float assembly per Figure 3. Install float switch as seen in Figure 1.
- Install the operational float switch bracket above the “on” level of the primary pump using the clamp provided. Make certain the clamp is tight on the pipe to avoid slippage. Ensure that the “off” level of the float is 1″ (2.5 cm) minimum above the outlet of the DC backup pump. Position the pumps in the sump and move float up and down, ensuring free movement without interference from any obstructions inside the sump or lid. The float switch can be moved on the discharge pipe, or the rubber stops can be adjusted as necessary. Cut extra float rod length below lower float stop to prevent debris from interfering with float operation.
- Mount the Key™ Controller to a sturdy location using the zip tie provided, or to the battery box.
- Connect the leads from the controller to the battery terminals. Positive (+) lead to positive terminal and black neg. (-) lead to negative battery terminal.
CAUTION Correct battery hook-up is essential for operation of the system. Use wing nuts supplied with battery and eyelet connectors on battery wire leads. On batteries with different sized posts, the positive terminal is the larger post, 3/8″ (10mm) diameter. The smaller post, 5/16″ (8mm) diameter, is the negative terminal. This will be indicated on the battery. Apply grease to the terminals to help prevent corrosion. - Connect the plugs for the pump, operational switch, and power supply into the appropriate receptacles on the controller.
- Plug the controller into the 115 V wall outlet. The primary sump pump and the controller should be on separate circuits.
- After verifying all connections are good, reconnect power to the primary sump pump.
INITIAL START-UP AND OPERATION
- Test the installation for leaks by running water into the sump, allowing for normal operation of the primary pump.
- Check the controller. The System Ready light will be green when the unit is plugged into the 115 V wall outlet. The battery will indicate its condition when the controller has DC power. When the unit is first plugged in, all lights will flash and alarm will sound to verify all lights and the alarm work.
Note that the charger may not begin charging for several minutes. - Disconnect the primary pump from its power source before touching any component in the sump pit.
- Lift the operational float switch. After a couple seconds the DC backup pump will run, and the alarm will sound after another 1 second. Lower the operational float switch after the alarm sounds. Take care that the intake of the DC pump is set above the inlet of the primary pump. Press silence for 3 seconds to clear out the alarm and reset the unit.
CAUTION
Continuous dry running may cause overheating and damage the pump seals. Upon release of the float switch, the pump will shut off. Be sure there are no obstructions around the float. - Complete the final testing of your installation by ensuring the primary pump is still disconnected from power. Unplug the Key controller from the 115 V wall outlet. Run water into the sump until the DC backup pump is activated by the operational float switch. Check all connections for leaks.
- Push the Silence button when the pump is running. This will silence the alarm. The pump will continue to run until the operational float is deactivated.
- Reconnect the controller and the primary pump to the AC wall outlets. The primary pump may come on, lower the water level in the sump back to its normal operating level, and shut off. Both primary and backup systems are now ready for use.
- Hold silence button for several seconds to reset the unit. LED will be yellow during normal charging operation. See page 6 for a description of controller functions.
NOTE: When running the pumps, it is normal for a stream of water to spray out of the 1/8″ (3 mm) air relief hole.
Note: The Key controller supervises the switch connection which allows it to provide an alarm indication if the switch becomes disconnected.
FIGURE 1
IMPORTANT To minimize risk of air lock, intake of DC pump must be set at a 30 degree angle above the intake of the primary pump. See Figure 4.
AQUANOT® KEY™ CONTROLLER
FIGURE 2
AQUANOT® KEY™ FLOAT SWITCH
FIGURE 3
507 DC PUMP
FIGURE 4
KEY ™ CONTROLLER FUNCTIONS
There are two buttons on the front of the controller.
– Silence/Reset
- Press to silence current alarms for 24 hours.
- Hold for longer than 3 seconds to reset alarm. Reset will clear flashing light on unit.
– Test
- Will run the pump to determine if amp draw of pump is in range.
- Controller is factory programmed to self-test the pump for several seconds every 24 hours.
- Pressing the test button will start the 24-hour timer for self-testing.
Note: Holding both the silence/reset and test button at the same time for 5 seconds will cause a factory reset on the controller.
The LEDs will display information about the controller.
| AOUANOT KEY” | |||
| Solid | Fleshing | Off | |
| System Ready | No Faults (Green) | AC off with no faults (Green) | — |
| Battery | Charged (Green) | Low Battery (Red) | No AC Power |
| Charging (Yellow) | |||
| Bad Battery (Red) | |||
| DC pump | Pump Ran (Yellow) | Pump Running (Yellow) | — |
| Pump Fault (Red) | |||
| Float Status | Float Fault (Red) | — | |
MAINTENANCE
- Inspect and test the system for proper operations at least every 3 months.
Electrolyte levels in wet cell batteries should be checked monthly. Such a check is not required for “maintenance free” battery types.
(a) Green “system ready” indicator light should be on, indicating AC power is on and there are no alarm conditions.
(b) Unplug the primary pump and the controller from the power supply.
(c) Fill the sump with water to the “on” level for the DC pump. Allow the pump to run a few minutes.
(d) The alarm will sound approximately 1 second after the pump starts to run.
(e) Push the Silence/Reset button. The alarm will turn off.
(f) The pump will shut off after the water level is lowered and the float drops to the “off” position.
(g) Hold silence/ reset button for 3 seconds to reset the controller and clear any alarms or indicators. - Plug the controller and the primary pump into the wall outlet.
(a) The primary pump may come on, lower the water to the “off” level and shut off.
(b) The battery light will be yellow when charging. The charger is replacing the energy consumed during the test. The green light will come on after the charger has replaced the energy consumed during the test.
TROUBLESHOOTING INFORMATION
- DC Pump won’t run.
(a) Check for proper connections.
(b) Check all wire terminal points. Clean if required.
(c) Check for low battery. Service battery if required.
(d) Check 30 amp fuse on controller (see fig. 2). If fuse is blown, replace with 30 amp automotive blade fuse. - Pump runs but pumps very little or no water without AC power.
(a) Check for low battery. Battery will recharge if green System Ready light indicates power has been restored and the float switch is in the off position.
(b) If immediate usage is required, remove and replace dead battery with a full recharged battery.
(c) Due to varying conditions the pump may continue to run on a low battery without sufficient power to remove water. Pump will not stop running until battery is below minimum voltage.
(d)
CAUTION
Weak batteries can be recharged but may not store sufficient energy for full service. A weak recharged battery can only be detected by reduced pumping time or by professional load testing equipment. If your emergency pump system is used frequently the battery should be checked by a qualified battery dealer. - Pump runs but pumps very little or no water.
(a) Verify pump is connected completely.
(b) Check to make sure pump weep hole is clear and unit is not airlocked.
(c) Make sure discharge piping is not blocked. - Pump cycles too frequently.
(a) Check positions of rubber stops on operational float rod.
(b) Adjust upper rubber float stop as required. Recommended for standard installation. - Float switch in “on” position for more than 3 seconds. Pump won’t run.
(a) Remove pump. Check for obstruction in pump preventing impeller from rotating. - Pump runs, but pumps water intermittently.
(a) Pump may be air locked. Check flow of water incoming to sump. If water is entering the sump at a high velocity creating a turbulent condition, a mixture of air and water may cause a complete or partial air lock and reduce or stop the flow of water in the discharge pipe.
(b) Baffle the incoming stream of water to reduce turbulence. Diverting water stream against wall of basin usually corrects an air lock problem.
(C) Also be sure the “OFF” level is higher than the intake of the DC pump. - Water level stays high. DC Pump continues to run.
(a) Battery is low.
(b) If power has been restored and water in sump remains high check primary pump. Service if required.
(c) After several hours the battery will be restored to full charge. - Alarm sounds during battery recharge cycle.
(a) To silence alarm if alarm will not reset, unplug the charger from 115 V wall outlet, then disconnect the black lead from charger on negative (-) battery post. Check battery. Replace if necessary. Reconnect and refer to Installation (step 11).
THE AQUANOT® BATTERY
There are millions of batteries manufactured each year, so it is impossible to guarantee consistent quality. A defective battery will never become fully charged and may damage the charging circuits of the Controller. It is for this reason that Zoeller Pump Company offers its own line of batteries. We offer both a water/acid deep-cycle battery and a maintenance-free AGM battery which can run the pump continuously for over 7.5 hours. These times are based on continuous pumping at 8′ (2.4 m) of static head. Actual times will vary depending on static head, volume of water entering the pit, and the condition of the battery.
Follow these recommendations:
- Use a B.C.I. size 27 deep-cycle battery, 175 minute reserve capacity, or larger
- Do NOT use a “maintenance-free” battery unless it is an AGM battery
- Replace your battery every 3 years
- Do not let corrosion build up on the battery terminals
- To check specific gravity, follow the instructions on a hydrometer (wet cell batteries only)
- Use of the included plastic battery box is recommended to keep the battery safe and clean.
PROTECT YOUR WARRANTY:
- Water level in batteries must be checked once a month (wet cell batteries only)
CARBON MONOXIDE DETECTORS
Whether you have an Aquanaut® Backup Pump System or a competitive brand, all use batteries that give off gaseous by-products when charging. Some of these by-products can produce a rotten egg odor. Also, some of these by-products can cause a CO detector to falsely activate. In order to help prevent false activation, Zoeller Pump Company recommends moving the battery as far away from the CO detector as possible or, if necessary, vent the battery to the exterior. Zoeller Pump Company provides the previous statements only as guidelines to help prevent false activation of the CO detector. In no way are they meant to supersede the instructions that accompany the detector, nor do they supersede advice from the CO detector manufacturer.
If the audible alarm associated with your CO detector is activated, we recommend the following actions:
- Take immediate action for personal safety as recommended in the CO detector literature.
- Contact the appropriate agency to determine if the CO is being produced by your furnace, water heater, or any other device which uses natural gas.
- If you are certain that no CO is being produced, a charging battery may be producing gaseous by-products which are causing the CO detector to activate.
Contact the manufacturer and ask for recommendations to prevent the alarm activation.

MAIL TO: P.O. BOX 16347
Louisville, KY 40256-0347
SHIP TO: 3649 Cane Run Road
Louisville, KY 40211-1961
(502) 778-2731
1 (800) 928-PUMP
FAX (502) 774-3624
Visit our website: zoellerpumps.com


















