50811 Booster Pump
Instruction Manual
50811 Booster Pump
Instruction Manual
Booster Pump
50811, 50812, 51784, 51785, 62789, 62790, and 62791
Illustration similar, may vary depending on model
Read and follow the operating instructions and safety information before using for the first time.
Technical changes reserved!
Illustrations, functional steps, and technical data may deviate insignificantly due to continuous further developments.
Updating the documentation
If you have suggestions for improvement or have found any irregularities, please contact us.
The information contained in this document may alter at any time without prior notice. No part of this document may be copied or otherwise duplicated without prior written consent. All rights reserved.
WilTec Wildanger Technik GmbH cannot be held liable for any possible mistakes in this operating manual, nor in the diagrams and illustrations shown. Although WilTec Wildanger Technik GmbH has made every possible effort to ensure that this operating manual is complete, accurate, and up-to-date, errors cannot be ruled out entirely. If you have found an error or wish to suggest an improvement, we look forward to hearing from you.
Send us an e-mail to: [email protected] or use our contact form: https://www.wiltec.de/contacts/
The most recent version of this manual in several languages can be found in our online shop: https://www.wiltec.de/docsearch
Our postal address is:
WilTec Wildanger Technik GmbH Königsbenden
12 52249 Eschweiler Germany
To return your goods for exchange, repair, or other purposes, please use the following address.
Attention! To allow for a trouble-free complaint or return, it is important to contact our customer service team before returning your goods.
Retourenabteilung
WilTec Wildanger Technik GmbH Königsbenden 28 52249
Eschweiler Germany
E-mail: [email protected]
Phone: +49 2403 55592–0
Fax: (+49 2403 55592–15)
Introduction
Thank you for choosing to purchase this quality product. To minimise the risk of injury, we ask you to always take some basic safety precautions when using this product. Please read this operating manual carefully and make sure that you understand it. Keep these operation instructions in a safe place.
General remarks
A booster pump is used when the normal water pressure feeding a reverse-osmosis system requires increase. The efficiency of the booster pump depends on the intake pressure of the supplied water. For correct operation, a typical reverse-osmosis system requires a water pressure of a minimum of 3.5 bar (50 psi). In case the water pressure is below 3.5 bar (50 psi), the system produces a smaller quantity of water with a lower quality.
Note! Our booster pumps have a pressure regulation screw. The pump is tested in the factory and set to ideal values. We wish to advise you not to modify these values, which could affect the output of the pump.
| № | Name | № | Name |
| 1 | Transformer | 4 | High-pressure switch |
| 2 | Solenoid valve | 5 | Low-pressure switch |
| 3 | Pump |
- The booster system (A) is ideally suitable for home use. It has a high-quality non-stop pump that supplies a constant water flow to the diaphragm and operates quietly. The pump has a ⅜″ connector (B, C); nevertheless, a ¼″ quick coupling (not included) can be used, too. These quick couplings can be screwed off or replaced if necessary. The pump is available with a large variety of motor voltages, delivery heights, and configurations.
- Please observe the figg. 1 and 2 regarding high-pressure switch (E), low-pressure switch (F), solenoid valve or four-way valve (D), transformer (G), etc.
Technical specifications
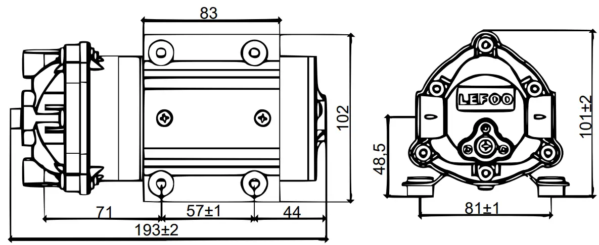
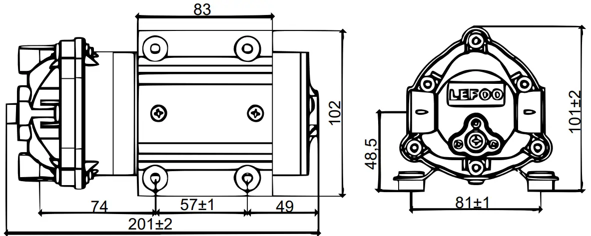
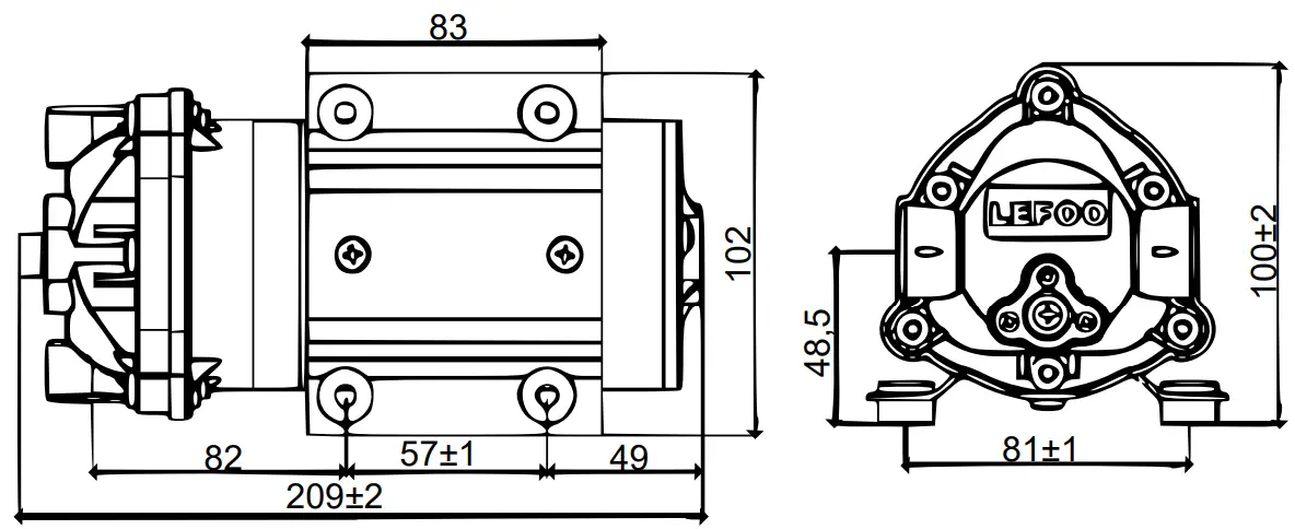
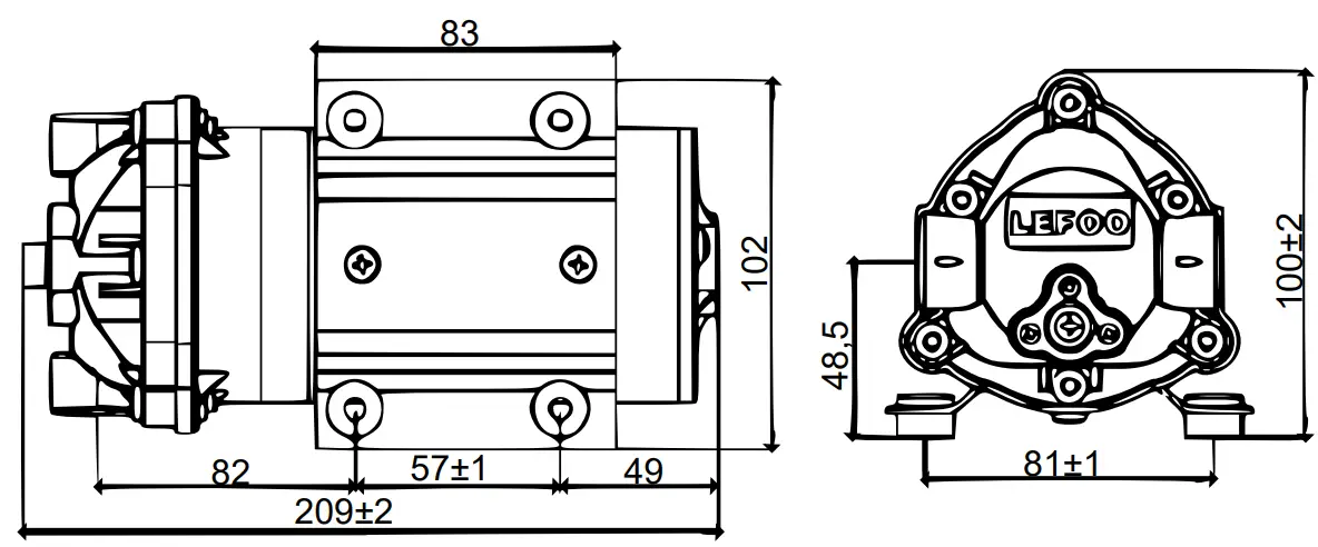
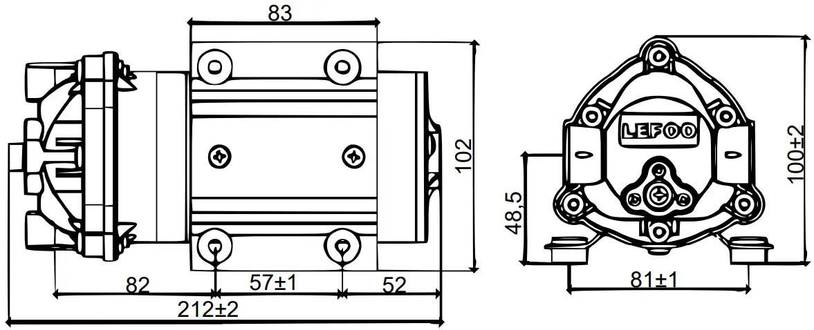
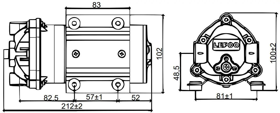
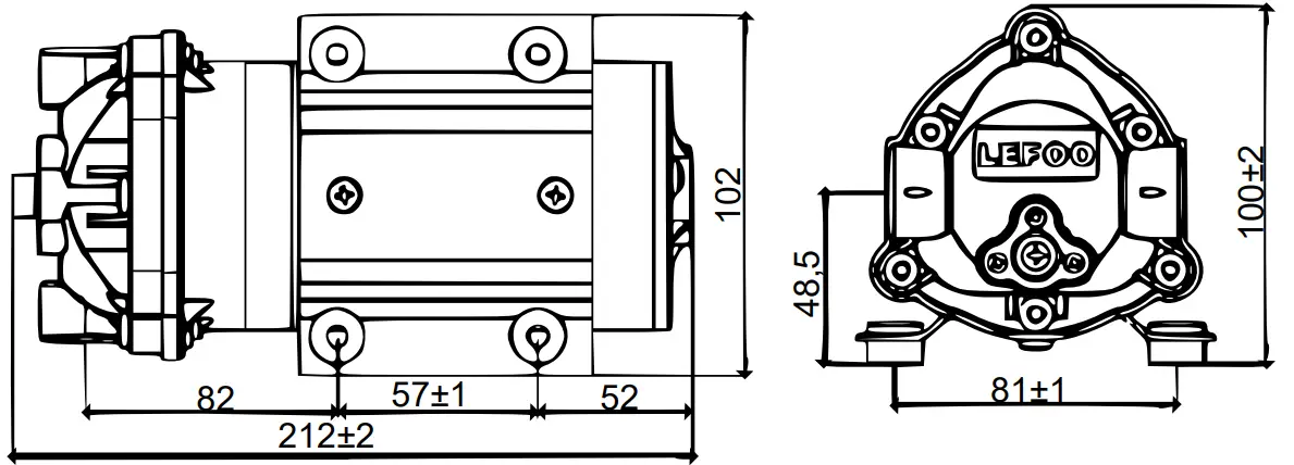
Structure, size, and tolerance (values in mm)
| Model | SKU | Properties |
| LFP1050 W | 50811 | Maximum amperage and voltage: 1 A, 24 V Threaded pipe: ⅜″ Metal base 190ℓ ⁄day (50 gpd) |

| Model | SKU | Properties |
| LFP1100 W | 62789 | Maximum amperage and voltage: 1.4 A, 24 V Threaded pipe: ⅜″ Metal base 378 ℓ⁄day (100 gpd) |

| Model | SKU | Properties |
| LFP1200 W-A | 50812 | Maximum amperage and voltage: 2.5 A, 24 V Threaded pipe: ⅜″ Metal base 750 ℓ⁄day (200 gpd) |

| Model | SKU | Properties |
| LFP1300 W-A | 51784 | Maximum amperage and voltage: 2.8 A, 24 V Threaded pipe: ⅜″ Metal base 1135 ℓ⁄day (300 gpd) |

| Model | SKU | Properties |
| LFP1400– 2 W | 51785 | Maximum amperage and voltage: 4.0 A, 24 V Threaded pipe: ⅜″ Metal base 1514 ℓ⁄day (400 gpd) |

Model | SKU | Properties |
| LFP1500 W | 62790 | Maximum amperage and voltage: 4.2 A, 24 V Threaded pipe: ⅜″ Metal base 1893 ℓ⁄day (500 gpd) |

| Model | SKU | Properties |
| LFP1600 W | 62791 | Maximum amperage and voltage: 4.5 A, 24 V Threaded pipe: ⅜″ Metal base 2271 ℓ⁄day (600 gpd) |
Regulations for waste disposal
The Waste Electrical and Electronic Equipment irective (WEEE irective, 2012/19/EU) of the EU was implemented in the German law related to electrical and electronic equipment and appliances.
All WilTec electric devices that fall under the WEEE directive are labelled with the symbol of a crossedout wheeled rubbish bin.
This symbol indicates that this electric device must not be disposed of with the domestic waste.
WilTec Technik GmbH is registered with the German registration authority EAR (Stiftung ElektroAltgeräte-Register) under the WEEE-registration number E45283704.
Disposal of used electrical and electronic devices (intended for use in the countries of the European Unionand other European countries with a separate wastecollection system for these devices).
The symbol on the packaging or the product itself indicates that this product must not be treated as normadomestic waste butmust be disposed
of at a recyclingcollection station for electrical and electronic waste.
By disposing of this product correctly, you contribute tothe protection of the environment and the health
of yourfellow people. Inappropriate disposal threatens the environment and health.![]()
Material recycling helps to reduce the consumption of raw materials.
Additional information about the recycling of this product can be provided by your local commune, the municipal waste disposal facilities, or the store where you purchased the product.
Address:
WilTec Wildanger Technik GmbH
Königsbenden 12 / 28
52249 Eschweiler Germany
Important Note:
Reproduction and any commercial use (of parts) of this operating manual, requires a written permission of WilTec Wildanger Technik GmbH.
https://www.naturewater.eu
Article 50811, 50812, 51784, 51785, 62789–62791



















