Item # 1006 457 750
Model # HD-1145MB
USE AND CARE GUIDE
3-LIGHT CHANDELIER
Questions, problems, missing parts? Before returning to the store, call Home Decorators Collection Customer Service 8 a.m. – 7 p.m., EST, Monday – Friday, 9 a.m. – 6 p.m., EST, Saturday 1-800-986-3460 WWW.HOMEDEPOT.COM/HOMEDECORATORS
THANK YOU
We appreciate the trust and confidence you have placed in the Home Decorators Collection through the purchase of this 3-Light Chandelier. We strive to continually create quality products designed to enhance your home. Visit us online to see our full line of products available for your home improvement needs. Thank you for choosing Home Decorators Collection!
Safety Information
- Read all instructions before assembling and installing the product.
- Consult a qualified electrician for the installation of this fixture.
- If you have any non-electrical questions about this fixture, please contact our Customer Service Team at 1-800-986-3460 or visit
WWW.HOMEDEPOT.COM/HOME DECORATORS. - Save these instructions for future reference.
DANGER: Risk of electrical shock. Disconnect power before installation.
IMPORTANT: Inspect the wire insulation for any cuts, abrasions, or exposed copper that may have occurred during shipping. If there is a defect in the wire, do not continue the assembly process. Please call our Customer Service Team at 1-800-986-3460.
Warranty
LIMITED WARRANTY
WHAT IS COVERED
The manufacturer warrants this lighting fixture to be free from defects in materials and workmanship for a period of five (5) years from date of purchase. This warranty applies only to the original consumer purchaser and only to products used in normal use and service. If this product is found to be defective, the manufacturer’s only obligation, and your exclusive remedy, is the repair or replacement of the product at the manufacturer’s discretion, provided that the product has not been damaged through misuse, abuse, accident, modification, alteration, neglect, or mishandling.
WHAT IS NOT COVERED
This warranty shall not apply to any product that is found to have been improperly installed, set-up, or used in any way not in accordance with the instructions supplied with the product. This warranty shall not apply to a failure of the product as a result of an accident, misuse, abuse, negligence, alteration, faulty installation, or any other failure not relating to faulty material or workmanship. This warranty shall not apply to the finish on any portion of the product, such as surface discoloration and/or weathering, as this is considered normal wear and tear. The manufacturer does not warrant and specifically disclaims any warranty, whether express or implied, of fitness for a particular purpose, other than the warranty contained herein. The manufacturer specifically disclaims any liability and shall not be liable for any consequential or incidental loss or damage, including but not limited to any labor/ expense costs involved in the replacement or repair of said product.
Contact Customer Care at 1-800-986-3460 or visit WWW.HOMEDEPOT.COM/HOME DECORATORS.
Pre-Installation
PLANNING INSTALLATION
Read all instructions before assembly and installation of the product. To avoid damaging this product, assemble it on a soft, non-abrasive surface, such as carpet or cardboard. Inspect each part for defects that may have occurred during shipping. Keep your receipt and these instructions for proof of purchase.
TOOLS REQUIRED
HARDWARE INCLUDED
NOTE: Hardware not shown to actual size.
| Part | Description | Quantity |
| AA | Wire Nut | 3 |
| BB | Single Crossbar | 1 |
| CC | Hex Nut | 1 |
| DD | Outlet Box Screw | 2 |
| EE | Green Ground Screw | 1 |
| FF | Nipple | 1 |
| GG | Chain Link | 2 |
| HH | Canopy | 1 |
| II | Canopy Loop | 1 |
| JJ | Loop Ring | 1 |
| KK | Chain | 1 |
| LL | Candle Sleeve | 3 |
| MM | Tooth Washer | 1 |
PACKAGE CONTENTS
| Part | Description | Quantity |
| A | Top Fixture Column | 1 |
| B | Frame | 1 |
| C | Central Column | 1 |
| D | Fixture Body | 1 |
| E | Plate | 1 |
| F | Crystal Strand F | 6 |
| G | Crystal Strand G | 60 |
| H | Crystal Strand H | 3 |
| I | Crystal Strand I | 1 |
Installation
- Assembling the fixture body
Pull the fixture wire and ground wire up from the Fixture Body (D) through the Central Column (C), Frame (B), and Top Fixture Column (A).
Fasten the Central Column (C) to the Fixture Body (D).
Place the Top Fixture Column (A) to the Frame (B) and fasten to the Central Column (C).
Attach the Plate (E) to the bottom of the Fixture Body (D).
- Installing the single crossbar
WARNING: Turn the power off at the main fuse box before installation.
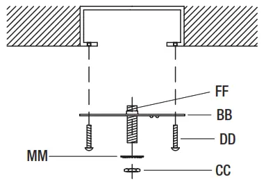
Thread the Nipple (FF) into the Single Crossbar (BB) and secure with a Tooth Washer (MM) and Hex Nut (CC). Adjust the length of the Nipple (FF) if necessary.
Attach the Single Crossbar (BB) to the junction box (not included) with the two Outlex Box Screws (DD) provided.
- Adjusting the chain length
Shorten the Chain (KK) length to desired hanging length by using pliers (not included) to pull open the chain link at each end of the section of Chain (KK) to be removed.
Unlink each end of the unwanted section from the Chain (KK) by unhooking the opened link from the remaining Chain (KK).
Use pliers (not included) to reclose the opened chain link.
NOTE: If adjusting the Chain (KK) length, consider using a soft cloth between the pliers and the Chain links to avoid damaging the finish of the Chain (KK).
- Attaching the chain
Attach the Canopy Loop (Il) to the Nipple (FF).
Pass the Chain (KK) through the Canopy (HH) and the Loop Ring (JJ).
Attach one end of the Chain (KK) to the Canopy Loop (Il) using the Chain Link (GG) Ensure the chain link be fully threaded closed.
Pull the fixture wire and ground wire up from the fixture loop of the Top Fixture Column (A), through the Chain Link (GG), through alternating links on the Chain (KK), and through the Loop Ring (JJ), Canopy (HH), Chain Link (GG), Canopy Loop (Il), and the Nipple (FF) into the outlet box.
NOTE: Ensure the quick connector is fully closed when installing the chain.
- Making the electrical connections and locking the canopy
NOTE: Always use Wire Nuts (AA) to connect wires and push all excess wires and connections back into the junction box.
Connect the ground wire from the branch circuit to the Green Ground Screw (EE) on the Single Crossbar (BB). 
Connect the fixture wires as follow:
Cover the three connections using the three Wire Nuts (AA). Wrap the three wire connections with electrical tape for a more secure connection.
Move the Canopy (HH) up and over the outlet box (not included), and secure the canopy in place by tightening the Loop Ring (JJ) onto the Canopy Loop (II).
- Installing the bulbs
Insert the Candle Sleeves (LL) onto each socket of the Fixture Body (D).
Install the 60W max B10 E12 Bulbs (not included) into each socket of the Fixture Body (D).
- Attaching the crystal strands
Referring to the crystal strands distribution diagram, carefully attach the Crystal Strands (F – I) to the hooks and holes found on the Top Fixture Column (A), Frame (B), Fixture Body (D), and Plate (E), as indicated.
Care and Cleaning
- Clean the light fixture carefully with a soft, dry cloth. Do not use any cleaner with chemicals, solvents, or harsh abrasives.
Troubleshooting
| Problem | Possible Cause | Solution |
| ❑The bulb will not light. | ■ The bulb is burned out. | ❑Replace the light bulb. |
| •Ensure that the power supply is turned on. | ||
| •The power is off. | ❑Ensure that the circuit breaker is set to the ON position. | |
| ■ The circuit breaker is off. | ||
| ❑The fuse blows or the circuit breaker trips when the light is turned on. | ■ There are too many items on one circuit. | ■ Unplug the other items on the circuit. ❑Contact a qualified electrician or call the Customer Service Team at 1-800-986-3460. |
Questions, problems, missing parts? Before returning to the store, call Home Decorators Collection Customer Service
8 a.m. – 7 p.m., EST, Monday-Friday, 9 a.m. – 6 p.m., EST, Saturday 1-800-986-3460
WWW.HOMEDEPOT.COM/HOMEDECORATORS
Retain this manual for future use.























