EH-MC25 Bluetooth Low Energy 5.2 And 2.4G Wireless MCU IoT Module
User Guide
EH-MC25
AIoT Module Datasheet
BLE 5.2 And 2.4G
Bluetooth Low Energy 5.2 And 2.4G Wireless MCU IoT Module high performance, high security, multi-protocol 2.4G and BLE
Feb 2023 Ver 1.1
Professional AIoT Solution Provider
Copyright© 2023 Ehong Information Technology Co. Ltd. All rights reserved.
Note:
Check the link or QR code to make sure that you use the latest version of this document:
http://api.ehlink.com.cn:9527/public/EH-MC25datasheet_V1.1.pdf
Module Overview
1.1 Features
| ITEM | SPECIFICATION | ||
| Microcontroller | ARM Cortex-M0+ CPU (Maximum 40MHz) • Serial flash controller with 8kB 4-way cache • 104kB SRAM, 272kB ROM • 64B EFuse • 4M Flash | ||
| Standards | • Low Energy (BLE) compliant to Bluetooth SIG v5.2 • 2.4G proprietary features | ||
| BLE Radio | Tx Power • -20dBm—7.5dBm Rx Sensitivity • 2Mbps:-94dBm • 1Mbps:-97dBm | Active Tx Power •RX mode: 5.3mA • Active TX mode:4.1mA@-20dBm •Active TX mode:5.9mA@0dBm •Active TX mode:6.8mA@4dBm •Active TX mode:[email protected] • Advertising: 16.5uA (adv_interval:1s, payload: 23Byters, 0dBm) | |
| Power Consumption | Power Down: 1.9uA | Deep LPS: 3.9uA | |
| Peripherals | • 11 x GPIO(mux’ed) • 1 x SPI(master or slave) • 2 x I2C(master) • 1 x I2S/PCM | • 8 x Timers • 8 x PWM • 2 x UART • 2 x ADC (400kbps, 10-bit) | |
| Voltage | Input voltage:1.8V~3.6V, 3.3V (typical) | ||
| Environmental | Temperature: • Operating: 0°C ~ 85°C • Storage: -55°C ~ 150°C | Humidity • Relative: < 90% Non-condensing • Storage: < 90% Non-condensing | |
| Physical | Dimension: 8 x 8(13) x 1.8 mm Weight: 1g | Pin: 18-pin stamp Antenna: External or PCB | |
| Certification | BQB,FCC,CE,IC,Rohs | ||
1.2 Description
The EH-MC25 is Bluetooth 5.2 low energy and 2.4GHz proprietary multi-application module, It is combine the excellent performance of a leading RF transceiver with a low-power ARM Cortex-M0+, power management unit, ADC, and smart I/O distribution controller.
The embedded ARM Cortex-M0+ CPU enables developers to achieve 32-bit performance at an 8-bit price point, bypassing the step to 16-bit devices. By using a single-cycle multiply option and a 2-stage pipeline, the ARM Cortex-M0+ makes program execution simple and highly efficient.
EH-MC25 comes with a PCB antenna (ANT). EH-MC25B comes with an external antenna. A wide selection of module variants are available for customers as shown in Table 1
| Ordering Code | Description | Size |
| EH-MC25 | PCB Antenna | 8*13*1.8mm |
| EH-MC25B | External Antenna | 8*8*1.8mm |
Table 1: EH-MC25 Series comparison
The two modules are equipped with Realtek 8762E chipset with ARM Cortex-M0+ processor with main frequency up to 40MHz. 272kByte Rom, 104kByte RAM and 4M bit Flash are built in, support Bluetooth 5.2, 2Mbps LE, long range mode, Apple positioning (Find My Network) The EH-MC25 also features an integrated Bluetooth 5.2, 2Mbps LE, Long Range Mode, Apple positioning (Find My Network), and ultra-low power consumption for longer battery life.
The EH-MC25 also integrates rich peripherals including SPI, I2S, I2C, UART, PWM and GPIO interfaces, plus rich application software and complete module certification, allowing customers to bring their products to market faster and at lower cost.
1.3 Applications
- Find My Network (Apple)
- Smart Home
- Beacon
- Smart Building
- Smart Hardware
- Electronic Tag
- Remote Control
- Industrial Automation
- Smart Toys
- Mesh
Block Diagram
Figure1:Block Digram
Pin Definitions
Figure2:EH-MC25 Pin Map(Top View)
Figure3:EH-MC25B Pin Map(Top View)
| Pin | Pin Name | Type | Description |
| 1 | GND | ||
| 2 | P4_0 | GPIO | General purpose IO |
| 3 | P4_1 | GPIO | General purpose IO |
| 4 | GND | ||
| 5 | RESET | Hardware reset pin, low active. | |
| 6 | P0_3 | LOG_UART TX. | LOG_UART TX. Power on trap: Pull-up for normal operation Pull-down to bypass executing program code in flash (PAD internal pull-up by default). |
| 7 | P1_0 | SWDIO | General purpose IO,SWDIO (default) |
| 8 | P1_1 | SWDCLK | General purpose IO,SWDCLK (default) |
| 9 | P3_1 | HCI_UART_RX | General purpose IO,HCI_UART_RX (default) |
| 10 | P3_0 | HCI_UART_TX | General purpose IO,HCI_UART_TX (default) |
| 11 | VDD_BAT | Battery voltage input. MICBIA 3.3V | |
| 12 | P2_5 | GPIO | General purpose IO |
| 13 | P2_4 | GPIO | General purpose IO |
| 14 | P2_7 | GPIO | General purpose IO, Support AUXADC |
| 15 | P2_6 | GPIO | General purpose IO, Support AUXADC |
| 16 | GND | ||
| 17 | RF | Antenna for MC25B | |
| 18 | GND | GND | Optional for MC25B |
Table2: Pin Definition
Note:General purpose IO, support Pin Multiplexer. 8mA driving capability. With wakeup function. With internal strong/weak pull-up and pull-downGPIO.
Electrical Characteristics
4.1 Absolute Maximum Ratings
The absolute maximum ratings provided in this section reflect the stress levels that, if exceeded, may cause permanent damage to the device. No functionality is guaranteed
outside the operating specifications. Functionality and reliability are only guaranteed within the operating conditions described in Section 4.4.
| Symbol | Parameter | Min | Max | Unit |
| VDD_BAT | Power input voltage | 1.8 | 3.6 | V |
| Tstore | Storage temperature | -55 | 125 | °C |
Table3: Absolute Maximum Ratings
4.2 Recommended Operating Conditions
| Symbol | Min | Typ | Max | Unit |
| Operating ambient temperature | -35 | – | 85 | °C |
| VDD_BAT | 1.8 | 3.0 | 3.6 | V |
| I/O supply Voltage | 1.8 | – | VDD_BAT | V |
| Frequency range | 2402 | – | 2480 | MHz |
Table4: Recommended Operating Conditions
4.3 Power Consumption
The current consumption measurements are taken with a 3V supply at 25 °C of ambient temperature at the RF port. All transmitters’ measurements are based on 100% duty cycle.
| Work Mode | Description | Peak(mA) | |
| Active (RF working) | RX | 5.3mA | |
| TX | TX Power:-20dBm | 4.1mA | |
| TX Power:0dBm | 5.9mA | ||
| TX Power:+4dBm | 6.8mA | ||
| TX Power:+7.5dBm | 13.1mA | ||
| Beacon | Adv_interval:1S,payload: 23Bytes,0dBm | 16.5uA | |
Table5: Active Mode Power Consumption
Minimum power consumption:Condition: VBAT=3V,VDDIO=3V,ambient temperature:25℃
| Parameter | 32kHz RCOSC | Retention SRAM | Wake-up | Current Consumption (Typical) |
| Power Down | Off | Off | Wake-up by GPIO | 1.9uA |
| Deep LPS | On | Retention | Wake-up by GPIO,Timer | 3.9uA |
Table6: Low Power Mode Power Consumption
4.4 Radio Performance
| Parameter | Bandwidth | Modulation | Rate | Type | Unit |
| Tx Power | 2MHz | GFSK | 1Mbps | +7.5 | dBm |
| 2Mbps | +7.5 | dBm | |||
| Rx Sensitivity | 1Mbps | -97 | dBm | ||
| 2Mbps | -94 | dBm |
Table7: BLE Radio Characteristics
Peripheral Schematics
This is the typical application circuit of the module connected with peripheral components (for example, power supply, antenna, reset button, and UART interface).
Note:
- MC25 and IO definition
- Power LDO 5V to 3.3V
- USB interface
- Toggle Switch
- LED and keypad
- Uart interface
Mechanical Specification
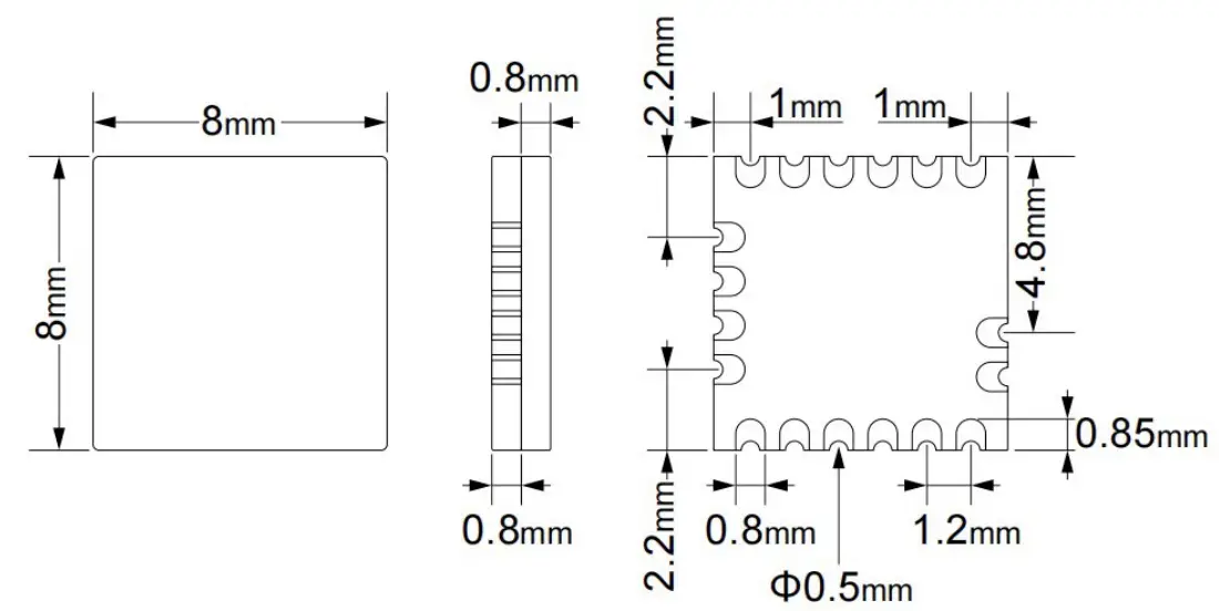
6.1 Dimensional View
Figure 4:EH-MC25 Physical Dimensions
Figure 5:EH-MC25B Physical Dimensions
6.2 Recommended PCB Land Pattern
Figure 6:EH-MC25 Recommended PCB Land Pattern
Figure 7:EH-MC25B Recommended PCB Land Pattern
Development Kit
Figure 8:EH-MC25 Development Kit
The EH-MC25-EVK development board supports three colors led, key functions and comes with a serial chip to meet customers’ basic development and verification needs. The EH- MC25-EVK also uses 2.54 standard pins to lead the module’s universal iO and five-way dip switches, making it easy for customers to use and improving secondary development efficiency.
Product Handling
8.1 Storage Conditions
- The products sealed in moisture barrier bags (MBB) should be stored in a non-condensing atmospheric environment of < 40 °C and /90%RH. The module is rated at the moisture sensitivity level (MSL) of 3.
- After unpacking, the module must be soldered within 168 hours with the factory conditions 25±5 °C and /60%RH. If the above conditions are not met, the module needs to be baked.
8.2 Electrostatic Discharge (ESD)
- Human body model (HBM): ±2000 V
- Charged-device model (CDM): ±500 V)
8.3 Reflow Profile
Solder the module in a single reflow.
Figure 9:Reflow Profile
8.4 Ultrasonic Vibration
Avoid exposing Ehong modules to vibration from ultrasonic equipment, such as ultrasonic welders or ultrasonic cleaners. This vibration may induce resonance in the
in-module crystal and lead to its malfunction or even failure. As a consequence, the module may stop working or its performance may deteriorate.
9.1 Ehong Documents
Visit website and download: http://www.ehonglink.com/en/h-pd-35.html#_pp=118_1336
Supports:[email protected]
Sales: [email protected]
Phone: +0086 021-64769993-201
9.2 Revision History
| Data | Version | Release notes |
| 2022-10-1 | V1.0 | Preliminary Release |
| 2023-2-1 | V1.1 | Update the contact list |
FCC Statement
This device complies with part 15 of the FCC rules. Operation is subject to the following two con ditions: (1) this device may not cause harmful interference, and (2) this device must accept any interference received, including interference that may cause undesired operation. Changes or modifications not expressly approved by the party responsible for compliance could void the user’s authority to operate the equipment.
NOTE: This equipment has been tested and found to comply with the limits for a Class B digital device, pursuant to part 15 of the FCC Rules. These limits are designed to provide reasonable protection against harmful interference in a residential installation. This equipment generates use s and can radiate radio frequency energy and, if not installed and used in accordance with the in structions, may cause harmful interference to radio communications. However, there is no guara ntee that interference will not occur in a particular installation. If this equipment does cause har mful interference to radio or television reception, which can be determined by turning the equipment off and on, the user is encouraged to try to correct the interference by one or more of the following measures:
- Reorient or relocate the receiving antenna.
- Increase the separation between the equipment and receiver.
- Connect the equipment into an outlet on a circuit different from that to which the receiver is connected.
- Consult the dealer or an experienced radio/TV technician for help.
Important Note:
Radiation Exposure Statement
This equipment complies with FCC radiation exposure limits set forth for an uncontrolled environment. This equipment should be installed and operated with minimum distance 20cm between the radiator and your body.
This transmitter must not be co-located or operating in conjunction with any other antenna or transmitter.
Country Code selection feature to be disabled for products marketed to the US/Canada.
This device is intended only for OEM integrators under the following conditions:
- The antenna must be installed such that 20 cm is maintained between the antenna and users, and for the EH-MC25B Model is the external antenna, the antenna gain is 3.0dBi
- The transmitter module may not be co-located with any other transmitter or antenna,
As long as the above conditions are met, further transmitter testing will not be required.
However, the OEM integrator is still responsible for testing their end-product for any additional compliance requirements required with this module installed.
Important Note:
In the event that these conditions cannot be met (for example certain laptop configurations or co-location with another transmitter), then the FCC authorization is no longer considered valid and the FCC ID cannot be used on the final product. In these circumstances, the OEM integrator will be responsible for re-evaluating the end product (including the transmitter) and obtaining a separate FCC authorization.
End Product Labeling
The final end product must be labeled in a visible area with the following” Contains FCC ID: 2AC CRMC25 “.
Manual Information to the End User
The OEM integrator has to be aware not to provide information to the end user regarding how to install or remove this RF module in the user’s manual of the end product which integrates this module.
The end user manual shall include all required regulatory information/warning as show in this manual.
Radiation Exposure Statement
This equipment complies with FCC radiation exposure limits set forth for an uncontrolled environment. This equipment should be installed and operated with minimum distance 20cm between the radiator and your body.
This transmitter must not be co-located or operating in conjunction with any other antenna or transmitter.
ISED Statement
This device complies with Industry Canada license‐exempt RSS standard(s).
Operation is subject to the following two conditions: (1) This device may not cause interference, and (2) This device must accept any interference, including interference that may cause undesi red operation of the device.
The digital apparatus complies with Canadian CAN ICES‐3 (B)/NMB‐3(B).
This radio transmitter (ISED certification number: 20625-MC25) has been approved by Industry Canada to operate with the antenna types listed with the maximum permissible gain indicated. Antenna types not included in this list, having a gain greater than the maximum gain indicated for that type, are strictly prohibited for use with this device.
Radiation Exposure Statement
This equipment complies with Canada radiation exposure limits set forth for an uncontrolled environment. This equipment should be installed and operated with minimum distance 20cm between the radiator & your body.
This device is intended only for OEM integrators under the following condition:
The transmitter module may not be co-located with any other transmitter or antenna. As long as the condition above is met, further transmitter test will not be required. However, the OEM integrator is still responsible for testing their end-product for any additional compliance requirements required with this module installed.
Important Note:
In the event that these conditions cannot be met (for example certain laptop configurations or co-location with another transmitter), then the Canada authorization is no longer considered valid and the IC cannot be used on the final product. In these circumstances, the OEM integrator will be responsible for re-evaluating the end product (including the transmitter) and obtaining a separate Canada authorization.
End Product Labeling
The final end product must be labeled in a visible area with the following: Contains IC: 20625MC25.
Manual Information to the End User
The OEM integrator has to be aware not to provide information to the end user regarding how to install or remove this RF module in the user’s manual of the end product which integrates this module.
The end user manual shall include all required regulatory information/warning as show in this manual.
Ver V1.1
Status:Release
www.ehonglink.com


















