resideo Fan and Limit Controllers

APPLICATION
L4064 combination warm air fan and limit controllers are suitable for all types of forced air heating systems.
FEATURES
- L4064A-F,J and R turn fan on and off according to plenum temperature.
- L4064T,W,Y and have a bimetal heater switch which turns fan on approximately 20 to 90 seconds under normal conditions after the thermostat calls for heat. Fan turns off according to plenum temperature.
- The L4064B,D,F,R and W have a manual fan switch which overrides the fan set points and keeps the fan running continuously.
- The L4064J and R have a special high temperature range suitable for gravity heating systems (gas, oil, coal, wood).
- Variety of fan and high limit setting ranges available.
- Standard wire push-in terminals and female receptacles are provided to speed installation.
- Rigid or swivel bracket mounting, or surface mounting.
- Suitable for line voltage, low voltage, or millivoltage control applications.
- Slotted wiring knockouts for easy installation.
- L4064 adapts to most competitive mounting holes for ease in replacement installations.
IMPORTANT
The specifications given in this publication do not include normal manufacturing tolerances. Therefore, this unit may not match the listed specifications exactly. Also, this product is tested and calibrated under closely controlled conditions, and some minor differences in performance can be expected if those conditions are changed.
SPECIFICATIONS
Models: L4064A-F,J,R,T,W and Y Fan and Limit Controllers.
See Table 1 and 2. Table 1 gives specifications in Fahrenheit degrees. Table 2 gives specifications in Celsius degrees.
Table 1. L4064 Specifications in Degrees Fahrenheit.
| Model | Sensing Element | Manual Fan Switch | Scale Range | Fan-on Range | Fan-off Range | High Limit Range |
| L4064A | Helical bimetal | No | 50 to 250 | 65 to 215 | 50 to 200 | 100 to 250 |
| L4064B | Yes | |||||
| L4064C | Flat, spiral bimetal | No | ||||
| L4064D | Yes | |||||
| L4064E | Helical bimetal | No | ||||
| L4064F | Yes | |||||
| L4064J | No | 80 to 350 | 100 to 305 | 80 to 290 | 150 to 350 | |
| L4064R | Yes | |||||
| L4064T | No | 50 to 250 | None-fan comes on 20 to 90 sec. after call for heat a | 50 to 200 | 100 to 250 | |
| L4064W | Yes | |||||
| L4064Y | No |
a Time will vary, depending on the voltage applied to the special fan switch heater and on the temperature surrounding the fan switch.
Table 2. L4064 Specifications in Degrees Celsius.
| Model | Sensing Element | Manual Fan Switch | Scale Range | Fan-on Range | Fan-off Range | High Limit Range |
| L4064A | Helical bimetal | No | 10 to 121 | 18 to 102 | 10 to 93 | 38 to 121 |
| L4064B | Yes | |||||
| L4064C | Flat, spiral bimetal | No | ||||
| L4064D | Yes | |||||
| L4064E | Helical bimetal | No | ||||
| L4064F | Yes | |||||
| L4064J | No | 27 to 177 | 38 to 152 | 27 to 143 | 66 to 177 | |
| L4064R | Yes | |||||
| L4064T | No | 10 to 121 | None-fan comes on 20 to 90 sec. after call for heat a | 10 to 93 | 38 to 121 | |
| L4064W | Yes | |||||
| L4064Y | No |
a Time will vary, depending on the voltage applied to the special fan switch heater and on the temperature surrounding the fan switch.
ELECTRICAL RATINGS (amperes):
Table 3. Electrical Ranges
| 120 Vac | 240 Vac | 24 Vac | |||||
| FAN | LIMIT | FAN | LIMIT | FAN | LIMIT | TIMER | |
| Full Load | 14 | 8 | 7 | 4 | — | — | — |
| Locked Rotor | 84 | 48 | 42 | 24 | — | — | — |
| Max. Amp | — | — | — | — | — | 2 | 2 |
L4064T: timer circuit 24 V, 0.085 A.
HIGH LIMIT DIFFERENTIAL: 25 F [14 C].
LIMIT STOP SETTING: 160 F to 250 F [72 C to 121 C] in 10 F [5.6 C] increments (specify when ordering).
MINIMUM SWITCH OPERATING TEMPERATURE:
L4064A-F,J,R – minus 40 F [minus 40 C].
L4064T,W,Y – plus 50 F [10 C].
MAXIMUM SWITCH OPERATING TEMPERATURE:
L4064A-F,J,R – 190 F [88 C].
L4064T,W,Y – 115 F [46 C].
MAXIMUM ELEMENT TEMPERATURE:
L4064A-F,T,W,Y – 350 F [177 C].
L4064J,R – 250 F [121 C] above limit setting.
MAXIMUM SURFACE MOUNTING TEMPERATURE: 190 F [88 C].
MOUNTING DIMENSIONS: See Fig. 1.
MOUNTING MEANS:
L4064A,B,E,F,T,W,Y – rigid or swivel bracket or surface mounting.
L4064C,D – surface mounting only.
L4064J,R – rigid or swivel bracket mounting only.
ELEMENT DIMENSIONS:
L4064A,B,E,F,J,R,T,W,Y (helical) – 3/4 in. [19.1 mm] diameter; 5, 8, or 11-1/2 in. [127, 203.2 or 292.1 mm] insertion.
L4064C,D (flat spiral) – 1-1/2 in. [38.1 mm] diameter; 1-1/2 in. [38.1 mm] insertion.
ADJUSTMENT MEANS: Adjustable levers on scale plate.
FINISH: Zinc-plated steel.
WIRING KNOCKOUTS:
L4064A-F,J,R – two in bottom of case, slotted for easy installation.
L4064T,W,Y – has two knockouts in bottom of case slotted for easy installation.
UNDERWRITERS LABORATORIES INC. APPROVALS:
L4064A,B,C,D,T LISTED – File MP466, Guide MBPR;
L4064E,F,J,R,T,W and Y COMPONENT RECOGNIZED – File MP466, Guide MBPR2.
ACCESSORIES:
- 110265A Rigid Bracket-single wing, with No. 8 — 32 setscrew.
- 129250A Rigid Bracket-double wing, with No. 8 — 32 setscrew.
- 32612A Swivel Bracket
- 137813 Strain Relief Bushing (2).
- 857780AFC lead wires (2) with 1/4 in. [6.4 mm] male flag connectors attached.

Fig. 1. MOUNTING DIMENSIONS IN in. [mm IN BRACKETS].

Fig. 2. MOUNTING DIMENSIONS IN in. [mm IN BRACKETS] OF BRACKETS.
INSTALLATION
When Installing this Product…
- Read these instructions carefully. Failure to follow them could damage the product or cause a hazardous condition.
- Check the ratings given in the instructions and on the product to make sure the product is suitable for your application.
- Installer must be a trained, experienced service technician.
- After installation is complete, check out product operation as provided in these instructions.
WARNING
Failure to remove brass jumper, if limit switch is in low voltage circuit, can cause electrical shock hazard or damage low voltage controls.
CAUTION
- Disconnect power supply before beginning installation to prevent electrical shock or equipment damage.
- When connecting cable or conduit to control, avoid straining the control case.
Follow furnace or burner manufacturer’s instructions, if available. Do NOT exceed the ratings and limitations given in this section.
Location
If this is a replacement installation, locate the L4064 in the same location as the control being replaced. Sensing tube length should be same as old control. If this is a new installation, the element should be installed only by a trained, experienced service technician according to the furnace manufacturer’s instructions. The element must not touch any internal part of the furnace.
NOTE: The electrical rating is at maximum switch temperature of 190 F [88 C]. If plenum surface temperature exceeds 190 F [88 C], heat insulating material or mounting bracket must be used. The L4064J,R require the use of a bracket in gravity systems.
MOUNTING
The devices may be mounted as follows:
L4064A,B,E,F,T,W,Y – surface mounting or bracket (rigid or swivel).
L4064C,D – surface mounting only.
L4064J,R – bracket (rigid or swivel) mounting only.
Surface Mounting
L4064A,B,E,F,T,W,Y
Hole in plenum should be just large enough to accommodate the 3/4 in. [19.1 mm] diameter element tube. For adequate clearance, a 13/16 in. [20.6 mm] diameter hole is recommended.
L4064C,D
Hole in plenum should be 1-9/16 in. [39.7 mm] diameter to accommodate the 1-1/2 in. [38.1 mm] diameter element.
All Models
- Remove cover by squeezing sides and pulling off.
Insert element in plenum and mark location of mounting holes. Make sure the case is snug against the plenum before marking the mounting holes. - Punch or drill holes for mounting screws.
- Place insulation between plenum and case if necessary.
- Fasten controller securely with mounting screws

Fig. 3. SURFACE MOUNTING FOR L4064. THE L4064C AND D REQUIRE A 1-1 /2 in. [38.1 mm] HOLE FOR ELEMENT INSERTION; ALL OTHER MODELS REQUIRE A 13/16 in. [20.6 mm] HOLE.
Swivel Mounting
L4064A,B,E,F,J,R,T,W,Y may be swivel-mounted. The swivel bracket requires a 1-9/16 in. [39.7 mm] hole in the plenum (Fig. 4)
- Use bracket as a template to make the location of mounting holes in plenum. Drill or punch holes for mounting screws.
- Fasten the bracket in place with furnished screws. Start the screws but do not tighten.
- Insert element tube through bracket, straighten controller, and fasten. Tighten the mounting screws securely. It may be necessary to rotate the bracket to tighten all screws securely.

Fig. 4. SWIVEL MOUNTING. REQUIRES A 1-9/16 in. [39.7 mm] DIAMETER HOLE FOR ELEMENT INSERTION.
Rigid Bracket Mounting
WARNING
When mounting control on bracket, setscrew MUST strike lube frame, NOT sensing element. If setscrew strikes sensing element, the safely limit function can fail and cause fire hazard.
L4064A,B,E,F,J,R,T,W,Y may be mounted using a rigid bracket.
The rigid bracket requires a hole 13/16 in. [20.6 mm] diameter for element insertion (Fig. 5).
- Use bracket as a template to mark the location of mounting holes in plenum. Drill or punch holes for mounting screws.
- Fasten bracket in place with furnished screws. Tighten the screws securely.
- Insert element tube through bracket, straighten controller and fasten by tightening setscrew. Be sure screw strikes tube frame and does not strike coiled bimetal sensing element.

Fig. 5. RIGID BRACKET MOUNTING REQUIRES A HOLE 13/16 in. [20.6 mm] DIAMETER FOR ELEMENT INSERTION.
WIRING
Disconnect power supply before beginning installation to prevent electrical shock or equipment damage.
All wiring must comply with local electrical codes and ordinances or in the absence of local codes with the National Electrical Code ANSI Cl-1981-NFPA 70. Follow burner or furnace manufacturer’s instructions if available; otherwise, see Fig. 10 and 11 and proceed as follows.
IMPORTANT
The brass jumper is the breakaway type. It must be removed when the limit is used in the low voltage circuit. To remove jumper, break with a needlenose plier and remove completely. Once removed, it is not replaceable. See Fig. 9 for location.
The slotted knockouts on the bottom of the case are provided to simplify the installation procedure and to protect the wires.
- To remove the slotted knockout(s), if any, use a needlenose pliers as shown in Fig. 6 and pull straight down.

Fig. 6. REMOVING SLOTTED KNOCKOUTS
Fig. 7. INSERT STRAIN RELIEF BUSHING. - If cable is used, we recommend using a strain relief bushing in the knockout (Fig. 7). Bushing is available from your local electrical supply. The open side of the bushing should face the open side of the knockout.
- Refer to the following section for types of wiring connections (standard wire push-in terminals or female receptacle).
- If strain relief bushing is used, close the movable gate when all wires have been connected to the terminals (Fig. 8).

Fig. 8. CLOSING THE STRAIN RELIEF BUSHING.
Wiring Connections
When connecting cable or conduit to this controller, use care to avoid strain on the control case. Connections can be made to standard wire push-in terminals or female receptacles for 1/4 in. [4.6 mm] male flag connectors on both the fan and limit switches (Fig. 9). L4064T,W,Y has male push-in terminal for low voltage heater, which requires a 1/4 in. [4.6 mm] female flag connector.
For Standard Wire Push-in Terminals
Connect wires to the terminals as follows:
- Use Nos. 14, 16, or 18 solid wire or Nos. 14 or 16 stranded wire, depending on electrical requirement.
- Strip insulation from wires the distance shown by the strip gauge on the controller. If wire insulation is 4/64 in. [2 mm] thick, strip additional 1/4 in. [6 mm] to ensure wire seats securely in push-in connectors.
- Solid wire may be inserted directly into the terminal holes. If stranded wire is used, insert a small screwdriver into the slot next to the terminal. Push screwdriver in and hold while inserting wire into terminal (Fig. 9). Remove screwdriver. If stranded wire is solder dipped, it can be pushed directly into terminal holes.
For Female Receptacles
It is recommended that the female receptacles be used for wiring accessory equipment; i.e., electronic air cleaner, humidifier, etc.).
Connect wires to the receptacles as follows:
1. Use Nos. 14 to 18 size wire, depending on electrical requirement.
2. Attach 1/4 in. [4.6 mm] male flag connector to each wire.
3. Push male flag connector directly into the female receptacle. Make sure that the flag is forced to the bottom of cavity and wire is in the channel (Fig. 9).
IMPORTANT
Make certain all wires are clear of rotating scaleplate.

Fig. 9. LOCATION OF WIRING CONNECTIONS.

POWER SUPPLY. PROVIDE DISCONNECT MEANS AND OVERLOAD PROTECTION AS REQUIRED.
ADD .1 TO ANTICIPATOR SETTING ON THE THERMOSTAT WHEN FAN TIMER IS CONNECTED.
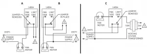
TO USE AS LOW VOLTAGE LIMIT CONTROLLER, REMOVE JUMPER AND CONNECT TERMINALS IN LOW VOLTAGE CIRCUIT.
Fig. 10. L4064T,W,Y 3-WIRE LINE VOLTAGE HOOKUP.

ADD DISCONNECT MEANS AND OVERLOAD PROTECTION AS REQUIRED.
TO CONTROLLED LOW VOLTAGE EQUIPMENT.
TO CONTROLLED LINE VOLTAGE EQUIPMENT.
Fig. 11. A: LIMIT IN LOW VOLTAGE CIRCUIT.
B: LIMIT IN LINE VOLTAGE CIRCUIT.
C: LIMIT IN LINE VOLTAGE CIRCUIT WITHOUT JUMPER.
SETTINGS AND ADJUSTMENT
CAUTION
When adjusting the fan and limit set point lever (Fig. 12), hold the scaleplate dial to keep it from turning and straining the sensing element.
IMPORTANT
The L4064T,W,Y use a bimetal heater, in the fan switch, to turn on the fan 20 to 90 seconds* after a call for heat. When the call for heat ends, the fan will continue to run until the fan-off temperature is reached and the bimetal heater switch cools down (2 to 4 minutes). If the L4064T,W or Y is used to replace an L4064A or B, the blower fan may circulate cool air until the plenum heats up. No adjustment of the fan-on time is possible.
Move each set point lever to the control point recommended by the burner or furnace manufacturer. Use gentle finger pressure.
Fan Setting Adjustment
- Move the FAN OFF lever to the temperature at which the fan is to stop to prevent circulation of cool air.
- Move the FAN ON lever as follows:
L4064A-F – FAN ON range is from 15 F [8.3 C] above the FAN OFF setting to 35 F [19.4 C] below the LIMIT OFF setting.
L4064J,R – FAN ON range is from 20 F [11.1 C] above the FAN OFF setting to 45 F [24.9 C] below the LIMIT OFF setting.
L4064T,W,Y – Move the FAN ON lever as needed for setting the FAN OFF indicator and LIMIT indicator. The FAN ON indicator is nonfunctional on the L4064T; a special bimetal heater acts to turn on the fan 20 to 90 seconds* after a call for heat from the thermostat. On time will vary, depending on the voltage applied to the bimetal heater and on the temperature surrounding the fan switch.
With connected bimetal heater, fan-off settings will be determined according to Table 4 and 5. If not connected, then operation is the same as all other devices.
Table 4. L4064T,W,Y Fan-on Time From a Cold Start (in Seconds).
| Ambient Temp. ºF | Heater Wrapped Bimetal Fan Switch Applied Voltage | ||||||||
23.0 V | 24.0 V | 27.6 V | |||||||
| Min. | Ave. | Max. | Min. | Ave. | Max. | Min. | Ave. | Max. | |
| 50 | 50 | 80 | 120 | 40 | 60 | 90 | 20 | 30 | 40 |
| 72 | 40 | 60 | 100 | 30 | 50 | 80 | 15 | 25 | 35 |
| 115 | 30 | 50 | 80 | 20 | 40 | 70 | 10 | 20 | 30 |
NOTES:
“Fan-off” lever is set at 120° F.
Lower “fan off” settings will increase “fan-on” timings.
* The fan on timing can vary depending on applied voltage and switch ambient.
Table 5. L4064T,W,Y Fan Off Time (in Seconds)
| Ambient Temp. ºF | Heater Wrapped Bimetal Fan Switch Applied Voltage | ||||||||
| 23.0 V | 24.0 V | 27.6 V | |||||||
| Min. | Ave. | Max. | Min. | Ave. | Max. | Min. | Ave. | Max. | |
| 50 | 45 | 75 | 120 | 50 | 90 | 140 | 85 | 130 | 190 |
| 72 | 55 | 120 | 200 | 60 | 120 | 220 | 90 | 165 | 260 |
| 115 | 60 | 140 | 235 | 85 | 165 | 270 | 110 | 200 | 280 |
NOTES:
The “fan-off” lever is set at 120° F. (Lower setting will decrease fan off time, higher setting will increase fan off time.)
The bimetal heater is energized once for 15 minutes.
The fan will keep running until the bimetal timing mechanism (built-in) cools down to below 115° F and the L4064T,W,Y primary sensor temperature drops below the fan off set point. Table 5 represents bench test timings where the entire L4064 is at the indicated ambient temperature.
Manual Fan Switch (L40648,D,F,R,W)
For constant fan operation (overriding fan setting levers), push the FAN switch button in. For fan to cycle automatically, pull button out.
Limit Setting Adjustment
These controls have a limit stop which prevents the limit indicator lever from being adjusted beyond the equipment manufacturer’s specifications.
- Push a stiff wire through hole in scaleplate to depress the stop disc not more than 1/16 in. [1.6 mm] to release stop lock (Fig. 12). Stop disc is on back of scaleplate.

Fig. 12. CHANGING THE HIGH LIMIT STOP. - When depressing the stop disc, insert another stiff wire next to limit stop (Fig. 12) and use this wire to move stop to desired setting. If the L4064 is a replacement control, the high limit stop setting should be the same as that of the control being replaced. (Move stop clockwise to lower the setting, counterclockwise to raise it.) Then remove both wires.
- Set the LIMIT OFF lever to the temperature at which the high limit switch is to open to stop the burner. If the high limit stop has been properly set, the LIMIT OFF lever should be as high as the stop permits.
OPERATION
L4064A-F,J,R – As the plenum temperature rises, the coiled, bimetal sensing element of the control warps and mechanically makes the fan contacts (at the FAN ON temperature setting). During normal operation, the call for heat ends before the LIMIT setting is reached and the fan contacts break as the plenum temperature falls and the FAN OFF setting is reached.
If the call for heat continues until the temperature in the plenum rises to the LIMIT setting, the bimetal element will mechanically break the limit contacts and de-energize the heating control circuit.
L4064T,W,Y – The operation of the L4064T,W,Y are the same except that the controller uses a bimetal heater in the fan switch to make the switch contacts independent of the bimetal sensing element. This heater acts to anticipate the rise in plenum temperature and turns on the fan 20 to 90 seconds* after the thermostat calls for heat. Actual on-time will vary, depending on the voltage applied to the bimetal heater and on the temperature surrounding the fan switch.
* The fan on timing can vary depending on applied voltage and switch ambient.
CHECKOUT
When installation is complete, disconnect the fan motor circuit at the L4064. Turn on power and set thermostat to call for heat. Burner should come on and limit controller should shut burner off when plenum temperature reaches the limit set point. Turn off power, reconnect the fan switch, turn on power and again set thermostat to call for heat. On L4064AF,J,R fan should start when plenum temperature has reached fan-on setting. On L4064T,W,Y, fan should start 20 to 90 seconds after a call for heat. Fan should shut off on all L4064 models (except L4064T,W,Y) when call for heat ends and plenum has cooled to fan-off setting. The L4064T,W,Y shut off the fan when the sensing element and the bimetal heater have cooled to the fan-off setting. This is usually 2 to 4 minutes after the call for heat ends.
Resideo Technologies, Inc.
© 2021 Resideo Technologies, Inc. All rights reserved.
This product is manufactured by Resideo Technologies, Inc. and its affiliates.

























