HP-100 Dual-Flo®
Petroleum Hand Pump
GENERAL INFORMATION
The GPI HP-100 DUAL-FLO® Petroleum Hand Pump is designed to manually pump petroleum products compatible with aluminum and Buna-N. The user has the flexibility of operating the pump at two flowrates. A setting of 1/2-gallon provides faster high-capacity flow. A 1/4-gallon setting allows for easier pumping of fluids. The HP-100 Hand Pump is designed for use on a tank with a 2-inch bung.
Read Me!
Observe standard precautions when handling fuel.
- Keep fuel away from open flame or spark.
- Do not refuel vehicles or equipment with engines running or while equipment engine is hot.
- Do not smoke while refueling.
Use the HP-100 Hand Pump only with diesel fuel (biodiesel blends B20), gasoline (alcohol blends E15), hydraulic fluid, kerosene and oil (up to 30 wt.). This equipment should not be used to pump chemicals.
INSTALLATION
Use the following procedures to install the HP-100 Hand Pump on a tank with a 2-inch bung.
Install Suction Pipe
- Remove the two protective plugs from the pump inlet and outlet ports.
- Wrap the threaded end of the suction pipe with 3 to 4 turns of thread tape.
- Insert the suction screen into the inlet cover.
- Place the spacer in the inlet cover to secure the inlet screen.
- Install the suction pipe into the inlet cover and tighten firmly with a pipe wrench.
Install Pump on Tank
- Before installing the pump, clean the tank interior of all dirt and foreign material.
- Lubricate the threads of the inlet cover with thread tape or a thread-sealing compound approved for use with petroleum fuels.
- Extend the adjustable suction pipe to its full length and carefully insert it into tank opening. The suction pipe will adjust to the length needed and rest on the bottom of tank.
NOTE: The suction pipe supplied has a variable length
of 22 to 40 inches. If additional length is needed,
order the 15-inch Suction Pipe Extension Kit. - Thread the inlet fitting of the pump onto the tank and turn the pump to tighten snugly.
NOTE: To prevent the buildup of pressure and possible fuel leakage through the nozzle, make sure the tank is vented.
Install Hose & Nozzle Assembly
Apply 3 to 4 wraps of thread tape to the threaded end of the hose and hand-tighten into the outlet cover until snug.
Install Handle
The HP-100 Hand Pump gives the operator a choice of two flow settings:
- 1/4-gallon setting has low resistance and pumps 1/4 gallon per stroke cycle.
- 1/2-gallon setting has higher resistance and pumps 1/2 gallon per stroke cycle.
Volume per stroke is determined by connecting the piston shaft to the appropriate handle setting as outlined below.
NOTE: Clevis pins may be installed from either side of handle.
- Slide the handle grip onto the pump handle.
- To install the links on the pump, insert a long clevis pin through the link ends and the pump’s link holes. Secure with a small cotter pin. (Figure 1)

- Attach the free ends of the links to the bottom, outer surfaces of the handle. Insert a long clevis pin through the holes on both links and the lowest hole on the handle. Secure with a small cotter pin. (Figure 2)

- Insert a screwdriver in the piston shaft of the pump and pull the piston out. Install the shaft on the handle at either piston hole by placing a short clevis pin through the handle and the piston shaft end and securing with the hitch clip pin.
NOTE: Select the upper piston hole on the handle for the 1/2-gallon setting (Figure 3) or the lower piston hole for the 1/4-gallon setting. Flow settings can be changed at any time by repositioning the piston shaft on the handle.
NOTE: Lock the handle to the pump by pushing the handle against the pump and inserting a padlock through either of the top holes in the handle and through the pump’s lock hole. (Figure 4)
OPERATION & MAINTENANCE
To Dispense Fluid
- Remove the nozzle from its holder and insert into the receiving tank of the equipment or vehicle.
- Choose a handle setting for the desired flowrate:
• 1/4-gallon setting for low-volume, low-resistance pumping
• 1/2-gallon setting for high-volume, high-resistance pumping - To operate pump, manually move the handle in a push/pull motion.
- After dispensing the desired amount of fluid, drain the hose and nozzle. Place the nozzle in its holder and return the handle to its upright storage position.
During daily use, the GPI HP-100 Hand Pump is essentially maintenance free. However, the pump should be inspected periodically for signs of leakage. If leaks are present, make appropriate repairs. Refer to the Troubleshooting section.
TROUBLESHOOTING

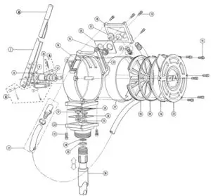
ILLUSTRATED PARTS LIST

Item No.n Part No. Description Req’d.
2 114014-2: Handle………………………………………. 1
8 904004-30: Screw, hex head, 10-32 x 5/8 in……. 2
9 114017-2: Retainer…………………………………….. 1
10 114016-1: Bearing……………………………………… 1
13 114034-1: Packing Seal or (Kit ) ……………… 3
14 114042-1: Body …………………………………………. 1
15 114009-1: Spring……………………………………….. 4
16 114007-1: Plate…………………………………………. 2
17 114008-1: Valve ………………………………………… 4
18 114043-4: Outlet Cover, 3/4 in. ……………………. 1
19 904002-23: Screw, Sems, 1/4-20 x 3/4 in. …….. 14
20 114006-1: Seal or (Kit ) ………………………….. 2
21 123504-1: Anti Siphon Vent Kit ……………………. 1
23 114041-1: Piston Cover………………………………. 1
24 901001-51: Cover Seal or (Kit )…………………. 1
25 906005-58: Piston Ring or (Kit )………………… 1
26 114021-02: Piston Assembly…………………………. 1
27 114011-1: Liner or (Kit ) …………………………. 1
32 114509-1: Inlet Cover Kit (Kit )………………… 1
34 114037-1: Inlet Screen or (Kit ) ……………….. 1
35 114038-1: Spacer or (Kit )………………………. 1
36 110100-1: Adjustable Suction Pipe, 22-40 in. … 1
37 114504-3: Hose and Nozzle Assembly Kit (Non-UL model)…………………. 1
SPECIFICATIONS
The HP-100 Dual-Flo® Petroleum Hand Pump is
compatible with a wide variety of petroleum products and
fits any container with a 2-inch NPT bung. Use with diesel
fuel (biodiesel blends B20), gasoline (alcohol blends
E15), hydraulic fluid, kerosene and oil (up to 30 wt.).
This equipment should not be used to pump chemicals.
Construction: Lightweight, die-cast aluminum housing. Stainless steel piston shaft and liner. Buna-N seals.
Built-in air valve to prevent leakage at the nozzle.
Pumping Capacity: 1/2 gallon (1.9 litres) per stroke cycle.
Pumping Settings: 1/2-gallon setting for high volume, high resistance. 1/4 gallon setting for low volume, low resistance.
Inlet: Standard 1-inch NPT pipe.
Outlet: Standard 3/4-inch NPT pipe. Shipping Weight: 14 lbs.
Hose and Nozzle: Non-UL Model: 3/4 inch x 8 foot Buna-N hose. Thermoplastic unleaded nozzle. Built-in nozzle holder. UL Model:
3/4 inch x 8 foot Electrically Conductive hose (UL Listed) with metal nozzle.
Suction Pipe: Plastic, adjustable 22 to 40 inches.
PARTS AND SERVICE
For warranty consideration, parts or other service information, please contact your local distributor or the GPI Customer Service Department in Wichita, Kansas, during normal business hours. 1-800-835-0113
To obtain prompt, efficient service, be prepared with the
following information:
- The model number of your pump.
- The manufacturing date of your pump.
- Part descriptions and numbers.
Part descriptions and numbers can be obtained from the Illustrated Parts List.
For warranty service, be prepared with your original sales slip or other evidence of purchase date.
Limited Warranty Policy
Great Plains Industries, Inc. 5252 E. 36th Street North, Wichita, KS USA 67220-3205, hereby provides a limited warranty against defects in material and workmanship on all products manufactured by Great Plains Industries, Inc. This product includes a 2 year warranty from date of purchase as evidenced by the original sales receipt. A 30 month warranty from product date of manufacture will apply in cases where the original sales receipt is not available. Reference product labeling for the warranty expiration date based on 30 months from date of manufacture. Manufacturer’s sole obligation under the foregoing warranties will be limited to either, at Manufacturer’s option, replacing or repairing defective Goods (subject to limitations hereinafter provided) or refunding the purchase price for such Goods theretofore paid by the Buyer, and Buyer’s exclusive remedy for breach of any such warranties
will be enforcement of such obligations of Manufacturer. The warranty shall extend to the purchaser of this product and to any
person to whom such product is transferred during the warranty period.
This warranty shall not apply if:
A. the product has been altered or modified outside the warrantor’s duly appointed representative;
B. the product has been subjected to neglect, misuse, abuse or damage or has been installed or operated other than in
accordance with the manufacturer’s operating instructions.
To make a claim against this warranty, contact the GPI Customer Service Department at 316-686-7361 or 800-835-0113. Or by mail at:
Great Plains Industries, Inc.
5252 E. 36th St. North
Wichita, KS, USA 67220-3205
GPI will step you through a product troubleshooting process to determine appropriate corrective actions.
GREAT PLAINS INDUSTRIES, INC., EXCLUDES LIABILITY UNDER THIS WARRANTY FOR DIRECT, INDIRECT, INCIDENTAL AND CONSEQUENTIAL DAMAGES INCURRED IN THE USE OR LOSS OF USE OF THE PRODUCT WARRANTED HEREUNDER.
The company herewith expressly disclaims any warranty of merchantability or fitness for any particular purpose other than for which it was designed.
This warranty gives you specific rights and you may also have other rights which vary from U.S. state to U.S. state.
Note: In compliance with MAGNUSON MOSS CONSUMER WARRANTY ACT – Part 702 (governs the resale availability of the warranty terms).
GPI HP-100 Dual-Flo Petroleum Hand Pump User Manual – Optimized PDF
GPI HP-100 Dual-Flo Petroleum Hand Pump User Manual – Original PDF




![GPI Oil Pump [L5016, L5116, L5132] User manual GPI Oil Pump [L5016, L5116, L5132] User manual](https://manualsee.com/img/79/17015/2020/12/00-18.jpg)
















