Danfoss 3520V Standard Double Pump User Manual
INSTILLATION INSTRUCTION
| MODEL | ROTOR | VANE KIT | RING | INLET PLATE | COVER END CAR KIT | COVER END F3 CART KIT |
| 3520V***2 | 402690 | 02-136720 | 388683 | 584383 | 02-102506 | 02-102512 |
| 3520V**5 | 333624 | 02-102515 | 02-102513 | |||
| 333625 | 02-102508 | 02-102514 | ||||
| 3520V***11 | 403539 | 02-136721 | 3333626 | 584384 | 02-102509 | 02-102515 |
| 3520V***12 | 353901 | 02-102510 | 02-102516 | |||
| 3520***14 | 353902 | 02-102511 | 02-102517 |

• Included in shaft end cartridge kit
■ Included in cover end cartridge kit
Included in seal kit 922859 F3 equivalent seal kit 919304
Included in foot bracket kit FB—C-10 Assemble seal with spring loaded sealing member towards bearing. Seals to be completely wetted with oil prior to assembly.
Install 419674 sealing ring into body, then install cartridge kit.
| MODEL | RING | SHAFT END KIT | SHAFT END F3 CART KIT |
| 3520V25 | 576210 | 02-102552 | 02-102560 |
| 3520V30 | 576212 | 02-102553 | 02-102561 |
| 3520V35 | 576214 | 02-102554 | 02-102562 |
| 3520V38 | 575476 | 02-102555 | 02-102563 |

| MODEL | COVER | HOUSING | BODY S/A |
| 35020V**A | 250824 252504 | 250818 | 942355 |
| 3520V**E | 942355 | ||
| 3520VM**A | 478510 | 478506 | 02-136921 |
| 3520VM**AM | 02-136922 |
| SHAFT | TYPE | KEY |
| 258249 | (1) Keyed | 88678 |
| 258250 | (11)splined | – |
| 394517 | (86) keyed | 393536 |
| 860097 | (192N) Keyed | 472287 |

NOTE:
For satisfactory service life of these components in industrial applications, use full flow filtration to provide fluid which meets ISO cleanliness code 16/13 or cleaner. OFP, OFR, and OFRS series filters are recommended.
Model Code

- Special Seals
- Series designation
Displacements cm³ (in³/r)
Model Shaft end Cover end
3520V 81 — 121 18 — 45
(4.94-7.37) (1.1 — 2.22) - Pilot designation
M — Metric per ISO 3019/2 100A2HW Om It — Standard pilot - Geometric displacement
Shaft end pump (Rated capacity (USgpm) at 1200 rpm, 6.9 bar (100 psl)
| Frame size | Code | Cm/r | In/r |
| 3520v | 25 | 81 | 4.94 |
| 30 | 91 | 5.91 | |
| 35 | 112 | 6.83 | |
| 38 | 121 | 7.73 |
- Port connection
A- SAE 4 bolt Flange
Note: Standard right hand shaft rotation cartridges shown reverse for left hand rotation. - Port Connection modifier
M — Metric port connection (4 bolt flange)
Omit — Inch thread port connection (4 bolt flange) - Geometric displacement
Cover end pump
(Rated capacity (USgpm) at 1200 rpm, 6.9 bar (100 psi)Frame size Code Cm/r In/r 3520v 2 6.5 0.40 5 18 1.10 8 27 1.67 11 36 2.22 12 40 2.47 14 45 2.78 - Mounting
F-Foot mounting - Shaft
1-Straight Keyed
11-Splined
86-heavy duty straight Keyed
192N- Staight Keyed (M pilot only) - Port orientation
(Viewed from cover end of pump)
With no. 1 outlet opposite inlet
AA – No. 2 outlet 135° CCW from inlet
AB – No. 2 outlet 45° CCW from inlet
AC – No. 2 outlet 45° CW from inlet
AD – No. 2 outlet 135° CW from inlet
With no. 1 outlet 90° CCW from inlet
BA – No. 2 outlet 135° CCW from inlet
BB – No. 2 outlet 45° CCW from inlet
BC – No. 2 outlet 45° CW from inlet
BD – No. 2 outlet 135° CW from inlet
With no. 1 outlet inline with inlet
CA – No. 2 outlet 135° CCW from inlet
CB – No. 2 outlet 45° CCW from inlet
CC – No. 2 outlet 45° CW from inlet
CD – No. 2 outlet 135° CW from inlet
With no. 1 outlet 90° CW from inlet
DA – No. 2 outlet 135° CCW from inlet
DB – No. 2 outlet 45° CCW from inlet
DC – No. 2 outlet 45° CW from inlet
DD – No. 2 outlet 135° CW from inlet - Design
- Rotation
(Viewed from shaft end of pump)
L — Left hand for counterclockwise
R — Right hand for clockwise
NOTE
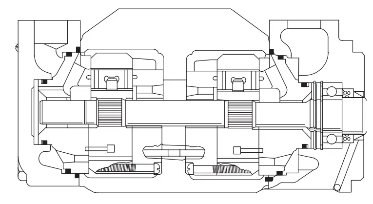
To reverse cartridge kit rotation, remove the two screws and reverse the location of the inlet support plate and the outlet support plate. Reinstall the two screws hand tight. Use pump cover to align all sections of the cartridge. Carefully remove the cover and tighten the screws.
When ordering spare cartridge parts, it is recommended they be obtained in cartridge kits. Kits are assembled and tested for either right or left hand rotation. If left hand rotation is required, it should be specified on parts order by adding suffix “12 to cartridge kit number.
Products we offer
- Cartridge valves
- DCV directional control valves
- Electric converters
- Electric machines
- Electric motors
- Gear motors
- Gear pumps
- Hydraulic integrated circuits (HICs)
- Hydrostatic motors
- Hydrostatic pumps
- Orbital motors
- PLUS+1′ controllers
- PLUS+1′ displays
- PLUS+1′ joysticks and pedals PLUS+1′ operator interfaces
- PLUS+1′ sensors
- PLUS+1′ software PLUS+1′ software services, support and training Position controls and sensors
- PVG proportional valves
- Steering components and systems
- Telematics
Danfoss Power Solutions:
is a global manufacturer and supplier of high-quality hydraulic and electric components. We specialize in providing state-of-the-art technology and solutions that excel in the harsh operating conditions of the mobile off highway market as well as the marine sector. Building on our extensive applications expertise, we work closely with you to ensure exceptional performance for a broad range of applications. We help you andother customers around the world speed up system development, reduce costs and bring vehicles and vessels to market faster. Danfoss Power Solutions – your strongest partner in mobile hydraulics and mobile electrification.
Go to www.danfoss.com for further product information.:
We offer you expert worldwide support for ensuring the best possible solutions for outstanding performance. And with an extensive network of Global Service Partners, we also provide you with comprehensive global service for all of our components
.




















