CROSLEY XFE26JSMSS Freestanding Bottom Freezer Refrigerator
BEFORE YOU BEGIN
Read these instructions completely and carefully.
IMPORTANT — Observe all governing codes and ordinances. Save these instructions for the local inspector’s use.
- Note to Installer – Be sure to leave these instructions with the Consumer.
- Note to Consumer – Keep these instructions for future reference.
- Skill level – Installation of this appliance requires basic mechanical skills.
- Completion time – Refrigerator Installation
- 20 minutes
- Water Line Installation
- 30 minutes
- Proper installation is the responsibility of the installer.
- Product failure due to improper installation is not covered under the Warranty.
PREPARATION
MOVING THE REFRIGERATOR INDOORS
If the refrigerator will not fit through a doorway, the refrigerator door and freezer drawer or door can be removed.
- To remove the refrigerator doors, see the Removing French Doors section.
- To remove the freezer drawer, see the Removing the Freezer Drawer section.
WATER SUPPLY TO THE ICEMAKER AND DISPENSER
If the refrigerator has an icemaker, it will have to be connected to a cold water line. A GE Appliances water supply kit (containing tubing, shutoff valve, fittings, and instructions) is available at extra cost from your dealer, by visiting GEAppliances.com or from Parts and Accessories, 877.959.8688.
TOOLS YOU MAY NEED
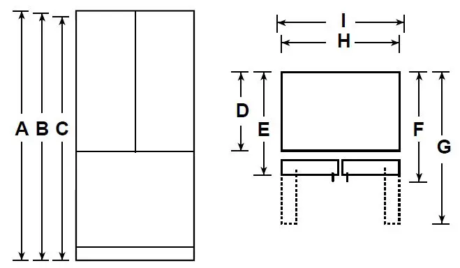
APPLIANCE DIMENSIONS
MEASURE THE CABINET OPENING ACCORDING TO THE WIDTH OF THE REFRIGERATOR
Measure the width of the cabinet opening where the refrigerator will be placed, B. Be sure to account for any countertop overhang, baseboard thickness, and any clearance desired. Width, B, should not be less than 33”-36” (83.3 cm – 91.4 cm) (depending on the model). The refrigerator will be placed approximately in the middle of this opening.
REFRIGERATOR LOCATION
- Do not install the refrigerator where the temperature will go below 60°F (16°C) because it will not run often enough to maintain proper temperatures.
- Do not install the refrigerator where the temperature will go above 100°F (37°C) because it will not perform properly.
- Do not install the refrigerator in a location exposed to water (rain, etc.) or direct sunlight.
- Install it on a floor strong enough to support it fully loaded.
CLEARANCES
Allow the following clearances for ease of installation, proper air circulation, and plumbing and electrical connections.
- Sides 1/8” (3 mm)
- Top 1” (25 mm) Cabinet/Hinge Cover
- Back 2” (50 mm)
IMPORTANT NOTES
This refrigerator without handles ranges from 33-7/8” to 35-1/4” (86 cm – 89 cm) depending on your model (see dimension E on the previous page). Doors and passageways leading to the installation location must be at least 36” (91.4 cm) in order to leave the doors attached to the refrigerator while transporting it into the installation location. If passageways are less than 36” (91.4 cm), the refrigerator doors can easily be scratched and damaged. The doors can be removed to allow the refrigerator to be safely moved indoors.
- If you need to remove the door, see Removing French Doors.
- To remove the freezer door, see Removing Freezer Drawer.
- If it is NOT necessary to remove doors, leave tape and all packaging on doors until the refrigerator is in the final location. Once in place, install door handles (see Steps 1 and 2).
- SKID REMOVAL: Tilt refrigerator to each side to remove skid.
- NOTE: Use a padded hand truck to move this refrigerator. Place the refrigerator on the hand truck with a side against the truck. We strongly recommend that TWO PEOPLE move and complete this installation.
- ATTACH FRESH FOOD HANDLES
Attach the handle to the mounting fasteners by aligning the slots on the handle with the mounting fasteners. Slide the handle down until you hear a “click”. Follow the same procedure for both doors.
- ATTACH FREEZER HANDLE
Attach the handle to the mounting fasteners by aligning the slots on the handle with the mounting fasteners. Slide the handle to the right until you hear a “click”.
REMOVING FRENCH DOORS
IMPORTANT NOTES
When removing french doors:
- Read the instructions all the way through before starting.
- Handles are included inside the refrigerator.
- Place the screws by their related parts to avoid using them in the wrong places.
- Provide a non-scratching work surface for the doors.
CAUTION Lifting Hazard
A single person’s lift can cause injury. Use assistance when handling, moving, or lifting the refrigerator doors.
NOTE: When moving the door, to prevent damage to the door and electronics carefully place the door in a proper location.
WARNING
To eliminate the risk of electric shock or injury during installation, you must first unplug the refrigerator before proceeding. Failure to follow these instructions can result in electrical shock.
REMOVING RIGHT DOOR
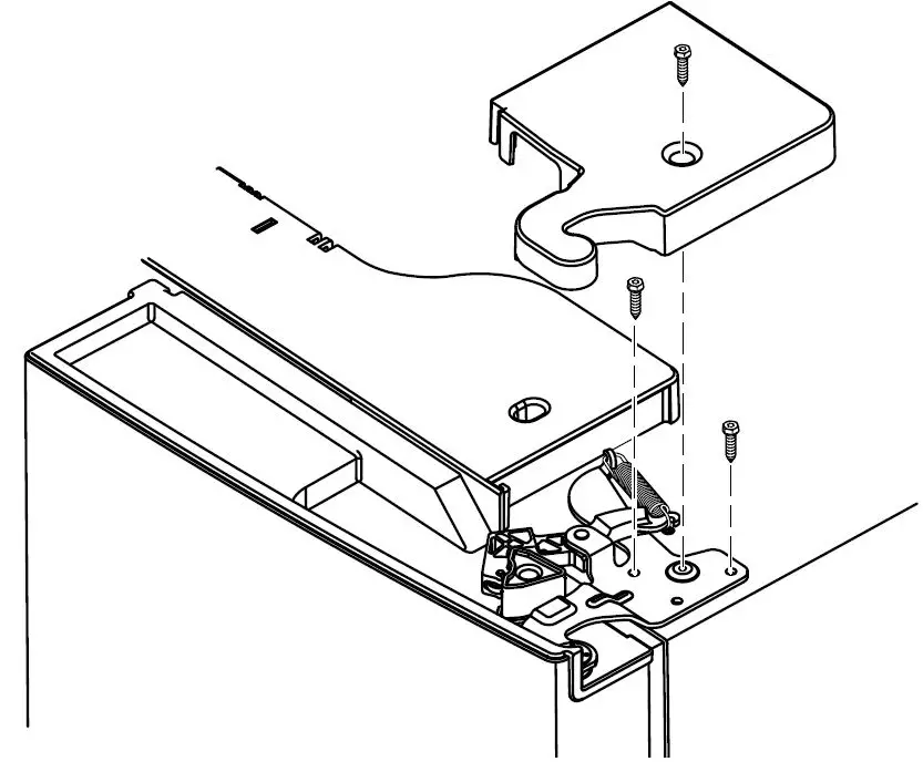
- A. Remove the hinge cover on top of the right fresh food door by removing the screw using a Phillips screwdriver

- B Using a 5/16” socket ratchet/driver, remove the bolts securing the top hinge to the cabinet. Lift the hinge support straight up to free the hinge pin from the socket at the top of the door.
- C. Remove the tape from the right door and tilt the door away from the cabinet. Lift the door of the center hinge pin.
- D. Set the door on a non-scratching surface with the inside up.

REMOVING LEFT DOOR
- A. For Ice and Water Models Only: Unplug the water line from the back of the refrigerator and remove all tape that fixes the water line to the refrigerator.

- B. Remove the hinge cover on top of the left fresh food door by removing the screw using a Phillips screwdriver.

- C.Unplug the 3 wire connectors and move the wires until you can see the screws holding the hinge. For Ice and Water Models Only: Pull the water line very carefully.

- D. Using a 5/16” socket/ratchet driver, remove the bolts securing the top hinge to the cabinet. For NON-Ice and Water Models Only: Lift the hinge straight up to free the hinge pin from the socket at the top of the door and pass the wire through the slot in the hinge. For Ice and Water Models Only: Do not remove the hinge from the door.

- E. Remove the tape from the door, open the door 90 degrees and tilt the door away from the cabinet. Lift the door of the center hinge pin.
- F. Set the door on a non-scratching surface with the inside up.

REMOVING CENTER HINGES AND BRACKETS
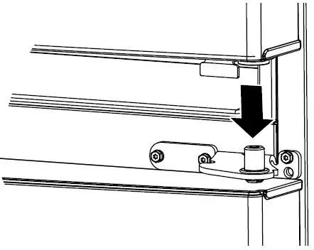
- A. Using a 1/4” Allen wrench, remove the 2 hinge pins from the hinge brackets.

- B. Using a 5/16” socket/ratchet driver, remove the bolts securing the center hinge brackets to the cabinet.

REINSTALLING FRENCH DOORS
IMPORTANT NOTES
When replacing the french doors: Read the instructions all the way through before starting.
- CAUTION Lifting Hazard. A single person’s lift can cause injury. Use assistance when handling, moving, or lifting the refrigerator doors.
- NOTE: When moving the door, to prevent damage to the door and electronics carefully place the door in a proper location.
- WARNING: To eliminate the risk of electric shock or injury during installation, you must first unplug the refrigerator before proceeding. Failure to follow these instructions can result in electrical shock.
REINSTALLING CENTER HINGE BRACKETS AND HINGES
- A. Using a 5/16” socket/ratchet driver, reinstall the bolts and center hinge brackets to the cabinet.

- B.Using a 1/4” Allen wrench, reinstall the 2 hinge pins into the hinge brackets.

REHANGING THE RIGHT DOOR
- A. Lower the refrigerator door onto the right hinge pin.

- B. Make sure the door is aligned with the cabinet. Attach the hinge to the top of the cabinet loosely with bolts removed earlier.
- C. Make sure the gasket on the door is flush against the cabinet and is not folded. Tighten the bolts to 60 lb/in. (6.78 Nm).

- D. Replace the right hinge cover on top of the refrigerator using a Phillips screwdriver.
REHANGING THE LEFT DOOR
- A. For NON-Ice and Water Models Only: Pass the wire through the slot in the hinge. Place the hinge pin into the top of the door.
- B. Lower the refrigerator door onto the left hinge pin.

- C. Make sure the door is aligned with the cabinet. Attach the hinge to the top of the cabinet loosely with bolts removed earlier.
- D. Make sure the gasket on the door is flush against the cabinet and is not folded. Tighten the bolts to 60 lb/in. (6.78 Nm).

- E. Plug the wire connectors together and rout the wire inside the plastic port.

- F. For Ice and Water Models Only: Put the water line into the hole and pass through the plastic port to the back of the refrigerator. Plug the water line back into the fixture on the back of the refrigerator. Tape the water line to the refrigerator.

- G. Replace the left hinge cover on top of the refrigerator using a Phillips screwdriver

REMOVING FREEZER DRAWER
IMPORTANT NOTES
When removing freezer drawer:
- Read the instructions all the way through before starting.
- Provide a non-scratching work surface for the doors.
REMOVE THE BASKETS
- A. Open the freezer drawer until it stops.
- B. Pull the top basket out until it stops. Lift the basket up on the front and out to remove it.

- C. The lower basket rests on a frame inside the freezer drawer. Lift the front of the basket and pull it forward. Release the pins from the slots on the frame to remove the basket.

REMOVE THE DRAWER FRONT
- A. Remove the screw on each side of the railing.

- B. Lift up on both sides of the freezer drawer handle to separate the drawer railings from the rail assemblies.

- C. Set the drawer front on a non-scratching surface.
- D. Push the rail assemblies back into the locking position.
REINSTALL FREEZER DRAWER FRONT
- A. Pull the rail assemblies to the maximum extension.
- B. Locate the slots on the inside of each slide.

- C. Insert the hooks on the ends of the drawer assembly extensions into the slots near the back of the slides

- D. Lower the front end of the freezer drawer assembly so the side tabs fit into the front slots on the rail assemblies.
- E. Replace the safety screws on both sides of the slide assemblies

- F. Replace lower and upper baskets.
CONNECTING TO THE HOUSE WATER LINE (Icemaker models only)
- A cold water supply is required for automatic icemaker operation. If there is not a cold water supply, you will need to provide one. See Installing the Water Line section.
NOTES:
- Before making the connection to the refrigerator, be sure the refrigerator power cord is not plugged into the wall outlet.
- If your refrigerator does not have a water filter, we recommend installing one if your water supply has sand or particles that could clog the screen of the refrigerator’s water valve. Install it in the water line near the refrigerator. If using SmartConnect™ Refrigerator Tubing Kit, you will need an additional tube (WX08X10002) to connect the filter. Do not cut the plastic tubes to install filters.
- Before connecting the water line to the house, purge the house line for at least 2 minutes.
- A. If you are using copper tubing, place a compression nut and ferrule (sleeve) onto the end of the tubing coming from the house cold water supply. If you are using the SmartConnect tubing, the nuts are already assembled to the tubing.
- B. If you are using copper tubing, insert the end of the tubing into the refrigerator connection, at the back of the refrigerator, as far as possible. While holding the tubing, tighten the fitting. If you are using SmartConnect tubing, insert the molded end of the tubing into the refrigerator connection, at the back of the refrigerator, and tighten the compression nut until it is hand tight. Then tighten one additional turn with a wrench. Over-tightening may cause leaks.
- C. Fasten the tubing into the clamp provided to hold it in position. You may need to pry open the clamp. One of the illustrations below will look like the connection on your refrigerator.
WARNING
Connect to potable water supply only. A cold water supply is required for automatic icemaker operation. The water pressure must be between 40 and 120 psi (275-827 kilopascals).
WARNING ELECTRIC SHOCK HAZARD
Attach tubing clamp using existing hole only. DO NOT drill into the refrigerator.
Icemaker-Ready Models
Icemaker-Installed Models
TURN ON THE WATER SUPPLY (Icemaker models only)
Turn the water on at the shutoff valve (house water supply) and check for any leaks.
PLUG IN THE REFRIGERATOR
On models with an icemaker, before plugging in the refrigerator, make sure the icemaker power switch is set to the 0 (off) position. See the grounding information attached to the power cord.
PUT THE REFRIGERATOR IN PLACE
Move the refrigerator to its final location.
LEVEL THE REFRIGERATOR
Adjustable legs at the front corners of the refrigerator should be set so the refrigerator is firmly positioned on the floor, and the front is raised just enough that the door closes easily when opened about halfway. To adjust the leveling legs, turn the legs clockwise to raise the refrigerator, and counterclockwise to lower it.
LEVEL THE REFRIGERATOR DOORS (on some models)
Remember a level refrigerator is necessary for getting the doors perfectly even. If you need help, review the previous section on leveling the refrigerator.
If the doors remain uneven, turn the adjustable pin to raise the lowest door using a 1/4” Allen wrench to turn the pin.
Refrigerator suggested assembly
Shelves showed in the location for the best energy efficiency.
NOTE: Do not block air outlets by placing food items directly against them. Erratic temperatures may result
BEFORE YOU BEGIN
If the water supply to the refrigerator is from a Reverse Osmosis Water Filtration System (RO) AND the refrigerator also has a water filter, use the refrigerator’s filter bypass plug. Using the refrigerator’s water filtration cartridge in conjunction with an RO water filter can result in hollow ice cubes. Some models do not come equipped with the filter bypass plug. To obtain a free bypass plug, call 800- GECAS. This water line installation is not warranted by the refrigerator or icemaker manufacturer. Follow these instructions carefully to minimize the risk of expensive water damage. Water hammer (water banging in the pipes) in house plumbing can cause damage to refrigerator parts and lead to water leakage or flooding. Call a qualified plumber to correct water hammer before installing the water supply line to the refrigerator. To prevent burns and product damage, do not hook up the water line to the hot water line. Do not install the icemaker tubing in areas where temperatures fall below freezing. When using any electrical device (such as a power drill) during installation, be sure the device is double insulated or grounded in a manner to prevent the hazard of electric shock, or is battery powered. All installations must be in accordance with local plumbing code requirements.
WHAT YOU WILL NEED
- Copper or SmartConnect™ Refrigerator Tubing kit, 1/4” outer diameter to connect the refrigerator to the water supply.
- If using copper, be sure both ends of the tubing are cut square.
- To determine how much tubing you need: measure the distance from the water valve on the back of the refrigerator to the water supply pipe.
- Be sure there is sufficient extra tubing to allow the refrigerator to move out from the wall after installation.
SmartConnect Refrigerator Tubing Kits are available in the following lengths:
- 6’ (1.8 m) – WX08X10006
- 15’ (4.6 m) – WX08X10015
- 25’ (7.6 m) – WX08X10025
WARNING
Connect to potable water supply only. A cold water supply is required for automatic icemaker operation. The water pressure must be between 40 and 120 psi (275-827 kilopascals)
NOTE: The only Crosley-approved plastic tubing is supplied in SmartConnect™ Refrigerator Tubing kits. Do not use any other plastic water supply line because the line is under pressure at all times. Certain types of plastic will crack or rupture with age and cause water damage to your home.
- A GE Appliances water supply kit (containing tubing, shutoff valve, and fittings listed below) is available at extra cost from your dealer or from Parts and Accessories, 877.959.8688 (in Canada 1.800.661.1616).
- A cold water supply. The water pressure must be between 20 and 120 p.s.i. (138-827 kPa).
- Power drill.

- 1/2” or adjustable wrench.
- Straight and Phillips blade screwdriver.
- Two 1/4” outer diameter compression nuts and 2
ferrules (sleeves)—to connect the copper tubing to the shutoff valve and the refrigerator water valve.
OR - If you are using a SmartConnect Refrigerator Tubing kit, the necessary fittings are preassembled to the tubing.

- If your existing copper water line has a flared fitting at the end, you will need an adapter (available at plumbing supply stores) to connect the water line to the refrigerator OR you can cut off the flared fitting with a tube cutter and then use a compression fitting. Do not cut the formed end from SmartConnect™ Refrigerator tubing.

- Shut off the valve to connect to the cold water line. The shutoff valve should have a water inlet with a minimum inside diameter of 5/32” at the point of connection to the COLD WATER LINE. Saddle-type shutoff valves are included in many water supply kits. Before purchasing, make sure a saddle-type valve complies with your local plumbing codes Install the shutoff valve on the nearest frequently used drinking water line.
- SHUT OFF THE MAIN WATER SUPPLY
Turn on the nearest faucet long enough to clear the line of water. - CHOOSE THE VALVE LOCATION
Choose a location for the valve that is easily accessible. It is best to connect to the side of a vertical water pipe. When it is necessary to connect to a horizontal water pipe, make the connection to the top or side, rather than at the bottom, to avoid drawing off any sediment from the water pipe.
- DRILL THE HOLE FOR THE VALVE
Drill a 1/4” hole in the water pipe (even if using a self-piercing valve), using a sharp bit. Remove any burrs resulting from drilling the hole in the pipe. Take care not to allow water to drain into the drill. Failure to drill a 1/4” hole may result in reduced ice production or smaller cubes.
- FASTEN THE SHUTOFF VALVE
Fasten the shutoff valve to the cold water pipe with the pipe clamp.
- NOTE: Commonwealth of Massachusetts Plumbing Codes 248CMR shall be adhered to. Saddle valves are illegal and use is not permitted in Massachusetts. Consult with your licensed plumber.
- TIGHTEN THE PIPE CLAMP
Tighten the clamp screws until the sealing washer begins to swell.- NOTE: Do not over-tighten or you may crush the tubing.

- NOTE: Do not over-tighten or you may crush the tubing.
- ROUTE THE TUBING
Route the tubing between the cold water line and the refrigerator. Route the tubing through a hole drilled in the wall or floor (behind the refrigerator or adjacent base cabinet) as close to the wall as possible. - FASTEN THE SHUTOFF VALVE
Place the compression nut and ferrule (sleeve) for copper tubing onto the end of the tubing and connect it to the shutoff valve. Make sure the tubing is fully inserted into the valve. Tighten the compression nut securely. For plastic tubing from a SmartConnect Refrigerator Tubing kit, insert the molded end of the tubing into the shutoff valve and tighten the compression nut until it is hand tight, then tighten one additional turn with a wrench. Over tightening may cause leaks
- NOTE: Commonwealth of Massachusetts Plumbing Codes 248CMR shall be adhered to. Saddle valves are illegal and use is not permitted in Massachusetts. Consult with your licensed plumber.
- FLUSH OUT THE TUBING
Turn the main water supply on and flush out the tubing until the water is clear. Shut the water off at the water valve after about one quart (1 liter), or 2 minutes, of water, has been flushed through the tubing.
































ferrules (sleeves)—to connect the copper tubing to the shutoff valve and the refrigerator water valve.

























