TEKNIX TM1148WTM1148W Freestanding Fridge Freezer

Dear users, this manual contains the product’s basic knowledge, how to use it, fault diagnosis and basic troubleshooting methods. In order to better understand and use this product, please take good care of this manual and read it carefully.
SAFETY
WARNING!
It is hazardous for anyone other than authorized service personnel to carry out servicing or repairs which involves the removal of covers. To avoid the risk of an electric shock do not attempt to repair this appliance yourself.
WARNING!
Risk of fire / flammable materials.
Safety tips
Do not use electrical appliances such as a hair dryer or heater to defrost your Fridge/Freezer.
Containers with flammable gases or liquids can leak at low temperatures.
Do not store any containers with flammable materials, such as spray cans, fire extinguisher refill cartridges etc. in the Fridge/Freezer.
Do not place carbonated or fizzy drinks in the Freezer compartment. Ice lollies can cause “Frost/Freeze burns”. If consumed straight from the Fridge/Freezer.
Do not remove items from the Fridge/Freezer compartment if your hands are damp/wet, as this could cause skin abrasions or “Frost/Freezer burns”. Bottles and cans must not be placed in the Freezer compartment as they can burst when the contents freeze.
Manufacturer’s recommended storage times should be adhered to. Refer to relevant instructions.
Do not allow children to tamper with the controls or play with the Fridge/Freezer. The Fridge/Freezer is heavy. Care should be taken when moving it. It is dangerous to alter the specification or attempt to modify this product in any way.
Do not store inflammable gases or liquids inside your Fridge/Freezer.
If the power cable is damaged, it must be replaced by the manufacturer, its service agent or similarly qualified persons in order to avoid a hazard.
This appliance can be used by children aged from 8 years and above and persons with reduced physical, sensory or mental capabilities or lack of experience and knowledge if they have been given supervision or instruction concerning use of the appliance in a safe way and understand the hazards involved. Children shall not play with the appliance. Cleaning and user maintenance shall not be made by children without supervision.
This refrigerating appliance is not intended to be used as a built-in appliance.
This appliance is intended to be used in household and similar applications such as
- staff kitchen areas in shops, offices and other working environments;
- farm houses and by clients in hotels, motels and other residential type environments;
- bed and breakfast type environments;
- catering and similar non-retail applications.
Keep ventilation openings, in the appliance enclosure or in the built-in structure, clear of obstruction.
Do not use mechanical devices or other means to accelerate the defrosting process, other than those recommended by the manufacturer.
Do not damage the refrigerant circuit.
Do not use electrical appliances inside the food storage compartments of the appliance, unless they are of type recommended by the manufacturer.
Do not store explosive substances such as aerosol cans with a flammable propellant in this appliance.
This appliance is not intended for use by persons (including children) with reduced physical, sensory or mental capabilities, or lack of experience and knowledge, unless they have been given supervision or instruction concerning use of the appliance by a person responsible for their safety. Children should be supervised to ensure that they do not play with the appliance.
- WARNING: Keep ventilation openings, in the appliance enclosure or in the built-in structure, clear of obstruction.
- WARNING: Do not use mechanical devices or other means to accelerate the defrosting process, other than those recommended by the manufacturer.
- WARNING: Do not damage the refrigerant circuit.
- WARNING: Do not use electrical appliances inside the food storage compartments of the appliance, unless they are of the type recommended by the manufacturer.
- WARNING: Refrigerating appliances – in particular a refrigerator-freezer Type I – might not operate consistently (possibility of defrosting of contents or temperature becoming too warm in the frozen food compartment) when sited for an extended period of time below the cold end of the range of temperatures for which the refrigerating appliance is designed;
- WARNING: The necessity that, for doors or lids fitted with locks and keys, the keys be kept out of the reach of children and not in the vicinity of the refrigerating appliance, in order to prevent children from being locked inside.
- WARNING: The refrigerant used in your appliance and insulation materials requires special disposal procedures.
- WARNING: When positioning the appliance, ensure the supply cord is not trapped or damaged.
- WARNING: Do not locate multiple portable socket-outlets or portable power supplies at the rear of the appliance Children aged from 3 to 8 years are allowed to load and unload refrigerating appliances.
To avoid contamination of food, please respect the following instructions: - Opening the door for long periods can cause a significant increase of the temperature in the compartments of the appliance.
- Clean regularly surfaces that can come in contact with food and accessible drainage systems.
- Clean water tanks if they have not been used for 48 h; flush the water system connected to a water supply if water has not been drawn for 5 days.
- Store raw meat and fish in suitable containers in the refrigerator, so that it is not in contact with or drip onto other food.
- Two-star frozen-food compartments are suitable for storing pre-frozen food, storing or making ice cream and making ice cubes.
- One-, two- and three-star compartments are not suitable for the freezing of fresh food.
- If the refrigerating appliance is left empty for long periods, switch off, defrost, clean, dry, and leave the door open to prevent mould developing within the appliance.
Locks
If your Fridge/Freezer is fitted with a lock, to prevent children being entrapped keep the key out of reach and not in the vicinity of the appliance. If disposing of an old Fridge/Freezer break off any old locks or latches as a safeguard.
Electrical Connection
WARNING![]()
This appliance should be properly grounded for your safety. The power cord of this appliance is equipped with a prong
plug which mates with the standard prong wall outlets to minimize the possibility of electrical shock.
Do not, under any circumstances, cut or remove the third ground prong from the power cord supplied.
This refrigerator appliance requires a standard 220-240VAC 50Hz electrical outlet with prong ground.
This refrigerator appliance is not designed to be used with an inverter.
The cord should be secured behind the appliance and not left exposed or dangling to prevent accidental injury.
Never unplug the refrigerator by pulling the power cord. Always grip the plug firmly and pull straight out from the receptacle.
Do not use an extension cord with this appliance. If the power cord is too short, have a qualified electrician or service technician install an outlet near the appliance. Use of an extension cord can negatively affect the performance of the unit.
Improper use of the grounded plug can result in the risk of electrical shock. If the power cord is damaged, have it replaced by an authorized service center.
Climate Range
The information about the climate range of the appliance is provided on the rating plate. It indicates at which ambient temperature (that is, room temperature, in which the appliance is working) the operation of the appliance is optimal (proper).
| Climate range | Permissible ambient temperature |
| SN | from +10°C to +32°C |
| N | from +16°C to +32°C |
| ST | from +16°C to +38°C |
| T | from +16°C to +43°C |
Note: Given the limit values of the ambient temperature range for the climate classes for which the refrigerating appliance is designed and the fact that the internal temperatures could be affected by such factors as location of the refrigerating appliance, ambient temperature and the frequency of door opening, the setting of any temperature control device might have to be varied to allow for these factors, if appropriate.
Note: When operating in an environment other than the specified climate type (i.e., beyond the rated ambient temperature range), the appliance may not be able to maintain the desirable compartment temperatures.
Locks
If your Refrigerator is fitted with a lock, keep the key out of reach and not in the vicinity of the appliance to prevent children being entrapped. When disposing of an old Refrigerator, break off any old locks or latches as a safeguard.
Freon-free
The Freon -free refrigerant (R600a) and the foaming insulation material (cyclopentane) that is environmentally friendly are used for the refrigerator, causing no damage to the ozone layer and having a very small impact on the global warming.R600a is flammable, and sealed in a refrigeration system, without leakage during normal use. But, in case of refrigerant leakage due to the refrigerant circuit being damaged, be sure to keep the appliance away from open flames and open the windows for ventilation as quickly as possible.
INTRODUCTION

| No | Description |
| 1 | Freezer shelf |
| 2 | Thermostat |
| 3 | Refrigerator shelves |
| 4 | Crisper cover |
| 5 | Fruit and vegetable crisper |
| 6 | Egg tray |
| 7 | Refrigerator door balconies |
| 8 | Leveling feet |
Installation location
- Ventilation condition
The position you select for the refrigerator installation should be well-ventilated and has less hot air. Do not locate the refrigerator near a heat source such as cooker, boiler, and avoid it from direct sunlight, thus guaranteeing the refrigeration effect while saving energy consumption. Do not locate the refrigerator in the damp place, so as to prevent the refrigerator from rusting and leaking electricity. The result of the refrigerant charge amount of the refrigerator being divided by the total space of the room in which the refrigerator is installed shall be less than 8g / m³.
Note: The amount of refrigerant charged for the refrigerator can be found on the nameplate. - Heat dissipation space
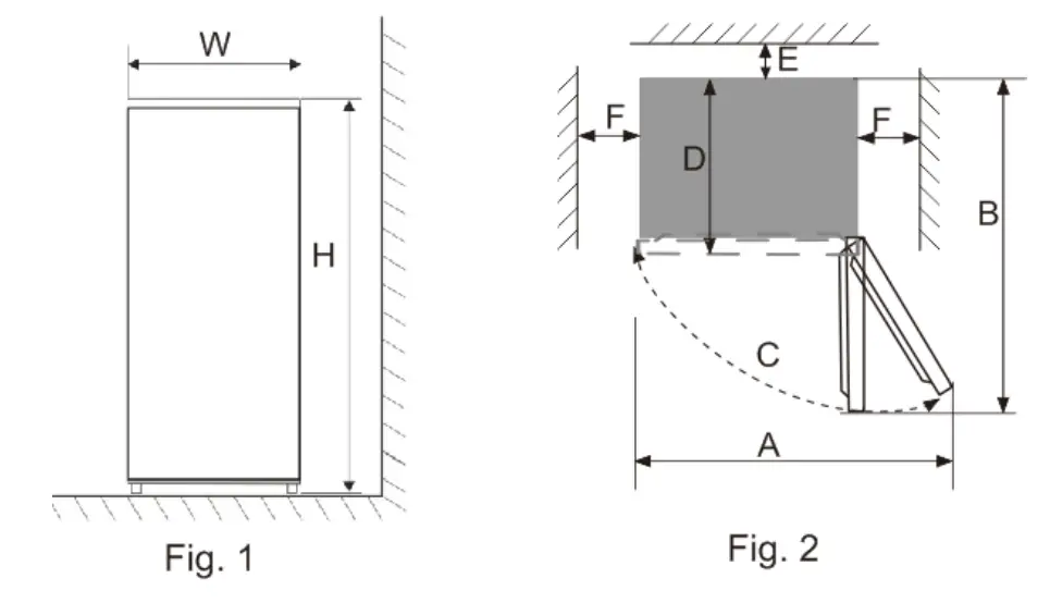
When working, the refrigerator gives off heat to surroundings. Therefore, at least 30mm of free space should be spared at the top side, more than 100mm on both sides, and above 50mm at the back side of the refrigerator.。
Dimensions in mm
Note: Figure 1, Figure 2 only as a product space demand size schematic diagram.
- Level ground
Place the refrigerator on the solid and flat ground (floor) to keep it stable, or else, it will give rise to vibration and noise.
When the refrigerator is placed on such flooring materials as carpet, straw mat, polyvinyl chloride, the solid backing
plates sho uld be applied underneath the refrigerator, so as to prevent color change due to heat dissipation.
Unobstructed ventilation shall be maintained around the appliance or in an embedded structure.
Preparations for use
- Standing time
After the refrigerator is properly installed and well cleaned, do not switch it on immediately. Make sure to energize the refrigerator after more than 1 hour of standing, so as to ensure its normal operation. - Cleaning
Confirm the accessory parts inside the refrigerator and wipe the inside with a soft cloth. - Power-on
Insert the plug into the solid socket to start the compressor. After 1 hour, open the freezer door, if the temperature inside the freezer compartment drops obviously, it indicates the refrigeration system is working normally. - Storage of food
After the refrigerator runs for a period of time, the internal temperature of the refrigerator will be automatically controlled according to the user’s temperature setting. After the refrigerator is fully cooled, put in foods, which usually need 2~3 hours to be fully cooled. In summer, when the temperature is high, it takes more than 4 hours for the foods to be fully cooled (Try to open the refrigerator door as less as possible before the internal temperature cools down).
If the refrigerator is installed in the moisture place, make sure to check whether the ground wire and leakage circuit breaker are normal. If vibration noises are produced due to the refrigerator contacting the wall or if the wall gets blackened by air convection around the compressor, move the refrigerator away from the wall. Setting up the refrigerator may cause jamming noise or image chaos to the mobile phone, fixed-line telephone, radio receiver, television set surrounding it, so try to keep the refrigerator as far away as possible in such case.
START
Testing
- Clean the parts of the refrigerator with lukewarm water containing a little neutral detergent and with clear water and wipe them dry.
Notes: Electric parts of the refrigerator can only be wiped by dry cloth. - Turn the thermostat knob to the “4” position, turn on electricity. The compressor and the light inside the refrigerator begin to work.
- Close the door 30 minutes later, if the temperature in the freezer compartment decreased obviously, it shows that the refrigerator system works well. When the refrigerator operates for a period of time, the temperature controller will automatically set the temperature within limits it opens.
- If the above steps are successful, the trial operations finish. The refrigerator works normally.
Adjusting the temperature
The temperature of the appliance can be adjusted by turning the thermostat dial.
- The thermostat can be set between 1 and 7.
- 1 is the warmest setting.
- 7 is the coldest setting.
- The recommended setting is 4.
- Set the dial to OFF to turn off the cooling function.

Internal temperature of the appliance can vary based on ambient temperature, the quantity of items stored and how frequently the door is opened.
Manual fast Freeze
- Fast freezing makes water in the food form into fine ice crystal, so as to prevent the cell membrane from being damaged and the cytoplasm from being lost when thawing, thus preserving the original freshness and nutrition of food.
- Fresh food and fish to be preserved for a long time should be frozen in a fast manner. To realize fast freezing, please adjust the knob switch to mode “7” before adding the food.
- After fast freezing, turn the knob back to its original mode (In general, the fast freezing time shall not exceed 4 hours).
Notes: The thermostat setting of ‘6’ or ‘7’ is suitable when ambient temperature is under 16 °C, but it may lead to ice formation if the refrigerator keeps running at such setting for a long time under the normal ambient temperature, which belongs to normal phenomenon. In such case, it is recommended to adjust back the thermostat setting appropriately.
IN USE
- The appliance might not operate consistently (possibility of defrosting of contents or temperature becoming too warm in the frozen food compartment) when sited for an extended period of time below the cold end of the range of temperatures for which the refrigerating appliance is designed
- The fact that the internal temperatures could be affected by such factors as the location of the refrigerating appliance, ambient temperature and the frequency of door opening, and, if appropriate, a warning that the setting of any temperature control device might have to be varied to allow for these factors
- The fact that effervescent drinks should not be stored in food freezer compartments or cabinets or in low-temperature compartments or cabinets, and that some products such as water ices should not be consumed too cold
- The need to not exceed the storage time(s) recommended by the food manufacturers for any kind of food
- The fact that a rise in temperature of the frozen food during manual defrosting, maintenance or cleaning could shorten the storage life
- It is better wrapping the frozen food in several layers of the glass shelves.
- the care required with regard to frozen food in storage in the event of an extended non-running of the refrigerating appliance (interruption of power supply or failure of the refrigerating system)
Tips for keeping food perfect in the Fridge
Take extra care with meat and fish
Cooked meats should always be stored on a shelf above raw meats to avoid bacterial transfer. Keep raw meats on a plate which is large enough to collect juices and cover it with cling film or foil.
Leave space around food
This allows cold air to circulate around the Fridge, ensuring all parts of the Fridge are kept cool.
Wrap up food!
To prevent transfer of flavors and drying out, food should be separately packed or covered. Fruit and vegetables need not be wrapped.
Pre-cooked food should be cooled properly
Allow pre-cooked food to cool down before placing in the Fridge. This will help to stop the internal temperature of the Fridge from rising.
Shut the door!
To prevent cold air escaping, try to limit the number of times you open the door. When retuning from shopping, sort foods to be kept in your Fridge before opening the door. Only open the door to put food in or take it out.
Where to store your foods in the fridge
Cool area
This is where to store foods which will keep longer if they are kept cool. Milk, eggs, yogurt, fruit juices, hard cheeses eg.
Cheddar. Opened jars and bottles of salad dressings, sauces and jams. Fats, eg. Butter, margarine, low-fat speads, cooking fats and lard.
Coldest area
This is where foods which must be cold to keep them safe should be kept:
- Raw and uncooked foods should always be wrapped.
- Pre-cooked chilled foods, e.g. Ready meals, meat pies, soft cheeses.
- Pre-cooked meats e.g. Ham,
- Prepared salads (including pre-packed mixed green salads, rice, potato salad etc).
- Desserts, e.g. Fromage frais, home-prepared food and leftovers or cream cakes.

NOTE: Always wrap and store raw meat, poultry, and fish on the lowest shelf at the bottom of the fridge. This will stop them dripping onto or touching other foods. Do not store inflammable gasses or liquids in the fridge.
Tips for shopping for frozen foods
Your Freezer is 4 star![]()
When you are buying frozen food, look at the Storage Guidelines on the packaging. You will be able to store each item of frozen food for the period shown against the 4 star rating. This is usually the period stated as “Best, before”, found on the front of the packaging.
Choose packs carefully
Make sure the frozen food package is in perfect condition.
Purchase frozen food last
Always buy frozen products last on your shopping trip or visit to the supermarket.
Keep frozen foods together
Try to keep frozen food together whilst shopping, and on the journey home as this will help to keep the food cooler.
Store food straight away
Don’t buy frozen food unless you can freeze it straight away. Special insulated bags can be bought from most supermarkets and hardware shops. These keep frozen food cold for longer.
Thawing frozen food
For some foods, thawing before cooking is unnecessary. Vegetables and pasta can be added directly to boiling water or steam cooked. Frozen sauces and soups can be put into a saucepan and heated gently until thawed.
Freezing fresh foods, useful tips
Use quality food and handle it as little as possible. Freeze food in small quantities, it freezes faster, takes less time to thaw and enables you to eat it in the quantity you need.
Preparations for freezing
- Leave cooked food to cool completely
- Chill food in a Fridge before freezing if possible.
- Consider how you want to cook the food before freezing it.
- Don’t freeze food in metal containers as you may want to microwave it straight from the Freezer.
- Use special Freezer bags available from supermarkets, Freezer film, polythene bags, plastic containers, aluminum foil for acidic foods (such as citrus fruits).
Do not use thin cling film or glass. Do not use used food containers (unless cleaned thoroughly first). - Exclude as much air from the container as possible. You could buy a special vacuum pump which sucks excessive air out of the packaging.
- Leave a small amount of “air space” when freezing liquids, to allow for expansion.
- You can use the space in the Freezer most efficiently if you freeze liquids (or solids with liquids, such as stew) in square blocks.
This is known as “performing” Pour the liquid into a polythene bag which is inside a square sided container. Freeze it like this, then remove it from the container and seal the bag.
How to use the ice-making box
Place the ice-making box in the upper position of the freezer compartment, so that it ices up as soon as possible.
Recommended storage periods
For recommended food storage time, refer to the information given on your food packaging.
Defrosting
After a period of use, a thin layer of frost will be formed on the freezer compartment inner wall (or evaporator) surface, which may affect the refrigeration effect if exceeding 5mm in thickness. In such case, you need to gently scrape the frost off using an ice scraper rather than the metal or sharp hardware. Frosts need to be cleared off every 3 months or so, and if the normal use of drawers and normal access of foods are affected by frosting, make sure to remove the frosts in a timely manner. Follow the following steps to remove frosts:
- Take out the frozen foods, shut off the mains power supply, open the refrigerator door, and gently remove the frosts from the inner wall with an ice scraper. To speed up the thawing process, you are suggested to place a bowl of hot water inside the refrigerator/freezer, and when the solid ice frosts become loose, use an ice scraper to scrape them off and then take them out.
- After defrosting, clean the refrigerator/freezer inside, and switch on the power supply.
Cleaning inside the Fridge/Freezer
After defrosting you should clean the Fridge/Freezer internally with a weak solution of bicarbonate of soda. Then rinse with warm water using a damp sponge or cloth and wipe dry. Wash the baskets in warm soapy water and ensure they are completely dry before replacing in the Fridge/Freezer. Condensation will form on the back wall of the Fridge; however it will normally run down the back wall and into the drain hole behind the salad bin.
The drain hole will have a “cleaning spike” inserted into it. This ensures that small pieces off food can not enter the drain.
After you have cleaned the inside of your Fridge and removed any food residues from around the whole, use the “cleaning spike” to make sure that there are no blockages.
Cleaning outside the Fridge/Freezer
Use standard non-abrasive detergent diluted in warm water to clean the Fridge/Freezer exterior.
The grille of the condenser at the back of the Fridge/Freezer and the adjacent components can be vacuumed using a soft brush attachment.
Do not use harsh cleaners, scouring pads or solvents to clean any part of the Fridge/Freezer
Moving the Fridge/Freezer
Location
Do not place your Fridge/Freezer near a heat source, eg. Cooker, boiler or radiator. Also avoid direct sunlight in outbuildings or sun lounges.
Leveling the Fridge/Freezer
Make sure the Fridge/Freezer is level. Use the rotating leveling feet at the front. If the Fridge/Freezer is not level, the doors and magnetic seal alignments will be affected and may cause your Fridge/Freezer to work incorrectly.
Do not turn on the Fridge/Freezer for 4 hours
After the Fridge/Freezer is in place it needs to be left for 4 hours. This allows time for the coolant to settle. Installation
Don’t cover or block the vents or grilles of your appliance.
NOTE: When the environment is high temperature and high humidity, if opening the refrigerator door too often, there will be some frost at the back of fridge part (inside of refrigerator) and the water in water tray(located on top of compressor) will overflow, This is not breakdowns. Please power off and clear the frost and water in time. Vacation Time
Turn off the refrigerator first and then unplug the unit from the wall outlet.
- Remove all the food.
- Clean the refrigerator.
- Leave the lid open slightly to avoid possible formation of condensation, mold, or odors.
- Use extreme caution in the case of children. The unit should not be accessible to child’s play.
- Short vacations: Leave the refrigerator operating during vacations of less than three weeks.
- Long vacations: If the appliance will not be used for several months, remove all food and unplug the power cord.
Clean and dry the interior thoroughly. To prevent odor and mold growth, leave the door open slightly: blocking it open if necessary or have the door removed.
How to save energy
- Install the refrigerator in the coolest part of the room, out of direct sunlight and away from heating ducts or registers.
Do not place the refrigerator next to heat-producing appliances such as a range, oven or dishwasher. - The refrigerator door should remain open only as long as necessary; do not place hot food inside the refrigerator.
- Organize the refrigerator to reduce door openings. Remove as many items as needed at one time and close the door as soon as possible.
- The refrigerator door should be properly closed to avoid increased energy consumption, and the formation of excess ice and or condensation inside.
- Constantly circulating cold air keeps the temperature homogenous inside the refrigerator. For this reason, it is important to properly distribute the food, to facilitate the flow of air.
- Cover foods and wipe containers dry before placing them in the refrigerator. This cuts down on moisture build-up inside the unit.
- Do not overcrowd the refrigerator or block cold air vents. Doing so causes the refrigerator to run longer and use more energy. Shelves should not be lined with aluminum foil, wax paper or paper toweling. Liners interfere with cold air circulation, making the refrigerator less efficient, which could cause food spoilage.
- During prolonged absences (example: vacations), it is advisable to disconnect the refrigerator, remove all the food, and clean it. The door should be left slightly open to avoid mold and unpleasant odors. This will not affect the refrigerator when it is reconnected.
- During short absences (example: holidays), the refrigerator can remain on. However, remember that prolonged power outages may occur while you are gone
Servicing
This product should be serviced by an authorized engineer and only genuine spare parts should be used.
Under no circumstances should you attempt to repair the appliance yourself.
Repairs carried out by inexperienced persons may cause injury or serious malfunctioning. Contact the local store where your purchase was made.
When the appliance is not in use for long periods, disconnect from the electricity supply, empty all foods and clean the appliance, leaving the door ajar to prevent unpleasant smells.
Lamps can only be replaced by the manufacturer, together with a part of the appliance.
Changing the light
- Before carrying out the bulb replacement always press and turn the thermostat control to dial to position “OFF”, then disconnecting the mains supply.
- Hold and lift up the light bulb cover.
- Remove the old bulb by unscrewing it in an anti-clockwise direction.
- Replace with a new bulb (Max.10W) by screwing it in a clockwise direction marking sure that it is secure in the bulb holder.
- Refit the light cover and re-connect your Fridge/Freezer to the mains supply and switch on.
Changing the lamp
The LED lamp is used by the refrigerator for lighting, which features low energy consumption and long service life. In case of any abnormality, please contact the after-sales personnel for visiting service.
The LED lamps can only be replaced by the after-sales personnel.
Lamp type: LED light.
Energy efficiency level: G
Simple fault analysis and elimination
With regard to the following small faults, not every failure needs to be fixed by the technical service personnel; you can try to solve the problem.
With regard to the following small faults, not every failure needs to be fixed by the technical service personnel; you can try to solve the problem.
| Case | Inspection | Solutions |
|
|
|
|
|
|
|
|
|
|
|
|
Note: If the above descriptions are inapplicable to troubleshooting, do not disassemble and repair it yourself. Repairs carried out by inexperienced persons may cause injury or serious malfunctioning. Contact the local store where your purchase was made. This product should be serviced by an authorized engineer and only genuine spare parts should be used.
When the appliance is not in use for long periods, disconnect from the electricity supply, empty all foods and clean the appliance, leaving the door ajar to prevent unpleasant smells.
Warnings for disposal
Disposal
Old appliances still have some surplus value. An environmentally friendly approach will ensure that valuable raw materials are recycled.
The refrigerants used in your equipment and insulation materials require special handling procedures. Make sure there is no pipe damage on the back of the equipment before handling.
Up-to-date information on the options for disposing of old equipment and packaging from old equipment can be obtained from the local municipal office.
Correct Disposal of this product
This marking indicates that this product should not be disposed with other household wastes throughout the EU. To prevent possible harm to the environment or human health from uncontrolled waste disposal, recycle it responsibly to promote the sustainable reuse of material resources. To return your used device, please use the return and collection systems or contact the retailer where the product was purchased. They can take this product for environmental safe recycling.
- Refrigerant and cyclopentane foaming material used for the refrigerator are flammable. Therefore, when the refrigerator is scrapped, it shall be kept away from any fire source and be recovered by a special recovering company with corresponding qualification other than be disposed by combustion, so as to prevent damage to the environment or any other harm.
- When the refrigerator is scrapped, disassemble the doors, and remove gasket of door and shelves; put the doors and shelves in a proper place, so as to prevent trapping of any child.

Your Teknix appliance comes with a 2 year parts and labour guarantee Please REGISTER our appliance online at
You also have the option to EXTEND YO1UR WARRANTY To 5 years parts and labour To register your appliance or extend your warranty Please call 01759 487823
We, Teknix, undertake that if within 24 months of the date of purchase this appliance or any part thereof is proven to be defective by reason of mechanical or electrical failure we will at our discretion repair or replace the same free of any charge for labour, materials or carriage on condition that:
- The appliance has been correctly installed in accordance to manufacturers’ instructions.
- The appliance has been used for normal domestic purposes only and in accordance with our operating instructions.
- The appliance has not been repaired, taken apart or tampered with by any person not authorised by us.
- All repair work under this guarantee must be undertaken by the organisation or its authorised agents
- Proof of purchase is available on request
- If we decide your appliance cannot be repaired, or is uneconomical to repair, we’ll replace it with the same model. If that model is no longer available, we’ll discuss an alternative settlement with you.
- We reserve the right to charge for the expense of a service call if no fault has been found with the appliance after we have inspected it.
- All claims must be arranged via a call to us on 01759 487893. Without pre-authorisation it may result in the cost of claim not being reimbursed.
This guarantee is in addition to your statutory and other legal rights
Exclusions
- Damage resulting from transportation, improper use, or neglect.
- Appliance outside the United Kingdom.
- Consumer replaceable items including, but not limited to, batteries, light bulbs and other consumables.
- Cosmetic damage and/or non-functional parts, which do not affect the normal use of the product including for example cabinet, scratches and rust.
- Any loss suffered as a result of not being able to use the appliance or any loss other than the repair or the replacement cost of the product.
- Accidental or physical damages



















