Voltage Probe Manual and Data
North Star High Voltage, Inc.
Rev March 2021
Safety
High Voltage Safety is important. Always ground the probe to a reliable safety ground point near the measurement point. Do not touch the probe during high voltage operation. Stay away from malfunctioning high voltage equipment and ground it carefully if it must be touched. Failure to ground the probe near the device under test can also destroy the probe. Do not operate high voltage equipment when tired, distracted or under pressure.
13.56 Mhz users should use a 0 ohm series resistor for PVM1..PVM6
General
The PVM and VD series high voltage probes are RC dividers designed to produce precisely attenuated signals over a very wide bandwidth. The circuit diagram is shown below. The divider network consists of a high voltage network represented by a parallel capacitor and resistor, and a low voltage network which consists of a parallel RC network and a compensation circuit. The high voltage section of the voltage divider is in a polypropylene, polyethylene or FR4 oil filled housing. The low voltage section is on a circuit board inside the bottom of the handle (PVM series probes) or in the small rectangular box on the probe base (VD series probes). Placing the low voltage section in a secondary enclosure reduces noise and simplifies calibration.

Generalized Probe Configuration
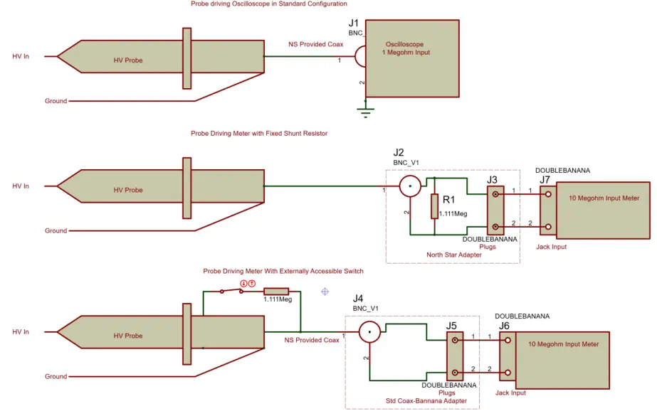
The probe is designed to produce the calibrated level of output with a 1 Megohm impedance on the measurement device, and with the specified cable length in place. See page 3 for use of the probe with meters with 10 Megohm input impedance.
Changes in cable length tend to change the calibration very approximately by 0.5 %/ft. for a typical 1000:1 probe. The 10,000:1 probes, including the VD series probes, have smaller variations in calibration with cable length.
The high voltage section of all probes (with the exception of PVM-11 and PVM-12) is insulated with Shell Diala-AX or Ergon Hivolt transformer oil which does not contain PCBs. The oil does not have any known toxic effects, although some individuals are mildly allergic to the oil. It is the same transformer oil used throughout the world in distribution transformers. People who have grid electricity are usually within 1 km of an oil-filled transformer, or usually much closer.
Input Impedance for Standard Operation
Standard probes are designed to operate into a 1 megohm oscilloscope. Operation into higher impedance devices such as multi-meters requires a parallel resistance for accurate measurement. For example, a 1.111 Megohm resistance can be placed in parallel with a yellow Fluke meter (10 Megohm input) to produce a 1 Megohm input impedance. Operation into lower impedance equipment requires factory changes. Read the manual of your measuring instrument to determine its input impedance since many meter manufacturers use different input impedances on different meter scales. Erroneous readings will result with all passive probes (not just our probes) when the wrong measurement impedance is used.

Proximity Effect and Exclusion Zone for VD probes
The “proximity effect” is the change in AC/pulse calibration when the probe is near ground or near a high voltage node. High voltage breakdown and partial discharge concerns, and high voltage safety concerns dictate that the probe should be spaced away from other conductors by a distance of at least 2 mm/kV rated (100 mm if the DC voltage is 50 kV for example). VD probes should be kept about one probe height away from interfering conductors to eliminate proximity effect entirely. Closer spacings are possible but should be checked for the proximity magnitude, and for high voltage breakdown and partial discharge concerns.
Proximity Effect for PVM-1 PVM-7, PVM-100
The PVM-1 PVM-7 and PVM-100 use a unique shielded design which both reduces proximity effects and increases the “speed” of measurement into the low nanosecond regime. Proximity effect at reasonable distances (10 cm) are too low to measure in the PVM1- PVM7 probes. The PVM-100 also has a shielded design but it has larger proximity effect than the PVM-1 PVM-7. Typical proximity effects for close distances to ground are in the range 0.2% for PVM1,2,3,4, 0.4 % for PVM5,6 and 0.7 % for PVM7.
The PVM-11/12 do not have fully shielded designs.
High Frequency Measurements
It may be necessary to improve the grounding of the probe in order to reduce oscillation and noise in very high voltage, high frequency (>20 Mhz) measurements. Specifically, a wide area ground from the bottom of the probe (or probe grounded corona shield) to the current return of the HV source, or additional individual grounds may be required.
All North Star probes use “double shielded cables including RG-223 and more recently Belden 1885a. It may be necessary to further shield the probe cables at the highest frequencies if a high amplitude pulse current “returns” to the source of current through the probe (this is a system problem). A significant cause of noise is often the ground loop which results if the probe cable carries some of the ground current. Inductive isolators on the probe signal cable can also be helpful in “choking” ground currents on shields if such currents occur.
Note that the impedance presented by the probe to the source at 50 Mhz with a probe with 8 pf. input capacitance is only 400 ohms, so currents matter at high frequencies. Probe currents above about 100 Hz are generally proportional to frequency.
Signal Ground vs “Safety Ground” vs “Neutral” vs Current Return
The various authorities who set standards for electrical grounding have considered the ground problem primarily from the standpoint of human and equipment safety. The ground line and earth ground were not designed as a means of making precision measurements. In general the probe ground and the oscilloscope ground should be connected to the “safety ground” system which is generally connected to the green wire. This should be connected to various ground planes and chassis wherever possible. Safety grounds and the building earth ground are generally connected but they may be far from each other. This leads to a voltage difference from place to place of V=IR + L(dI/dt) even if the two places nominally “ground”. An example of this voltage is a “Neutral” which is often connected to “Ground” somewhere (such as at a distribution transformer). There is generally a voltage difference between neutral and ground, and this difference may be very large in some situations (a motor start-up or a HV fault are two examples).
The probe ground should never be connected to neutral unless a technique is used to isolate the probe/scope system from human contact (fiber optic links for control and signal for example). The existence of ground and neutral makes sense only because the voltages on these two conductors are different. In a fault condition the two voltages will be very different.
The question of how to make the right connections is answered by a study and understanding of how currents flow. This understanding is often difficult or impossible to obtain, but a few ideas can be offered:
- Avoid using separate safety ground and signal ground systems in high voltage systems. Having a separate signal ground often creates the possibility of a lethal voltage difference between signal and safety ground.
- If separate safety ground and return wires must be used for other reasons we recommend the use of triaxial or shielded twisted pairs so the outer shield can still be at the safety ground potential. Consideration must still be given to the potential and connections of the measurement instrument.
- If high currents are present in a system look for places to connect close to the current loop but outside it.
- High voltages require components to be spaced, and all spaces create inductances. When currents flow on safety grounds, voltage differences are created.
- When choosing between two grounds, the probe ground should generally be connected to a ground which is not carrying current if that is possible.
- When considering grounds both fault conditions and expected conditions should be considered. High current faults increase danger (and noise) in general.
- High DC and AC currents in ground wires are do occur, particularly in faults and pulses. These will give steady offsets and AC offsets. If an offset seems to vary significantly, try looking at it with “line triggering” and it may be an AC current driven offset
- Be careful. If you feel a shock -even a small one – stop and find the cause. Resolve the problem before continuing. If there is a small shock in normal use, there is likely to be a big shock in a fault. A component may be charged or a supply may still be “on”.
- Small sparks that continually occur generally mean that a capacitance exists somewhere which is discharging through a high impedance or stray capacitance.
Probe HV Connections
In general, the ground clip lead should be connected to the ground of the equipment under test close (but not too close) to the voltage source, and the tip of the probe should be connected to the voltage source for PVM series probes. For VD series probes, the signal is connected to the top of the probe by a cable or wire of sufficient diameter, and the safety ground is connected to the base. At high frequency, the inductance of the ground path must also be minimized. One method of improving high speed measurement is to use multiple grounds in addition to the black ground lead provided (PVM probes). The cylindrical ground shield can also be used for ground connections. Wide area and large diameter conductors can be helpful in reducing inductance which is important for measurements involving frequencies above 10 Mhz (30 ns rise of faster).
Connections should be made with the equipment to be measured turned off. The BNC output cable should be connected directly to the oscilloscope, and in general the oscilloscope should be grounded to safety ground. Double-shielded coaxial cables are provided with all probes. The double shielded cable is essential at high frequencies and it is advantageous at low frequencies. Any 50 ohm (or 75 ohm if appropriate) cable can be used to connect to the measurement instrument as long as that cable has the right capacitance, but single shielded cables have couple more noise to the signal wire than double shielded cables.
It is important to avoid setups where the current of the source returns through the ground shield of the probe. The probe is not designed for this, and the IR drop or L(dI/dt) over the cable appears as an erroneous signal at the oscilloscope.
Changing the Cable
If you need to use a different coax cable than the one originally supplied, use the same cable type and length we originally supplied. Coaxial connectors can be placed in this cable (for example for penetrating screen room walls). Double shielded cables (RG-223 instead of RG-58 for example) reduce spurious noise, leading to better performance. The cable is not matched to a specific serial number probe because to cables of the same type and length have the same capacitance within a few pf. We provide replacement cables if required. Cables can be procured from a variety of companies and we simply recommend that replacement cables be of the same type and length as the cables we originally provide. It is not necessary to procure cables from North Star to retain the validity of the calibration, although we do stock replacement cables.
Oil Immersion
In some situations, it is useful to immerse the probes in oil. All of our probes are physically compatible with transformer oil Check with us regarding other fluids. The stray capacitances will change particularly in the VD probes and in the PVM-100 when the probes are immersed in oil. A calibration in-situ is recommended. We also offer our VD-XXXb probes for permanent oil immersion.
Troubleshooting
Repair of most probe problems will lead to a requirement for re-calibration. If there is a problem, disassembly of the probe high voltage section is not recommended. Except in unusual situations, North Star will repair the probe without question if it is under warranty. It is much easier for us to ascertain the problem if the probe has not been modified by the user when it is returned to us.
If the probe has no signal output, but is not shorted to ground, the problem may be a poor connection in the tap-off box. The tap-off box can be inspected, and if wires are loose they should be reconnected. Do not adjust the potentiometers in the tap-off box, or re-calibration will be required.
The largest source of problems is systems which have an unexpected input impedance different from 1 Meg (subject to the presence of the switch option). The probes cannot be used with oscilloscope 50 ohm inputs. 50 ohm termination is not required for North Star Probes because we have built-in reflection absorption devices.
Frequently Asked Questions
The web site page has a “FAQ” section FAQ – North Star High Voltage (highvoltageprobes.com) .
Removable Series Damping Resistor and Metal Insert


PVM-1…PVM-7 and PVM-100 probes use a series resistor to damp high frequency oscillations which occur because the probe has capacitance, and all connections and circuits have inductance. Damping allows the user to see how the measurement changes within the bandwidth limits without oscillations. The resistor is intentionally removable because in some cases (13.56 Mhz signals of high amplitude for example) the resistor can overheat and fail. The resistor is removed by unscrewing the “nose screw” by hand and pulling the resistor out (integrated type) or turning the probe over and letting the parts fall out (low inductance style). The resistor assembly uses an M4 threaded banana plug. If you require a zero ohm insert please request one at the time of ordering the probe, or you can request one later if needed.
Standard Probe Data
Note that for AC from 1 Hz – 400 Hz AC RMS operating voltage = DC voltage/1.41
| Model Number | PVM-1 | PVM-2 | PVM-3 | PVM-4 | PVM-5 | PVM-6 | PVM-7 | PVM- 100 | PVM-11 | PVM-12 |
| Max DC/Pulsed V (kV) | 40/60 | 40/60 | 40/60 | 40/60 | 60/100 | 60/100 | 60/100 | 100/150 | 10/12 | 25/30 |
| Max Freq (Mhz.) -1 | 120 | 110 | 25 | 140 | 120 | 110 | 140 | – | 30 | 110 |
| -2 (2000:1) | 90 | 80 | (10k:1) | 100 | 90 | 80 | 100 | 90 | 30 | 80 |
| Cable Impedance (ohms) | 50 | 50 | 50 or 75 | 50 or 75 | 50 | 50 | 50 or 75 | 50 | 50 | 50 |
| Risetime (ns)DC – 2 | 3. | 3. | 12 | 3. | 3. | 3. | 3. | 4. | 6 | 3.0 |
| Hz.accuracy | <0.15% | <0.15% | <0.15 % | <0.1 % | <0.15% | <0.15% | <0.15 % | <0.15 % | <0.15 % | <0.15 % |
| 2 Hz. – 200 Hz. accuracy | <1 % | <1. % | <2. % | <1.5 % | <1% | <1% | <1.5 % | <1.5 % | <1.5 % | <1.5 % |
| 200 Hz. – 5 Mhz.accuracy | <1.5% | <1.5% | <3% | <1.5% | <1.5 % | <1.5 % | <2.% | <2.% | <2.% | <2.% |
| > 5 Mhz. Accuracy* | <4% | <7% | <4% | <5% | <4% | <7% | <7% | <5% | <4% | <5% |
| Input R/C(Megohm/pf) | 400/13 | 400/13 | 400/10 | 400/10 | 400/12 | 400/12 | 400/10 | 300/7 | 100/15 | 300/8 |
| Cable Length (ft./m) | 15/4.5 | 30/9 | 100/30 | 15/4.5 | 15/4.5 | 30/9 | 15/4.5 | 15/4.5 | 15/4.5 | 15/4.5 |
| Standard Divider | 1000:1 | 1000:1 | 10,000:1 | 1000:1 | 1,000:1 | 1,000:1 | 1,000:1 | 2,000:1 | 1,000:1 | 1,000:1 |
| Ratio | (100:1) | |||||||||
| Length (inches/cm.) | 17/44 | 17/44 | 17/44 | 17/44 | 19/47 | 19/47 | 7/18 | 23/57 | 7/18 | 9/23 |
Add -2 to any PVM-1 PVM-6, PVM-11 or PVM-12 part number for 2000:1 ratio
* Accuracy at higher frequencies applies with some consideration of bandwidth. The bandwidth is universally agreed to be the point at which signals are within “3db” of the ideal response. Between the bandwidth, and about 70% of the bandwidth (for example from 84 Mhz to 120 Mhz for a PVM-1) errors may be greater.
VD Probe Data
| Model Number | VD-70 | VD-100 | VD-150 | VD-200 | VD-300 | VD-400 |
| Max DC/Pulsed V (kV) | 70/120 | 100/160 | 150/240 | 200/300 | 300/420 | 400/550 |
| Max Frequency (Mhz.) | 20 | 20 | 20 | 16 | 12 | 8 |
| Cable Length (ft.) | 30 | 30 | 30 | 30 | 30 | 30 |
| DC accuracy | <0.1 % | <0.1 % | <0.1% | <0.1% | <0.2 % | <0.2% |
| 2 Hz. – 1 Mhz. Accuracy | 1% | 1% | 1% | 2% | 3% | 4 |
| >1 Mhz Accuracy | 3% | 3% | 3% | 3% | 4% | 4% |
| Resistance (Megohms) | 1000 | 1600 | 2000 | 2800 | 4500 | 7000 |
| Height (inches/cm.) | 20/50 | 24/60 | 30/75 | 35/90 | 54/135 | 72/180 |
| Diameter (in/cm.) | 11/28 | 11/28 | 12/29 | 20/51 | 24/61 | 24/61 |
| Capacitance (approx. pf) | 27 | 25 | 27 | 24 | 20-30 | 25-35 |
| Base Diameter(in/cm.) | 10/25 | 10/25 | 12/30 | 20/50 | 30/76* | 30/76* |
| Standard Divider Ratio | 10,000:1 | 10,000:1 | 10,000:1 | 10,000:1 | 10,000:1 | 10,000:1 |
Warranty
The probe is warranted against defects in parts and workmanship for one (1) year after the ship date from North Star. We will repair the probe if an electrical failure occurs during the first six (6) months after shipping irrespective of the cause of the fault. We do need to know the conditions of the fault for use in future design upgrades. Shipping from the customer site to North Star will be paid by the customer, and shipping from North Star to the customer will be paid by North Star. North Star will judge whether expedited means of shipping are required whenever North Star pays for shipping.
Mechanical damage due to dropping the probe and thermal damage may not be covered and should be discussed with North Star before returning the probe. Shipping damage should be reported to North Star immediately. Please do not open the probe high voltage section if warranty repairs are going to be requested. If you make a warranty claim please include the serial number and probe type.
Additional Resources
If you need a pulsed power formula try our pulsed power formulary. Download our well-known Pulsed Power Formulary at our web site: http://www.highvoltageprobes.com/downloads.html
HV Limits
The HV limits are determined by dielectric strength issues and in some cases by derating. In general a North Star probe has a pulse and a DC value. The DC value reflects the maximum DC value or continuous value of voltage the probe can be used at. For example the PVM-1 has a 40 kV continuous DC rating. There is no duty cycle limitation for any of our DC ratings on standard products.
For 50/60 Hz continuous signals in all probes:
Peak AC rating = DC rating => RMS AC Voltage Limit = DC Voltage Limit/1.41
Continuous is half a cycle or more (8 10 milliseconds)
Pulse Rating
The pulse rating reflects the fact that pulses of short duration interact with insulation in a more predictable manner than pulses of long duration (or DC). For example in a DC insulator charges move in a complex manner determined by local conductivity. During a short pulse such motion does not have time to occur. It also reflects the fact that the probes are inherently air insulated, and charge motion in air can occur over longer time scales. These phenomena are complex and so we have developed approximate rules to determine what the time scales are.
Examples of Applicability of Pulse Voltage Rating:
Full pulse rating at 1 Hz/10 usec pulse duration or shorter
1.5 X DC for VD series to 300 Hz/10 usec pulse duration
1.25 X DC for VD series to 4 kHz/10 usec pulse duration
1.25 X DC for PVM series to 300 Hz/10 usec pulse duration
The transition between pulse and DC is not well defined but lies somewhere between 10 usec and 1000 usec.
Specific examples:
Single pulse EMP Pulses
Lightning (1.2 us rise and 50 us fall)
Single cycle AC (8 10 ms half sine) value
Automotive Ignition waveform (3600 RPM)
RF Accelerator (300 Hz,10us)
Max rep rate for 10 us pulses at full pulse V
The full PVM pulse rating may be used.
The full PVM pulse rating may be used.
The DC value should equal the Peak AC
1.33XDC value for peak pulse voltages
1.25XDC value for peak pulse voltage 1 Hz
Derating in North Star Probes
Derating in HV probes in general, and North Star High Voltage HV probes specifically results from heating due to AC dielectric loss and capacitive ESR (equivalent series resistance). These are fundamentally AC (time dependent) effects which result as charges and polarization move in the dielectric. In the absence of time dependent applied signals (ie DC) no derating is required. The derating is the reduction from the peak DC voltage. In no case does the derating allow the user to exceed the limits in the “Pulse Rating” section above.
PVM1,2,3,4,5,6,7,100 use PTFE (formerly known as Teflon) dielectric. VD and other probes use C0G ceramics which are temperature stabilized and which do not exhibit measureable voltage nonlinearity. These dielectrics have very low loss, but not zero loss. In the limit where the loss tangent tan is fixed with frequency.
P ~ 2f(tan)((1/2)CV2)
If the AC is discontinuous over time periods faster than 1 second or so, the frequency is the average frequency of the event. For example if we have 20 Mhz for 10 % of the time over 0.1 seconds, that is effectively 2 Mhz for the purpose of determining derating.
When considering derating both the series damping resistor limit and the other deratings (capacitive loss deratings) must be considered. If the damping resistor is the limit, it should be replaced by a metal slug.
The damping resistor is only necessary for frequencies above 30 Mhz or risetimes faster than 10 ns.
It is worth noting that since the new style integral resistors were introduced (3 years ago to this date), less than 0.5% of the resistors have failed, and less than 0.25% of the probes in general have failed for derating reasons. It is in practice quite difficult to produce a voltage source which causes derating problems in one of our probes. The most common areas of derating concerns are industrial RF systems like 13.56 Mhz systems and radio transmitters.
Peak AC Voltage (kV)

Series Damping Resistor Repetition Rate and Average Power Limitations
The purpose of the resistor at the front of the on the PVM-1…PVM-7 and PVM-100 is to damp oscillations at frequencies above about 30 Mhz or for risetimes of 10 ns or faster. It generally damps higher frequencies >100 Mhz for PVM-1,2,3,5,6, and >150 Mhz for PVM-4 and PVM-7. The resistor offers no benefit for lower frequencies. Because the resistor is dissipative at high frequencies, it creates a more restrictive limit for probe “derating”.
For Pulses with a Risetime Tr (10-90) the max repetition rate is described by the following equation:
Max Rep Rate = 1.2*1011Tr/(C2V2)
Tr in microseconds, V in kV, C in pf
C= 8 PVM1,2,3
C= 5 PVM4
C= 6 PVM5,6
C= 3 PVM7,100
Example: PVM-7, 3 pf V=80 kV, Tr=0.01 us Max Rep = 1.2e11*.01/(3*80)^2 = 19 kHz
Example PVM-5 6 pf V=50 kV Tr= 0.5 us Max Rep = 1.2e11*0.5/(6*50)^2 = 660 khz
Contact North Star as needed at: [email protected]
5610 Rose Loop NE
Bainbridge Island, WA, USA 98110
(520)780-9030; (206)219-4205 FAX
http://www.highvoltageprobes.com
[email protected]


















