LB-LINK BL-M8811CU5BL-M8811CU5 802.11ac 433Mbps WiFi USB Module

Product Information
The BL-M8811CU5 is an 802.11a/b/g/n/ac 433Mbps WiFi USB module manufactured by SHENZHEN BILIAN ELECTRONIC CO., LTD. The module comes with a chipset and supports IEEE 802.11b/g/n and IEEE 802.11a/n/ac WLAN standards. It has an RF IPEX connector for external antenna support and operates on a DC 3.3V power supply. The module has a compact design with dimensions and can operate under an ambient temperature range of -20 to 70 degrees Celsius.
Pin Assignments
The module has six pins, namely NC, VDD33, UDM, UDP, GND, and IPEX. VDD33 is the DC 3.3V power supply pin, while UDM and UDP are USB transmitter/receiver differential pair pins. GND is the ground pin, and IPEX is the RF analog port for the external antenna.
Electrical and Thermal Specifications
The module has a recommended operating temperature range of -20 to 70 degrees Celsius and can operate under a supply voltage range of 3.1 to 3.5V. The current consumption of the module varies under different use cases, such as WiFi Unassociated, 2.4G/5G TX, and RX Active.
WiFi RF Specifications
The module supports both 2.4G and 5G WiFi RF specifications. The 2.4G specification supports IEEE 802.11b/g/n WLAN standards and operates under a frequency range of 2.4~2.4835GHz (2.4GHz ISM Band). The 5G specification supports IEEE 802.11a/n/ac WLAN standards and can operate under a frequency range of 5.15~5.25GHz, 5.25~5.35GHz, 5.47~5.73GHz, and 5.735~5.835GHz (5GHz ISM Band).
2.4G WiFi RF Specification
The 2.4G specification supports channels Ch1~Ch13 (For 20MHz Channels) and can achieve data rates of up to 54Mbps for IEEE 802.11g WLAN standard. The modulation techniques supported are DBPSK, DQPSK, CCK, BPSK, QPSK, QAM16, and QAM64.
5G WiFi RF Specification
The 5G specification supports channels and can achieve data rates of up to 433Mbps for IEEE 802.11ac WLAN standard. The modulation techniques supported are BPSK, QPSK, QAM16, QAM64, and QAM256.
Product Usage Instructions
The BL-M8811CU5 module can be used to add WiFi connectivity to devices that support USB connection.
Installation
To use the module, plug it into an available USB port on the device, and the device should automatically recognize it. If the device does not recognize the module, install the necessary drivers from the manufacturer’s website.
Antenna Connection
If an external antenna is required, connect it to the IPEX connector on the module.
Configuration
The module can be configured using the device’s operating system or software provided by the manufacturer. Follow the instructions provided by the operating system or software to configure the module.
Revision History
| Module Name: BL-M8811CU5 | |
| Module Type: 802.11a/b/g/n/ac 433Mbps WiFi USB Module | |
| Revision: V1.0 | |
| Customer Approval: | |
| Company: | |
| Title: | |
| Signature: | Date: |
| BL-link Approval: | |
| Title: | |
| Signature: | Date: |
| Revision | Summary | Release Date |
| 1.0 | Official release | 2020-03-03 |
Introduction
BL-M8811CU5 module is designed base on RTL8811CU. It supports IEEE 802.11a/b/g/n/ac 1T1R with high throughput data rate for WLAN products and provides the highest PHY rate up to 433.3Mbps. It combines a WLAN MAC, a 1T1R capable WLAN baseband, modem and offers stable, high-rate, long-distance wireless connectivity through external antenna. It can be used on the IP Camera/ Smart TV and other wireless devices easily.
Features
- Operating Frequencies: 2.4~2.4835GHz or 5.15~5.85GHz
- Host Interface is USB IEEE Standards: IEEE 802.11a/b/g/n/ac
- Wireless data rate can reach up to 433Mbps
- Connect to external antenna through IPEX connector
- Power Supply: DC 3.3V±0.2V main power supply
Block Diagram
General Specifications
| Module Name | BL-M8811CU5 WiFi USB Module |
| Chipset | RTL8811CU-CG |
| WiFi Standards | IEEE 802.11a/b/g/n/ac |
| Host Interface | USB2.0 |
| Antenna | Connect to the external antenna through IPEX connecter |
| Dimension | SMD 6Pin, 20.3*14.0*2.35mm (L*W*H) |
| Power Supply | DC 3.3V±0.2V @ 500 mA (Max) |
| Operation Temperature | -10℃ to +70℃ |
| Operation Humidity | 10% to 95% RH (Non-Condensing) |
Pin Assignments
Pin Definition
| No | Pin Name | Type | Description | Supply |
| 1 | NC | — | — | |
| 2 | VDD33 | P | DC 3.3V Power Supply | |
| 3 | UDM | I/O | USB Transmitter/Receiver Differential Pair | |
| 4 | UDP | I/O | USB Transmitter/Receiver Differential Pair | |
| 5 | GND | P | Ground | |
| 6 | IPEX | RF | IPEX connector |
P: Power, I: Input, O: Output, I/O: In/Output, RF: Analog RF Port
Electrical and Thermal Specifications
Recommended Operating Conditions
| Parameters | Min | Typ | Max | Units | |
| Ambient Operating Temperature | -20 | 25 | 70 | ℃ | |
| External Antenna VSWR | 1.92:1 | 2:1 | / | ||
| Supply Voltage | VDD | 3.1 | 3.3 | 3.5 | V |
Current Consumption
| Conditions : VDD=3.3V ; Ta:25℃ | |||
| Use Case | VDD Current (average) | ||
| Typ | Max | Units | |
| WiFi Unassociated (Linux) | 130 | 160 | mA |
| 2.4G 11Mbps TX (RF test) | 383 | 453 | mA |
| 2.4G HT40 MCS0 TX (RF test) | 352 | 403 | mA |
| 2.4G HT40 MCS7 TX (RF test) | 360 | 409 | mA |
| 5G VHT80 MCS0 TX (RF test) | 383 | 436 | mA |
| 5G VHT80 MCS9 TX (RF test) | 391 | 412 | mA |
| 2.4G RX Active (RF test) | 140 | 165 | mA |
| 5G RX Active (RF test) | 160 | 185 | mA |
WiFi RF Specifications
4G WiFi RF Specification
| Conditions: VDD=3.3V; Ta:25℃ | |
| Features | Description |
| WLAN Standard | IEEE 802.11b/g/n, CSMA/CA |
| Frequency Range | 2.4~2.4835GHz (2.4GHz ISM Band) |
| Channels | Ch1~Ch13 (For 20MHz Channels) |
| Modulation | 802.11b (DSSS): DBPSK, DQPSK, CCK; 802.11a/g (OFDM): BPSK, QPSK, QAM16, QAM64; 802.11n (OFDM): BPSK, QPSK, QAM16, QAM64; | ||
| Date Rate | 802.11b: 1, 2, 5.5, 11Mbps; 802.11g: 6, 9, 12, 18, 24, 36, 48, 54Mbps; 802.11n (HT20): MCS0~MCS7 6.5~72.2Mbps; 802.11n (HT40): MCS0~MCS7 13.5~150Mbps; | ||
| Frequency Tolerance | ≦±15ppm | ||
| 2.4G Transmitter Specifications | |||
| TX Rate | TX Power(dBm) | TX Power Tolerance(dB) | EVM(dB) |
| 802.11b@1~11Mbps | 17 | ±1.5 | ≦-15 |
| 802.11g@6Mbps | 15 | ±1.5 | ≦-15 |
| 802.11g@54Mbps | 15 | ±1.5 | ≦-25 |
| 802.11n@HT20_MCS0 | 14 | ±1.5 | ≦-10 |
| 802.11n@HT20_MCS7 | 14 | ±1.5 | ≦-28 |
| 802.11n@HT40_MCS0 | 14 | ±1.5 | ≦-10 |
| 802.11n@HT40_MCS7 | 14 | ±1.5 | ≦-28 |
| 2.4G Receiver Specifications | |||
| RX Rate | Min Input Level(dBm) | Max Input Level(dBm) | PER |
| 802.11b@1Mbps | -96 | -5 | < 8% |
| 802.11b@11Mbps | -87 | -5 | < 8% |
| 802.11g@6Mbps | -90 | -5 | < 10% |
| 802.11g@54Mbps | -73 | -5 | < 10% |
| 802.11n@HT20_MCS0 | -89 | -5 | < 10% |
| 802.11n@HT20_MCS7 | -69 | -5 | < 10% |
| 802.11n@HT40_MCS0 | -87 | -5 | < 10% |
| 802.11n@HT40_MCS7 | -68 | -5 | < 10% |
5G WiFi RF Specification
| Conditions: VDD=3.3V; Ta:25℃ | |
| Features | Description |
| WLAN Standard | IEEE 802.11a/n/ac, CSMA/CA |
| Frequency Range | 5.15~5.25GHz; 5.25~5.35GHz; 5.47~5.73GHz; 5.735~5.835GHz (5GHz ISM Band) |
| Channels | Ch36, Ch40, Ch44, Ch48; Ch52~Ch64; Ch100~Ch140; Ch149~Ch165 (For 20MHz Channels) | ||
| Modulation | 802.11a (OFDM): BPSK, QPSK, QAM16, QAM64; 802.11n (OFDM): BPSK, QPSK, QAM16, QAM64; 802.11ac (OFDM): BPSK, QPSK, QAM16, QAM64, QAM256; | ||
|
Date Rate | 802.11a: 6, 9, 12, 18, 24, 36, 48, 54Mbps; 802.11n (HT20): MCS0~MCS7 6.5~72.2Mbps; 802.11n (HT40): MCS0~MCS7) 13.5~150Mbps; 802.11ac (VHT20): MCS0~MCS8 6.5~86.7Mbps; 802.11ac (VHT40): MCS0~MCS9 13.5~200Mbps; 802.11ac (VHT80): MCS0~MCS9 29.3~433.3Mbps; | ||
| Frequency Tolerance | ≦ ±15ppm | ||
| 5G Transmitter Specifications | |||
| TX Rate | TX Power(dBm) | TX Power Tolerance(dB) | EVM(dB) |
| 802.11a@6Mbps | 13 | ±2 | ≦-10 |
| 802.11a@54Mbps | 13 | ±2 | ≦-25 |
| 802.11n@HT20_MCS0 | 12 | ±2 | ≦-10 |
| 802.11n@HT20_MCS7 | 12 | ±2 | ≦-28 |
| 802.11n@HT40_MCS0 | 12 | ±2 | ≦-10 |
| 802.11n@HT40_MCS7 | 12 | ±2 | ≦-28 |
| 802.11ac@VHT80_MCS0 | 11 | ±2 | ≦-10 |
| 802.11ac@VHT80_MCS9 | 11 | ±2 | ≦-32 |
| 5G Receiver Specifications | |||
| RX Rate | Min Input Level(dBm) | Max Input Level(dBm) | PER |
| 802.11a@6Mbps | -89 | -5 | < 10% |
| 802.11a@54Mbps | -72 | -5 | < 10% |
| 802.11n@HT20_MCS0 | -87 | -5 | < 10% |
| 802.11n@HT20_MCS7 | -69 | -5 | < 10% |
| 802.11n@HT40_MCS0 | -86 | -5 | < 10% |
| 802.11n@HT40_MCS7 | -67 | -5 | < 10% |
| 802.11ac@VHT80_MCS0 | -82 | -10 | < 10% |
| 802.11ac@VHT80_MCS9 | -57 | -10 | < 10% |
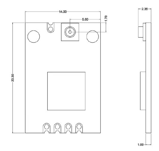
Mechanical Specifications
Module Outline Drawing
Module dimension: 20.3*14.0*2.35mm(L*W*H; Tolerance: ±0.15mm)
Module Bow and Twist:≤0.1mm
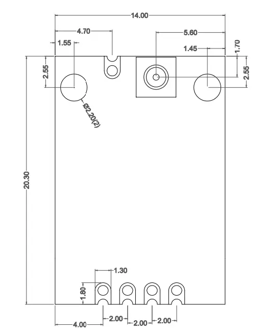
Mechanical Dimensions
Application Information
Typical Application Circuit
Recommend PCB Layout Footprint
Reflow Soldering Standard Condition
Please use the reflow within 2 times. Set up the highest temperature within 250℃.
Key Components Of Module
| No. | Parts | Specification | Manufacturer | Note |
| 1 | Chipset | RTL8811CU-CG | Realtek | |
|
2 |
PCB |
BL-M8811CU5 | Shenzhen Tie Fa Technology | |
| Guangdong KINGSHINE ELECTRONICS CO. LTD | ||||
| MILLION SOURCE PRINTED CIRCUIT BOARD CO., LTD | ||||
| Quzhou Sunlord Electronics Co., Ltd | ||||
| 2 | Crystal | 40MHz-15pF-10ppm- 2520 | HUBEI TKD ELECTRONICS | |
| TECHNOLOGY CO., LTD | ||||
| HOSONIC ELECTRONIC CO., LTD | ||||
| 3 | Diplexer | DPX105850DT-6019A1 | TDK China Co., Ltd |
Package and Storage of Information
Package Dimensions
Package specification:
- 90 modules per blister plate and 1000 modules per
- The blister is bound with a wire membrane and put into an anti-static vacuum
- Put 1 bag of dry beads (20g) in each anti-static vacuum bag. 1pcs 3 point humidity
- The outer box size is 2*21.5*15.5cm.
Storage Conditions
Absolute Maximum Ratings:
Storage temperature:
-45℃ to +85℃,
Storage humidity:
10% to 95(Non-Condensing) Recommended Storage Conditions:
Storage temperature:
5℃ to +40℃, Storage humidity: 20% to 90% RH
Please use this Module within 12 months after vacuum-packaged. The Module shall be stored without opening the packing. After the packing is opened, the Module shall be used within 72 hours. When the color of the humidity indicator in the packing changes, the Module shall be baked before soldering. Baking condition: 60℃, 24 hours, 1time.
ESD Sensitivity:
The Module is a static-sensitive electronic device. Do not operate or store near strong electrostatic fields. Take proper ESD precautions!
EU Declaration of Conformity for (RED) 2014/53/EU
We, Shenzhen Bilian Electronic Co., Ltd.
hereby, declare that the essential requirements set out in the (RED) 2014/53/EU have been fully fulfilled on our product with the indication below:
- Product Name: 802.11a/b/g/n/ac 433Mbps WiFi USB
- Module Model / Brand Name: BL-M8811CU5/ N/A
- Hardware version: V1.0 Software version: V1.0
- Manufacturer: Shenzhen Bilian Electronic Co., Ltd.
- Address: Room 501, Building 3, No. 32, Dafu Road, Zhangge Community, Fucheng Street, Longhua District, Shenzhen City, China Operation
- Frequency: 2412 MHz to 2472 MHz 5180 MHz to 5320 MHz 5500 MHz to 5700 MHz 5745 MHz to 5825 MHz
- Transmit Power: 2412 MHz to 2472 MHz: 7.81dBm 5180 MHz to 5320 MHz: 12.83 dBm 5500 MHz to 5700 MHz: 12.24 dBm 5745 MHz to 5825 MHz: 11.75 dBm
The following standards have been applied for the investigation of compliance:
- ETSI EN 301 489-1 V2.2.3
- ETSI EN 301 489-3 V2.1.1
- ETSI EN 301 489-17 V3.2.4
- ETSI EN 300 328 V2.2.2
- ETSI EN 300 440 V2.2.1
- ETSI EN 301 893 V2.1.1)
- EN 62479: 2010
- EN 50663: 2017
- EN 62368-1:2014+ A11:2017
And apply notified body assessment:
Notified Body number 0980 Eurofins Electrical and Electronic Testing NA, Inc. 914 WEST PATAPSCO AVENUE BALTIMORE, MARYLAND 21230
Furthermore, the ISO requirement for the in-process quality control procedure as well as the manufacturing process has been reached. The technical document as well as the test reports will be kept for a period of at least 10 years after the last product has been manufactured at the disposal of the relevant national authorities of any Member State for inspection. Detailed contact information for this declaration has been listed below as the window for any issues relevant to this declaration.
Manufacturer Contact
Name (in print): Liang Banghuan
Title: PM
Company name: Shenzhen Bilian Electronic Co., Ltd.
Tel: 18118768735
[email protected]
FCC Statement
This device complies with part 15 of the FCC Rules. Operation is subject to the following two conditions:
- This device may not cause harmful interference, and
- this device must accept any interference received, including interference that may cause undesired operation. Any Changes or modifications not expressly approved by the party responsible for compliance could void the user’s authority to operate the equipment.
Note: This equipment has been tested and found to comply with the limits for a Class B digital device, pursuant to part 15 of the FCC Rules. These limits are designed to provide reasonable protection against harmful interference in a residential installation. This equipment generates uses and can radiate radio frequency energy and, if not installed and used in accordance with the instructions, may cause harmful interference to radio communications.However, there is no guarantee that interference will not occur in a particular installation. If this equipment does cause harmful interference to radio or television reception, which can be determined by turning the equipment off and on, the user is encouraged to try to correct the interference by one or more of the following measures:
- Reorient or relocate the receiving antenna. -Increase the separation between the equipment and receiver.
- Connect the equipment into an outlet on a circuit different from that to which the receiver is connected.
- Consult the dealer or an experienced radio/TV technician for help.
The Module is designed to comply with the FCC statement. FCC ID is 2AL6KBL-M8811CU5. The host system using Module, should have label indicated it contain modular’s FCC ID: 2AL6KBL-M8811CU5. This radio module must not installed to colocate and operate simultaneously with other radios in host system additional testing and equipment authorization may be required to operating simultaneously with other radio.
The Module and its antenna must not be co-located or operating in conjunction with any other transmitter or antenna within a host device.
The modular must be installed in the host that assigns by the Company name: Shenzhen Bilian Electronic Co.,Ltd. Model no. : BL-M8811CU5, if other host types used would need further evaluation and possible C2PC if they are not significantly similar to the one, tested The WIFI Module is deaigned for a compact PCB design .It should be installed and operated with host or other minimum distance of 20 centimeters between the radiator and your body.” To comply with FCC regulations limiting both maximum RF output power and human exposure to RF radiation, the maximum antenna gain including cable loss in a mobile-only exposure condition must not exceed 2dBi in the 2.4G band and 2.75dBi in the 5G band. The module uses an IPEX antenna interface and use dipole antenna,this antenna is sold with the module.
Notice to OEM integrator The end user manual shall include all required regulatory information/warnings as show in this manual. The OEM integrator is responsible for testing their end product for any additional compliance requirements required with this module installed. If the final product contains circuits of other FCC PART 15 Subparts, the final host product still requires Part 15 Subpart B compliance testing with the modular transmitter installed.
The intended use is generally not for the general public. lt is generally for industry/commercial use. The connector is within the transmitter enclosure and can only be accessed by disassembly of the transmitter that is not normally required, the user has no access to the connector. Installation must be controlled. Installation requires special training. This device complies with Part 15 of the FCC Rules. This equipment should be installed and operated with a minimum distance of 20 cm between the radiator and your body
Operations in the 5.15-5.35GHz band are restricted to indoor usage only.




















