Inspirados Roma 76 Gas Built Oven

PRECAUTIONS FOR USE
Warning:
- The use of a gas cooking appliance results in the production of heat and moisture in the room in which it is installed. Ensure that the kitchen is well ventilated: keep natural ventilation holes open or install a mechanical ventilation device (mechanical extractor hood)
- During use the appliances becomes hot. Care should be taken to avoid touching heating elements inside the oven
- Accessible parts may become hot during use. Young children should be kept away.
- Do not use harsh abrasive cleaners or sharp metal scrapers to clean the oven door glass since they can scratch the surface, which may result in shattering of the glass.
- If the supply cord is damaged, it must be replaced by the manufacturer, its service agent or similarly qualified persons in order to avoid a hazard.
- The appliance is not intended for use by persons (including children) with reduced physical, sensory or mental capabilities, or lack of experience and knowledge, unless they have been given supervision or instruction
- Children should be supervised to ensure that they do not play with the appliance
- Children less than 8 years of age shall be kept away unless continuously supervised.
- This appliance can be used by children aged from 8 years and above and persons with reduced physical, sensory or mental capabilities or lack of experience and knowledge if they have been given supervision or instruction concerning use of the appliance in a safe way and understand the hazards involved. Children shall not play with the appliance. Cleaning and user maintenance shall not be made by children without supervision
- Ensure that the appliance is switched off before replacing the lamp to avoid the possibility of electric shock.
USING THE OVEN
The various features of this oven are controlled via the knobs and buttons located on the control panels.
Notices: The first time you use your appliance, we recommend that you set the thermostat to the highest setting and leave the oven on for about half an hour with nothing in it, with the oven door shut. Then, open the oven door and let the room air. The odour that is often detected during this initial use is due to the evaporation of substances used to protect the oven during storage and until it is installed.
Notices: Place the dripping pan provided on the bottom shelf of the oven to prevent any sauce and/or grease from dripping onto the bottom of the oven only when grilling food or when using the rotisserie ( only available on certain models). For all other types of cooking, never use the bottom shelf and never place anything on the bottom of the oven when it is in operation because this could damage the enamel. Always place your cookware (dishes, aluminium foil, etc) on the grid provided with the appliances inserted especially along the oven guides.
The oven knob (B)
This knob is used not only to select the different oven modes, but also to choose the right cooking temperature from among the temperatures shown on the knob itself.(from 150 to 250) for the food to be cooked in the oven. The electronic ignition device of the oven is build into the control knob itself. To light the oven burner, press the oven knob “B” in all the way and turn it anti-clockwise, setting it to the Max position (keeping the oven door shut). Since the oven is equipped with a safety device, after lighting the burner keep knob “B” pressed in for about 6 seconds to allow the gas to pass until the safety thermocouple is heated. The electronic ignition device of the oven burner must not be activated for more than 15 seconds. If the burner fails to light after 15 seconds, stop pressing knob “B”, open the oven door and wait for at least one minute before your try to light the burner again. The cooking temperature is selected by matching the desired temperature with the reference mark on the control panel; the complete range of temperatures is shown below: The oven will automatically reach the temperature set, and the thermostat, which is controlled by the knob, will keep it constant.
Lighting the oven manually
In the event of a brief power failure, the oven burner can be lit by hand:
- Open the oven door
- Hold a match or lighter near the burner hold as shown in the figure, press knob “B”, in fully and turn it anticlockwise, setting it to the Max position. Since the oven is equipped with a safety device, after lighting the burner keep knob “B” pressed in for about 6 seconds to allow the gas to pass until the safety thermocouple is heated.

- Once the burner is lit, shut the oven door.
Importance Notice: should the burner flame accidentally go out, turn control knob “B” to the off position, open the oven door and wait for at least one minute before trying to light the burner again.
The grill knob (B)
Your oven is equipped with a gas burners. The extremely high and direct temperature of the grill makes it possible to brown the surface of meats and roastes while locking in the juices to keep them tender. The grill is also highly recommended for dishes that require a high temperature on the surface: such as beef steaks, veal, rib steak, filets, hamburgers etc. Press knob “B” in fully and set it to position the grill (which uses infrared rays) and the rotisserie motor (only available on some models) will come on, the latter will stay on as long as the grill is in operation.
Important: when using the grill, the oven door must be kept shut; for further details on show to use the rotisserie, please read the corresponding paragraph.
The rotisserie (only available on certain models)
To start the rotisserie, processed as follows:
- place the dripping pan on the 1st rack;
- insert the special rotisserie support on the 3rd rack and position the spit by inserting it through the special hole into the rotisserie at the back of the oven;
- start the rotisserie using knob “B” to select setting
Multi-Skewer Rotisserie
- Turn support 1 of gear box to a suitable angle, Connect gear box 2 to motor M as Fig. A.
- Install rotisserie kit as Fig. A and B. Insert one end of rotisserie to gear box 2, and place another end to position 1.

Notice: the oven door gets hot during cooking. Please keep children well away.
The oven light button (C)
This is the button indicated by symbol and allows you to turn the light on inside your oven to supervise cooking without having to open the oven door.
Timer(D) (only available on certain models)
To use the timer, the buzzer “D” must be wound up by turning the knob one full turn clockwise; then turn it back to the desired time so that the number of minutes on the knob matches the reference mark on the panel.
The grill indicator light (E)
This light comes on when the grill starts.
The valve lgnition(I)
This knob is used not only to select the different oven modes, but also to choose the right cooking temperature from among the temperatures shown on the knob itself (from 150 to 250) for the food to be cooked in the oven. The electronic ignition device of the oven is build into the control knob itself. To light the oven burner, press
the oven knob “I” in all the way and turn it, setting it to the
or
position, please refer to
Cooling ventilation
In order to cool down the temperature of their exterior, some models are equipped with a cooling fan that comes on by turning the selector knob “B”. During cooking, the fan is always on and a normal flow of air can be heard exiting between the oven door and the control panel.
Note: when cooking is done, the fan stays on until the oven cools down sufficiently.
Warning: do not use the oven in the event of a prolonged power failure if the cooling fan does not work.
Using the minute minder

The minute minder can be used independently of an oven cooking function for a time period of up to 60 minutes.
- To set the timer, turn the knob fully clockwise until it stops and then turn it back anticlockwise to the required time.
- The time period that has been set will expire when the control knob reaches zero, a brief audible signal will sound.
IMPORTANT: If you have the oven or grill in use whilst the timer is counting down. When the countdown ends, the oven will continue to heat. You must turn off the oven/grill using the oven function and temperature control knob.
How to remove the oven door
For a more thorough clean, you can remove the oven door. Proceed as follows:
- open the door fully
- lift up and turn the small levers situated on the two hinges;
- grip the door on the two external sides, shut it slowly but not completely;
- pull the door towards you, pulling it out of its seat;
Reassemble the door by following the above procedures backwards.

Replacing the oven lamp
- Disconnect the oven form the power supply by means of the omnipolar switch used to connect the appliance to the electrical mains; or unplug the appliance if the plug is accessible;
- Remove the glass cover of the lamp-holder
- Remove the lamp and replace with a lamp resistant to high temperature (300) with the following characteristics:
- Voltage: 110/120V
- Wattage: 15W
- Type E14
- Replace the glass cover and reconnect the oven to the mains power supply.

CONSEJOS PRÁCTICOS DE COCINA
The oven offers a wide range of alternahves which allow you to cook any type of food m the best possible way With time you will learn to make the best use of this versatile cooking appliance and the following dlrechons are only a guideline which may be varied according to your own personal experience
Baking Cakes
When baking cakes1 always place them in the oven after it has been preheated (about 15 minutes)The temperature is normally around 160’C. Do not open the door while the cake is baking in order to prevent it from dropping, in general.
Cooking Pizza
For tasty crispy pizzas:
- Preheat the oven for at least 15 minutes
- Use a light alumimum pBzza pan, placing it on the rack supplied wrth the oven. If the dnppmg pan is used, this will extend the cooking time, making it difficult to get a crispy crust;
- Do not open the oven door frequently while the pizza is cooking;
- If the pizza has a lot of toppings (three or four), recommend you add the mozzarella cheese on halfway through the cooking process.
Cooking Fish and Meat
When cooking white meat. fowl and fish, use temperature settings from 170 ~C to 190 C. For red meat that should be well done on the outside while tender and juicy in the inside, it is a good idea to start with a high temperature setting (200′:C-220-‘C) for a short t~me,then turn the oven down atterwards. In general, the larger the roast, the lower the temperature setting. Place tile meat on the centre of the grid and place the dripping pan beneath it to catch the fat. Make sure that the grid is inserted so that it is in the centreof the oven. If you would like to increase the amount of lrom below, use the Iow rack heights For savoury sts (especially duck and wild game), dress the meath lard or bacon on the top.
Using the Grill
Important: always use the grill with the oven door shul This will allow you both to obtain excellent results and 10 save on energy (approx, mately 10%). Use the R “grill” mode. placing the food under the centre of the grill.
Therefore the best results when using the grill modes are obtained by placing the grid on the lower racks (see cooking table) then, to prevent fat and grease from dripping onto the bottom of the oven and smoke from forming, place a dripping-pan on the 1st oven rack from the bottom.
INSTALACION DEL PRODUCTO
The appliance must be installed only by a qualified person in compliance with instructions provided. The manufacturer declines all responsibility for improper installation which may harm persons and animals and damage property.
Important: The power supply to the appliance must be cut off before any adjustments or maintenance work is done on it.
Positioning:
Important: this appliance may be installed and used only in permanently ventilated rooms in compliance with current National Norms. The following requirements must be observed.
- The room must be equipped with an exhaust system that vents the combustion fumes to the outside. It may consist of a hood or and electric fan that automatically starts each time the appliance is turned on.

A flue or branceed flue system Directly (only for cooking appliances) to the Outside - The room must also have a system that allows for normally. The flow of air needed for combustion must not be less than 2 m3/h per KW of installed power. The air circulation system may take air directly form the outside by means of a pipe with an inner cross section of at least 100 cm2; the opening cannot under any circumstances be blocked accidentally(Fig A), The system can also provide the air needed for combustion by indirect means. i.e. form adjacent rooms fitted with air circulation tubes as described above. However, these rooms must be common rooms, bedrooms or rooms with a fire hazard( Fig. B)
Details A Adjacent Room Room to be ventilated
- Liquefied petroleum gas is heavier than air and, therefore, settles downwards. Thus, rooms containing LPG cylinders must also be equipped with apertures to the outside for ventilation of gas in the event of leaks. LPG cylinders must not, therefore, be installed or stored in rooms or storage areas that are below ground level(cellars, etc.) whether they are partially or completely full. It is a good idea to keep only the cylinder being used in the room, positioned so that it is not subject to heat produced by external sources (ovens, fireplaces, stoves, etc.) which could raise the temperature of the cylinder to the above 50.
Prior to installation, ensure that the local distribution conditions (nature of the gas and gas pressure), and the adjustment of the appliance are compatible. The adjustment conditions for this appliances are stated on the label(or data plate) This appliance is not connected to a combustion products evacuation device. It shall be installed and connected in accordance with current installation regulations. Particular attention shall be given to the relevant requirement regarding ventilation.
Installation of Build-in Ovens
In order to ensure that build-in appliance functions properly, the cabinet containing it must be appropriate. The figure below gives the dimensions of the cut-out for installation under the counter or in a wall cabinet unit.
In order to ensure adequate ventilation, the back panel of the cabinet unit must be removed. Installing the oven so that it rests on two strips of wood is preferable. If the oven rests on a continuous, flat surface, there must an aperture of at least 45*860mm.

The panels of the adjacent cabinets must be made of heat resistant material. In particular, cabinets with a veneer exterior must be assembled with glues with glues which can withstand temperature of up to 100. In compliance with current safety standards, contact with the electrical parts of the oven must not be possible once it has been installed. To fasten the oven to the cabinet, open the door of the oven and attach it by inserting the 4 wooden screws into the 4 holes located on the perimeter of the frame.

Electrical Connection
Those ovens equipped with a three-pole power supply cable are designed to operate with alternating current with the voltage and frequency indicated on the data plate (located on the appliance) and in the instruction manual. The wire for earthing the appliance is yellow-green in color
Fitting on a power supply cable
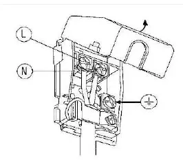
Opening the terminal board:
- Using a screwdriver, prise on the side tabs of the terminal board cover;
- Pull open the cover of the terminal board
To install the cable, proceed as follows:
- Remove the wire clamp screw and the three contact screws L-N
- Fasten the wires beneath the screwheads using the following color scheme;
Blue( N) Brown( L), Yellow- Green - Fasten the supply cable in place with the clamp and close the cover of the terminal board.


Connecting the supply cable to the mains
Install a standardized plug corresponding to the load indicated on the data plate. When connecting the cable directly to the mains, install an omnipolar circuit-breaker with a minimum contact opening of 3 mm between the appliance and the mains. The omipolar circuit breaker should be sized according to the load and should comply with current regulations (the earth wire should not be interrupted by circuit breaker). The supply cable should be positioned so that it does not reach a temperature of more than 50 with respect to the room temperature, anywhere along its length. Before making the connection, check that:
- the electrical safety of this appliance can only be guaranteed if the cooker is correctly and efficiently earthed, ways ensure that the earthing is efficient; if you have any doubts call in a qualified technician to check the system. The manufacturer declines all responsibility for damage resulting from a system which has not been earthed.
- Before plugging the appliance into the mains, check that the specifications indicated on the date plate (on the appliance and/or packaging) correspond to those of the electrical mains system of your home.
- Check that the electrical capacity of the system and sockets will support the maximum power of the appliance, as indicated on the data plate. If you have any doubts, call in a qualified technician.
- If the socket and appliance plug are not compatible, have the socket replaced with a suitable model by a qualified technician. The latter, in particular, will also have to ensure that the cross section of the socket cables are suitable for the power absorbed by the appliance. The use of adapters, multiple sockets and/or extensions, is not recommended. If their use cannot be avoided, remember to use only single or multiple adapters and extensions which comply with current safety regulations. In these cases, never exceed the maximum current capacity indicated on the single adapter or extension and the maximum power indicated on the multiple adapter. The plug and socket must be easily accessible.
Connection with rigid pipe (cooper or steel)
Connection to the gas system must be made in such a way as not tot cause any stress of any kind on the appliance. There is an adjustable L-shaped pipe fitting on the supply ramp to the appliance, whose watertightness is ensured by a seal. Should you need to turn the pipe fitting, you must in all cases replace the seal (provided with the appliance). The gas supply pipe fitting is a threaded 1/2 gas cylindrical male attachment.
Connecting a flexible jointless stainless steel pipe to a threaded attachment
The gas supply pipe fitting is a threaded 1/2 gas cylindrical male attachment. Only use pipe and seals that comply with the current National Norms. These pipes must be installed so that their length is never any longer than 2000mm when fully extended. Once the connection has been made, ensure that the flexible metal pipe does not touch any moving parts and is not crushed.
Checking that the connection is tight
When installation is complete, check the pipe fittings for leaks using a soapy solution. Never use a flame.
Adapting to different types of gas
In order to adapt the oven to a different type of gas with respect to the gas for which it was manufactured (indicated on the label), follow these simple steps: Replacing the oven burner nozzle Open the oven door fully Pull out the sliding oven bottom Unscrew the burner fastening screws Remove screw “V” and then the oven burner;

Unscrew the oven burner nozzle using the special socket spanner for the nozzles, or a 7mm socket spanner, and replace it with a nozzle suited to the new type of gas (see Table 1) Take particular care handing the spark plug wires and the thermocouple pipes Replace all the parts, following the steps described above in the reverse order

Regulating the primary air for the oven

Technical Specifications
- Inner dimensions of the oven
- Width: 594 mm
- Depth: 334 mm
- Height: 391 mm
Burner
The burner was designed not to need any adjustments to the primary air.
Minimum regulation of the oven door
Regulate the oven burner minimum: Turn the knob first to the Max setting for about 10 minutes and then to Min; Remove the knob Remove the disk fastened to the control panel Adjust the screw located outside the thermostat cock pin until the flame is small but steady ( the flame can be seen through the slots on the oven bottom)
N.B.: In this case of liquid gas, the regulation screw must be screwed in all the way.
Check that the burner does no turn off when you turn the knob from Max to Min quickly and when you open and close the oven door quickly.
Warning: On completion of this operation, replace the old drating sticker with one indicating the new type of gas used. This sticker is available from our Service Centers.
Note: should the pressure of the gas used be different (or vary) from the recommended pressure, it is necessary to fit a suitable pressure regulator onto the inlet pipe (in compliance with the current National Norms regarding “regulators for channeled gas”
Control Panel

- Valve knob for gas oven
- Swich Knob
- Minute Minder Knob























