Inspirados America 90 Built In Electric Oven

NOTE:
To purchase accessories and/or spare parts for this product, Contact us at the call center (depending on the number of your country that indicates the warranty certificate) or our social networks.
SAFETY WARNING
Thanks for buying a Drija oven. We are confident that with your new oven you will enjoy a pleasant culinary experience now and in the future.
Please read carefully all the instructions contained in this manual. It provides you with important information about the safe installation, use and maintenance of the appliance, as well as useful tips to get the most out of your oven. Keep this brochure in a safe place for future reference. After removing the packaging, check that the appliance is not damaged in any way.
Be careful not to leave packaging materials (plastic sheets, expanded polystyrene, etc.) where children can reach them, as they can be dangerous.
IMPORTANT:
Do not use the oven door handle to move the appliance, such as to remove it from the packaging.
ATTENTION:
The oven is a device that, by its nature, is heated, especially in correspondence with the glass door. Therefore, it is a good rule that children do not approach the oven when it is working, particularly when the grill is in use.
The first time you turn on the oven, an acrid smell of smoke may appear. This is caused by heating the adhesive used in the insulation panels surrounding the oven. There’s nothing unusual about this. If it happens, simply wait until the smoke disappears before putting food in the oven. Never burn or bake at the base of the oven.
Safety is a good habit to get in
- This appliance is designed for non-professional or industrial domestic use and its functions must not be changed.
- The electrical system of this appliance can be used safely only when properly connected to an efficient grounding system in accordance with current safety standards.
- The manufacturer is not responsible for damages that may arise from improper installation or incorrect, incorrect or irrational use of the appliance.
The following elements are potentially dangerous and appropriate measures should therefore be taken to prevent children and the disabled from contacting them:
- Controls and the device in general;
- Packaging (bags, polystyrene, nails, etc.);
- The appliance immediately after using the oven or grill due to the heat generated;
- The appliance when it is no longer in use (potentially hazardous parts must be safe).
- Avoid the following:
- Touch the appliance with wet parts of the body;
- Use of the appliance barefoot;
- Pulling the appliance or power cord to unplug it from the power outlet;
- Obstruct ventilation or heat dissipation slots;
- Allow small appliance power cords to come into contact with hot parts of the appliance;
- Expose the appliance to atmospheric agents (rain, sun);
- Use of the furnace for storage purposes;
- Use of flammable liquids near the appliance;
- Use of adapters, multiple plugs and/or extension cables;
- Attempt to install or repair the appliance without the assistance of qualified personnel.
Important:
- CURRENT 220-240 V/50-60HZ
- Have voltage protector.
PRODUCT DESCRIPTION

- A. Control panel
- B. Button to select the cooking functions.
- C. Knob to adjust the cooking temperature.
- D. Electronic cooking programmer
- E. Oven light: When the light is on, it indicates that the oven is heating up. It will turn off when the temperature setting is reached.
- F. Glass oven door
HOW TO USE YOUR OVEN
This oven combines the advantages of a traditional convection oven with those of a forced oven with a fan. It has extremely versatile functionality that allows you to easily and safely choose between 9 different cooking modes. You can access the selection of the different functions by placing the programmer in a manual position or by setting a start/end of the cooking program (see specific chapter on page 6) and successively by turning the selector (B) and thermostat knobs (C) on the control panel.
The functions are:
Oven light
When the selector knob is in any position other than the “0” position, the oven light turns on.
Attention:
The first time you use the oven, we recommend that you put the thermostat in the highest position and leave the oven on for about half an hour with nothing inside. Then open the oven door and let the room ventilate. The odor that is often detected during this initial use is due to the evaporation of substances used to protect the furnace during storage and until installation.
Convection mode
Set the thermostat knob (C) between 50oC and 250oC. The outer heating elements shall be lit at both the top and bottom of the furnace. Heat is evenly distributed from top to bottom. Convection mode is recommended for preparing meat-based dishes containing liquids in general. It is usually the best cooking mode for dried cakes and fruits in general. When cooking in convection mode, use only one drip tray or cooking grill at a time, otherwise, the heat distribution will be uneven. Select from the different grill heights depending on whether the dish needs more or less heat from the top or inferior.
Ventilated convection mode
Set the thermostat knob (c) between 50oC and 250oC. The outer heating elements are activated at both the top and bottom of the furnace, as well as the fan. Based on the convection model, this combination of characteristics increases the effectiveness of thermal radiation from heating elements through forced air circulation throughout the furnace. This helps prevent food from burning on the surface by allowing heat to penetrate the food.
Lower heating element
Set the thermostat knob (C) between 50oC and 250oC. Turning the knob to this position. The oven light and lower resistance are lit. This position is recommended to finish cooking food (on baking trays) that already have the outside well cooked but still soft inside.
Ventilated grill
Important:
Do not set the thermostat knob (C) to more than 175oC. During roasting, keep the oven door closed. All grill and fan components work. In this environment, the central heating elements of the top work. This will allow heat to penetrate the internal food and prevent the food surface from inginging.
Maxigrill
Important:
Do not set the thermostat knob (C) to more than 175oC. During roasting, keep the oven door closed. Both heating elements of the grill are activated. For a more intense roast, select this function.
Maxigrill ventilated
Important:
Do not set the thermostat control (C) to more than 175oC. During roasting, keep the oven door closed. Both grill heating elements are activated, as well as the fan and all grill components. This combination of characteristics increases the effectiveness of thermal radiation from heating elements by forcibly circulating air throughout the furnace. This helps prevent food from burning on the surface, allowing heat to penetrate the food.
Defrost
Select this function to defrost more delicate foods. This mode only uses cold air circulation. The thermostat light (E) indicates that the oven is heating up. When the light is turned off, the required temperature has been reached. When the light turns on and off alternately, it means that the thermostat is working properly to maintain the oven temperature.
Forced fan mode
Set the thermostat knob (C) between 50oC and 250oC. The circular heating element and fan will light up. The heat remains constant and uniform throughout the oven, the air cooks and dora food evenly throughout its surface. With this mode, you can also cook several dishes at the same time, as long as their respective cooking temperatures are the same. A maximum of 2 rack levels can be used at the same time. This cooking mode is ideal for gratins or those that require a long cooking time.
The excellent heat distribution allows for lower temperatures when cooking roasts. This results in less juice loss, tenderer meat and decreased roast weight loss. The forced fan mode is especially suitable for cooking fish, which can be prepared with the addition of a limited amount of seasonings, thus maintaining their taste and appearance. Forced fan mode can also be used to defrost white or red meats, fish, and bread by setting the temperature between 80oC and 100oC.
Multi-skewer steakhouse
This oven is equipped with a removable multi-skewer grill placed parallel to the back of the oven (Fig. A). Slide the meat to cook on the grill along, holding it in place with the adjustable forks. Using the skewers, slide the meat to cook on the provided skewers and place them on the corresponding supports.
Slide the brackets, “A” and “B” (Fig. A), into the corresponding holes in the drip tray, rest the end of the rod slot on the “D” guide, and slide the grille over the bottom guide (Fig.B). Then slide the rod into the hole for the motor shaft and place the grooved end of the rod on the “C” guide.
Start the motor by turning the knob to the grill position:![]()


Countdown
To set up a countdown, a signal sounds after time has elapsed. This function does not affect the operation of the furnace.
Cooking time
To set how long the oven will be used.
End time
To set when the oven should be turned off again.
Time
To set, query, or change the time.
Electronic Timer Operating Instructions (3 keys)
Before using it for the first time: Set up and change the current time. The oven only works when the time has been scheduled. When the appliance has been connected to the mains or when there has been a power outage, the Time function indicator flashes automatically.
- To change the time that has already been set, press the Selection button repeatedly, until the function indicator flashes.
- Set the current time with the or
button. w
After approx. 5 seconds, the flicker stops and the clock shows the configured time of day. The device is now ready for use. The time can only be changed if none of the automatic functions (cooking time or end time) have been set.![]()
How to use watch functions
- When a function is selected, the corresponding function indicator flashes for approximately 5 seconds. During this time, the desired times can be set using the or button.

- When the desired time has been set, the function indicator flashes for approximately another 5 seconds. Then the function indicator lights up. The set time begins to run.
- Press any of the buttons to stop the audible signal.
- The desired oven function and temperature can be selected before or after the cooking time clock functions. and end times
are
set.
When the cooking time is over, turn the oven function and the temperature selector back to the OFF position.
Turning off the time display
By turning off the time display, you can save power. Turning off the time display. Press and hold any two buttons until the screen darkens. Turning on the time display. Press and hold any button until the time reappears on the screen.
The display can only be turned off if none of the clock functions:
cooking time
End time
or countdown
is in use.
- Press Selection
repeatedly, until the countdown indicator
blink. - Using the
, set up the required countdown
(most 2 hours 30 minutes).- After approx. 5 seconds, the display shows the remaining time. The countdown function indicator
will light up.- When the time has elapsed, the function indicator flashes and an audible signal sounds for 2 minutes.
- Press any button to turn off the signal, cooking time

- After approx. 5 seconds, the display shows the remaining time. The countdown function indicator
Press Selection
repeatedly, until the Cooking Time function indicator
blink.
- Using the
or the button, set the required cooking time.
After approximately 5 seconds, the screen returns to the current time. The function indicator:
Cooking time will light up.
- After the time has elapsed, the function indicator will flash, an audible signal will sound for 2 minutes and the oven will turn off.
- Press any button to turn off the signal and the program.
End time![]()
- Press Selection
repeatedly, until the Function indicator End time
blink - Using the

or the button, set the desired shutdown time.
After approximately 5 seconds, the screen returns to the current time. The End Time function indicator will light up.
After the time has elapsed, the function indicator will flash, an audible signal will sound for 2 minutes and the oven will turn off automatically.
- Press any button to turn off the signal and the program.
Cooking time
and end time
Set
Cooking time
and end time
can be used simultaneously if the oven is to be turned on and off automatically at a later time.
- Using the Cooking Time function
set the time period the dish needs to cook. - Using the End Time feature
set the time at which the dish should be ready.
Function indicators: Cooking time
and time
is displayed on the screen.
The oven will automatically turn on at the appropriate time as calculated and turn off when the scheduled cooking time has elapsed.
HOW TO KEEP YOUR OVEN
Important:
Before cleaning your oven, or performing maintenance, disconnect it from the power supply. To extend the life of your oven, you should clean it frequently.
- Do not use steam equipment to clean the oven.
- Enamelled or stainless steel parts should be washed with warm water without the use of abrasive powders or corrosive substances.
- The inside of the oven should preferably be cleaned immediately after use, when it is still warm, with hot water and soap; soap should be rinsed and dry thoroughly inside. Avoid the use of abrasive detergents (e.g. powder detergents, etc…) and abrasive sponges for dishes or acids (such as softeners, etc…) as they could damage the enamel. If grease stains and dirt are particularly difficult to remove, use a special product to clean the oven, following the instructions provided in the package.
- If you use your oven for an extended period of time, condensation may form. Dry with a soft cloth.
- There is a rubber gasket around the opening of the oven that guarantees its perfect operation.
- Check the status of this stamp regularly. If necessary, clean it and avoid abrasive products or objects to do so. If it is damaged, contact the nearest domain after-sales service center. We recommend that you avoid using the oven until it has been repaired.
- Never line the bottom of the oven with foil, as the consequent build-up of heat could compromise cooking and even damage the enamel.
- Clean the glass door with non-abrasive products or sponges and dry it with a soft cloth.
Do not use strong abrasive cleaners or sharp metal scrapers to clean the glass from the oven door, as they may scratch the surface, which can cause the glass to break.
If you choose our self-cleaning oven, you can follow the instructions below:
Inside the oven door:
Clean the surface with a cloth moistened with hot water and non-abrasive liquid detergent, then rinse and dry thoroughly.
Inside the oven:
- The interior of your oven is coated with a special enamel of self-cleaning microporous enamel, which at a normal cooking temperature of between 200 and 300oC, completely oxidizes and removes all grease stains or other substances that inevitably attack the inner walls of the oven. In this way, the cleaning is minimized: in fact, it is only necessary to rub the surfaces of the oven with a damp cloth regularly, after cooking, to remove the thin layer of ash that may have been deposited during cooking. to keep the oven’s self-cleaning property intact.
- After cooking where the liquid has overflowed or when the dirt has not been completely removed (e.g. when roasting food, and the temperatures reached are not high enough for the full self-cleaning action of the enamel), we recommend leaving the oven at maximum temperature to remove all fat residues and the like.
- If, after prolonged use, you find obvious grease stains deposited on the walls of the self-cleaning oven, probably because you did not follow the above maintenance tips, clean the surfaces thoroughly with hot water and a soft cloth (do not use any detergent), then rinse and dry thoroughly.
- Do not remove dry clinging grease with sharp objects, as sharp objects may scratch the self-cleaning coating.
- Self-cleaning panels and enameled parts should be washed with warm water, and abrasive powders and avoid corrosive substances.
Replacing the lamp in the oven
- Disconnect the oven from the power supply using the monopolar switch used to connect the appliance to the mains; or unplug the appliance if the plug is accessible;
- Remove the glass lid from the lamp holder
- Remove the lamp and replace it with a high-temperature resistant lamp (300) with the following characteristics
- Voltage: AC110V-120V
- Power: 25 W
- Base: G 9

Replace the glass lid and reconnect the oven to the mains. 
WARNING:
Make sure the appliance is turned off before replacing the lamp to avoid the possibility of electric shock.
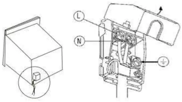
Mounting on a power cord
Opening the terminal board:
- Using a screwdriver, press the side tabs on the terminal board cover;
- Pull the terminal board cover to open it. To install the cable, proceed as follows:
- Remove the screw from the cable clamp and the three contact screws
- Secure the cables under the screw heads using the following color scheme; Blue (N), Brown (L), Yellow-Green
- Fix the power cord in place with the clamp and close the terminal board cover.

Connecting the power cord to the grid
Install a standardized plug corresponding to the load indicated on the data plate. When connecting the cable directly to the mains, install an omnipolar automatic switch with a minimum contact opening of 3 mm between the appliance and the network. The omnipolar circuit breaker must be sized according to the load and must comply with current regulations (the ground wire must not be interrupted by the circuit breaker). The power cord must be positioned so that it does not reach a temperature above 50oC with respect to the ambient temperature, anywhere in its length.
Before connecting, verify that:
- The electrical safety of this appliance can only be guaranteed if the furnace is grounded properly and efficiently. As a company, all liability for damages resulting from a system that has not been grounded is declined.
- Before plugging the appliance into the mains, check that the specifications indicated on the data plate (in the appliance and/or packaging) correspond to those of your home’s power grid.
- Check that the electrical capacity of the system and the plugs will support the maximum power of the appliance, as indicated on the data plate. If you have any questions, call a qualified technician.
- If the plug and plug of the appliance are not compatible, have a qualified technician replace the plug with a suitable model. The latter, in particular, shall also ensure that the cross-section of the socket cables is suitable for the power absorbed by the appliance. The use of adapters, multiple plugs, and/or extensions is not recommended.
This product should not be disposed of together with household waste. This product must be disposed of in an authorized place for recycling electrical and electronic equipment. Collecting and recycling waste, it helps save natural resources and ensures that the product is disposed of in a healthy and environmentally friendly manner.
Important:
If you decide not to use the oven anymore, you should leave it inoperative by cutting the power cord, after unplugging it from the power supply. Disused devices can pose a safety risk, as children often play with them. For this reason, it is advisable to make the oven safe. During operation, the glass door of the oven and adjacent parts of the appliance are heated. Therefore, make sure that the children do not touch the appliance.
Disassembly/assembly of the oven door
To facilitate the cleaning of the inside of your oven, the oven door can be removed, proceeding as follows (Fig. 1-2):
- Open the door completely and lift the 2 levers “B” (fig1);
- Now, by slightly closing the door, you can lift it by pulling the “A” hooks as shown in Fig 2.
- To reassemble the door:
- With the door upright, insert the two “A” hooks into the slots;
- Make sure the “D” seat is perfectly hooked on the edge of the slot (move the oven door back and slightly forward);
- Keep the oven door completely open, unhook the 2 “B” levers down and close the door again.

PRACTICAL COOKING TIPS
Using the grill
This oven offers three different roasting modes. Use the “Grill” setting to grill small portions such as toasted sandwiches, hot dogs, etc., to perfection. The “Maxigrill” position is the best for roasting food quickly. For better heat distribution, not only to brown the surface but also to cook the bottom, select the “Ventilated Maxigrill” function. This mode can also be used to brown food at the end of the cooking process.
Important:
Always use the grill with the oven door closed. This will allow you to get excellent results and save energy. When using any of the three roasting modes, it is recommended that the thermostat knob be rotated to 175oC, as it is the most efficient way to use the grill (which uses infrared rays). However, if necessary, the thermostat can be adjusted to lower temperatures by simply turning the knob to the desired setting. When using the grill, place the grill on the lower levels (see cooking table). To trap grease and avoid smoke, place the drip tray at the bottom grid level.
To bake cakes
When baking cakes, always place them in the oven after the oven has preheated. Be sure to wait until the oven has completely preheated (the red light “E” will turn off). Do not open the door while cooking the dough to prevent it from falling off. The dough should not be too liquid, as this will cause prolonged cooking times.
Cooking pizza
For best results when cooking pizza, use the “Forced Fan Mode”:
- Preheat oven for at least 10 minutes;
- Use a light aluminum pizza pan, placing it on the tray supplied with the oven. If the drip tray is used, this will prolong the cooking time, making it difficult to obtain a crunchy crust;
- Do not open the oven door frequently while cooking the pizza;
- If the pizza has many ingredients (three out of four), it is recommended to place the mozzarella cheese on top of half the cooking process
Cooking fish and meat
Meat should weigh at least 1 kg to prevent it from drying. When cooking white meats, poultry, and fish, use low-temperature settings (150oC-220oC). For red meats that should be well cooked on the outside and tender and juicy on the inside, it is a good idea to start with a high-temperature setting (200 c-220 c) for a short time and then turn off the oven. After. In general, the higher the roast, the lower the temperature setting. Place the meat in the center of the grill and place the drip tray underneath to collect the fat. Make sure the grille is inserted so that it is in the center of the oven. If you want to increase the amount of heat from below, use the low-height grids. For salty roasts (especially duck and game), season the meat with butter or bacon on top.
Cooking times may vary depending on the nature of the food, its homogeneity, and its volume. When cooking a certain food for the first time, it is advisable to choose the lowest values in the cooking time range indicated in the table and then increase them if necessary. The first guide lane is understood as the lowest position.
Safety is a good habit to adopt
- This appliance is designed for non-professional home use and its functions should not be changed.
- The electrical system of this appliance can be used safely only when properly connected to an efficient grounding system that complies with current safety standards.
- As a company, we are not responsible for damages that may arise from improper installation or improper, incorrect or unreasonable use of the appliance.
- The following elements are potentially dangerous and appropriate measures should therefore be taken to prevent children and the disabled from contacting them:
- Controls and apparatus in general;
- Packaging (bags, polystyrene, nails, etc.);
- The appliance immediately after use of the oven or grill due to the heat generated;
- The appliance is no longer in use (potentially hazardous parts must be protected).
- Avoid the following:
- Touch the oven with wet body parts;
- Use the oven barefoot;
- Pull the oven or power cord to unplug it from the outlet;
- Obstruct ventilation or heat dissipation slots;
- Allow the power cords of the small appliances to come into contact with the hot parts of the appliance;
- Exposure of the appliance to atmospheric agents (rain, sun);
- Use of the oven for storage;
- Use of flammable liquids near the appliance;
- Using adapters, multiple plugs, and/or extension cords;
- Attempt to install or repair the appliance without the help of qualified personnel.
WARNING:
Accessible parts will be heated when in use. To avoid burns and scalds, children should stay away. During use, the appliance is heated. Care should be taken not to touch the heating elements inside the oven.
Qualified personnel should be contacted in the following cases:
- Installation (following manufacturer’s instructions);
- In case of doubt about the operation of the furnace;
- Replacing the power outlet when not compatible with the oven plug. Domain Authorized Service Centers should be contacted in the following cases:
- If you have doubts about the solidity of the oven after removing it from the packaging;
- If the power cord has been damaged or needs to be replaced;
- If the oven breaks down or malfunctions; request original spare parts. It’s a good idea to do the following:
- Use the oven just to cook food, that’s all;
- Check the strength of the oven after unpacking;
- Disconnect the oven from the mains if it is not working properly and before cleaning or maintenance;
- When the oven is not in use for an extended period of time, cut off the power supply.
It is important that:
- Wear kitchen gloves to place kitchen utensils in the oven or when removing them;
- Always grab the oven door in the center because the ends may be hot due to hot air exhaust;
- Make sure that the control knobs are in the “O” position when the appliance is not in use;
- Cut the power cord after disconnecting it from the mains when you decide not to use the appliance anymore.
INSTALLATION
Important:
The oven should be cut off before any adjustment or maintenance is made.
Installation of built-in furnaces
To ensure proper operation of the built-in oven, the kitchen unit must be of a suitable size. The sizes of the unit to install the oven under a countertop or in a column a unit is shown in the figure.
To provide adequate ventilation, there must be adequate ventilation openings at the front and top 200 cm2, an exhaust opening at the bottom of at least 200 cm2 and an exhaust opening of at least 60 cm2. The panels of the unit next to the kitchen must be heat-resistant. In the case of plywood furniture, the tails should be resistant to a temperature of 120oC. In accordance with safety regulations, once the appliance is assembled, there should be no contact with the electrical parts. All protective parts must be ensured so that they can only be removed with the use of tools.
Fixing the oven
Insert the oven into the compartment; Open the oven door and attach the oven to the cabinet with the four screws, remembering to place the special spacers provided between the hole and the screw.
Electrical connection
Ovens with a three-pole power cord are designed to operate ac to the supply frequency and voltage indicated on the data plate (at the bottom of the furnace board). The ground conductor of the cable is the yellow-green conductor.
Connecting the power cord to the grid
The appliance must be connected directly to the mains by means of an omnipolar circuit breaker with a minimum contact opening of 3mm installed between the furnace and the mains, suitable for the indicated load and complying with current directives (the ground wire must not be interrupted by the circuit cutter). The power cord must be positioned so that it does not exceed 50oC more than the ambient temperature at any point in its length.
Before connecting, verify that:
- To limit valve and the home system can withstand furnace load (see data plate);
- The power supply system has an efficient grounding that complies with the provisions of current regulations;
- The socket or unipolar switch is easily accessible once the kitchen is installed.
- The manufacturer is not responsible for damages due to: incorrect installation, misuse, incorrect and irrational.
NOTE:
Do not use reducers, adapters, or shunts as they may cause overheating and burns.
Important:
- CURRENT 220-240 V/50-60HZ
- Have a voltage protector.



















