DRIJA Europa 60 GAS GRILL Gas Built Oven

SAFETY WARNINGS
Warning:
- The use of a gas cooking appliance produces heat and humidity in the room in which it is installed. Make sure the kitchen is well ventilated: keep the natural ventilation openings open or install a mechanical ventilation device (mechanical hood)
- During use, the appliances become hot. Care must be taken to avoid touching heating elements inside the oven
- Accessible parts may become hot during use. Young children should stay away.
- Do not use strong abrasive cleaners or sharp metal scrapers to clean the oven door glass, as they can scratch the surface, which can break the glass.
- If the power cord is damaged, it must be replaced by the manufacturer, its service agent or similarly qualified persons to avoid risks.
- The device is not designed to be used by people (including children) with reduced physical, sensory or mental abilities, or lack of experience and knowledge, unless they have received supervision or instruction
- Children should be supervised to ensure that they do not play with the device
- Children under 8 years of age will be kept away unless they are continuously supervised.
- This device can be used by children from 8 years old and people with reduced physical, sensory or mental abilities or lack of experience and knowledge if they have been given supervision or instructions on the use of the device in a safe and comprehensive manner. Dangers involved Children should not play with the device. Cleaning and user maintenance should not be performed by children without supervision.
- Make sure the appliance is switched off before replacing the lamp to avoid the possibility of electric shock.
HOW TO USE THE OVEN
The various features of this oven are controlled through the knobs and buttons located on the control panels.
Notices: The first time you use your appliance, we recommend that you set the thermostat to the highest setting and leave the oven on for about half an hour with nothing inside, with the oven door closed. Then, open the oven door and let the room ventilate. The smell that is often detected during this initial use is due to the evaporation of the substances used to protect the oven during storage and until it is installed.
Notices: Place the drip tray provided on the bottom shelf of the oven to prevent any sauce and / or grease from dripping into the bottom of the oven only when roasting food or using the grill (only available on certain models). For all other types of cooking, never use the bottom shelf and never place anything in the bottom of the oven when it is running, as this could damage the enamel. Always place your kitchen utensils (plates, aluminum foil, etc.) on the rack provided with the appliances inserted especially along the oven guides.
The oven knob
This knob is used not only to select the different oven modes, but also to choose the correct cooking temperature from the temperatures shown on the knob itself (from 150 to 250) so that food is cooked in the oven. The electronic ignition device of the oven is integrated in the control knob. To light the oven burner, press the oven knob “B” fully and turn it counterclockwise, adjusting it to the Max position. (Keeping the oven door closed). Since the oven is equipped with a safety device, after lighting the burner, press and hold the “B” knob for approximately 6 seconds to allow the gas to pass until the safety thermocouple is heated. The electronic ignition device of the oven burner must not be activated for more than 15 seconds. If the burner does not light after 15 seconds, stop pressing the “B” knob, open the oven door and wait at least one minute before attempting to light the burner again. The cooking temperature is selected by matching the desired temperature with the reference mark on the control panel; The full range of temperatures is shown below:
The oven will automatically reach the set temperature and the thermostat, which is controlled by the knob, will keep it constant.
Important notice: if the burner flame goes out accidentally, turn the control knob “B” to the off position, open the oven door and wait at least one minute before trying the burner again.
The grill knob
Your oven is equipped with an electric grill. The extremely high and direct temperature of the grill allows browning the surface of the meats and roasts, while blocking the juices to keep them tender. The grill is also highly recommended for dishes that require a high surface temperature: such as beef steaks, veal, ribs, steaks, hamburgers, etc.
Press the knob fully and adjust it to place the grill (which uses infrared rays) and the grill motor will turn on (only available on some models), the latter will remain on while the grill is running.
Important: when using the grill, the oven door must be kept closed; For more details about the program to use the grill, read the corresponding paragraph.
The grill (only available on certain models)
To start the grill, processed as follows:
- Place the drip tray on the 1st rack;
- Insert the special grill holder into the 3rd rack and place the grill by inserting it through the special hole in the grill at the back of the oven;
- Start the grill with the “B” button to select the setting

Warning: the oven door gets hot during cooking. Please keep children well away.
The grill indicator light
This light comes on when the grill starts.
Cooling ventilation
To cool your outdoor temperature, some models are equipped with a cooling fan that turns on when the selector knob “B” is turned. During cooking, the fan is always on and a normal flow of air can be heard coming out between the oven door and the control panel.
Note: when cooked, the fan stays on until the oven cools sufficiently.
Warning: Do not use the oven in case of a prolonged electrical failure if the cooling fan does not work.
Using the minute hand

The minute hand can be used independently of the oven cooking function for a period of up to 120 minutes.
To set the timer, turn the knob fully clockwise until it stops and then turn it counterclockwise until the required time.
The set period of time will expire when the control knob reaches zero, a brief audible signal will sound.
IMPORTANT: if you have the oven or grill in use while the timer is in countdown. When the countdown ends, the oven will continue to heat up. You must turn off the oven / grill using the oven function and the temperature control knob.
How to remove the oven door.
For deeper cleaning, you can remove the oven door. Proceed as follows:
- Open the door completely
- Lift and rotate the small levers located on the two hinges;
- Hold the door by the two external sides, close it slowly but not completely;
- Pull the door towards you, taking it out of your seat, reassemble the door following the previous procedures backwards.

Replacing the oven lamp
- Disconnect the oven from the power supply using the omni polar switch used to connect the appliance to the mains; or unplug the appliance if the plug is accessible;
- Remove the glass cover of the lamp holder
- Remove the lamp and replace it with a high temperature resistant lamp (300) with the following characteristics:
- Voltage: 220/240V
- Power: 15W
- Type E14
- Replace the glass cover and reconnect the oven to the mains.

INSTALLATION
The appliance must be installed only by a qualified person in accordance with the instructions provided. The manufacturer declines all responsibility for improper installation that could harm people and animals and damage property.
Important: The power supply of the appliance must be cut before performing any adjustment or maintenance work.
Positioning
Important: This appliance can be installed and used only in rooms with permanent ventilation in accordance with current national regulations. The following requirements must be met.
- The room must be equipped with an exhaust system that vents combustion gases outwards. It can consist of a hood or electric fan that turns on automatically every time the device is turned on.
A fireplace or a fireplace system braded directly (for appliances only) outside - The room must also have a system that allows it normally. The air flow necessary for combustion must not be less than 2 m3 / h per KW of installed power. The air circulation system can take air directly from the outside by means of a pipe with an internal cross-section of at least 100 cm2; the opening cannot be accidentally blocked under any circumstances (Fig. A). The system can also provide the air necessary for combustion by indirect means. that is, forming adjacent rooms equipped with air circulation tubes as described above. However, these rooms must be common rooms, bedrooms or rooms with fire risk (Fig. B)
Details A
Adjoining room
Room to be ventilated
- Liquefied petroleum gas is heavier than air and, therefore, is deposited down. Therefore, rooms containing LPG cylinders must also be equipped with outward openings for gas ventilation in case of leaks. Therefore, LPG cylinders should not be installed or stored in rooms or storage areas that are below ground level (warehouses, etc.), whether they are partially or completely filled. It is a good idea to keep only the cylinder used in the room, positioned so that it is not subject to the heat produced by external sources (ovens, fireplaces, stoves, etc.) that could raise the temperature of the cylinder to the above 50
Before installation, make sure that the local distribution conditions (nature of the gas and gas pressure) and the setting of the device are compatible.
The setting conditions for these devices are indicated on the label (or data plate)
This device is not connected to a combustion product evacuation device. It will be installed and connected in accordance with current installation regulations. Special attention will be given to the relevant requirements regarding ventilation.
Installation of built-in ovens
To ensure that the built-in device works properly, the enclosure containing it must be appropriate. The following figure shows the cutout dimensions for installation under the counter or in a wall cabinet unit.
To ensure adequate ventilation, the back panel of the cabinet unit must be removed. Installing the oven so that it rests on two strips of wood is preferable. If the oven rests on a flat and continuous surface, there should be an opening of at least 45×560 mm. 
The panels of adjacent cabinets should be made of heat resistant material. In particular, cabinets with outer sheet must be assembled with glues with glues that can withstand temperatures of up to 100.
In compliance with current safety standards, contact with the oven’s electrical parts should not be possible once it has been installed.
To fix the oven to the cabinet, open the oven door and secure it by inserting the 4 wooden screws into the 4 holes located in the perimeter of the frame.

Electric connection
Ovens equipped with a three-pole power cable are designed to operate with alternating current with the voltage and frequency indicated on the data plate (located on the device) and in the instruction manual. The cable for grounding the device is greenish yellow.
Mounting on a power cable
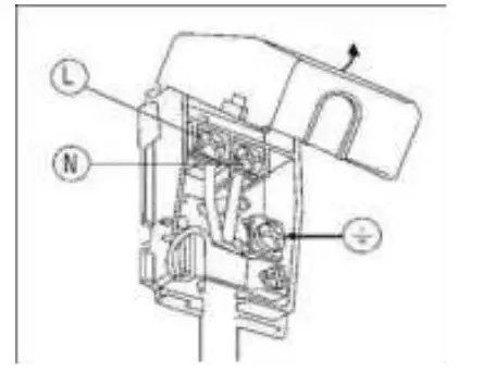
- Terminal board opening:
- Using a screwdriver, fix the side tabs on the terminal board cover;
- Open the cover of the terminal board.
To install the cable, proceed as follows:
- Remove the wire clamp screw and the three L-N contact screws
- Fasten the cables under the screw heads with the following color scheme; Blue (N) Brown (L), Yellow-Green
- Hold the supply cable in place with the clamp and close the terminal board cover.


Connection of the power cable to the mains.
Install a standardized plug corresponding to the load indicated on the data plate. When connecting the cable directly to the mains, install an omni polar circuit breaker with a minimum contact opening of 3 mm between the device and the mains. The unipolar circuit breaker must be sized according to the load and must comply with current regulations (the circuit breaker must not interrupt the ground wire).
The power cable must be positioned so that it does not reach a temperature of more than 50 ° C with respect to the ambient temperature, anywhere along its length.
Before making the connection, verify that: the electrical safety of this appliance can only be guaranteed if the kitchen is properly grounded and efficient, which ensures that the ground connection is efficient; If you have any questions, call a qualified technician to verify the system. The manufacturer declines all responsibility for damages resulting from a system that has not been grounded.
Before connecting the appliance to the mains, verify that the specifications indicated on the date plate (on the appliance and / or packaging) correspond to those of your home’s mains system.
Check that the electrical capacity of the system and the plugs will support the maximum power of the device, as indicated on the data plate. If you have any questions, call a qualified technician.
If the plug and plug of the appliance are not compatible, have a qualified technician replace the plug with a suitable model. The latter, in particular, will also have to ensure that the cross-section of the connection cables is suitable for the power absorbed by the apparatus. The use of adapters, multiple plugs and / or extensions is not recommended. If its use cannot be avoided, remember to use only single or multiple adapters or extensions that comply with current safety regulations. In these cases, never exceed the maximum current capacity indicated on the single adapter or extension and the maximum power indicated on the multiple adapter. The plug and socket must be easily accessible.
Adaptation to different types of gas.
To adapt the oven to a different type of gas with respect to the gas for which it was manufactured (indicated on the label), follow these simple steps:
- Replacing the oven burner nozzle
- Open the oven door completely.
- Remove the sliding bottom of the oven
- Unscrew the burner fixing screws
- Remove screw “V” and then the oven burner;
Unscrew the burner nozzle from the oven using the special nozzle wrench, or a 7 mm socket wrench, and replace it with a suitable nozzle for the new type of gas.
IF YOU INSTALL WITH GAS LPG IT IS NOT NECESSARY TO CHANGE YOUR OVEN.
Take special care when delivering spark plug wires and thermocouple tubes Replace all parts, following the steps described above in reverse order
Primary air regulation for the oven burner.
- The burner was designed to not need any adjustment to the primary air.
Minimum regulation of the oven door. - Adjust the oven burner minimum:
Turn the knob first to the Max setting for approximately 10 minutes and then to Min;
Remove the knob
Remove the disk attached to the control panel.
Adjust the screw located outside the thermostat key pin until the flame is small but stable (the flame can be seen through the grooves in the bottom of the oven)
Note: In this case of liquid gas, the adjustment screw must be completely screwed.
Check that the burner does not go out when you turn the knob from Max to Min quickly and when you open and close the oven door quickly.
Warning: at the end of this operation, replace the old adhesive label with one that indicates the new type of gas used. This sticker is available in our Service Centers.
Note: If the pressure of the gas used is different (or will vary) from the recommended pressure, it is necessary to place a suitable pressure regulator in the inlet pipe (in accordance with current national regulations regarding “regulators for piped gas”
SPECIFICATIONS
Technical specifications
Internal dimensions of the oven:
Width: 43.6 cm
Depth: 41cm
Height: 31.5cm
Total dimensions for the oven volume: 56 liters
- A. Control panel
- B. Oven knob / gas grill
- D. Timer Knob
- F. Drip tray or baking sheet
- G. Oven rack
- M. Convection fan Switch

CLEANING AND MAINTENANCE
OVEN CLEANING
Never use metal abrasive pads, abrasive cleaning products or very rigid brushes.
To clean the light cover, use only a household cleaning product, diluted with water, then rinse with clean water and dry with a soft cloth.
Once the product is clean, we recommend applying mineral oil or baby oil to the steel, with a dry and clean towel. For glass cleaning we suggest applying alcohol (with great caution) with a dry and clean towel.




A fireplace or a fireplace system braded directly (for appliances only) outside


Unscrew the burner nozzle from the oven using the special nozzle wrench, or a 7 mm socket wrench, and replace it with a suitable nozzle for the new type of gas.
Primary air regulation for the oven burner.



















