Operation manual
L8087
L8087 Car Tire Changer
Dear customers,
Very pleased that you will purchase and use the tire changer produced by our company.
Warning
- This instruction manual is the important part of the product. Please read it carefully.
- Keep it properly in order to maintain and service.
- This machine is only applied to mount, demount and inflate the tire in the specified scope and not for any other purpose.
- The manufacturer will not be responsible for the damage arising from the improper operation.
NOTE
- This machine should be operated by the special trained qualified personnel. When operating, the unauthorized personnel will be kept far away from the machine.
- Please note the safety label stuck on the machine.
- Operators should wear safety protective facilities such as working suit, protective glasses, and eye plug and safety shoes. Keep your hands and body from the movable parts as possible as you can. Necklace, bracelet and loosen clothing may cause dangerous to the operators.
- Tire changer should be installed and fixed on the flat and solid floor. The more than 0.5m of distance from the rear and lateral side of the machine to the wall can guarantee the perfect air flow and enough operation space.
- Do not place the machine in the site of high temperature, high humidity, and dust and with flammable and corrosion gas.
- Without the permission from the manufacturer, any change on the machine parts will cause injury/damage to the machine/operator.
- Pay special attention that the tire changer should be operated under the specified voltage and air pressure.
- If you want to move the tire changer, you should under the guidance of the professional service personnel.
Safety Label Instruction
| Be sure to read all warning labels and instruction manual prior to operation of this machine. | |
| Keep hands clear of bead area when inflating. | |
| Always wear safety glasses when operating this machine. | |
| Pinch point keep hand clear. | |
| Stand clear while inflating tire. Tire of wheel failure under pressure may cause serious injury of death. | |
| Moving parts do not wear loose clothing long hair of jewelry. | |
| When breaking bead, the bead breaking blade will quickly move leftwards. | |
| Note: when press the tire, the opened clamp cylinder may injury the hand of the operator. Remember, do not touch the sidewall of the tire. | |
| Do not reach any part of your body under the demount tool. | |
| When clamping the rim, do not reach your hand or other parts of the body in between the clamp& the rim. | |
| Do not stand behind the column to avoid the column from injuring the persons when swing. | |
| Electrical shock! |
model:
rated voltage:Phase voltage hertz
factory code:
Chapter 1 Brief Introduction
1.1 brief introduction
This tire changer is the tire changer featured with tilt and horizontal arm, suitable to mount, demount and inflate all types of car tire with tube and tubeless. The operation is easy, convenient and safety. It is the necessary equipment for the auto service shop and tire shop.
This equipment can be optional equipped with assist arm to mount and demount the low profile and stiff tire.Please kindly refer to the product brochure or consult the salesman to acquire the optional model of assist arm.
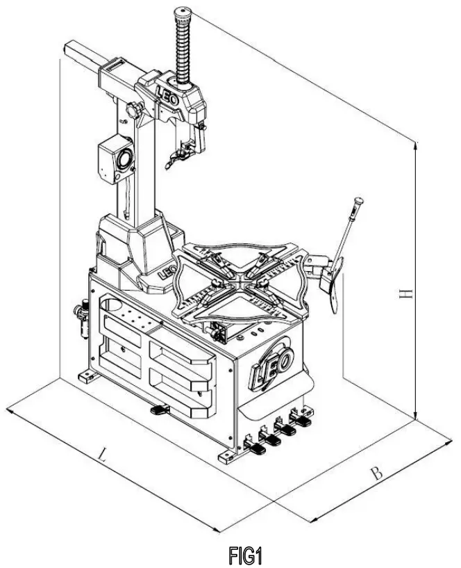
1.2 Overall dimension
| Model | I-I | L | B | NT |
| LC8087 | 1450 mm (57″) | 1200 mm (47.3″) | 1800mm-2150mm (70.9″-84.7″) | 310Kg 683.5 (LB) |
1.3Technical parameter
Work pressure:8-10bar
Motor parameter: 60Hz 110V 1.1Kw
Turntable speed: 6.5rpm
Working Noise: <70dB
1.4Application range
| Model | Max. wheel diameter | Max. wheel width | Rim diameter (outward clamp) | Rim diameter (inward clamp) |
| L8087 | 1100mm (43.3″) | 355mm ( 14″) | 10′–22′ | 12*- 25″ |
1.5 work environment
Environment temperature:0℃~45℃(32℉~113℉)
Relative humidity: 30~95%
Max. Altitude: 1000M (304.58 ft)
Without dust and without gas easy to explosive and rusty.
The space around machine is not less than indicated in Fig2.

Forbidden to be used in the place containing the gas flammable!
Chapter 2 Basic construction and operational part

- knob12—turntable turning pedal
- vertical shaft spring13—breaker blade
- handle valve 14—shift pin
- hexangular shaft15—bead breaker cylinder
- demounting head16—bead breaker arm
- clamping jaw17—vertical column
- turntable18—inflation gauge(GT model)
- clamping cylinder19—air tank(GT model)
- column tilt pedal20—exhaust valve (GT model)
- clamp pedal21—air regulator
- bead breaker pedal22—quick inflation pedal
Chapter 3 Installation and commission
Carefully read the manual before installation and the change on the parts of the machine without the permission of the manufacturer can cause the damage to the machine;
- Installation and commission person must have some knowledge relating to electrical;
- Operator must under the special training and pass the examination;
- You must carefully check the equipment list and contact the dealers or our company if you are in doubt;
- To ensure the installation and commission complete successfully, please prepare the following common tools:2pcs open spanners (10″), I pc socket key, 1pc hexangular spanner, 1pc pliers, 1pc screw, 1pc hammer and 1pc universal electric meter.
3.1 Open the box
3.1.1 In accordance with the instruction on the package box, open the package box and remove the package material and check if the machine is sounded and the accessories if completed.
3.1.2 Keep the package material far away from the working site and treat it well.
3.2 Install the parts detached
3.2.1 Installation of the air tank
- Remvoe the side panel and use 2 pcs M8x25 bolts to connect the air tank at the rear of the body.
- Use the flat washer(GB95-87)and elastic washer(GB93-87) and nut (GB6170-85) to fix the air tank in main body of machine.
- The condition of the machine after installation is as indicated in Fig4.
3.2.2 Install the air regulator
- Install the air regulator to the right side of the air tank using 2 pieces of M6x10 screw by 5# Allen key like FIG5.

- After installation air regulator, remove the straight connector which connect the two pcs ofφ8 PU hose like FIG6-1 & FIG6-2. (This connector can avoid the PU hose to back into the main body.
- Connect the PU hose into the connectors of air regulator like FIG6. (if the machine is without the GT function, just need to connect the hose like FIG6-1).
- If the machine has the air tank, connect the holes FIG7-A to FIG6-2 and FIG7-D to FIG7-F and FIG7-E to FIG6-2. (The “hole” FIG6-2 is the TEE)
3.2.3 Install the bead breaking arm
- As shown in FIG8,align the installation hole of bead breaking arm (FIG8-1)to the installation hole of bead breaking arm bracket (FIG8-2).
- Plug in the pin shaft screw (FIG8-3) and then tighten the lock nut (FIG8-4).

- As shown in Fig9, plug cylinder rod (FIG9-1) into the hole of bead breaking arm slide bush (FIG9-2).
- Twist the adjusting device (FIG9-3) onto the end of cylinder rod.
- Hang the spring (FIG9-4)like the FIG9.
3.2.4 Installation of the column assembly
- Position the column (FIG10-1) at the upper block of the body (FIG10-2). The surface of the column that label is stuck on should be forward.
- Align the installation hole and plug in the column rotation shaft (FIG10-3), and use the bolt (FIG10-4) to lock two sides.
- Connect of column with the tilt back cylinder:Align the hole (FIG11-2) at the end of the cylinder rod and the installation hole at the bottom of the column.
- Use the 10# Allen key to insert the bolt M12X50 (FIG11-1) to the body upper base like
- Connect the column and the tilt cylinder then fix them using nuts (FIG11-3).
3.2.5 Connect the inflation gun or inflation gauge.
- Take out the inflation gun then connect it the open nut and tighten it. Hang the gun to the hook after installation.
- Install the inflation gauge (FIG13-3): fix it to the installation hole at the side of column using two pcs M6 screws(GB70-85). Then connect theφ 8 hose (FIG13-1) on inflation gauge to the elbow (FIG13-2) on the machine body back (FIG13).
3.3 Air test:
- Column tilt back:Connect the air and press down the lock valve button(FIG3-3)to lock the horizontal arm. Step down column tilt pedal(FIG3-10)and the column tilt back by 25º.
- The tilt speed has been setup before ex-work at about 2seconds.After longtime of use, the speed will be fast or slow and on this condition, you can use the speed valve at the heads of the push-out cylinder to adjust. Loose the nut and turn adjust screw clockwise, the speed will be slow and it will be slow if counterclockwise, tight the nut after adjust. When the machine out of the factory, the air source fitting has been adjusted well and if you need to change, you can readjust.

- Before the machine out of the factory, the air regulator has been adjusted well and can be re-adjust if need.Adjust the pressure: lift-up the adjusting knob (FIG19-1) and rotate it clockwise, the pressure will raise. Otherwise, decline. Press down the adjusting knob after adjusting.
- Adjust the oil feed: twist the adjusting screw (FIG19-2) clockwise using the screw driver to slow the dripping speed and otherwise, quicken it.
CHAPTER 4 DEMOUNT AND MOUNT TIRE
Note: the operator must be trained and qualified then allow to operate the tire changer.Need to use the proper device and tools, wear the protective clothes, and use the proper safety precautions, like goggle, earplug, and safety shoe and so on.
4.1 BASIC PRINCIPLE
- In order to avoid damage the rim, especially the alloy rim, when mount and demount the ire, must use the specified crowbar.
- In order to facilitate the removal and protection the tire and rim, between the tire and rim, at the position which the bead break blade insert to, need to lubricate using industrial lubricants or soap water.
- For certain types of tires, pay attention to the tire wall and the rotation direction marked on the tire.
- The tire size must be suitable for the rim to mount.
- Before mount and demount the tire, need to check whether the rim had damage (deformation or surface of the outside of the rim, rim axial for radial beat is too big, corrosion or overall wear).
- In any case, pay attention to the mounting and demounting request of the special tire from the tire manufacturers.
- When inflate the tire, to increase the pressure uniformly and pay attention to the tire edge situation.
4.2DEMOUNT TIRE
- Deflate the air in the tire completely and pull out the core. Use the special tool to detach the weight on the rim. Place the tire between then bead breaking blade and tire pressing runner clog(FIG15).
- Then step down the tire press pedal(FIG3-11) to detach the rim from the tire. Repeat the same operation on the other parts of the tire to make the tire completely detached from the rim.

- Move the hexangular shaft to the working position to make the demount tool close to the rim of the wheel. The cylindrical roller in the demount tool will contact with the external rim of the rim and the bottom of the demount tool will contact with the surface of the rim.

- Press the lock handle press button(FIG3-3) to lock horizontal arm and hexangular shaft and the hexangular shaft will automatically move upwards. The quadric shaft will automatically backward a little to make the demount tool detached from the rim of the rim to avoid the damage on the rim(FIG16).
NOTE: The angle of the demount tool has been calibrated according to the standard rim (14″). If handling the extra-big or extra-small rim, you can reposition.
Use the crowbar to detach until the lip to the hump of the demount tool (FIG17). Step the turntable rotation pedal(FIG3-12) to rotate the turntable clockwise until the rim of the wheel fall off.
If the demount of the tire is jammed, please stop the machine immediately and then lift up the pedal to let the turntable rotate counterclockwise to remove the resistance!
- Take out the tube and then move up the lower lip to contact with the upper edge of the rim nd detach another lip (FIG18). Step the column tilt pedal (FIG3-9) and the column tilt backwards and at this moment, you can take off the tire.
4.3Mount tire
- Clean up the oil and rust on the rim and lock the rim on the turntable.
- Spread the lubrication liquid or soap liquid around the lip. Tilt the tire against the rim and keep the front end upwards. Press down the column tilt pedal (FIG3-9) to make the column return to the original position. Move the demount head to firmly contacted rim (FIG16). Position the left of the lip above the tail of the demount tool and the right under the hump of the demount tool (FIG18).

- Press down the right side of the tire as hard as you can and step turntable pedal (FIG3-12) to rotate the turntable clockwise to guide the lip into the tire detach slot completely.
- If there is tube, raise up the demount tool and put in the tube and position the core.

- Mount the demount tool again. Adjust the position of the upper lip. Use the assistant press roller and press to press the side of the tire to make partial of the lip into the tire detaching slot (FIG24). Step the turntable rotation pedal to rotate the tire. At this moment, continue pressing the lip just mounted on the rim.
- When 10~15cmof the tire not into the rim, change to the step mode. And observe the condition of the tire to avoid the tear of the tire. Once you feel there is any tear on the tire, release the pedal at once. Then lift up the pedal by instep to make the motor rotate reverse. Make the tire restore to the original condition to mount again.
4.4 Inflation
NOTE: When inflating the tire, please be carefully and series obey the operation process. Check the air route to see if the air connection is OK. This machine is equipped with an inflation device for monitoring the inflation of the tire and the inflation pressure.
- Loose the tire from the turntable.
- Connect the inflation hose with the tire air core.
- In the process of inflation, you should repeat stepping the inflation pedal. Confirm the pressure indicated on the pressure gauge not exceed the scope specified by the manufacturer. In this machine, there is a pressure decrease valve to keep theinflation pressure not exceed 3.5bar.
- For tubeless wheel with lax tire, the common inflation is invalid and can use the quick inflation then common inflation. (The quick inflation function is not standard configuration and need to special order).
- Step down the inflation pedalto the bottom position (second gear) and quickly release the pedal when the tireis full to the position of the first gear.
Note: the machine equips the reducing valve and set the pressure value at 3.5 bar. Customers can get different inflation pressure by adjusting the pressure decrease valve according to their own requirement.If the inflation pressure too high, you can press down the deflation press button on the inflation device to reach the required air pressure.
Warning! Explosive!
When inflation, you must follow the above safety operation and abide by the following instruction:
- Carefully check is the size of the rim same to the size of the tire and also check the wear condition of the tire to secure there is no damage before inflation.
- When the inflation pressure is relatively high, you should remove the tire from the machine and inflate in the protective cover.
- When inflate the tire, be carefully, keep your hands and body far away from the tire.
Chapter 5 Repair and maintenance
Note: Only the professional personnel can repair. Before any operations of repair and maintenance, you should power off and the power plug should be monitored by the repair personnel, meanwhile switch the pneumatic source and deflate the residual gas.
To correct use the tire changer and prolong its life,repair and maintenance in accordance with the operation manual is necessary. Or the running and reliability of the machine will be effected and the operator or the personnel around the machine will be injured.
5.1 The following parts will be maintained monthly:
- Keep the clean of machine and working site.
- Use the diesel oil to wash the hexangular shaft and quadrichorizontal arm (Fig20).
- Use the diesel oil to clean the turntable jaw and guide railand use the Lithium grease to lubricate.
- Periodically check the height of the in the oil fogger. If itis lower than the oil scale, please fill in the SAE30 grease. Periodically drill out the water and impurity in the oil-water separator.
- Periodically check and adjust the tension force of the transmission belt and properly adjust the adjustable nuts at the A and B position to adjust the tension of the belt.
- Check all the connecting part and tight the loose bolts.
5.1 The adjustment on the clearance between the tool head and rim.
- Switch off the pneumatic source and detach the protective cover on the hexangular shaft.If the clearance if too much, we can adjust the nuts (Fig21-A) on the vertical hexangular shaft downward by 16# spanner;If the clearance if too small we can adjust the nuts on the vertical hexangular shaft upward.
- Switch off the air source and detach the protective cover at the upper end of the horizontal arm.Use 5# spanner to loosen the lock nut (Fig21-C)on the M6 screw at the two end.Adjust the M6 screw,meanwhile use your hand to push the quadric shaft until it runs smooth and thenlock the nut.Use the spanner to adjust the screwin the middle and meanwhile lock the horizontal arm and observe the displacement. When the displacement is 2mm,lock the nut.
- If the square locking plate cannot lock firmly, adjust the taper locking pole.(FIG21-D)
CHAPTER 6 TRANSPORTATION
When transport the machine must apply the original package and place according to the mark on the package. The machine must be transported by the forklift with the corresponding tonnage(Fig22)and the stacked layer will not exceed 3layers.
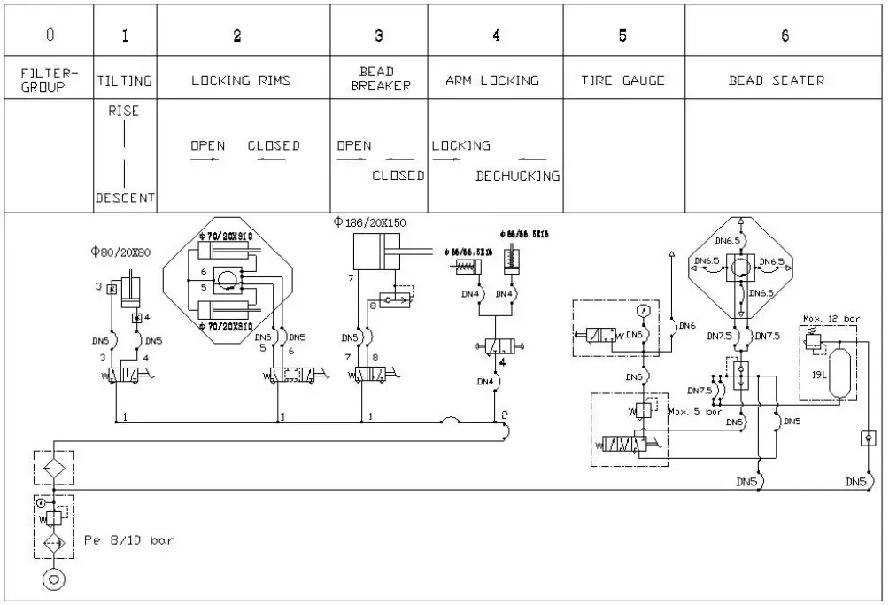
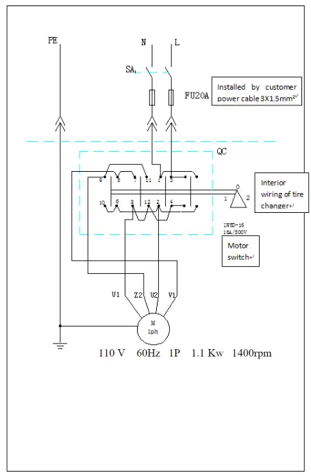
CHAPTER 7 ELECTCTRICAL AND PENUMATIC DRAWING
7.1 220V ELECTRICAL PRINCIPLE DRAWING
7.4 PNEUMATIC PRINCIPLE DRAWING

| CHAPTER | REASON | TROUBLESHOOTING |
| Turntable rotates in one direction. | Universal switch contact burned | Change Universal switch |
| Turntable does not rotate. | Belt damage Belt too loose Motor or power source have problems Universal switch contact damage | Change belt Adjust the tension of the belt Check motor, power source and power source cable Change motor if motor burned Change Universal switch |
| Turntable cannot clamp the rim as normal | Claw worn Clamp cylinder air leakage | Change claws Change the air leakage sealing parts |
| Quadric and hexangular shaft cannot lock | Lock plate not in position | Refer to the chapter V |
| Chassis pedal not return. | Pedal return spring damage | Chang torsion spring |
| Motor not rotate or the output torque not enough | Drive system jam Capacitor broken down Voltage not enough Short-circuit | Remove the jam Change capacitor Wait for the restore of the voltage Remove |
| Cylinder output force not enough | Air leakage Mechanic fault Air pressure not enough | Change sealing parts Remove the fault Adjust the air pressure to meet the requirement |
| Air Leakage | air hose broken pipe fitting broken sealing head broken loss of the sealing glue | Change broken parts Refill the sealing glue |
CHAPTER 9 EXPLODED VIEW OF MACHINE

| ITEM | PART. NO | DESCRIPTION. | QT.Y |
| 1 | C-L3-1100000 | BODY | 1 |
| 2 | CT-D-A100000 | PEDAL ASSEMBLY | 1 |
| 3 | CT-T-4100000 | GEARBOX ASSEMBLY | 1 |
| 4 | CT-DJ-0334122 | MOTOR (380V, 50Hz, 3P, 0.75Kw) | 1 |
| 5 | GB96.1-10 | LARGE WASHER A GRADE | 6 |
| 6 | GB5781-M10X200 | BOLT M10)(200 | 4 |
| 7 | GB5781-M10)(160 | BOLT M10)(160 | 2 |
| 8 | GB95-10 | FLAT WASHER | 16 |
| 9 | GB41-M10 | HEXANGULAR NUT | 18 |
| 10 | CT-DT-0000007 | BELT | 1 |
| 11 | GB93-10 | STANDARD SPRING WASHER | 2 |
| 12 | GB70.1-M10)(30 | INNER HEXA CYLINDRICAL SCREW | 2 |
| 13 | C-54-1000022 | PLUG C | 2 |
| 14 | C-54-1000028 | PLUG B | 1 |
| 15 | C-54-1000023 | PLUG A | 2 |
| 16 | CT-Q-5000000 | ROTATING UNION | 1 |
| 17 | CT-Q-6000000 | CLAMP RING | 1 |
| 18 | GB93-8 | STANDARD SPRING WASHER | 5 |
| 19 | GB70.1-M8><30 | INNER HEXA CYLINDRICAL SCREW | 1 |
| 20 | GB1096-C12><8)<45 | COMMON FLAT KEY | 1 |
| 21 | CT-LS-9200000 | BEAD BREAKER CYLINDER ASSEMBLY | 1 |
| 22 | CT-B-0000000 | BEAD BREAKER | 1 |
| 23 | C-54-1000016 | RUBBER WASHER | 1 |
| 24 | GB889.2-M18><1.5 | NUT M18X1.5 | 1 |
| 25 | C-54-1000010 | SCREWS MI4X42 | 2 |
| 26 | GB6172.1-MI4 | HEXANGULAR THIN NUT | 2 |
| 27 | C-54-1000013 | SEALED COVER | 1 |
| 28 | GB861.1-14 | INNER TOOTH LOCK WAHSER | 2 |
| 29 | GB5780-MI6)(100 | HEXANGULAR BOLT | 1 |
| 30 | GB95-I6 | FLAT WASHER | 1 |
| 31 | GB889.I-M16 | 1-TYPE PREVAILING TORQUE TYPE HEXAGON LOCK NUT | 1 |
| 32 | CT-C-2200000 | BEAD BREAKER BLADE | 1 |
| 33 | C-54-1000002 | WASHER | 1 |
| 34 | GB955-14 | WAVE-FORM SPRING WASHER | 1 |
| 35 | GB889.I-M14 | 1-TYPE PREVAILING TORQUE TYPE HEXAGON LOCK NUT | 1 |
| 36 | C-L1-1300001 | RUBBER COVER | 1 |
| 37 | C-54-1000005 | RUBBER FOOT | 4 |
| 38 | FPC 8-02 | MALE STRAIGHT | 2 |
| 39 | C-54-1000027 | TOINT SEALING GASKET | 2 |
| 40 | FPLF 8-02 | FEMALE ELBOW | 1 |
| 41 | C-54-1000015 | STOP-UP | 1 |
| 42 | GB95-5 | FLAT WASHER | 2 |
| 43 | GB5782-M5)(16-8.8 | HEXANGULAR BOLT | 1 |
| 44 | C-54-1000012 | PRESS COVER | 1 |
| 45 | 070.1-M12><30 | INNER HEXA CYLINDRICAL SCREW | 1 |
| 46 | C-LI-1000002 | WESHER | 1 |
| 47 | C-LI-1000003 | WASHER | 3 |
| 48 | GB70.1-M8)(20 | INNER HEXA CYLINDRICAL SCREW | 7 |
| 49 | C-L1-1000004 | SIDE PLANEL | 1 |
| 50 | GB95-6 | FLAT WASHER | 10 |
| 51 | 070.1-M6)(12 | INNER HEXA CYLINDRICAL SCREW | 12 |
| 52 | CT-E-UN00410 | CABLE (3P) | 1 |
| 53 | C-L3-1000002 | PROTECTIVE COVER | 1 |
| 54 | CT-K-IE00000 | QUICK INFLATION PEDAL ASSY | 1 |
| 55 | GB5781-M8><20 | HEXANGULAR BOLT | 2 |
| 56 | GB95-8 | FLAT WASHER | 4 |
| 57 | GB41-M8 | HEXANGULAR NUT | 3 |
| 58 | CT-Y-8200000 | TURNTABLE ASSEMBLY | 1 |
| 59 | C-L3-100000I | TOOL BOX | 1 |
| 60 | GB70.1-616X16 | INNER HEXA CYLINDRICAL SCREW | 3 |
| 61 | C-LI-1000100 | LOGO | 1 |
| 62 | GB70.1-M4X16 | INNER HEXA CYLINDRICAL SCREW | 2 |
| 63 | C-LI -1000200A | TOOL BOX | 1 |
| 64 | B-76-1400004 | CLIP NUT | 4 |
| 65 | GB6173 -M10><1.0 | HEXA THIN NUT | 1 |
| 66 | GB818-M6><40-H | CROSS PANHEAD SCREW | 2 |
| 67 | GB77-M8><20 | INNER HEXA FLAT TERMINUS SET SCREW | 2 |
| 68 | GB6172.1-M8 | HEXANGULAR THIN NUT | 2 |
| 69 | C-77-1500000 | LOCKING CYLINDER ASSY | 1 |
| 70 | C-77-1000003 | CUSHION | 2 |
| 71 | GB889.1-6112 | 1-TYPE PREVAILING TORQUE TYPE HEXAGON LOCK NUT | 1 |
| 72 | C-71-1000024 | INFLATING GUN HOOK | 1 |
| 73 | C-86-1200000A | COLUMN WELDING DRAN1NG | 1 |
| 74 | GB70.1-M12)<50 | INNER HEXA CYLINDRICAL SCREW | 1 |
| 75 | FPLF 6-02 | FEMALE ELBOW | 1 |
| 76 | C -7C -1000004 | STAND | 1 |
| 77 | C -7C -1000005 | TELEFLEX | 1 |
| 78 | C-L3-1300000 | HORIZONTAL ARM ASSEMBLY | 1 |
| 79 | TC-10 -8400006 | OIL CUP M6 | 1 |
| 80 | C-77-1000006 | PROTECTIVE HOOD LOCK BUSHING | 2 |
| 81 | C-77-1000004 | RUBBER WASHER | 1 |
| 82 | C-77-1000009 | AIR HOSE CHUTE | 1 |
| 83 | GB5781-M10)(35 | HEXANGULAR BOLT | 2 |
| 84 | C-71-1000029 | INNER HEXA FLAT TERMINUS SET SCREW | 1 |
| 85 | CT-XD-1000000 | PULL-OUT CYLINDER | 1 |
| 86 | GB70.1-M8X35 | INNER HEXA CYLINDRICAL SCREW | 2 |
| 87 | C-86-1000001 | SQUARE LOCK PLATE | 1 |
| 88 | GB5782-M8 X 20 | HEXANGULAR BOLT | 1 |
| 89 | GB119.2 -10)<50 | CYLINDRICAL PIN | 1 |
| 90 | GB4I-M12 | HEXANGULAR NUT | 2 |
| 91 | GB5783-M12><30-W8.8 | HEXANGULAR BOLT | 2 |
| 92 | C-86-1000005 | PRESS SPRING | 2 |
| 93 | C-86-1000002 | ROTATION SHAFT | 1 |
| 94 | C-6A-1000003 | SPACER | 2 |
| 95 | C-86-1000004 | INNER HEXA CONIC TERMINUS SET SCREW | 2 |
| 96 | C-86-I400000 | HANDLE WHEEL | 1 |
| 97 | C-6A-1000004 | WASHER | 2 |
| 98 | GB70.3-M8X30 | INNER COUNTERSUNK SCREW | 1 |
| 99 | C-86-1000006 | WASHER 030x010x15 | 1 |
| 100 | GB93-12 | STANDARD SPRING WASHER | 2 |
| 101 | C-86-1000003 | LOCKING SPACER | 2 |
| 102 | C-77-1000012 | CIRCLIP | 1 |
| 103 | GB882-12><120 | PIN SHAFT | I |
| 104 | C-71-1000009 | BOLT | 2 |
| 105 | CT-F-2121200 | AIR REGULATOR ASSEMBIY | 1 |
| 106 | GB70.1 -M6X10 | INNER HEXA CYLINDRICAL SCREW | 2 |
| 107 | C-L3-1000100 | HORIZONTAL ARM COVER | 1 |
| 108 | CT-K-3200000 | INFLATOR COVER ASSEMBLY | 1 |
| 109 | C-61-1000002 | CUSHION BUSHING | 1 |
| 110 | FPY-8 | Y-SHAPE INSERT FITTING08 | 1 |
| 111 | C-71-1000027 | HELPER RUBBE PLUG | 2 |
| 112 | C-01-1000006 | COVER CAP | 6 |





















