GE APPLIANCES Water Heaters Electronic Residential

IMPORTANT SAFETY INFORMATION
WARNING
For your safety, the information in this manual must be followed to minimize the risk of fire or explosion, electric shock, or to prevent property damage, personal injury, or loss of life.
Be sure to read and understand the entire Owner’ s Manual before attempting to install or operate this water heater. It may save you time and cost. Pay particular attention to the Safety Instructions. Failure to follow these warnings could result in serious bodily injury or death. Should you have problems understanding the instructions in this manual, or have any questions, STOP and get help from a qualified service technician or the local electric utility.
Risk of Fire
DO NOT store or use gasoline or other flammable vapors and liquids in the vicinity of this or any other appliance. Keep rags and other combustibles away.
WARNING
If the water heater has been subjected to flood, fire, or physical damage, turn off power and water to the water heater. Do not operate the water heater again until it has been thoroughly checked by qualified service personnel.
Safety Precautions
- Do turn off power to water heater if it has been subjected to overheating, fire, flood or physical damage.
- Do Not turn on water heater unless it is filled with water.
- Do Not turn on water heater if cold water supply shut-off valve is closed.
- NOTE: Flammable vapors may be drawn by air currents from surrounding areas to the water heater.
- If there is any difficulty in understanding or following the Operating Instructions or the Care and Cleaning section, it is recommended that a qualified person or serviceman perform the work.
CAUTION
Risk of Fire
Hydrogen gas can be produced in a hot water system served by this water heater that has not been used for a long period of time (generally two weeks or more). HYDROGEN GAS IS EXTREMELY FLAMMABLE!! To dissipate such gas and to reduce risk of injury, it is recommended that the hot water faucet be opened for several minutes at the kitchen sink before using any electrical appliance connected to the hot water system. If hydrogen is present, there will be an unusual sound such as air escaping through the pipe as the water begins to flow. Do not smoke or use an open flame near the faucet at the time it is open.
FOR INSTALLATIONS IN THE STATE OF CALIFORNIA
California Law requires that residential water heaters must be braced, anchored or strapped to resist falling or horizontal displacement due to earthquake motions. For residential water heaters up to 52 gallon (197 L) capacity, a brochure with generic earthquake bracing instructions can be obtained from: Office of the State Architect, 400 P Street, Sacramento, CA 95814 or you may call 916.324.5315 or ask a water heater dealer. Applicable local codes shall always govern installation. For residential water heaters of a capacity greater than 52 gallons (197 L) consult the local building jurisdiction for acceptable bracing procedures.
DANGER

Water temperature over 125°F can cause severe burns instantly or death from scalds. Temperature control settings usually approximate tap water temperature. However, factors could cause water temperature to reach 160°F regardless of the control settings. Children, disabled and elderly are at highest risk of being scalded. Feel water before bathing or showering. Temperature limiting valves are available.
WATER TEMPERATURE ADJUSTMENT
Safety, energy conservation, and hot water capacity are factors to be considered when selecting the water temperature setting of the water heater. Water temperatures above 125°F can cause severe burns or death from scalding. Be sure to read and follow the warnings outlined on the label pictured to the left. This label is also located on the water heater near the top of the tank.
Time/Temperature Relationship in Scalds
| Temperature | Time to Produce a Serious Burn |
| 120°F 49°C | More than 5 minutes |
| 125°F 52°C | 1-1/2 to 2 minutes |
| 130°F 54°C | About 30 seconds |
| 135°F 57°C | About 10 seconds |
| 140°F 60°C | Less than 5 seconds |
| 145°F 63°C | Less than 3 seconds |
| 150°F 66°C | About 1-1/2 seconds |
| 155°F 68°C | About 1 second |
The chart shown above may be used as a guide in determining the proper water temperature for your home.
DANGER
There is a Hot Water SCALD Potential if the water temperature thermostat is set too high. Households with small children, disabled or elderly persons may require a 120°F (49°C) or lower thermostat setting to prevent contact with HOT water. Control has been set at the factory to 120°F (49°C) to reduce the risk of scald injury. This is the recommended starting temperature setting, but it can be adjusted to any temperature between 100°F and 140°F (38°C and 60°C).
To Adjust the Temperature
Follow these steps
- Press the + or – buttons on the control panel key pad to desired temperature.
- Press ENTER to accept the new setting.
NOTE: To change between °F and °C, press and hold MODE.
SAFETY CONTROLS
The water heater is equipped with a combination temperature sensor and high limit Energy Cut Off control (ECO) that is located above the upper heating element in contact with the tank surface. If for any reason the water temperature becomes excessively high, the high limit control (ECO) breaks the power circuit to the heating element. Once the control opens, it must be reset manually. Resetting of the high limit control should be done by a qualified service technician.
CAUTION
The cause of the high temperature condition must be investigated by a qualified service technician and corrective action must be taken before placing the water heater in service again.
To reset the temperature limiting control

- Turn off the power to the water heater.
- Remove the electronic control display and insulation. Open the electronic control housing by removing the screw beneath the display using a phillips head screwdriver.
- Push the control display down and rotate the panel from the top to open and remove the insulation.
- The thermostat protective cover should not be removed.
- Press the red RESET button.
- Replace the insulation, control housing, and screw before turning on the power to the water heater.
- Ensure water heater is operating properly after resetting the ECO.
Operating Instructions
Water Heater Capacity and Increasing Temperature Setpoint For Water Heaters without an Integrated Mixing Valve The water heater temperature setting strongly impacts the amount of usable hot water available for showers and baths. Energy consumption/savings and efficiency testing of water heaters is performed according to Department of Energy (DOE) requirements specified at the date of manufacture. Safety regulations require a factory setting no greater than 125°F (52°C) for all new water heaters. Therefore, if your old water heater was set to a hotter temperature than your new water heater with a factory set setpoint of 120°F (49°C), the new water heater may seem to provide lower capacity than your old water heater. This can be corrected by increasing the temperature setpoint. If more hot water capacity is desired, increasing the temperature from 120°F to 135°F (49°C to 57°C) will enable the same tank of hot water to last about 25%longer because less hot water is mixed in at the shower or faucet. Increasing the water temperature setpoint may improve the cleaning performance of dishwashers and washing machines. The user can adjust the temperature setting to meet their needs.
Mixing Valves
- For models with an integrated electronic mixing valve, hot water capacity can be increased by changing capacity selection from control, while maintaining outlet water temperature.
- If your model does not include an integrated Electronic mixing valve a supplemental mixing valve for reducing point-of-use water temperature by mixing hot and cold water in branch water lines are commercially available.
- Contact a licensed plumber or the local plumbing authority for further information.
Extended Shutdown Periods
If the water heater is to remain idle for an extended period of time, the power and water to the appliance should be turned off and the water heater drained to conserve energy and prevent a buildup of dangerous hydrogen gas. This unit has no power button, power can only be shut off at the circuit breaker or disconnect switch. The water heater and piping should be drained if they might be subjected to freezing temperatures. After a long shutdown period, the water heater’s operation and controls should be checked by qualified service personnel. Make certain the water heater is completely filled again before placing it in operation.
About the Control Panel

Displaying Temperature Setpoint
The control will display the temperature setpoint anytime a button on the control is pressed. After 30 seconds of inactivity, the display will go blank. Note that the Mode and Capacity selection if equipped will remain illuminated in sleep mode. To wake the control at any time to see the temperature setpoint, press any button on the control.
Turning on the Water Heater
There is no power button for this unit. Once the water heater is wired and power is supplied, it will be on. The display will show the current water temperature setting. To comply with safety regulations, the controls are factory preset to 120°F (49°C).
To Adjust the Temperature
Follow these steps
- Press the + or – button on the control panel key pad to desired temperature.
- Press ENTER to accept the new setting.
Note
To change between °F and °C, press and hold the Mode Select button.
Control Features
- Display
- Mode Select Button and Mode Indicator
Use this button to alternate between Normal and Vacation modes. Enter key must be depressed to confirm selection. - Tank Capacity Selection Button and Indicator Status (on some models) Use this button to alternate between Normal, High and X-High tank capacities. Enter key must be depressed to confirm selection.
- + Select Button
- Use these buttons to increase the temperature setting or vacation days.
- Select Button
- Use these buttons to decrease the temperature setting or vacation days.
- Enter Key
- Use this button to confirm temperature setting following adjustment.
- Anode Reset and Replacement Indicatorid equipped
- When the Anode text is illuminated and F70 fault is displayed, the system has indicated that the anode rod is approaching end of life and it is recommended to replace it. Press button once to silence alarm. Press and hold for 5 seconds to reset the anode alarm after replacing. Call the Installer to replace the anode rod. The Servicer contact info is located next to the rating plate of the unit, or contact GE Appliances customer support at GEAppliances.com/waterheater. Failure to replace the anode rod will void warranty coverage and may result in a tank leak.
- WIFI Indicator Light
- Lit when connected, flashing during configuration set up mode.
- Appliance Communication Module Port
- For use with Service and optional accessory modules. Visit GEAppliances.com/water heaters for more information.
Operation Modes
This water heater defaults to the Normal operating mode. To select Vacation Mode
- Press the MODE button until Vacation is illuminated.
- Press Enter to confirm selection.
- To return to “Normal” mode, repeat steps 1 and 2, once Normal text is illuminated.
Vacation Mode
This feature is recommended when you will be away from the home for an extended period of time and hot water is not needed. In this mode, the unit will reduce the water temperature setting to 50ºF (10°C) and will use the most efficient heating mode to conserve energy while the heater is sitting idle. The unit will automatically resume heating one day before your return, so that hot water will be available.
To set Vacation Mode
- Select Vacation by pressing the MODE button.
- Input the total number of days you will be gone by pressing the +/- select button. The default is 7 days, maximum 199, or remain in Vacation Mode indefinitely by selecting.
- Press Enter to confirm selection
For example, if you will be gone 14 days, set Vacation mode for 14 days using the steps above. The temperature setting will automatically reduce to 500F 100C)for 13 days. At the end of the 13th day, unit will return to normal operating mode and temperature setting will reset to ensure hot water is available upon your return.
Hot Water Flexible Capacity Selection (on some models)
When activated this feature stores water at higher temperatures. As hot stored water leaves the tank, cold water is mixed in to maintain the desired set point. This mixing allows more usable hot water to be available. The water heater defaults to Normal hot water Capacity setting, which is used to calculate annual operating cost, (and a 125F outlet water setting).
To change tank Capacity setting:
- Press the Capacity button until High, X-High or Normal text is illuminated.
- Confirm selection by pressing Enter key.
- Capacity Options based on 120°F default outlet water temperature setting and 58°F inlet water temperature
- Normal: No increase of hot water capacity from outlet water setting
- High: Increases hot water capacity up to 40%
- X-High: Increases hot water capacity up to 60%

Appliance Communication
GE Appliances WIFI Connect (for customers in the United States)
GE Appliances WIFI Connect Enabled* If your water heater has a Connected Appliance Information label located on the outside as shown below, your model is GE Appliances WIFI Connect Enabled. A WIFI communication card is built into the product allowing it to communicate with your smart phone for remote monitoring, control and notifications. Please visit GEAppliances.com/connect to learn more about connected appliance features, and to learn what connected appliance apps will work with your smart phone. Select models only

WIFI Connectivity
For assistance with the appliance or the Connect Plus network connectivity for models that are WIFI enabled or WIFI optional, please call 1-800-220-6899.
REGULATORY INFORMATION
FCC/IC Compliance Statement
This device complies with Part 15 of the FCC Rules. Operation is subject to the following two conditions
- This device may not cause harmful interference.
- This device must accept any interference received, including interference that may cause undesired operation.
This equipment has been tested and found to comply with the limits for a Class B digital device, pursuant to Part 15 of the FCC Rules. These limits are designed to provide reasonable protection against harmful interference in a residential installation. This equipment generates uses and can radiate radio frequency energy and, if not installed and used in accordance with the instructions, may cause harmful interference to radio communications. However, there is no guarantee that interference will not occur in a particular installation. If this equipment does cause harmful interference to radio or television reception, which can be determined by turning the equipment off and on, the user is encouraged to try to correct the interference by one or more of the following measures
- Reorient or relocate the receiving antenna.
- Increase the separation between the equipment and receiver.
- Connect the equipment into an outlet on a circuit different from that to which the receiver is connected.
- Consult the dealer or an experienced radio/television technician for help.
Labelling
Changes or modifications to this unit not expressly approved by the manufacturer could void the user’s authority to operate the equipment. This product has WiFi capability and requires Internet connectivity and a wireless router to enable interconnection with an Energy Management System, and/or with other external devices, systems, or applications. 49-6000239 Rev. 2
Care and Cleaning
Exterior Surfaces
Hand wash with damp cloth, using only warm water. Wipe dry using a dry, clean cloth.
Routine Preventive Maintenance
DANGER
Risk of Scald
Before manually operating the relief valve, make certain no one will be exposed to the danger of coming in contact with the hot water released by the valve. The water may be hot enough to create a scald hazard. The water should be released into a suitable drain to prevent injury or property damage.
NOTE
If the temperature and pressure-relief valve on the hot water heater discharges periodically, this may be due to thermal expansion in a closed water system. Contact the water supplier or your plumbing contractor on how to correct this. Do not plug the relief valve outlet. Properly maintained, your water heater will provide years of dependable trouble-free service. It is suggested that the following annual preventive maintenance program be established.
- Inspect Temperature & Pressure Relief Valve.
- Inspect heating elements, ECO, and wiring to each.
- Drain and Flush the water heater tank.
- Anode rod must be removed and inspected.
Temperature and Pressure-Relief Valve
Once a year, it is recommended to lift and release the lever handle on the temperature and pressure-relief valve, located on the front-right side of the water heater, to make certain the valve operates freely. Allow several gallons to flush through the discharge line to an open drain.
Heating Elements and ECO
Once a year, it is recommended to inspect the heating elements, ECO, and wiring to each. Inspection should be completed by service personnel qualified in electrical appliance repair.
Most electrical appliances, even when new, make some sound when in operation. If the hissing or singing sound level increases excessively, the electric heating element may require cleaning. Contact a qualified installer or plumber for inspection.
Draining and Flushing the Water Heater
CAUTION
Risk of Shock Shut off power to the water heater before draining water.
DANGER
Risk of Scald
Before manually operating the relief valve, make certain no one will be exposed to the hot water released by the valve. The water drained from the tank may be hot enough to present a scald hazard and should be directed to a suitable drain to prevent injury or damage. A water heater’s tank can act as a settling basin for solids suspended in the water. It is therefore not uncommon for hard water deposits to accumulate in the bottom of the tank. To clean the tank of these deposits, it is recommended to drain and flush the water heater tank once a year. To drain the water heater, follow these steps: operating the relief valve, make certain no one will be exposed to the hot water released by the valve. The water drained from the tank may be hot enough to present a scald hazard and should be directed to a suitable drain to prevent injury or damage. A water heater’s tank can act as a settling basin for solids suspended in the water. It is therefore not uncommon for hard water deposits to accumulate in the bottom of the tank. To clean the tank of these deposits, it is recommended to drain and flush the water heater tank once a year. To drain the water heater, follow these steps:
- Turn off power to the unit. The electric heating elements will become damaged if operated without water.
- Attach a garden hose to the drain valve located at the bottom of the unit and direct that hose to a drain.
- Turn off the cold water supply.
- Admit air to the tank by opening a hot water faucet or lifting the handle on the relief valve.
- Open the drain valve.
- Use a flat blade screwdriver to turn brass drain valve or an adjustable open-end wrench to turn black stem on plastic drain valve.

Flushing the Tank
- Follow steps above to drain the water heater.
- Once the water heater is empty, with the drain valve open and garden hose attached to the drain valve, turn on the cold water supply.
- Allow several gallons to flush through the drain valve and hose to an open drain.
- Turn off the water supply and allow any water remaining in the tank to drain.
- Repeat steps 3 and 4 until water runs clear.
- Close the drain valve and fill the tank before returning power to the unit. The tank is full when water runs out of a nearby open hot water faucet.
Flushing should be done with an empty tank to promote additional removal of sediment.
Routine Preventative Maintenance
Anode Rod
Anode rods are designed and installed to protect and extend the life of residential water storage tanks. The anode rod must be removed from the water heater’s tank and inspected annually, and replaced when more than 6 (15.2 cm) of core wire is exposed at either end of the rod.* NOTE: Artificially softened water will cause the anode rod to consume more rapidly. Due to shock hazard and to prevent accidental water leaks, this inspection should be done by a qualified servicer or plumber, and requires that the electric power and cold water supply be turned off before servicing the anode rod.
NOTICE
Do not remove the anode rod from the water heater’s tank except for inspection and/or replacement, as operation with the anode rod removed will shorten the life of the glass-lined tank and will void warranty coverage. Some areas have water conditions that may cause an odor to develop in the water heater. Special alloy replacement rods are available to address this condition. Failure to replace the anode rod when consumed voids the warranty for the tank. Warranty coverage for all other components remains intact, and is unaffected by this maintenance requirement. The replacement anode rod, and the inspection for consumption are not covered by warranty.
Additional information for models with an anode depletion sensing feature
When the depletion-sensing anode rod nears end of life, the ANODE text will illuminate and the control will beep and display F70. When this occurs, the anode rod must be inspected and replaced if the core wire at the top of the anode rod is exposed.* It is recommended to replace the anode rod as soon as possible to ensure that the tank will continue to be protected from corrosion. Call installer/servicer to order or to replace the anode rod. (See page 12 for instructions to change the anode rod. Press the ANODE button once to silence the alarm. Once replaced, reset the alarm by pressing and holding the ANODE button for 5 seconds until the control beeps and the Anode Light will turn off. If special alloy anode rod is installed to address a water odor condition, the anode depletion sensing feature must be disabled. If disabled, annual inspections of the anode rod are required since the water heater will no longer be capable of alerting for a depleted anode rod. To disable the feature
- Upon power-up following a special alloy anode rod installation, the control will sound an alarm and F41 will display.
- Press the ANODE button to quiet the alarm.
- Press the ANODE button 3 times Off or On will display confirming that the feature has been disabled/enabled.
To enable the feature if a new anode depletion sensing anode rod is installed, follow Step 2 above.
Note
If the display is blank, press any button to wake the control before entering a button combination. If the water heater has been installed with a device that periodically cuts power to the water heater, the accuracy of the anode rod depletion sensing feature may become compromised and anode rod inspection every 2-3 years is required. If the water heater will be inactive for a long period of time and the water heater cannot be drained, it is recommended to leave the power turned on with the water heater in vacation mode to ensure that the feature will continue to operate properly while still conserving energy.
Anode Rod Maintenance and Service
CAUTION
IMPORTANT SAFETY NOTICE
This information is intended for use by individuals possessing adequate background of electrical, electronic and mechanical experience. Any attempt to repair a major appliance may result in personal injury and property damage. The manufacturer or seller cannot be responsible for the interpretation of this information, nor can it assume any liability in connection with its use.
Tools needed
- Flat Head Screwdriver
- Phillips head screwdriver
- Socket/Torque Wrench
- 1 1/16” Socket
- Pipe Joint Compound or Pipe Thread Sealant Tape
- Anode Rod, if needed
To Service Anode Rod
- Disconnect power, shut off the water supply, drain the water lines of the home. Drain 1 to 2 gallons of water from the water heater through the lower drain valve.
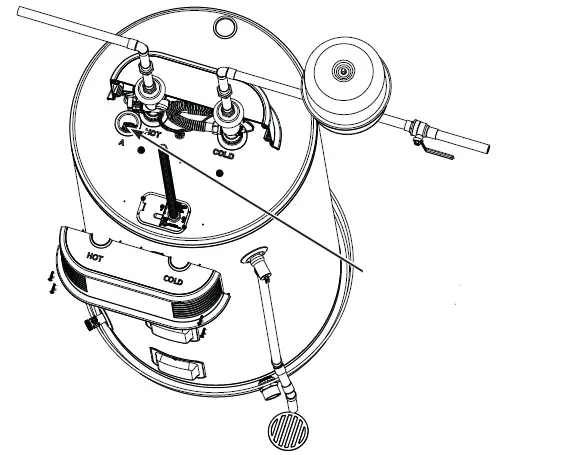
- Skip to step 3, for models without Integrated Mixing Valve. For models with Integrated Mixing Valve, remove (4) screws and front section of shroud using Phillips screwdriver per Illustration B.
Illustration B (Appearance will vary by model)

Remove anode cap and foam insulation in hole with flat head screwdriver to expose anode fitting as shown in illustration B.
NOTE
For models with sensing anode feature, anode fitting is already exposed. Wire attached to anode fitting must be detached prior to next step.
Illustration C (Appearance will vary by model)
Remove anode wire if equipped with sensing anode.
Using a 1 1/16 socket/wrench, unscrew the anode rod, then lift out to inspect as shown in illustration D.
Illustration D (Appearance will vary by model)

- Replace Anode Rod (with same anode type that was removed sensing vs. standard if more than 6 of core wire is exposed. Contact Installer/Servicer for correct replacement anode or GEA Customer Support at GEAppliances.com/water heater.
- To Install anode rod:
- Seal the threads with pipe joint compound or pipe thread sealant tape.
- Thread into the port and tighten with torque wrench to 50 +/- 5 ft lbs of torque.
- Turn water supply on, open a tap to remove any trapped air in water lines and inspect for leaks. Repair any leaks, prior to proceeding.
- Reconnect wire to anode fitting for anode depletion sensing models or replace anode cap for standard non-sensing anode
- Reassemble front shroud, previously removed in step 2, if equipped.
- Turn power On. If sensing anode was replaced with a special alloy non sensing anode rod, the anode depletion sensing feature must be disabled and the unattached wire end must be covered with electrical tape.
- Reset ANODE replacement indicator light if equipped by pressing and holding ANODE button for 10 seconds to indicate that a new anode depletion sensing anode rod is installed.
Installation Instructions
The location chosen for the water heater must take into consideration the following:
LOCAL INSTALLATION REGULATIONS
This water heater must be installed in accordance with these instructions, local codes, utility codes, utility company requirements or, in the absence of local codes, the latest edition of the National Electrical Code. It is available from some local libraries or can be purchased from the National Fire Prevention Association, Battery march park, Quincy, MA 02169 as booklet ANSI/NFPA 70.
POWER REQUIREMENTS
Check the markings on the rating plate of the water heater to be certain the power supply corresponds to the water heater requirements.
NOTE
208V installations may experience lower performance.
LOCATION
The water heater and water lines should be protected from freezing temperatures and high-corrosive atmospheres. Do not install the water heater in outdoor, unprotected areas. Locate the water heater in a clean dry area as near as practical to the area of greatest heated water demand. Long uninsulated hot water lines can waste energy and water. Unit must be installed in a level location. If required, add shims under base of unit to level for proper operation.
NOTE
This unit is designed for any common indoor installation. Servicing the water heater requires proper installation such that front panels can be removed to permit inspection and servicing. Reference installation instructions found in this manual. Moving the water heater or other appliances to provide service to the water heater is not covered under warranty.
CAUTION
Risk of Property Damage
The water heater should not be located in an area where leakage of the tank or connections will result in damage to the area adjacent to it or to lower floors of the structure. Where such areas cannot be avoided, it is recommended that a suitable catch pan, adequately drained, be installed under the water heater.
Required clearances
There must be sufficient clearance between any object and the top, rear and sides of the water heater in the event service is needed. The controls and drain at front of unit must have clear access for operation and service. Installations that require minimal clearance on the sides or rear of the water heater for earthquake straps are also acceptable. In these cases, additional clearance should be provided on the opposite side of the unit to allow for service access. Integrated electronic mixing valve models should not be installed with pre-heated water from solar or other heated sources (higher than intended user set point).
CATCH PAN INSTALLATION (If required)

NOTE
Auxiliary catch pan MUST conform to local codes. Catch Pan Kits are available from the store where the water heater was purchased, a builder store or any water heater distributor. The catch pan should be 2 (5.1 cm) minimum larger than the Water Heater base diameter. To prevent corrosion and improve Drain Valve access it is recommended that the water heater be placed on spacers inside the catch pan.
THERMAL EXPANSION
If a check valve is present on the inlet water line, it will create a closed system. Heating water in a closed system creates an increase in pressure within the water system because the pressure is not able to dissipate in the main supply line. Referred to as thermal expansion the rapid pressure increase can cause the relief valve to operate releasing water during each heating cycle, potentially causing premature failure to the valve or even the water heater. The suggested method of controlling thermal expansion is to install an expansion tank in the cold water line between the water heater and the check valve as shown in the following illustrations. Contact your installing contractor, water supplier, or plumbing inspector for additional information.
WATER SUPPLY CONNECTIONS
The HOT and COLD water connections are clearly marked and are ¾ NPT on all models. When connecting to the inlet/outlet ports, the use of ¾ female NPT tapered thread fittings with use of thread sealant is recommended. The installation of unions is recommended on the hot and cold water connections so that the water heater may be easily disconnected for servicing if necessary. Piping should be routed to allow anode rod removal.
NOTE
Install a shut-off valve in the cold water line near the water heater. This will enable easier service or maintenance of the unit later.
IMPORTANT
Do not apply heat to the HOT or COLD water connections. If sweat connections are used, sweat tubing to adapter before fitting the adapter to the cold water connections on heater. Any heat applied to the hot or cold water connection will permanently damage the internal plastic lining in these ports. Install a vacuum relief valve and/or anti-siphon device when required by local jurisdictions.

HOT AND COLD PIPE INSULATION INSTALLATION if supplied with product
For increased energy efficiency, some water heaters have been supplied with two 24 sections of pipe insulation. Please install the insulation, according to the illustrations below, that best meets your requirements.
Typical vertical piping arrangement

Typical horizontal piping arrangement
RELIEF VALVE
WARNING
Risk of Unit Damage
The pressure rating of the relief valve must not exceed 150 PSI 1.03 MPa, the maximum working pressure of the water heater as marked on the rating plate. A new combination temperature and pressure-relief valve, complying with the Standard for Relief Valves and Automatic Gas Shut-Off Devices for Hot Water Supply Systems, ANSI Z21.22, is supplied and must remain installed in the opening provided and marked for this purpose on the water heater. No valve of any type should be installed between the relief valve and the tank. Local codes shall govern the installation of relief valves. The BTUH rating of the relief valve must not be less than the input rating of the water heater as indicated on the rating label located on the front of the heater (1 watt=3.412 BTUH). Connect the outlet of the relief valve to a suitable open drain so that the discharge water cannot contact live electrical parts or persons and to eliminate potential water damage. Piping used should be of a type approved for hot water distribution. The discharge line must be no smaller than the outlet of the valve and must pitch downward from the valve to allow complete drainage (by gravity) of the relief valve and discharge line. The end of the discharge line should not be threaded or concealed and should be protected from freezing. No valve of any type, restriction or reducer coupling should be installed in the discharge line.

CAUTION
To reduce the risk of excessive pressures and temperatures in this water heater, install temperature and pressure protective equipment required by local codes and no less than a combination temperature and pressure relief valve certified by a nationally recognized testing laboratory that maintains periodic inspection of production of listed equipment or materials, as meeting the requirements for Relief Valves and Automatic Gas Shutoff Devices for Hot Water Supply Systems, ANSI Z21.22. This valve must be marked with a maximum set pressure not to exceed the marked maximum working pressure of the water heater. Install the valve into an opening provided and marked for this purpose in the water heater, and orient it or provide tubing so that any discharge from the valve exits only within 6 inches above, or at any distance below, the structural floor, and does not contact any live electrical part. The discharge opening must not be blocked or reduced in size under any circumstances.
TO FILL THE WATER HEATER
WARNING
Risk of Unit Damage
The tank must be full of water before heater is turned on. The water heater warranty does not cover damage or failure resulting from operation with an empty or partially empty tank. Make certain the drain valve is completely closed. Open the shut-off valve in the cold water supply line. Open each hot water faucet slowly to allow the air to vent from the water heater and piping. A steady flow of water from the hot water faucet(s) indicates a full water heater. Condensation can form on the tank and fittings when it is first filled with water. Condensation may also occur with a heavy water draw and very cold inlet water temperature. This condition is not unusual and will disappear once water is heated. If condition persists, examine fittings for potential leaks and repair, as required.
NOTICE
Do not mist wire electrical connections. 240VAC or 208VAC must be applied across L1 and L2 wires If a 4-conductor wire is supplied to the water heater, cap the neutral, and connect the remaining wires as illustrated.
ELECTRICAL CONNECTIONS
A separate branch circuit with copper conductors, overcurrent protective device and suitable disconnecting means must be provided by a qualified electrician. All wiring must conform to local codes or latest edition of National Electrical Code ANSI/NFPA 70. The water heater is completely wired to the junction box at the top of the water heater. An opening for 1/2 electrical fitting is provided for field wiring connections. The voltage requirements and wattage load for the water heater are specified on the rating label on the front of the water heater. The branch circuit wiring should include either
- Metallic conduit or metallic sheathed cable approved for use as a grounding conductor and installed with fittings approved for the purpose.
- Nonmetallic sheathed cable, metallic conduit or metallic sheathed cable not approved for use as a ground conductor shall include a separate conductor for grounding.
- It should be attached to the ground terminals of the water heater and the electrical distribution box.
To connect power to the water heater
- Turn the power off.
- Remove the screw/screws holding the junction box top cover.
- Install L1 to L1, L2 to L2 and ground wire onto the fixed junction box cover, per illustration below.
- Reconnect all screws attaching the junction box covers.

WARNING
Risk of fire or electrical shock
Ensure both junction box covers and ground screws are securely fastened for proper grounding.
NOTE
Install electric connections according to local codes or latest edition of National Electrical Code ANSI/NFPA 70.
WARNING
Proper ground connection is essential. The presence of water in the piping and water heater does not provide sufficient conduction for a ground. Nonmetallic piping, dielectric unions, flexible connectors, etc., can cause the water heater to be electrically isolated. Do not disconnect factory ground. The manufacturer’s warranty does not cover any damage or defect caused by installation, attachment or use of any type of energy-saving or other unapproved devices (other than those authorized by the manufacturer) into, onto or in conjunction with the water heater. The use of unauthorized energy-saving devices may shorten the life of the water heater and may endanger life and property. The manufacturer disclaims any responsibility for such loss or injury resulting from the use of such unauthorized devices. If local codes require external application of insulation blanket kits, the manufacturer’s instructions included with the kit must be carefully followed. Application of any external insulation, blankets or water pipe insulation to this water heater will require careful attention to the following
- Do not cover the temperature and pressure-relief valve.
- Do not cover access panels to the heating elements.
- Do not cover the electrical junction box of the water heater.
- Do not cover the operating or warning labels attached to the water heater or attempt to relocate them on the exterior of the insulation blanket.
NOTE
This guide recommends minimum branch circuit sizing based on the National Electric Code. Refer to wiring diagrams in this manual for field wiring connections.
BRANCH CIRCUIT SIZING GUIDE
| Total Water Heater Wattage | Recommended Over- Current Protection fuse or circuit breaker amperage rating | Copper Wire Size AWG Basedon N.E.C. Table 310-16 167°F/75°C |
| 240V | 208-240V | 208-240V |
| 3,000 | 20 | 12 |
| 4,000 | 25 | 10 |
| 4,500 | 25 | 10 |
| 5,000 | 30 | 10 |
| 5,500 | 30 | 10 |
| 6,000 | 35 | 8 |
| 8,000 | 45 | 8 |
| 9,000 | 50 | 8 |
| 10,000 | ||
| 11,000 | ||
| 12,000 |
Troubleshooting
Before you call for service Save time and money! Review the chart below first and you may not need to call for service.
CAUTION
For your safety, DO NOT attempt repair of electrical wiring, controls, heating elements or other safety devices.
| OPERATION AND PERFORMANCE | ||
| Not enough or no hot water | Water temperature may be set too | Adjustment and Water Heater |
| low | If the product has an integrated mixing | |
| valve, turn capacity setting up to High or X-High to increase available hot | ||
| water capacity. | ||
| Cold water inlet temperature may | This is normal. The colder inlet water takes longer to heat. | |
| be colder during the winter months | Consider increasing the set temperature as described in the Water Temperature | |
| apacity setting on models equipped with electronic mixing valve. | ||
| Leaking or open hot water faucets | Make sure all faucets are closed. | |
| Long runs of exposed pipe, or hot | Insulate piping. | |
| water piping on outside wall | ||
| Dip tube damaged | Contact your local installer, plumbing contractor, or previously agreed upon | |
| service agency. | ||
| A fuse is blown, circuit breaker | Replace fuse or reset circuit breaker. | |
| tripped, or electric service to your | Contact the local electric utility. | |
| home may be interrupted | ||
| Inadequate wiring | ||
| Manual reset high limit ECO | ||
| Water Connections to unit reversed | Correct piping connections. | |
| Recirculating System Interference | Check flow rate is not set too high. | |
| if installed | Insulate piping | |
| Water is too hot | Water temperature is set too high | |
| Electronic Control has failed | Contact your local installer, plumbing contractor, or previously agreed upon | |
| service agency. | ||
| Control Panel | ||
| The heater is beeping, the | The anode rod is approaching end | Call for service or follow the instructions on how to replace the anode rod on |
| anode light is on on some | of life and it is recommended to | Ensure that the anode depletion sensing anode rod or other GE |
| models and the display says | replace it in order to continue to | Appliances approved anode rod is installed. Installation of an unapproved anode |
| F70 | offer protection from corrosion. | rod will VOID the warranty. |
| The heater is beeping and the | The anode rod is not connected | Check that the tank is filled completely with water. |
| display says F41 | properly and the water heater may | If the tank is full of water and the F41 code persists, contact GE Appliances |
| not be protected from corrosion. | service. | |
| Press anode button to silence alarm. | ||
| The heater is beeping and the | Unit is not receiving 240VAC as | Turn off power to water heater generally at the breaker panel). Then read |
| screen flashes, F78. | intended | Electrical Connections section of the installation Instructions, |
| contact the installer to verify electrical input to the water heater. | ||
| OTHER | ||
| Rumbling noise | Water conditions in your home | Remove and clean the heating elements. This should only be done by a |
| caused a buildup of scale or | qualified service person or plumbing contractor. | |
| mineral deposits on the heating | ||
| elements | ||
| Squealing/Chirping sound | In certain usage conditions, noise | Increasing user set point or lowering capacity setting may address this condition |
| when drawing hot water | may transmit through plumbing | on integrated mixing valve models. Consult a plumbing professional to install a |
| from the integrated mixing valve. | pressure limiting device, if due to high water pressure. | |
| Intermittent EMV motor noise | A soft motor noise may be heard | This noise is normal and does not indicate any issue with product |
| on integrated mixing valve | during normal operation due to | |
| models | movement of control valve. | |
| Water dripping down the | Hot/Cold water connections or | Tighten the loose connections. This should only be done by a qualified service |
| outside of the heater | other parts have loosened | person or plumbing contractor. |
| Relief valve producing | Pressure buildup caused by | This is an unacceptable condition and must be corrected. See Thermal |
| popping sound or draining | thermal expansion to a closed | Expansion section on page 14. Do not plug the relief valve outlet. Contact a |
| system | plumbing contractor to correct this. | |
| Hot water has a rotten egg or | Certain water supplies with high | The odor can be reduced or eliminated in most water heaters by replacing |
| sulfur smell | sulfate content will react with | the anode rod with less-active material rod. In some cases, an added step of |
| the anode rod that is present in | chlorinating the water heater and all hot water lines may be necessary, contact | |
| all water heaters for corrosion | your local water professional or plumber for options and instructions. | |
| protection of the tank | Go to GEAppliances.com/water heater for information on purchasing this | |
| replacement anode rod. A qualified servicer or plumber should do this | ||
| replacement. Use of a non-GE Appliances approved anode rod, or operating | ||
| the water heater without a GE Appliances approved anode rod will VOID the | ||
| warranty. | ||
| In certain cases, increasing the tank temperature to 140°F 60°C can reduce | ||
| this odor issue. Reference the Water Temperature Adjustment section of the | ||
| Important Safety Information of this manual for procedure and dangers of | ||
| scalding water. Installation of temperature limiting valves can be used to reduce | ||
| risk of scalding. | ||
Fault Codes
| Fault Code Displayed | Condition | Action |
| F10,12 or F20 | Lower Heating Element Failure | Call Service to replace heating element |
| F11,13 or F21 | Upper Heating Element Failure | Call Service to replace heating Element |
| F16/F17 | No Hot Water – Mixing Valve Outlet DC TCO Tripped on EMV models or missing jumper wire on non-EMV models. | Call Service to correct issue causing fault |
| F18, F63 or F64 | Mixing Valve Failure | Call service to diagnose and repair |
| F19 | Runaway Heat Source | Call Service to repair |
| F30 | Tank Temperature T1 Failure open/short | Call Service to replace sensor |
| F31 | Tank Temperature T2 Failure open/short | Call Service to replace sensor |
| F32 or F33 | Tank Temperature, T1 or T2 Failure | Call Service to replace required sensor |
| F38* | Mixing Valve Outlet Temperature T6 Failure | Call Service to replace required sensor |
| F39* | Mixing Valve Cold Inlet Temperature T7 Failure | Call Service to replace required sensor |
| F22 or F40 | Current Sensor Failure | Call Service to diagnose and correct |
| F41# | Sensing Anode mist wired | Confirm wire is connected to sensing anode terminal. Call Service otherwise. |
| F44 or F45 | Micro Fault | Call Service to repair |
| F70# | Anode Depleted | Call Service to replace sensing anode (see anode replacement section in manual). |
| F71 | AC Current Transformer Miswire | Call Service to diagnose and repair |
| F76 | Voltage too low | Call Service for probable miswire |
| F77 | Stuck Key Failure | Call Service to diagnose and repair |
| F90 | E2 module unplugged or damaged | Call Service to diagnose and repair |
| F94 | WIFI Board Failure WIFI icon dark) | Call Service to diagnose and repair |
Applies to models with integrated mixing valve. Applies to models with sensing anode.
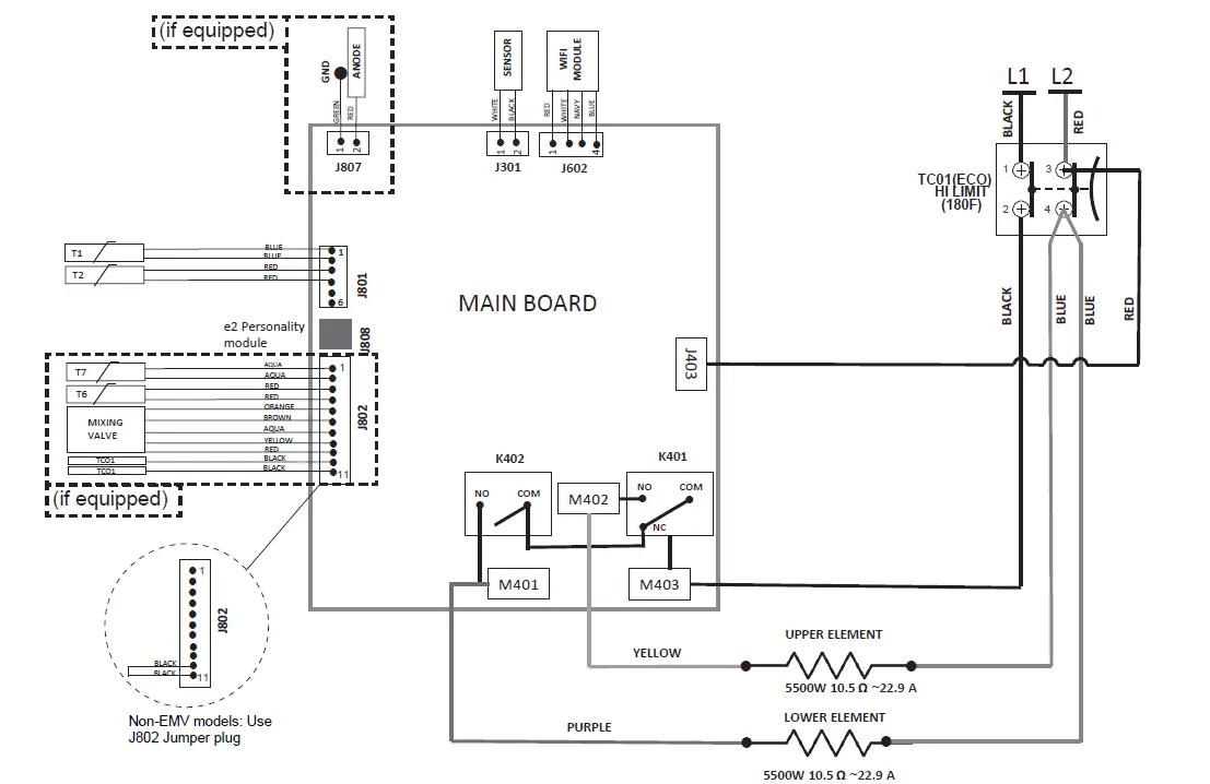
Wiring Diagram

Costco Member Exclusive Limited Warranty
GE Appliances Electric Water Heater Limited Warranty
All warranty service is provided by our Factory Service Centers, or an authorized Customer Care® technician. To schedule service for your GE water heater call GE Water Heaters at 1-800-411-6526. Please have your serial number and your model number available when calling for service. Servicing your appliance may require the use of the onboard data port for diagnostics. This gives a GE Appliances factory service technician the ability to quickly diagnose any issues with your appliance and helps GE Appliances improve its products by providing GE Appliances with information on your appliance. If you do not want your appliance data to be sent to GE Appliances, please advise your technician not to submit the data to GE Appliances at the time of service
| For The Period Of | We Will Replace |
| Two Years From the date of the original purchase | Any factory specified part of the water heater which fails due to a defect in materials or workmanship. During this limited two-year warranty, we will also provide, free of charge, all labor and related service to replace the defective part. |
| Third through Tenth or Twelfth Year From the date of the original purchase | Any part of the Water Heater which fails due to a defect in materials or workmanship. During this limited third through the end of the warranty period, labor and related service to replace the defective part are not included. Warranty is based on the 6th and 7th digit of model number located on rating plate e.g.: GE50T12BLM has a part warranty of 12 years). |
What Is Not Covered
Service trips to your home to teach you how to use the product. service access. Damage, malfunction or failure caused by the use of repair service not approved by GE Appliances. Improper installation, delivery or maintenance. Replacement parts shipping and handling and cost to remove defective part or tank after the first year limited warranty are NOT covered. Damage, malfunction or failure caused by the use of unapproved parts or components. Damage, malfunction or failure caused by operating the water heater with the anode rod removed. Failure of the product if it is abused, misused, altered, or used for other than the intended purpose. Anode Rod inspection and replacement. Use of this product where water is microbiologically unsafe Damage, malfunction or failure resulting from operating the or of unknown quality, without adequate disinfection before water heater with an empty or partially empty tank. or after the system. Damage, malfunction or failure caused by subjecting the Replacement of house fuses or resetting of circuit breakers. tank to pressure greater than those shown on the rang label. Damage to the product caused by accident, lightning, fire, flood or acts of God. Incidental or consequential damage caused by possible defects with this appliance, its installation or repair. Damage, malfunction or failure caused by operating the water heater with electrical voltage outside the voltage range listed on the rating label. Product not accessible to provide required service in a safe Water heater failure due to the water heater being operated manner. Attic installation must have flooring and accessible in a corrosive atmosphere. stairs. f this water heater is used for other than residential private family use, labor will not be covered under warranty, and the parts warranty is reduced to 1 year from the date of purchase. f product removed from original installation location product or other appliance must be moved.
EXCLUSION OF IMPLIED WARRANTIE
Your sole and exclusive remedy is product repair as provided in this Limited Warranty. Any implied warranties, including the implied warranties of merchantability or fitness for a particular purpose, are limited to one year or the shortest period allowed by law. This limited warranty is extended to the original purchaser and any succeeding owner for products purchased for home use within the USA. If the product is located in an area where service by a GE Appliances Authorized Servicer is not available, you may be responsible for a trip charge or you may be required to bring the product to an Authorized GE Appliances Service location for service. In Alaska, the limited warranty excludes the cost of shipping or service calls to your home. Some states do not allow the exclusion or limitation of incidental or consequential damages. This limited warranty gives you specific legal rights, and you may also have other rights which vary from state to state. To know what your legal rights are, consult your local or state consumer affairs office or your state’s Attorney General. For product purchased outside of the US, contact your dealer for Warranty and Service information. Warrantor for Products Purchased in the United States: GE Appliances, a Haier company Louisville, KY 40225
Consumer Support
Register Your Appliance
Register your new appliance on-line at your convenience! Timely product registration will allow for enhanced communication and prompt service under the terms of your warranty, should the need arise. Scan QR Code on product registration card, or on product.
NOTE
This is just an example of what a QR code represents.

Or go to GEAppliances.com/register Or mail in your pre-printed registration card included in the packing material
Consumer Service
If you have a question or need assistance with your new water heater on adjustments, repairs, or routine maintenance Contact your local installer, plumbing contractor, or call GE Appliances Service and Support at 1-800-943-8186.
NOTE
Your installer phone number may be located on the product label. If you still have issues, contact the GEA Customer Support at GEAppliances.com/waterheater
Parts and Accessories
Individuals qualified to service their own appliances can have parts or accessories sent directly to their homes. (VISA, MasterCard and Discover cards are accepted). Order on-line today 24 hours every day. In the US, go to GEApplianceparts.com
Contact Us
If you are ultimately not satisfied with the service you receive, contact us on our Website with all the details including your phone number, or write to: In the US: General Manager, Customer Relations |GE Appliances, Appliance Park Louisville, KY 40225 GEAppliances.com/contact
References
Appliance Parts, Accessories & Water Filters | GE Appliances
Kitchen Appliances, Refrigerators, Dishwashers | GE Appliances
Kitchen Appliances, Refrigerators, Dishwashers | GE Appliances
Connect Your Smart Appliances
Contact Us or Get Help with Questions | GE Appliances
GEAppliances.com/register
Water Heater - Product Information, Warranty, Service and Technical Support





















