Medium Duty E32 Series Models
Commercial Electric Water Heaters
SERVICE MANUAL
Troubleshooting Guide and Instructions for Service
(To be performed ONLY by qualified service providers)
Models Covered by This Manual:
Commercial Electric Energy Saver:
E32-50S
E32-80R
E32-120R
Owner’s Manual
Medium Duty E32 Series Commercial Electric Water Heaters
WARNING CANCER AND REPRODUCTIVE HARM WWW.P65WARNINGS.CA.GOV
As required by the state of California Proposition 65.
Introduction
This service manual is designed to aid service and maintenance professionals on the function, proper diagnosis and repair of Bradford White medium duty commercial electric water heaters.
The text and illustrations in this manual provide step by step instructions to facilitate proper operation and troubleshooting procedures. Contact the Bradford White Technical Support Group immediately if diagnosis can not be made using the methods described in this service manual.
Tools
– Multi Meter.
– 1-½ Deep Well Socket (element removal).
– ¼” Nut Driver.
– Phillips Head Screw Driver.
– Thermometer.
– Drain Hose.
– Various Hand Tools: Pipe Wrench, Channel Locks, Pliers (common & needle nose), Wire cutters, Wire Strippers, Flash Light.
GENERAL INFORMATION
Commonly Used Formulas
Amps = Watts (for single phase units) Example 4500W/240V = 18.75A Volts
Amps = Watts (for balanced 3 phase units) Example 4500W/240V x 1.732 = 10.82A Volts x 1.732
Watts = Amps x Volts Example 18.75A x 240V = 4500W
Ohms = Volts² Example (240V)² / 4500W = 12.8 Ohms Watts

Full Load Amperes-(Phase 1/Phase 3)
| Input Kw | 208V | 240V | 277V | 380V | 415V | 480V |
| 6 | 28.8/16.6 | 25/14.4 | 21.6 | 10 | 8.3 | 12.5/7.2 |
| 9 | 43.2/25 | 37.5/21.6 | 32.4 | 14 | 12.5 | 18.7/10.8 |
| 12 | 57.6/33.3 | 50/28.9 | 43.3 | 19 | 16.7 | 25/14.4 |
| 13.5 | 64.9/37.5 | 56.2/32.5 | 48.7 | 21 | 18.8 | 28.1/16.2 |
| 15 | 72.1/37.5 | 62.5/36.1 | 54.1 | 23 | 20.9 | 31.2/18 |
| 18 | 86.5/50 | 75/43.4 | 64 | 28 | 25 | 37.5/21.6 |
Surface Mounted Thermostats
E32 series medium duty commercial water heaters use only surface mounted thermostats. Surface mounted thermostats are mounted into a bracket which holds the thermostat against the side of the tank. Surface mounted thermostats respond to tank surface temperatures to sense a call for heat, set point temperature settings and high limit (ECO) activation. It is import that the entire back surface of the thermostat is in full contact or flush with the tank. An improperly mounted thermostat will lead to improper heater operation.

Direct Immersion “Screw-in” Type Heating Element

SEQUENCE OF OPERATION
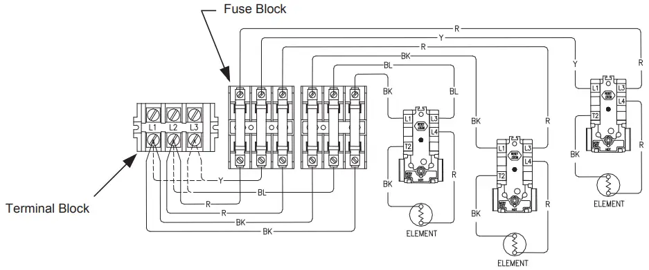
E32 series medium duty, field convertible commercial electric water heaters are designed to operate using single phase or three phase service connections. One size fits all Internal fusing is factory installed for all units. When field conversions are required, no fuse change is necessary. Three surface mounted thermostats operating independently
are used to control a corresponding heating element.
Sequence of Operation.
- Single phase line voltage is applied across terminals L1 and L2 of terminablock. Or Three phase line voltage is applied to terminals L1 through L3 of terminal block. Line voltage continues through terminal block and fuse blocks and connects to thermostats at terminals L1 & L3.

- ECO (high limit) in thermostat is closed, so there is line voltage present at terminal L4 of thermostats and to one side of each element.

- Water in tank is cold, so all thermostats are closed at terminal T2 (calling For heat). This completes the circuit and allows current to flow through heating element.
- As each thermostat is satisfied, it opens at terminal T2 interrupting current flow through the respective element. The system is now in stand-by mode, waiting for the next call for heat.

FIELD CONVERSION FOR: KW, Voltage and Phase
The E32 series medium duty commercial electric water heaters are field convertible. This allows Qualified Service Providers the ability to convert wattage, voltage and phase using a factory supplied conversion kit as required per the installation. Underwriters Laboratories Inc. recognizes this procedure as herein presented and no deviation from these instructions are allowed.
KW Conversion
All E32 series medium duty commercial water heaters are factory wired to the maximum electrical duty for which they have been designed. Therefore, internal electrical components satisfy the maximum voltage and maximum electrical current conditions.
These instructions do not allow for a modification that adds or deletes the number of heating elements originally supplied with the heater; therefore such a modification must not be attempted.
Special factory prepared “Conversion Kits” must be used for these conversions. These kits contain the heating elements, element gaskets and product labeling overlays related to the newly created electrical parameters.
18 KW heaters suitable for operation with 208vac cannot be created by conversion since there are no “kits” established for this electrical system. These heaters can be obtained by ordering directly from the factory.
Conversion Kit Available Required
| Total Heater KW | Element Wattage | ———- Kit Part Numbers ———- | ||
| 208 volts | 240 volts | 480 volts | ||
| 6 | 2000 | 265-43942-13 | 265-43942-07 | 265-43942-01 |
| 9 | 3000 | 265-43942-14 | 265-43942-08 | 265-43942-02 |
| 12 | 4000 | 265-43942-15 | 265-43942-09 | 265-43942-03 |
| 13.5 | 4500 | 265-43942-16 | 265-43942-10 | 265-43942-04 |
| 15 | 5000 | 265-43942-17 | 265-43942-11 | 265-43942-05 |
| 18 | 6000 | 265-43942-18* | 265-43942-12 | 265-43942-06 |
*265-43942-18 will require control box replacement (included in kit).
Following the heating element removal and replacement instruction on page 16, remove elements and replace with elements from appropriate kit listed above.
The heaters rating plate will need to be modified because the conversion altered the electrical characteristics of the heater. This rating plate is placed on every Commercial Electric water heater produced by Bradford White Corporation.
Element kits above contain rating plate label overlays related to the newly created electrical parameters. Follow the instruction on page 8 For placement of overlays.
Voltage Conversion
- Voltage conversion is accomplished by replacing the existing elements with elements that are rated at the required voltage.
- To accomplish this conversion refer to the above procedure for KW Conversion —- Element Changes.
Control Box Conversion
- Open front panel of control box installed on water heater and disconnect the (6) load wires from fuse blocks.
- Remove (4) screws joining control box to water heater and remove control box.
- Install new control box onto the water heater by feeding the wires through the back of the control box and reinstall (4) mounting screws.
- Reconnect wires to new fuse blocks. Be certain to match wire colors to Line side of fuse blocks.
NOTICE
Control box conversion is ONLY required when converting water heater to 18kw 208v (Kit# 265-43942-18)
CAUTION
Use caution to not damage any of the wire insulation when removing control box.
Electrical Phase Conversion
Electrical phase conversion will require a change from single-phase to three-phase or an opposite conversion change from three-phase to single-phase. Each of these conversions will be explained separately as follows:
Three-Phase to Single-Phase
- Disconnect blue and yellow wires from terminal L-3 of the terminal block
- Connect yellow wire to terminal L-1 of the terminal block. The black wires should remain connected to L-1 of the terminal block as it was originally manufactured.
- Connect blue wire to terminal L-2 of the terminal block. The red wires should remain connected to L-2 of the terminal block as it was originally manufactured.
- Field wiring for the heater power supply will eventually be connected to terminals L-1 and L-2 of the terminal block when the product is installed.
Single-Phase to Three-Phase
- Disconnect yellow wire from terminal L-1 of the terminal block
- Disconnect blue wire from terminal L-2 of the terminal block
- Connect blue and yellow wires to L-3 of the terminal block
- Field wiring for the heater power supply will eventually be connected to terminals L-1, L-2, and L-3 of the terminal block when the product is installed.
Three Phase and Single Phase Connections at Terminal Block
| Phase | Terminal Block | ||
| L1 | L2 | L3 | |
| Single | BK & Y Wires | R & BL Wires | |
| Three | BK Wire | R Wire | BL & Y Wires |

E32 Series Phase Conversion Rating Plate Overlay Kits
| 6KW | 9KW | 12KW | |||
| Volt | Conversion Kit | Volt | Conversion Kit | Volt | Conversion Kit |
| 208 | 265-45246-13 | 208 | 265-45246-14 | 208 | 265-45246-15 |
| 240 | 265-45246-07 | 240 | 265-45246-08 | 240 | 265-45246-09 |
| 480 | 265-45246-01 | 480 | 265-45246-02 | 480 | 265-45246-03 |
| 13.5KW | 15KW | 18KW | |||
| Volt | Conversion Kit | Volt | Conversion Kit | Volt | Conversion Kit |
| 208 | 265-45246-16 | 208 | 265-45246-17 | 208 | 265-45246-18 |
| 240 | 265-45246-10 | 240 | 265-45246-11 | 240 | 265-45246-12 |
| 480 | 265-45246-04 | 480 | 265-45246-05 | 480 | 265-45246-06 |
The heaters rating plate will need to be modified because the conversion altered the electrical characteristics of the heater. This rating plate is placed on every Commercial Electric water heater produced by Bradford White Corporation.
Phase conversion kits above contain rating plate overlays related to the newly created electrical parameters. Follow the instruction on page 8 For placement of overlays.
Rating Plate Modification
The heaters rating plate will need to be modified because the conversion altered the electrical characteristics of the heater. Refer to the illustration below that displays a typical commercial electric rating plate that is to be altered. This rating plate is placed on every Commercial Electric water heater produced by Bradford White Corporation. Locate this rating plate on the heater you have just converted.
Locate the adhesive backed label (marked as part # 238-43990-00) (see illustration below) that was provided inside the kit. It is marked with the new electrical data that is accurate for the conversion just executed. The kit will contain two labels for this voltage and KW. One for three phase and one for single phase. Select the correct label for the electrical phase in this conversion.
Remove the adhesive peel strip and place this label onto the rating plate in such a manner that the new electrical data will appear in place of the data originally marked. Refer to the illustration below that displays the rating plate revision.
TROUBLESHOOTING
Most common cause for improper electric water heater operation can be linked to heating element failure.
When troubleshooting an electric water heater with the incidence of “No Hot Water” or “Insufficient Amount of Hot Water” It is always a good idea to check the heating elements first following the procedure on page 11.
Common Heating Element Failures Are:
- Dry Firing. Element may be partially submerged in water or most likely, completely exposed with no water in tank. In some cases sediment or lime build up around an element can eventually cause an air pocket, and within seconds, result in a dry fired element. At this point the element becomes inoperative. When element replacement is required, be sure tank is full of water prior to energizing the water heater.
- Grounded Element. An element with a short circuit to ground will in most cases cause the circuit breaker in the service panel to open or shut off. In some cases there may not be enough current draw for the circuit breaker to open. This will allow the heating element to be in continuous operation resulting in over heated water, limited only by the ECO or Energy Cut Off located in the thermostat. Repeated actuation of the ECO reset button on the thermostat usually is the result of a grounded element.
- Sediment build up. Slow hot water recovery can usually be traced back to sediment or lime build up around heating element. Sediment build up can also over time cause a dry fired element.
The illustration below shows a common “Screw-In” type heating element identifying certain features commonly referred to throughout this manual.

Quick Step Plan to Hot Water
- TURN OFF power to water heater and check all wire connections to insure they are tight and corrosion free.
- Turn power “ON” and determine that line voltage is present (see pg 12), and the high limit (ECO) has not actuated (see pg 13).
- Check for blown fuse (see pg 13).
- Check for inoperative heating element (see procedure on page 11).
- Check for proper thermostat operation (see pg 14). NOTE: Thermostat testing procedures assume items 2, 3 and 4 above are in working order.
WARNING
High voltage exposure. Use caution when making voltage checks to avoid personal injury.
| SYMPTOM | PROBABLE CAUSE | CORRECTIVE ACTION | SERVICE PROCEDURE |
| No Hot Water | 1. No Power to heater. 2. Blown water heater fuses. 3. Loose wire connections. 4. Inoperative heating elements. 5. Inoperative thermostat. 6. Open ECO. | 1. Check fuses or circuit breakers at service panel. 2. Check water heater fuses. 3. Check all wire connections. 4. Check heating element(s). Replace as needed. 5. Check thermostat(s) operation. Replace as needed. 6. Check ECO. Reset or replace thermostat(s) as needed. | 2. See Service Procedure E32-III, Page 13 4. See Service Procedure E32-I, Page 11. 5. See Service Procedure E32-IV, Page 14. 6. See Service Procedure E32-III, Page 13 |
| Not Enough Hot Water | 1. Inoperative heating element. 2. Thermostat(s) set to low. 3. Inoperative thermostat(s). 4. Loose wire connection. 5. Sediment or lime build up on element(s). 6. High demand period. 7. Undersized heater. 8. Very cold inlet water to heater. 9. Plumbing connections reversed. 10. Damaged dip tube. | 1. Check heating element(s), replace as needed. 2. Increase thermostat setting. 3. Check thermostat(s), replace as needed. 4. Check all wire connection. 5. Remove heating element(s) and check for lime build up. 6. Reduce demand. 7. Replace with larger heater. 8. Temper water to heater. 9. Correct plumbing connections. 10. Check dip tube, replace as needed. | 1. See Service Procedure E32-I, Page 11. 3. See Service Procedure E32-IV, Page 14. 5. See Service Procedure E32-VI, Page 16. 10. See Service Procedure E32-VII, Page 17. |
| Slow Hot Water Recovery | 1. Sediment or lime build up on element(s). 2. Loose wire connections. 3. Inoperative thermostat(s). 4. Derated heating element installed. | 1. Remove heating element(s) and check for lime build up. 2. Check all wire connections. 3. Check thermostat(s), replace as needed. 4. Check terminal block of element for proper voltage and wattage rating. | 1. See Service Procedure E32-VI, Page 16. 3. See Service Procedure E32-IV, Page 14. |
| Over Heated Water or Continues Operation | 1. Thermostat(s) not in contact with tank. 2. Grounded heating element(s). 3. Thermostat set to high. 4. Inoperative thermostat(s). 5. Inoperative ECO. 6. Undersized water heater. | 1. Position thermostat flush with tank surface. 2. Check heating element(s). Replace as needed. 3. Adjust thermostat(s) to desired setting. 4. Check thermostat(s), replace as needed. 5. Check ECO, replace thermostat as needed. 6. Replace with larger heater. | 1. See Service Procedure E32-V, Page 15. 2. See Service Procedure E32-I, Page 11. 4. See Service Procedure E32-IV, Page 14. 5. See Service Procedure E32-III, Page 13. |
| Noisy (singing or hissing) Elements | 1. Lime formation on elements. | 1. Remove and clean heating elements. Replace as needed. | 1. See Service Procedure E32-VI, Page 16. |
SERVICE PROCEDURE E32-I
Heating Element Testing
Testing For Open Or Burned Out Element.
Step 1. TURN OFF POWER TO WATER HEATER.
Step 2. Remove thermostat/element access cover(s) from front of water heater. Remove insulation and plastic cover from thermostat.
Step 3. Disconnect wires from heating element.
Step 4. Set multi-meter to “ohms” setting.
Step 5. Touch probes of multi-meter to screw terminals of heating element (see illustration 1).
Step 6. Reading should be 12.8 ohms (±6%) for a 240 volt, 4500 watt element, see table below:
Ohms = Volts²/Watts
A reading outside the range using the formula above (±6%), indicates a bad element and the element must be replaced.
WARNING
High voltage exposure. Be sure power is turned OFF to water heater prior to performing this procedure.
Ohms of electrical Resistance
| Element Wattage | Voltage Rating of Element | ||
| 208 | 240 | 480 | |
| 2000 | 21.6 | 28.8 | 115.2 |
| 3000 | 14.4 | 19.2 | 76.8 |
| 4000 | 10.8 | 14.4 | 57.6 |
| 4500 | 9.6 | 12.8 | 51.2 |
| 5000 | 8.7 | 11.5 | 46.1 |
| 6000 | 7.2 | 9.6 | 38.4 |
Testing For Heating Element Short Circuit To Ground.
Step 1. TURN OFF POWER TO WATER HEATER.
Step 2. Remove access cover(s) from front of water heater. Remove insulation and plastic cover from thermostat.
Step 3. Disconnect wires from heating element.
Step 4. Set multi-meter to “ohms” setting.
Step 5. Touch one probe of multi-meter to either screw terminal of heating element and the other on the element flange (see illustration 2). There should be no reading on the ohm meter. Any reading indicates a grounded element and the element must be replaced. Repeat this step for the other screw terminal.

Line Voltage Testing
- Turn “OFF” power to water heater.
- Open control box located at the top of the heater to allow access to terminal block.
- Set multi-meter to volts AC.
- Turn power “ON” to water heater.
- For 3 phase service, go to step 7.
- For single phase service, check voltage across terminals L1 & L2 of terminal block (see illustration 3).
A) Rated voltage IS present, power to the water heater is okay.
B) Rated voltage NOT present, Check circuit breaker at service panel.
WARNING
High voltage exposure. Use caution when making voltage checks to avoid personal injury.
- For 3 phase service check across L1 & L2 and across L1 and L3 (see illustrations 4 & 5)
A) Rated voltage IS present, power to the water heater is okay.
B) Rated voltage NOT present, Check circuit breaker at service panel.

Fuse Testing
WARNING
High voltage exposure. Be sure power is turned OFF to water heater prior to performing this procedure.
- Turn “OFF” power to water heater.
- Open control box located at the top of the heater to allow access to fuse block.
- Disconnect wire leads from fuse block.
NOTE: It may be necessary to label wires for proper re-connection when finished. - Set multi-meter to the “Ohms” setting.
- Check continuity across upper and lower screw terminal of fuse block for each individual fuse, six total (see illustration 6).
A) Continuity IS present, fuse is okay.
B) Continuity NOT present, Replace with new fuse Class “G”, 480 Volt MAX, 30 Amp.
ECO (high limit) testing
- This procedure assumes line voltage and fuses are in working order.
- Turn power “OFF” to water heater.
- Remove thermostat/element access cover(s) located near the bottom of the water heater.
- Remove insulation and plastic cover from thermostat.
- Turn power “ON” to water heater.
- Check voltage across terminals L1 & L4 for all thermostats (see illustration 7).
A) Rated Voltage IS present, ECO is okay.
B) Rated voltage NOT present, proceed to step 7.
WARNING
High voltage exposure. Use caution to avoid personal injury during this procedure.
- Turn power “OFF” to water heater and firmly press ECO reset button on thermostat(s).
Turn power “ON” to water heater and recheck voltage across terminals L1 & L4 of thermostat(s).
A) Rated voltage IS present, the ECO has previously opened indicating the water in the tank, at some point did overheat, Check the following:
1. Thermostat must be in full contact with tank.
2. Be sure heating element(s) is not shorted to ground (see page 11).
3. Proper thermostat operation (see procedures on page 14).
B) Rated voltage NOT present, water in tank may be over heated.
1. If water is hot, turn “OFF” power to water heater and flow water through tank to cool below set point of upper thermostat. Recheck voltage per step 6.
2. If water is cool, Replace thermostat(s).
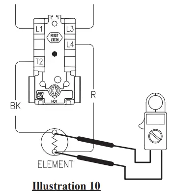
Thermostat Operation Testing
Water In Tank Is Cold With Power ON.
- This procedure assumes line voltage, ECO and elements are in working order.
- Turn power “ON” to water heater.
- Set multi-meter to “Volts AC”.
- Check across terminals L1 & L3 of thermostat (see illustration 8)
A) Rated voltage NOT present, Check fuses.
B) Rated voltage IS present, proceed to next step. - Check across terminals L4 and T2 of thermostat (see illustration 9).
A) Rated voltage NOT present, Recheck ECO. If ECO is okay, replace thermostat.
B) Rated voltage IS present, okay thermostat is calling for heat, proceed to next step. - Check across element terminals (see illustration 10).
A) Rated voltage NOT present, check wire connections from thermostat to element.
B) Rated voltage IS present, Repeat element testing see page 11.
WARNING
High voltage exposure. Use caution to avoid personal injury during this procedure.
Water Temperature In Tank Is Above Thermostat Setting.
- This procedure assumes line voltage, ECO and elements are in working order.
- Turn power “ON” to water heater.
- Set multi-meter to “Volts AC”.
- See illustration 9 above, check across terminals L4 and T2 of thermostat.
A) Rated voltage IS present, replace thermostat.
B) Rated voltage NOT present, thermostat is okay.
C) Lower than rated voltage IS present, recheck for grounded element (see page 11).

Thermostat Removal
- Turn power “OFF” To water heater.
- Remove access cover(s) and insulation.
- Remove plastic thermostat protector from thermostat(s).
- Disconnect wires from thermostat terminals. It may be necessary to label wires for proper re-connection to new thermostat.
- Note thermostat temperature setting for proper setting of new thermostat.
- Slide thermostat upwards and out of mounting bracket.
WARNING
High voltage exposure. Be sure power is “OFF” when performing this procedure.
Thermostat Replacement
- Use a stiff brush to remove any debris or loose scale from tank surface where new thermostat will be installed.
- Slide new thermostat down into thermostat bracket until it snaps into place.
IMPORTANT! Thermostat must set completely flat or flush to tank surface. An improperly installed thermostat will cause improper water heater operation. - Refer to the wire diagram located on the inside of the control box cover and re-connect wires to the thermostat. Be sure wire connections are snug and corrosion free. Do not over tighten, doing so may damage thermostat.
- Set thermostat to the original thermostat setting found on the old thermostat.
- Re-install plastic thermostat protector.
- Re-install insulation and access cover.
- Restore power to water heater and verify proper heater operation.

Heating Element Removal
- Turn power “OFF” To water heater.
- Turn off cold water supply to heater. Connect hose to drain spigot of water heater and route to an open drain. Open a nearby hot water faucet to vent heater for draining. Open drain spigot of water heater and allow heater to drain to a point below the Element(s).
- Close drain spigot and remove hose.
- Remove access cover(s) and insulation.
- Remove plastic thermostat protector from thermostat(s).
- Disconnect wires from element terminals.
- Remove element from tank using 1-½ deep well socket or appropriate wrench. Unscrew element counter-clockwise to remove from tank.
- Be sure to remove old element gasket from the tank. It is not recommended to be re-used.
WARNING
High voltage exposure. Be sure power is “OFF” when performing this procedure.
WARNING
Heater components and stored water may be HOT when performing the following steps in this procedure. Take necessary precaution to prevent personal injury.
Heating Element Replacement
- Check element terminal block for proper electrical rating.
NOTE: Some elements have dual ratings, be sure to check all surfaces of the element terminal block (see illustration below). - Apply new element gasket to the new element. Be sure gasket is seated flat against element flange without rolls or gaps (see illustration below).
- Clean any debris from element fitting on tank. Lubricate element threads as needed with thread lubricant.
- Thread new element clockwise into tank. Tighten element using 1-½ deep well socket or appropriate wrench. Do not over tighten, over tightening may damage element gasket.
- Reconnect wires to element, be sure connections are snug and corrosion free. Do not over tighten, doing so may damage terminal block.
- Resume water supply to heater, be sure tank is full of water and check for leaks.
- Re-install plastic thermostat protector(s).
- Re-install insulation and access cover(s).
- To resume operation, BE SURE TANK IS FULL OF WATER and restore power to water heater. Verify proper heater operation.

Dip Tube Inspection and Replacement
WARNING
Heater components and stored water may be HOT when performing the following steps in this procedure. Take necessary precaution to prevent personal injury.
Step 1. Turn power “OFF” to water heater.
Step 2. Turn off cold water supply to heater. Connect hose to drain spigot of water heater and route to an open drain.
Open a nearby hot water faucet to vent heater for draining. Open drain spigot of water heater and allow heater to drain to a point below the inlet connection nipple.
Step 3. Close drain spigot and remove hose.
Step 4. Disconnect inlet nipple from plumbing system.
Step 5. With an appropriate wrench, remove inlet nipple/dip tube from the water heater. Use caution not to damage nipple threads.
Step 6. Visually Inspect inlet nipple/dip tube. Inlet nipple/dip tube should be free of cracks and any blockage.
Hydro-jets located near the bottom of the dip tube should be open and free of any blockage.
Anti-siphon hole located approximately 6″ from the bottom of nipple, should be free of any blockage.
Any damage such as cracks, restriction due to deformation or unintentional holes are not field repairable and the inlet nipple/dip tube must be replaced.
Step 7. Upon completion of inspection or subsequent replacement, reinstall inlet nipple/dip tube into heater. Connect nipple to plumbing system, close spigot and remove drain hose, resume water supply and refill heater with water.
Step 8. To resume operation, BE SURE TANK IS FULL OF WATER and turn power “ON” to water heater.
Anode Inspection and Replacement
Step 1. Turn power “OFF” to water heater.
Step 2. Turn off cold water supply to heater. Connect hose to drain spigot of water heater and route to an open drain.
Open a nearby hot water faucet to vent heater for draining. Open drain spigot of water heater and allow heater to drain to a point below the outlet connection nipple.
Step 3. Close drain spigot and remove hose.
Step 4. Disconnect outlet nipple from plumbing system.
Step 5. With an appropriate wrench, remove outlet nipple/anode from the water heater. Use caution not to damage nipple threads.
Step 6. Visually Inspect outlet nipple/anode. Outlet nipple/anode should show signs of depletion, this is normal.
If depletion is ½ of the original anode diameter (original diameter approximately ¾”), replacement is recommended. If any of the steel core of the anode is exposed, replacement is recommended.
Step 7. Upon completion of inspection or subsequent replacement, reinstall outlet nipple/anode into heater. Connect nipple to plumbing system, close spigot and remove drain hose, resume water supply and refill heater with water.
Step 8. To resume operation, BE SURE HEATER IS FULL OF WATER and turn power “ON” to water heater.
Generic Parts List

| 1. Hot Water Outlet Anode 2. T&P Relief Valve 3. Cold Water Inlet Dip Tube 4. Control Box 5. Ground Lug 6. Fuse 7. Fuse Block 8. Terminal Block | 9. Brass Drain Valve 10. Thermostat Mounting Bracket 11. Element Gasket 12. Heating Element 13. Thermostat Surface Mount 14. Thermostat Protector 15. Thermostat/Element Access Cover 16. ASSE Approved Mixing Valve (optional) |
NOTES __________

United States
| Sales | 800-523-2931 |
| Technical Support | 800-334-3393 |
| [email protected] | |
| Warranty | 800-531-2111 |
| [email protected] | |
| Service Parts | 800-538-2020 |
| [email protected] |
Canada
| Sales & Technical Support | 866-690-0961 905-203-0600 |
| Fax | 905-636-0666 |
| Warranty | [email protected] |
| Technical Support | [email protected] |
| Service Parts | [email protected] |
| Orders | [email protected] |
For U.S. and Canada field service, contact your professional installer or local Bradford White sales representative.
International
General Contact [email protected]
©2022, Bradford White Corporation, USA. All rights reserved.
www.bradfordwhite.com


























